Продолжение каталога электросхем на русском языке, автомобилей БМВ 5-й серии. В разделе представлены для бесплатного просмотра и скачивания схемы таких узлов, как световые приборы передние, адние фонари, фары, фонари освещения номерного знака, розетка зарядки, освещение ящика кассет, питание CD-чейнджера , система антиблокировки тормозов и разъем блока управления ABS и схема коммутации диагностического разъема БМВ 5. Дополнительную информацию по электросхемам можно почитать тут.
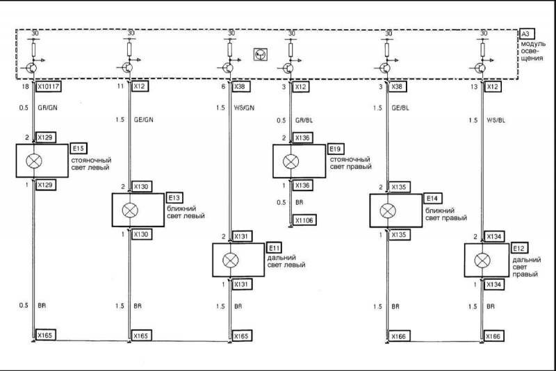
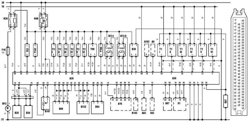
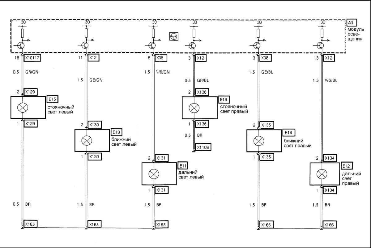
Световые приборы передние - схема

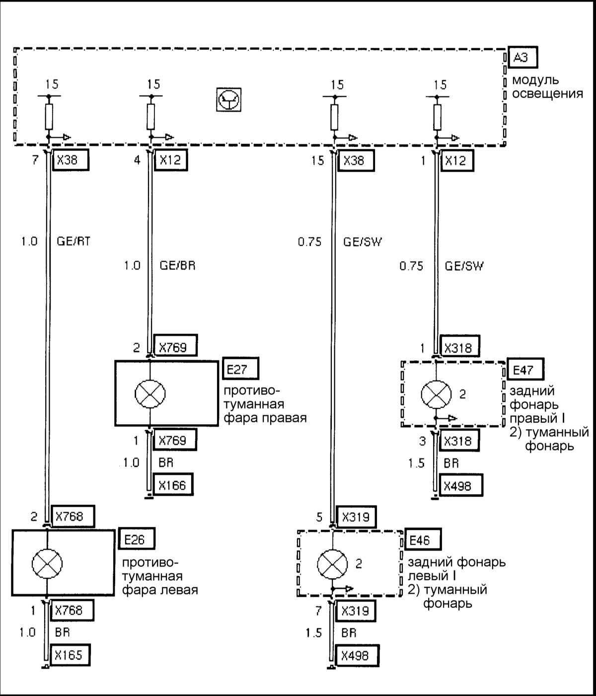
Противотуманные фары БМВ5

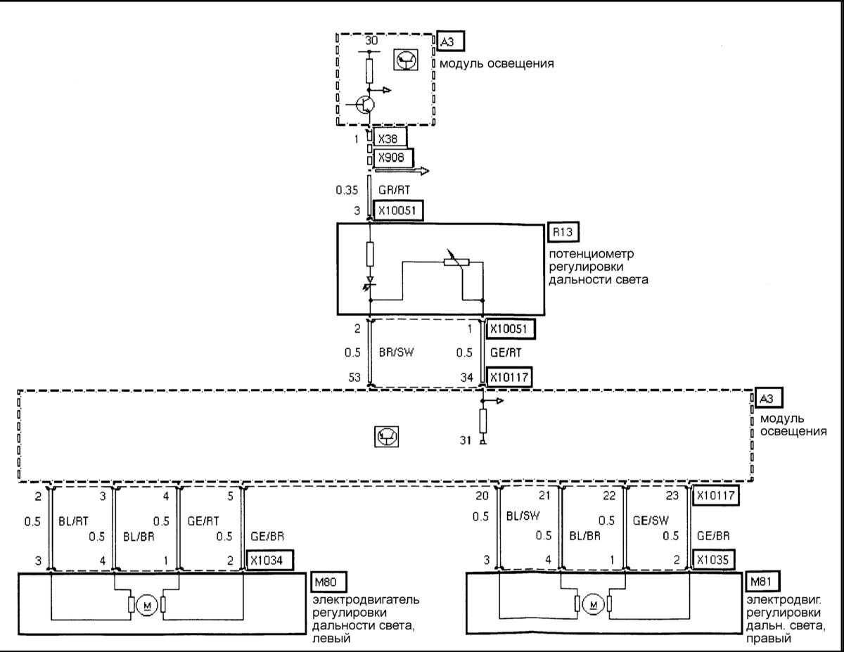
Электросхема регулировки дальности света

Указатель поворота БМВ-5

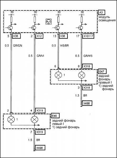
Задние фонари автомобиля

Стоп-сигнал


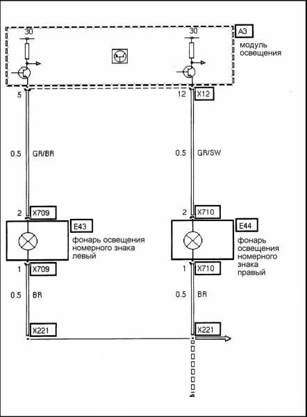
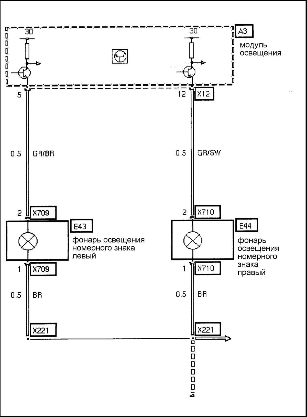
Фонари освещения номерного знака

Заднее освещение внутреннее

Розетка зарядки, освещение ящика

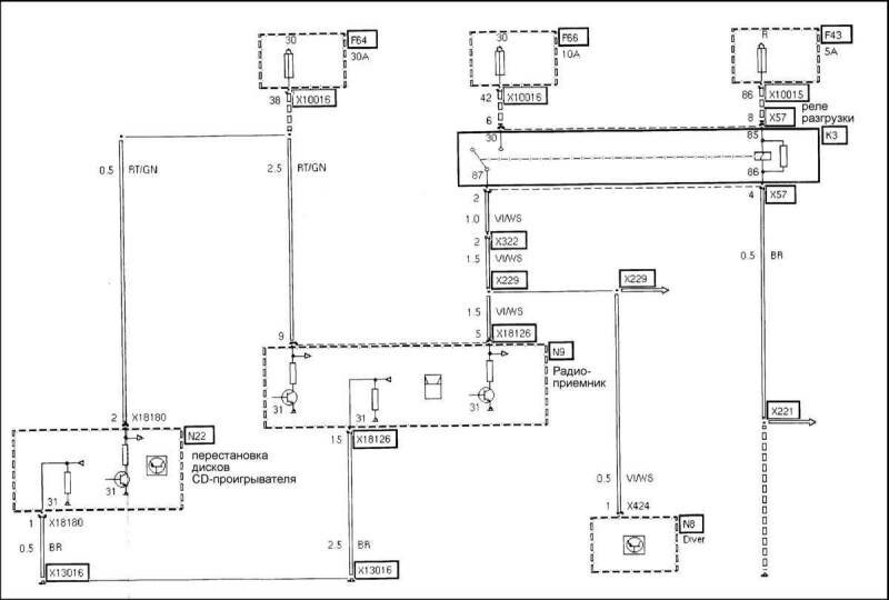
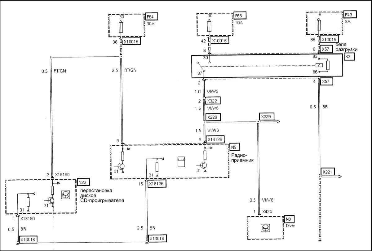
Питание CD

Система управления двигателем и разъем блока управления


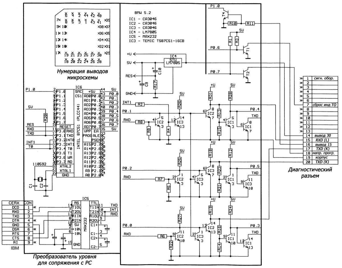
Электросхема коммутации диагностического разъема

РЕМОНТ АВТОЭЛЕКТРОНИКИ ЗАРЯДНЫЕ УСТРОЙСТВА ДЛЯ АКБ

|