Окончание сборника электросхем для автомобиля BMW3 E46, с 1998 года выпуска. Начало смотрим здесь.
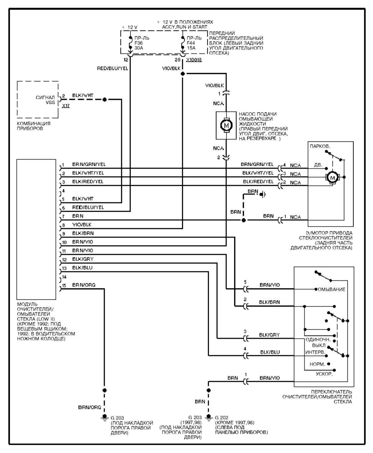
Электросхема омывателей стекла

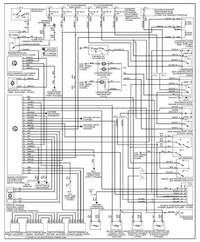
Парковочная вентиляция автомобиля

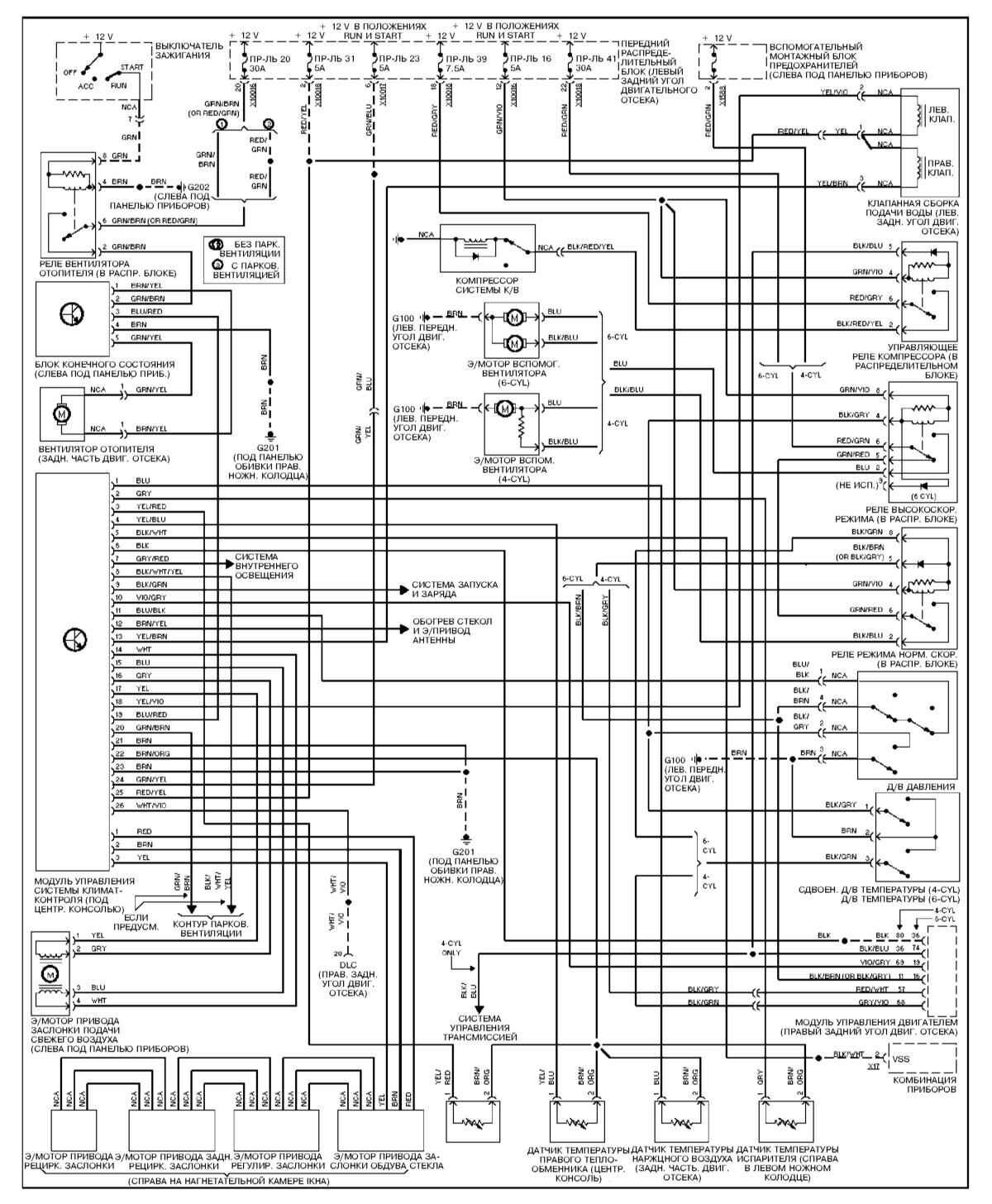
Схема системы отопления и кондиционирования воздуха с ручным управлением

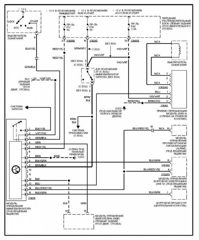
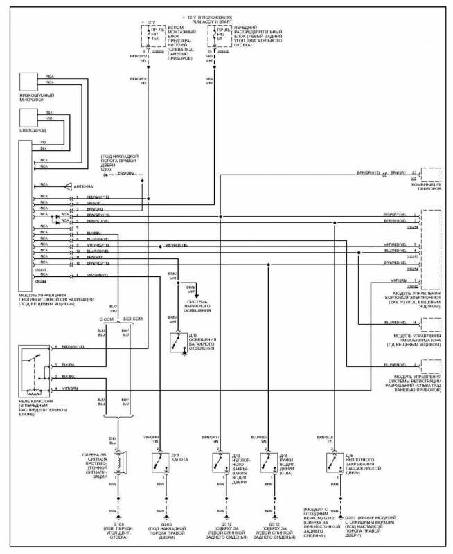
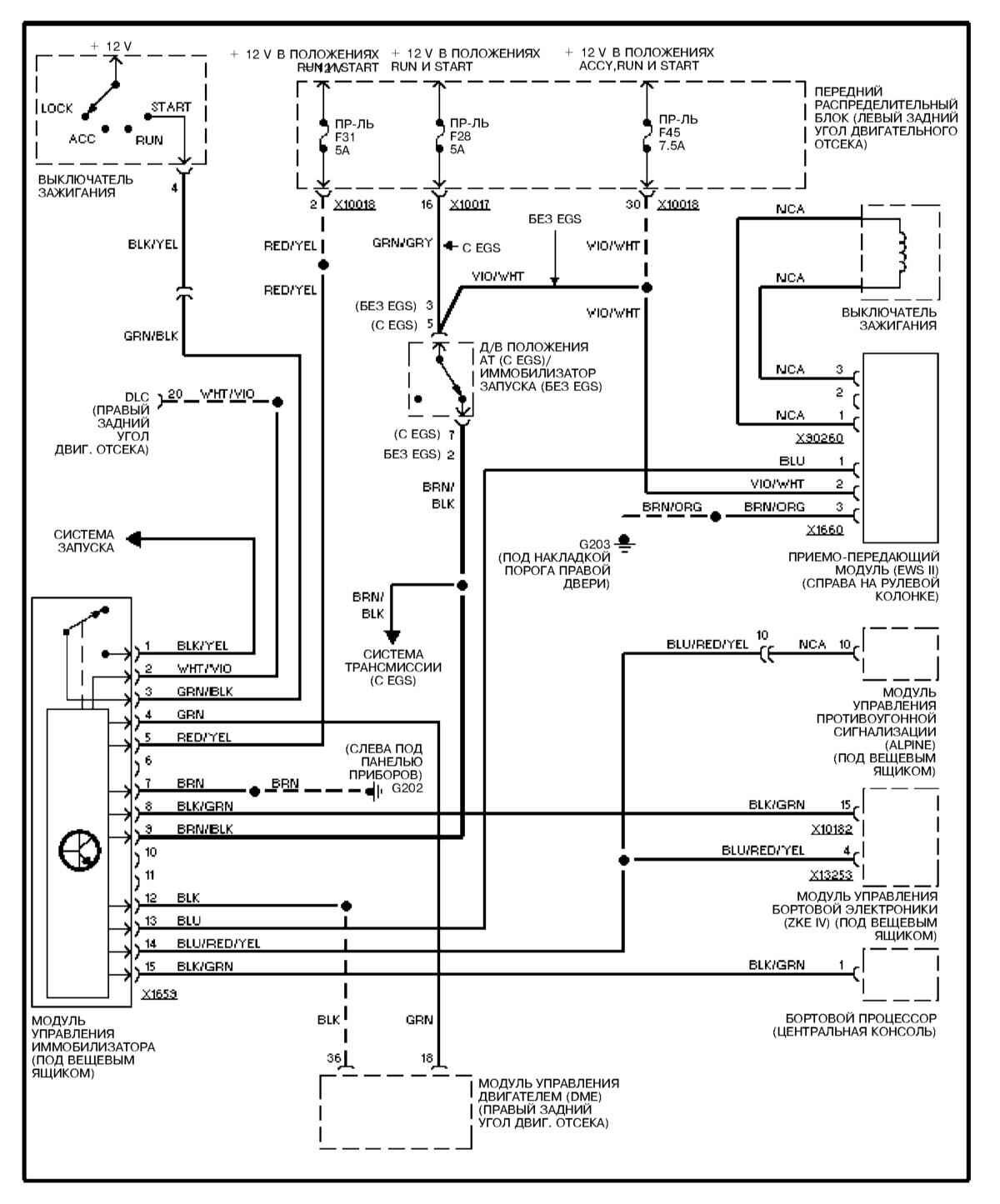
Схема сигнализации автомобиля BMW3

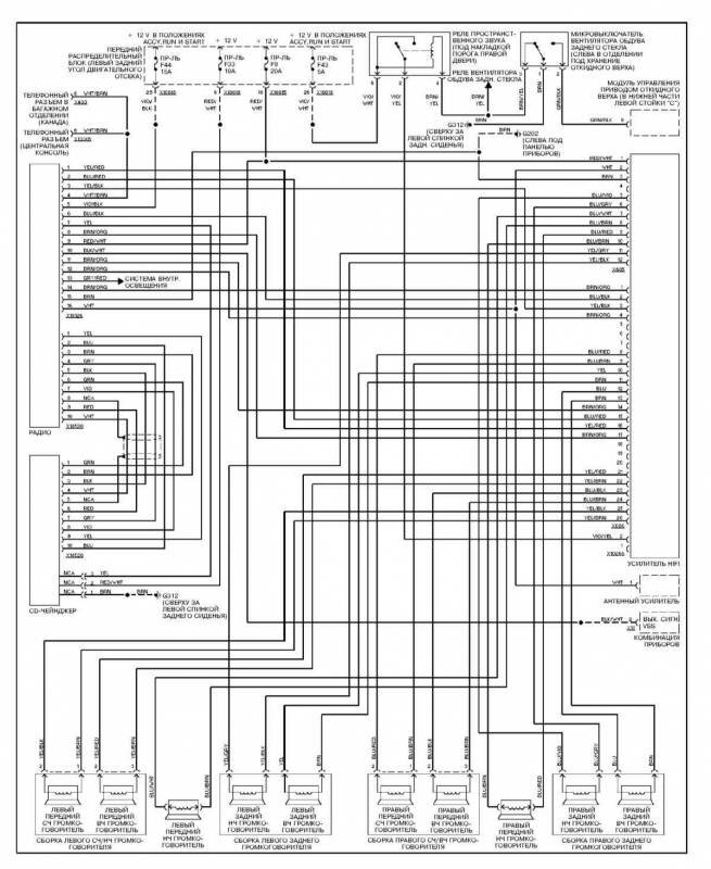
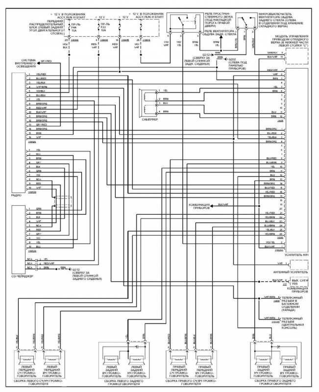
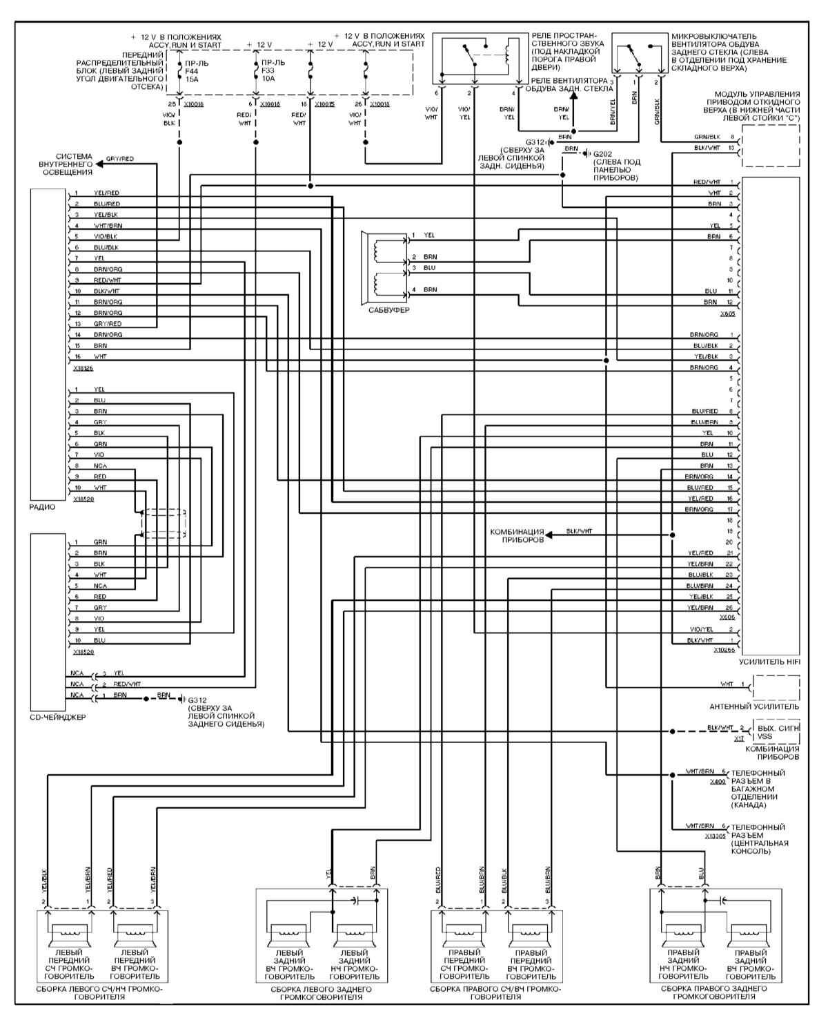
Радиоприемник (три модификации) BMW3



Схемы электрооборудования - используемые сокращения и их расшифровка


РЕМОНТ АВТОЭЛЕКТРОНИКИ ЗАРЯДНЫЕ УСТРОЙСТВА ДЛЯ АКБ

|