Цветные электросхемы автомобиля Дэу Ланос. Все схемы разделены по модулям, для увеличения достаточно кликнуть на изображении. Представленны схемы таких узлов автомобиля, как генераторной установки и системы пуска двигателя, система управления двигателем и другие. Чтоб скачать схемы Daewoo Lanos на компьютер - сохраните нужную картинку и откройте в программе для просмотра изображений.
Электросхема генераторной установки и системы пуска двигателя Дэу Ланос

1 - аккумуляторная батарея; 2 - плавкая вставка IGN-2 (30 A); 3 - плавкая вставка IGN-1 (30 A); 4, 5 - предохранители (15 А); 6 - выключатель (замок) зажигания; 7 - соединительная колодка; 8 - комбинация приборов; 9 - генератор; 10 - стартер; 11 - выключатель Дэу Ланос.
Система управления двигателем Деу

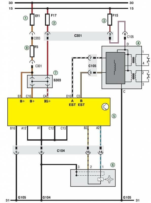
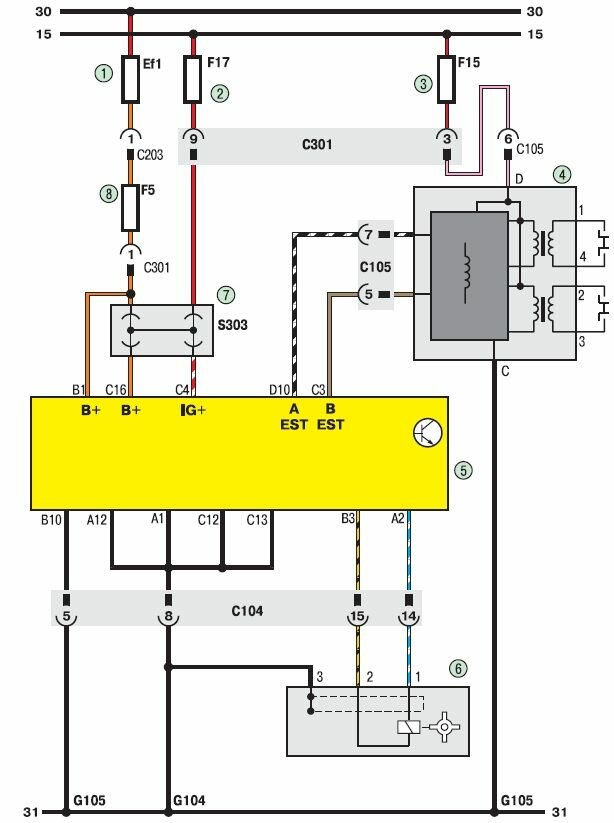
1 - плавкая вставка (80 А); 2, 3 - предохранители (15 А); 4 - катушка зажигания; 5 - электронный блок управления двигателем; 6 - датчик положения коленчатого вала; 7 - соединительная колодка; 8 - предохранитель (10 А).

1, 2 - предохранители (15 А); 3 - плавкая вставка (80 А); 4 - плавкая вставка (15 А); 5 - реле топливного насоса; 6 - диагностическая колодка топливного насоса; 7 - топливный насос; 8 - электронный блок управления двигателем; 9 - датчик концентрации кислорода; 10 - октан-корректор (установлен на часть автомобилей); 11 - топливная рампа.

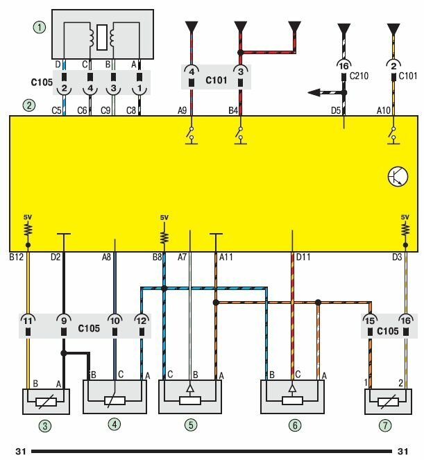
1 - датчик холостого хода; 2 - электронный блок управления двигателем; 3 - датчик температуры охлаждающей жидкости; 4 - датчик положения дроссельной заслонки; 5 - датчик давления воздуха во впускном коллекторе; 6 - датчик давления в системе кондиционирования; 7 - датчик температуры воздуха во впускном коллекторе Дэу Ланос.

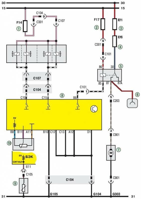
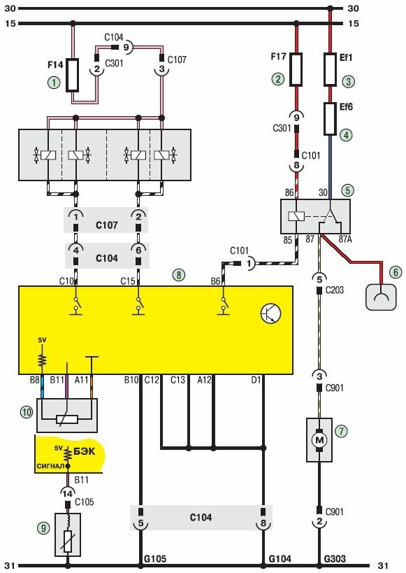
1, 2, 5 - предохранители (15 А); 3 - предохранитель (10 А); 4, 12 - соединительные колодки; 6 - электромагнитный клапан рециркуляции отработавших газов; 7 - двухходовой клапан; 8 - соединительная колодка; 9 - гравитационный клапан; 10 - комбинация приборов; 11 - электронный блок управления двигателем; 13 - датчик скорости автомобиля дэу.

1 - предохранитель (15 А); 2 - электромагнитный клапан рециркуляции отработавших газов; 3 - двухходовой клапан; 4 - предохранитель F17 (15 А); 5 - гравитационный клапан; 6 - электронный блок управления двигателем; 7 - комбинация приборов; 8 - датчик скорости автомобиля (для автомобилей, оснащенных автоматической коробкой передач).

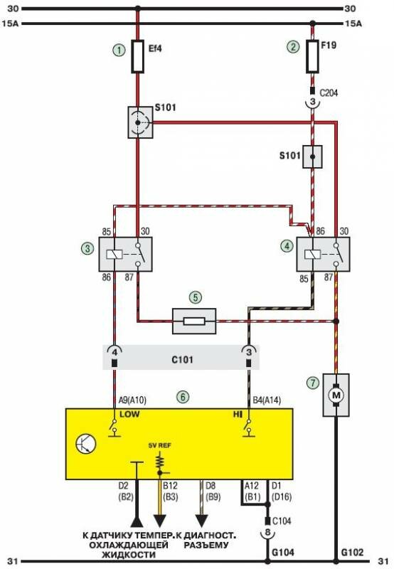
1 - плавкая вставка (30 А); 2 - плавкая вставка (80 А); 3 - реле дополнительного вентилятора системы охлаждения двигателя; 4 - реле основного вентилятора системы охлаждения двигателя; 5 - резистор; 6 - электронный блок управления двигателем; 7 - электровентилятор системы охлаждения двигателя Daewoo Lanos.
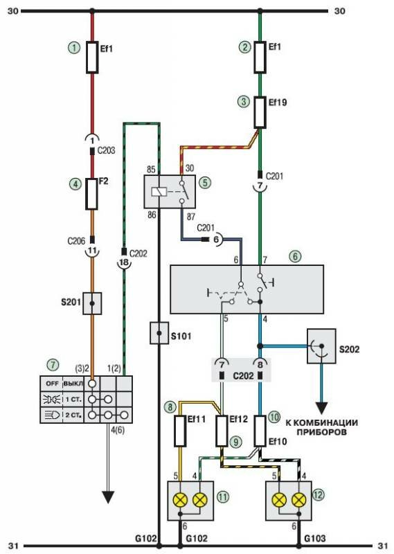
Электросхема соединения приборов освещения авто

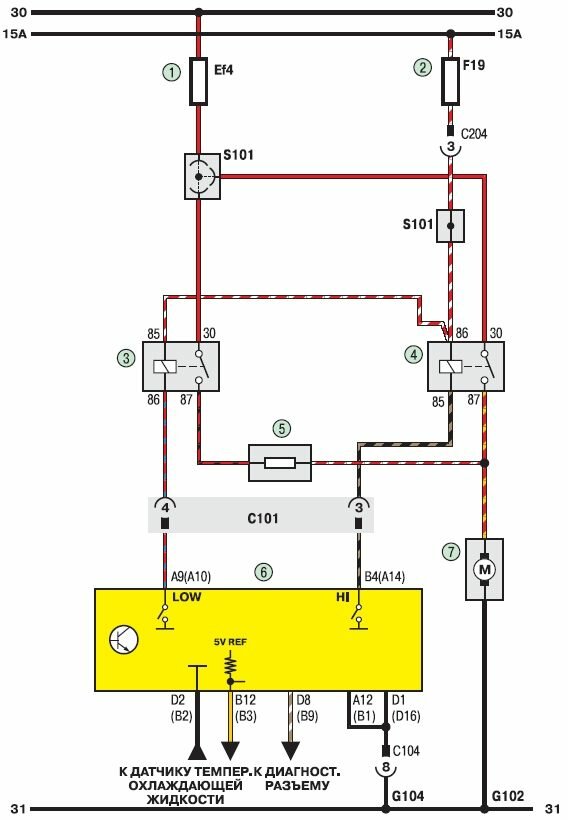
1, 2 - плавкие вставки (80 А); 3 - плавкая вставка (25 А); 4, 8, 9 - предохранители (10 А); 5 - реле противотуманных фар; 6 - переключатель указателей поворота и света фар; 7 - переключатель наружного освещения; 10 - плавкая вставка (20 А); 11 - фара левая; 12 - фара правая.

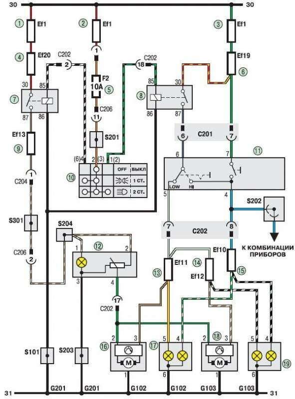
1, 2, 3 - плавкие вставки (80 А); 4, 15 - плавкая вставка (20 А); 5, 9, 13, 14 - предохранители (10 А); 6 - плавкая вставка (25 А); 7 - реле; 8 - реле фар; 10 - переключатель наружного освещения; 11 - переключатель указателей поворота; 12 - переключатель корректора фар; 16 - корректор левой фары; 17 - фара левая; 18 - корректор правой фары; 19 - фара правая автомобиля Daewoo Lanos.
РЕМОНТ АВТОЭЛЕКТРОНИКИ ЗАРЯДНЫЕ УСТРОЙСТВА ДЛЯ АКБ

|