Ниже вы найдете все схемы электрооборудования на Додж Караван 1996-2002 г.в. Первый Dodge Caravan появился еще в 1983 году и сразу завоевал популярность, поскольку положил начало совершенно новому классу вместительных, семейных машин. В марте 1990 года все модели семейства модернизировали, кузов и ходовую часть существенно переработали, изменились даже габаритные параметры (4525х1830х1680 мм), максимальный объем багажника увеличился до 3250 л. Формы кузова стали более плавными и сглаженными. В гамме силовых агрегатов появился 3,3-литровый 164-сильный бензиновый двигатель V6, устанавливаемый на модель Grand с удлиненной колесной базой (4895х1830х1690 мм). Его использовали до 1994 года. 1991 год ознаменовался появлением полноприводной модификации AWD с подключаемым через вискомуфту независимым задним мостом с подвеской типа De Dion. В этом же году линейка силовых агрегатов пополнилась 99-сильный 4-цилиндровый двигателем, который стал на 15% экономичнее самого расточительного в гамме 3,0-литрового силового агрегата V6, расходующего на трассе до 17 л/100 км.
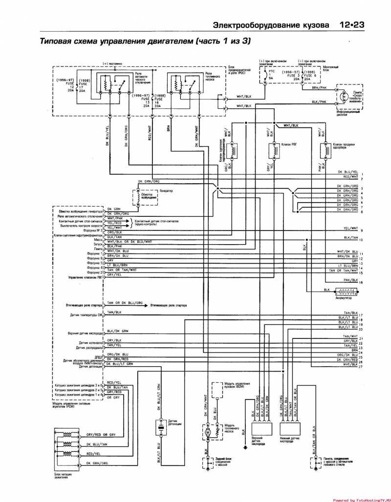
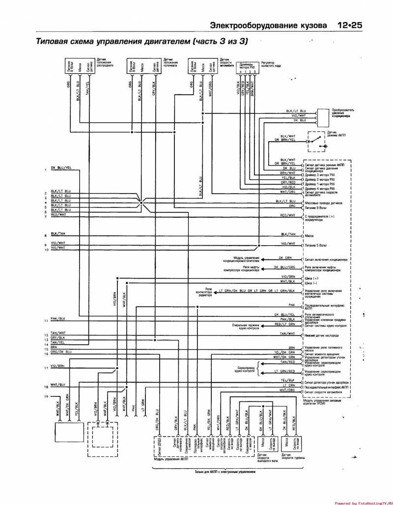
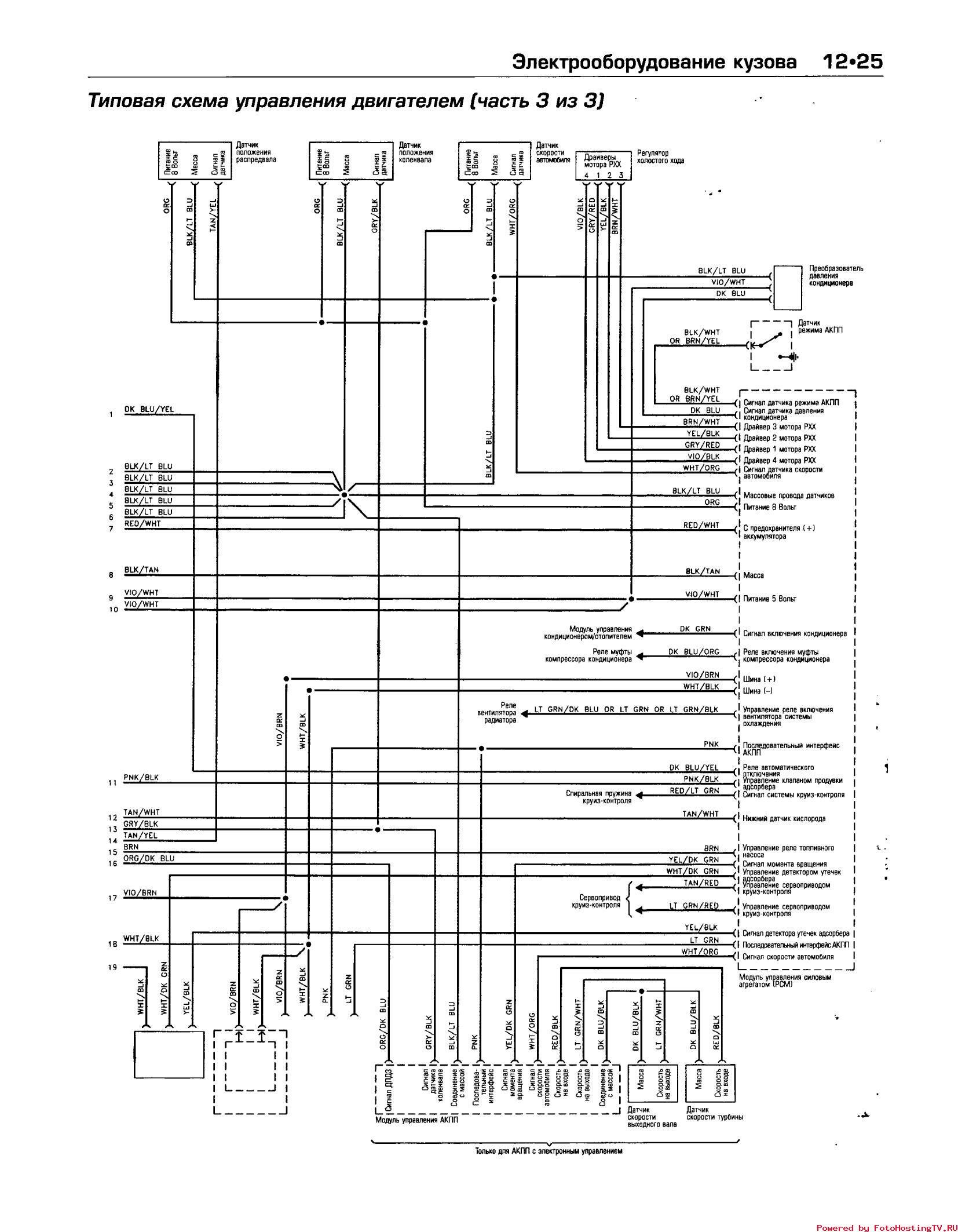
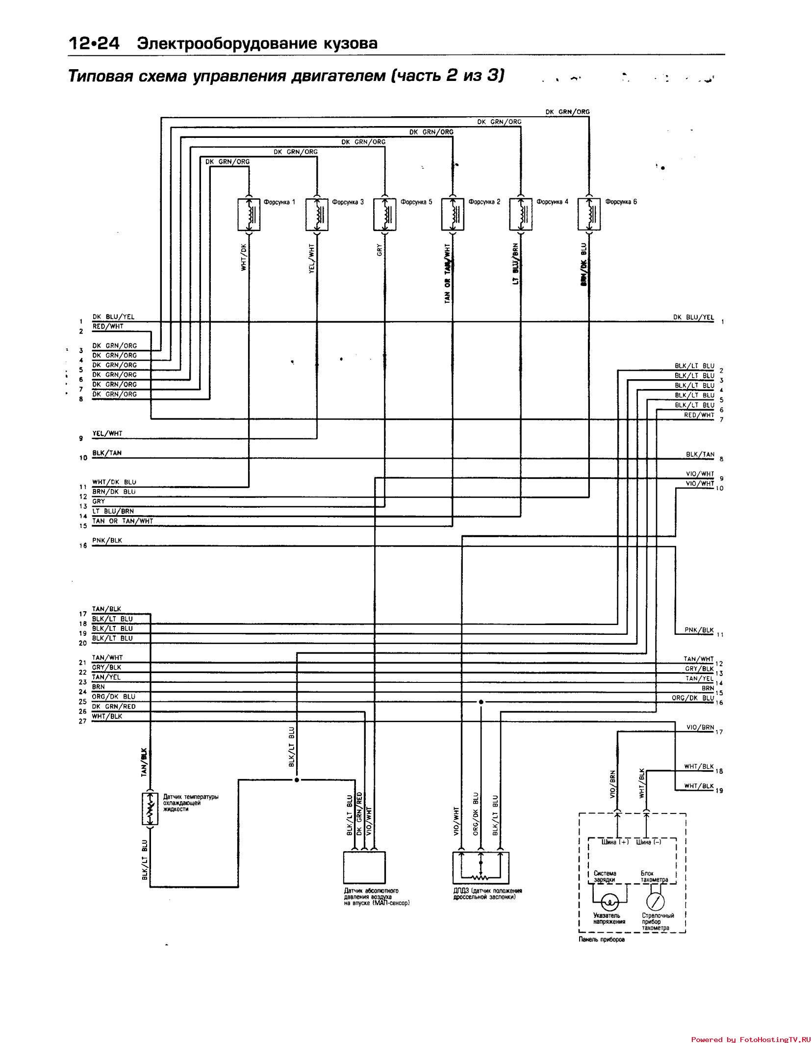
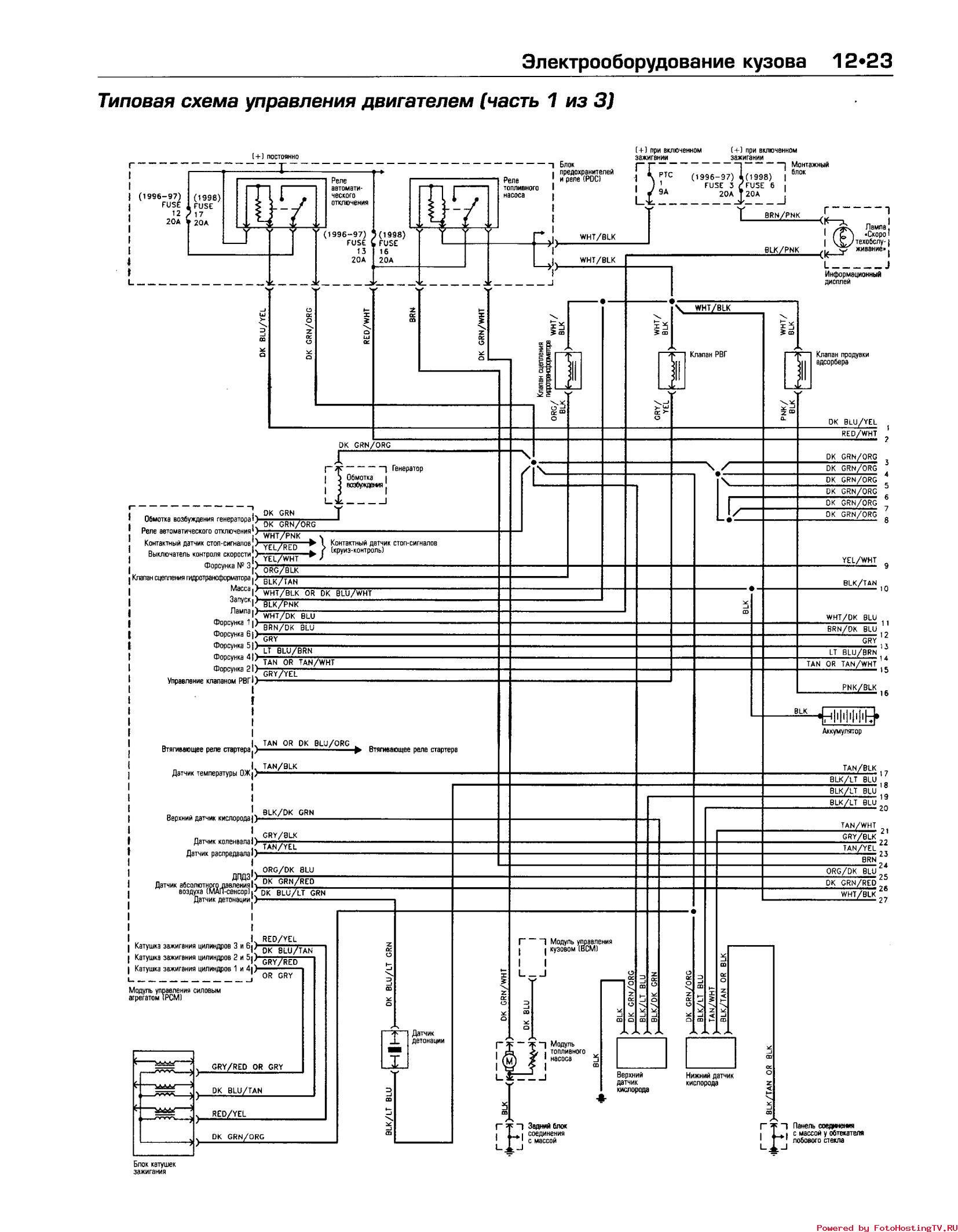
Схема управления двигателем



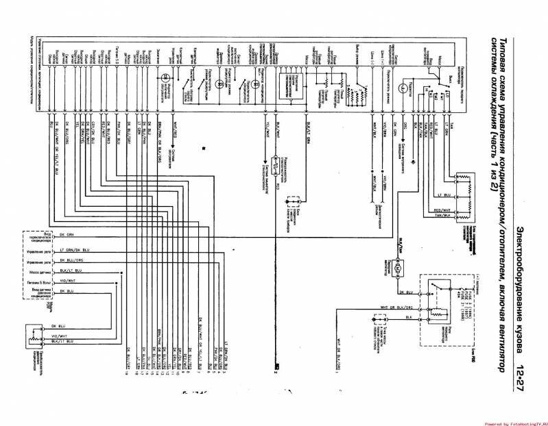
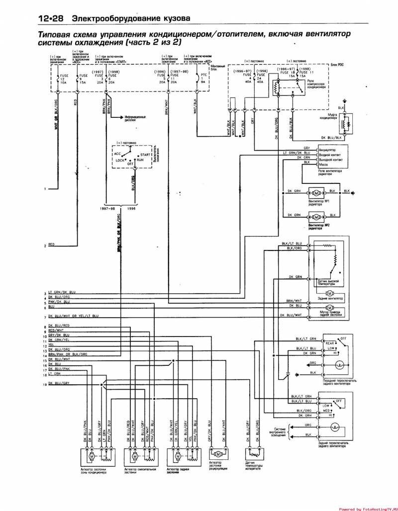
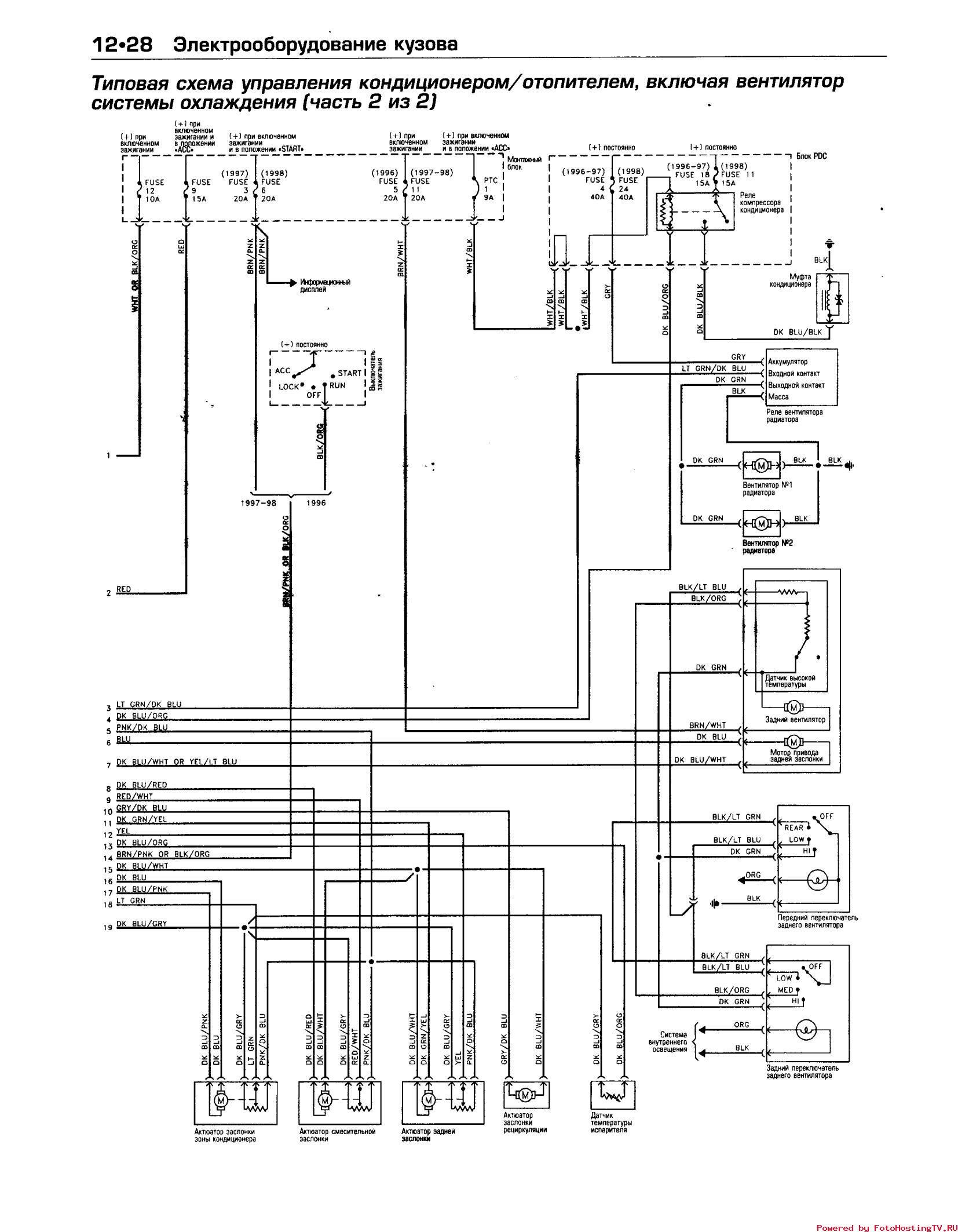
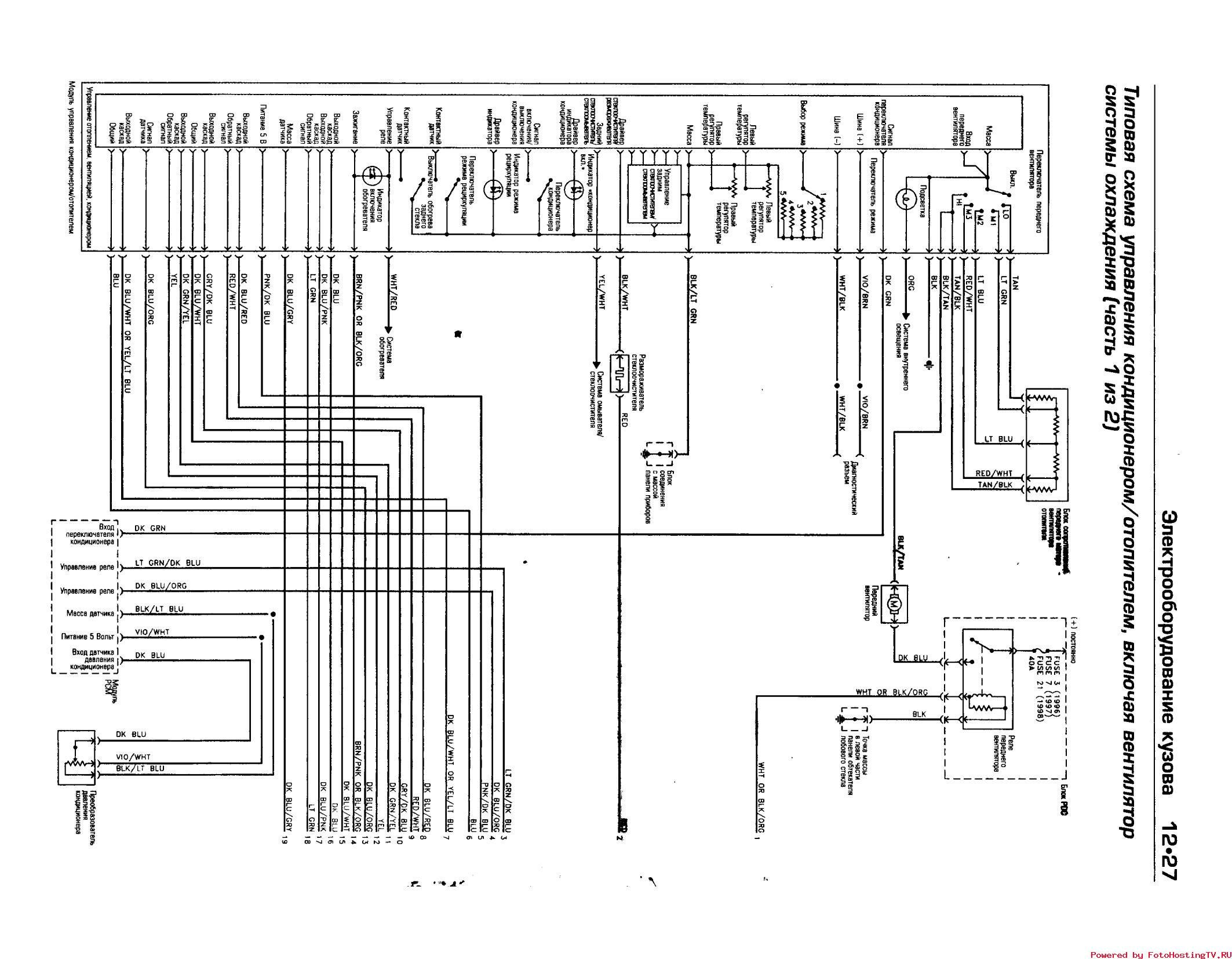
Электросхема кондиционера-отопителя, вентилятора системы охлаждения


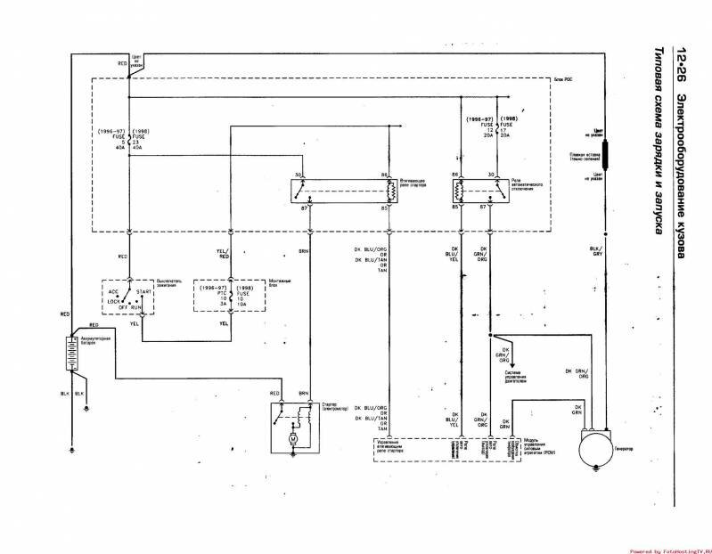
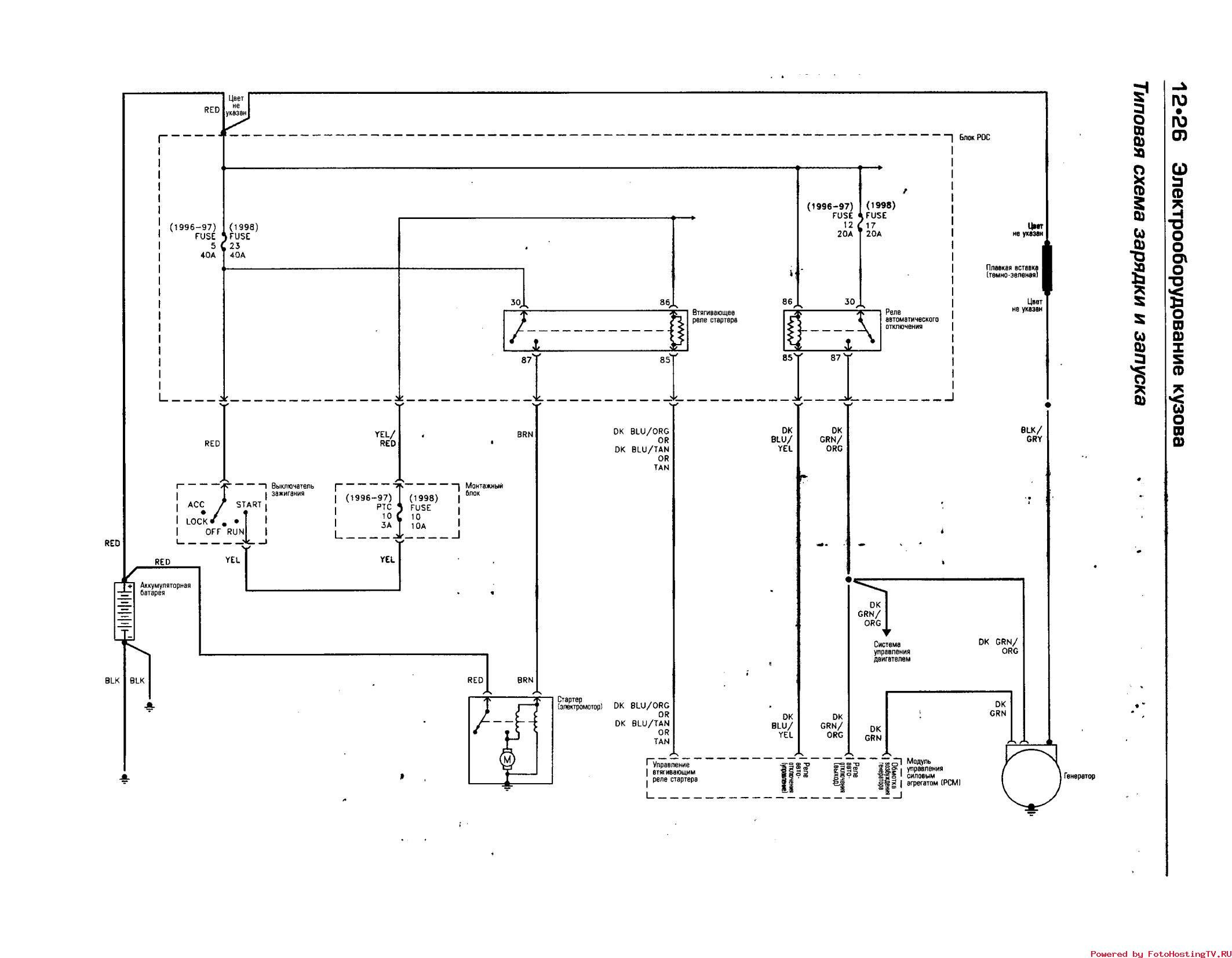
Эл.схема зарядки и запуска

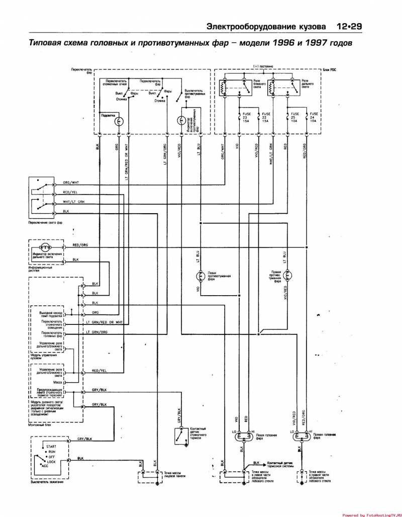
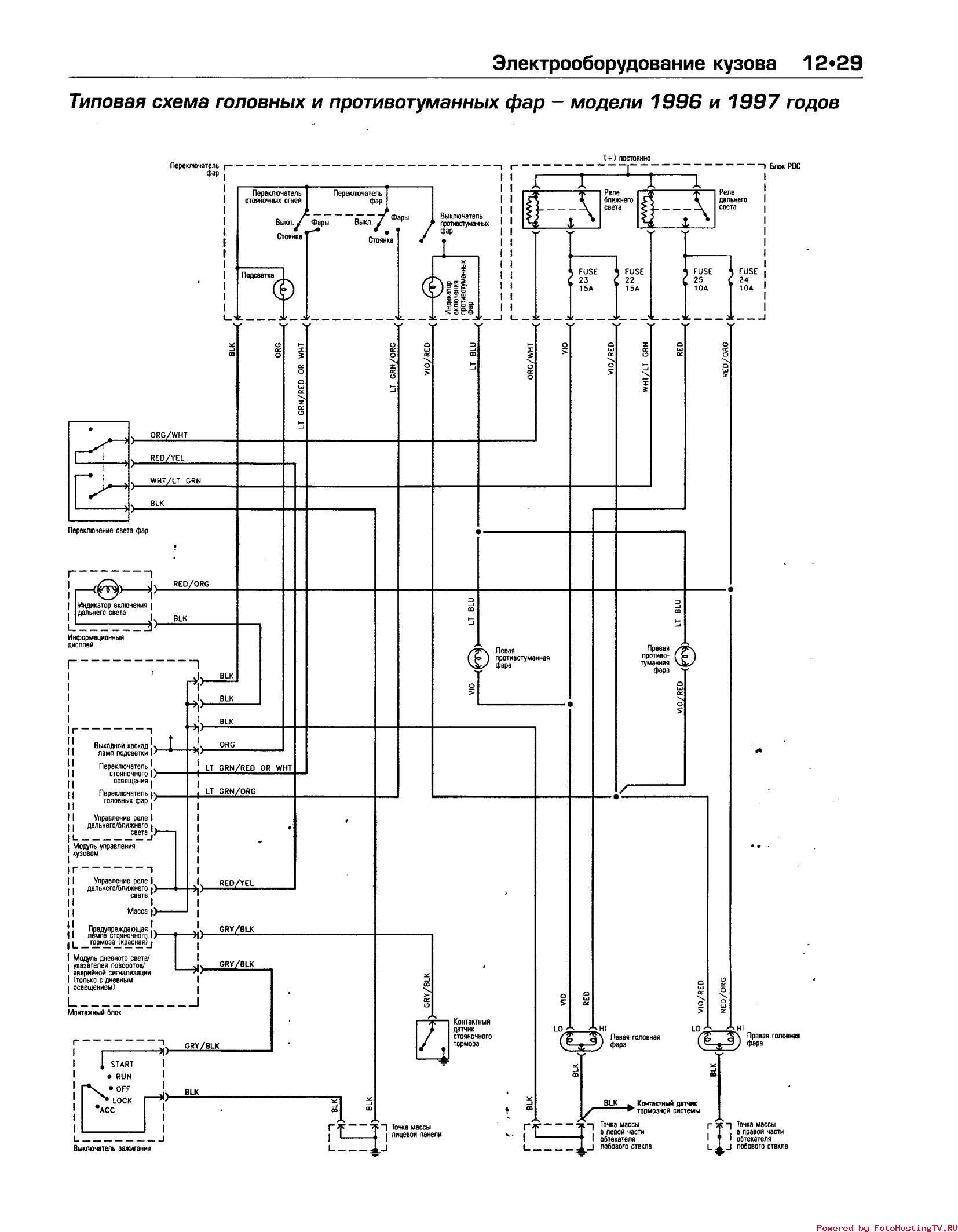
Схема головных и противотуманных фар

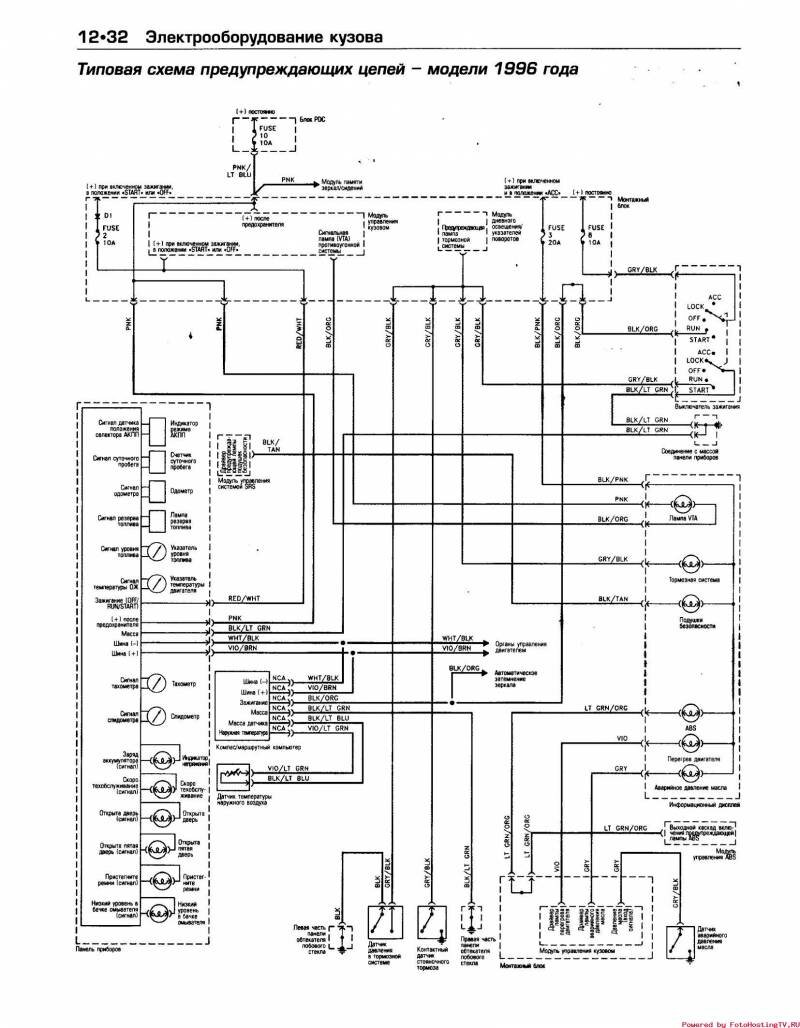
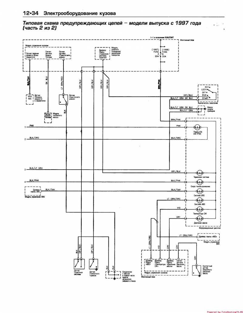
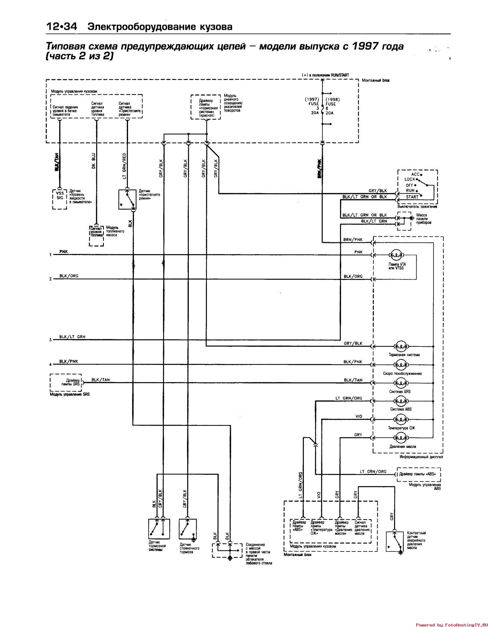
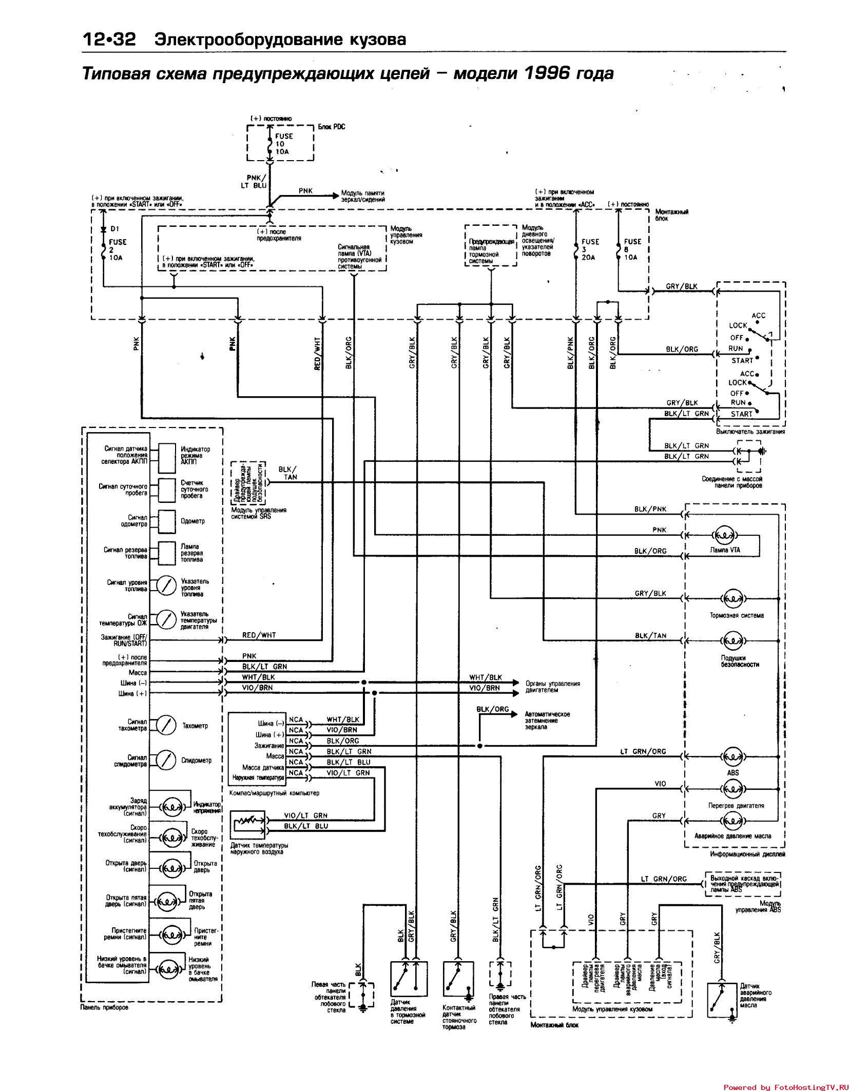
Эл.схема предупреждающих цепей


РЕМОНТ АВТОЭЛЕКТРОНИКИ ЗАРЯДНЫЕ УСТРОЙСТВА ДЛЯ АКБ

|