Электрические схемы различных частей электрооборудования автомобиля Додж Стратус. Показана схема соединения жгутов, управления освещением, фарами, стелоподъёмниками и датчиками. Всё, относящееся к электрооборудованию двигателя авто смотрите тут. Для увеличения изображения кликните на схему и увеличьте на весь экран компьютера. Все материалы предоставлены бесплатно и предназначены для самостоятельного ремонта электрооборудования Dodge Stratus.
Система запуска и заряда АКБ 12В Додж Стратус - стартер, реле запуска, соединения и т.д.

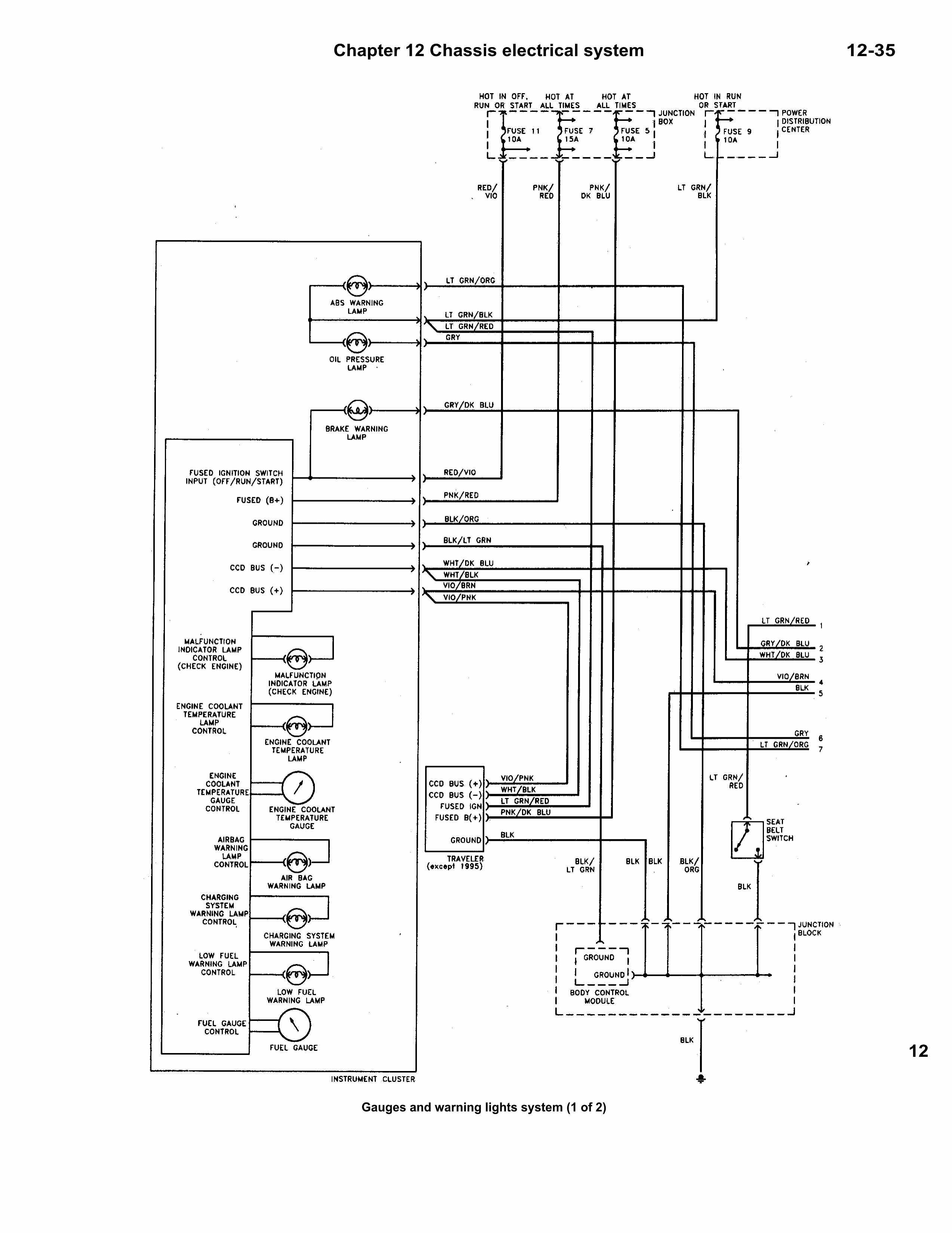
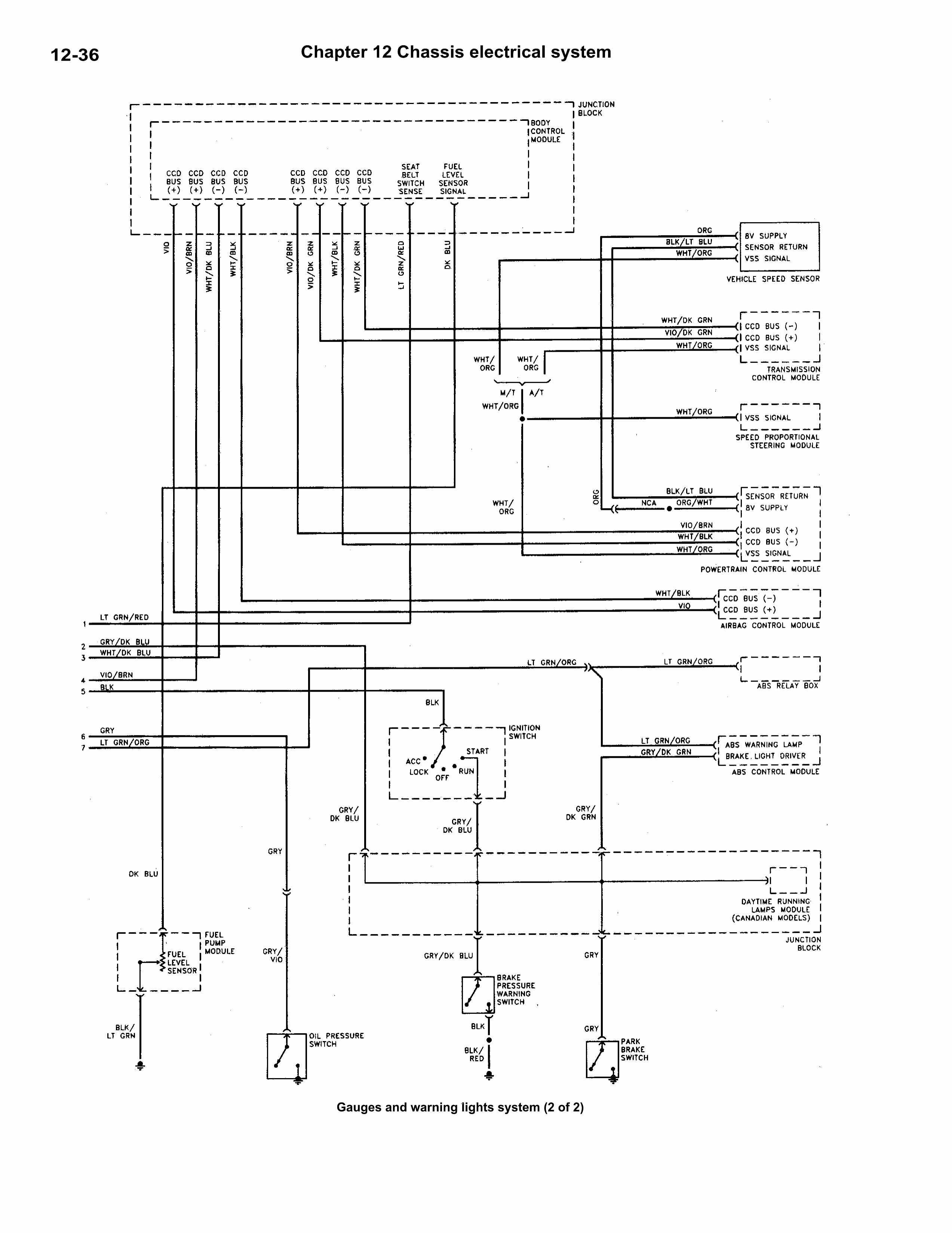
Схема подключения индикаторных ламп авто, в том числе датчика топлива


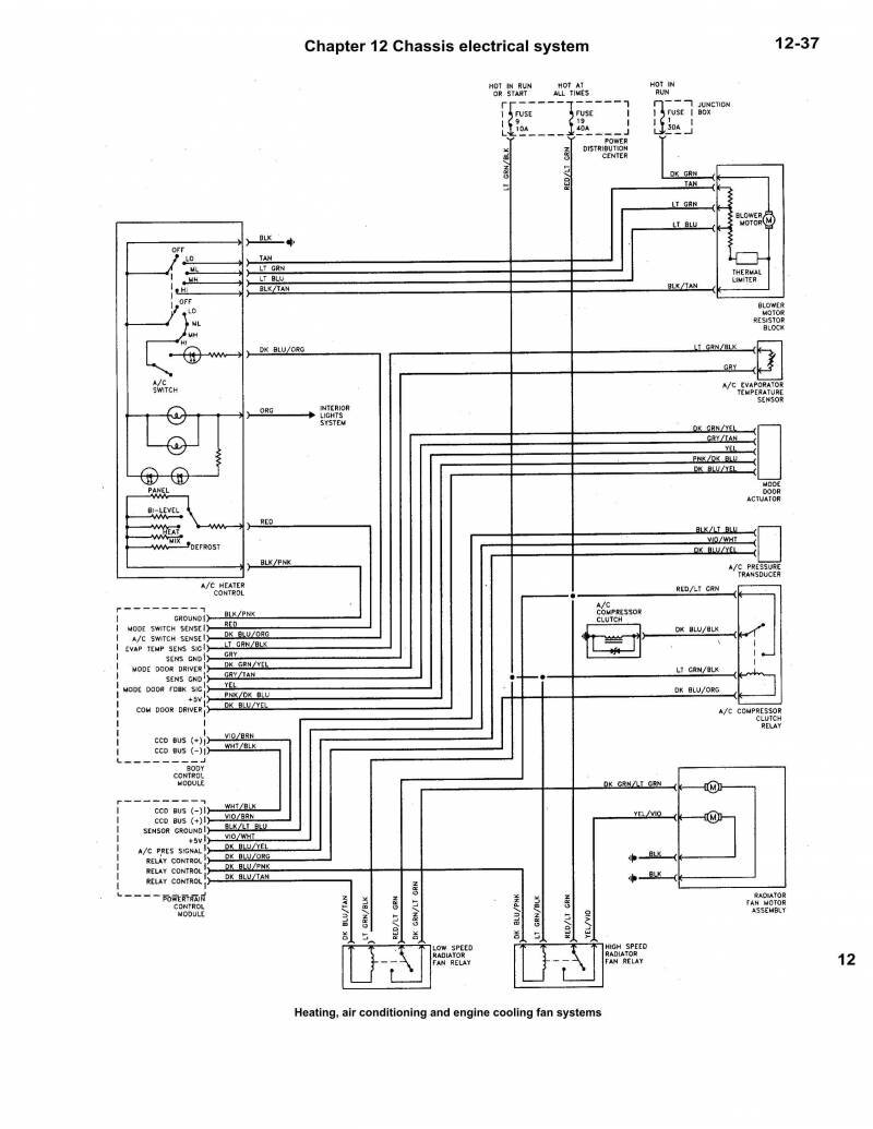
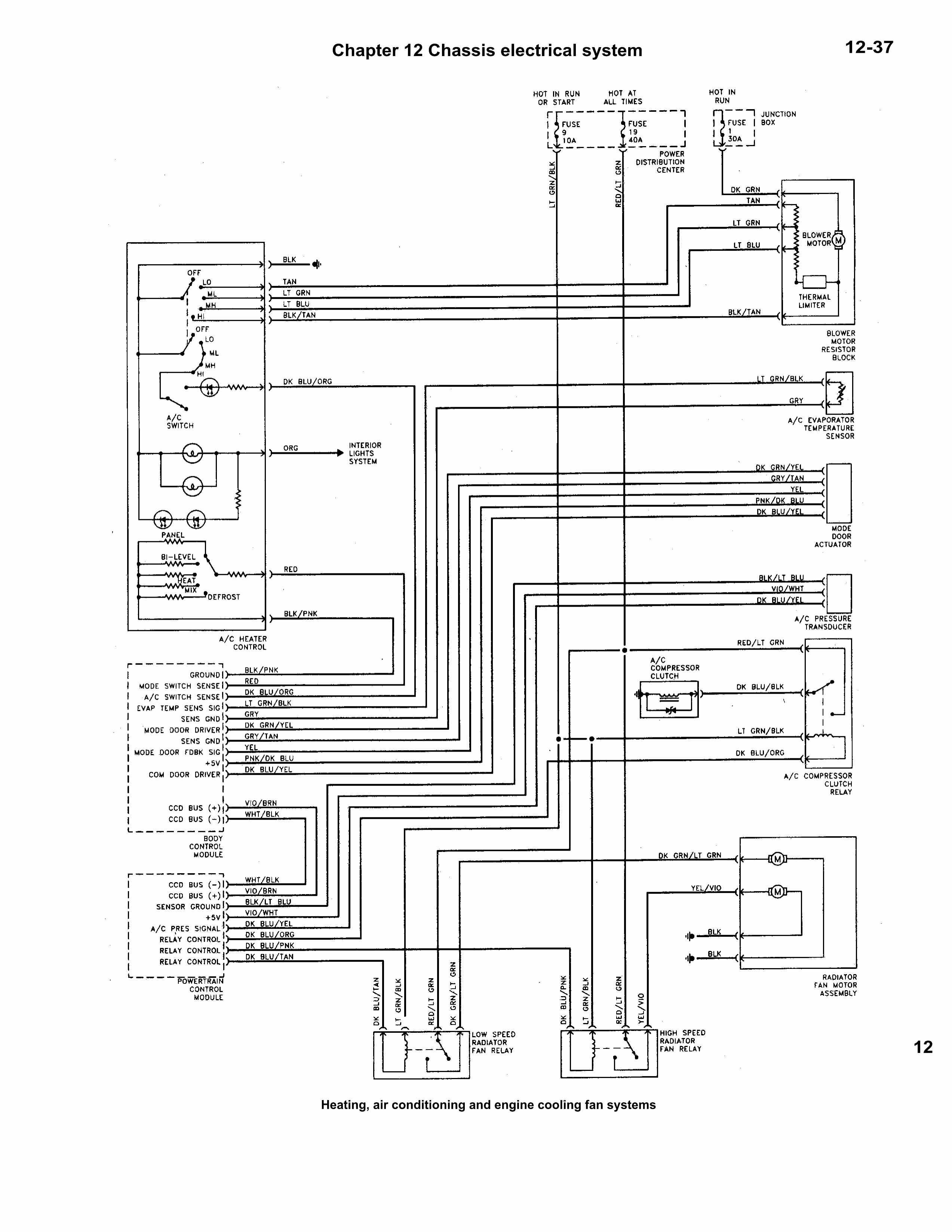
Электросхема воздушного кондиционера, обогрева и модуля охлаждения двигателя Додж Стратус

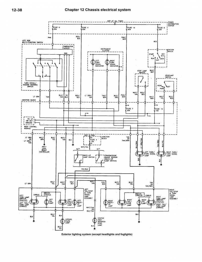
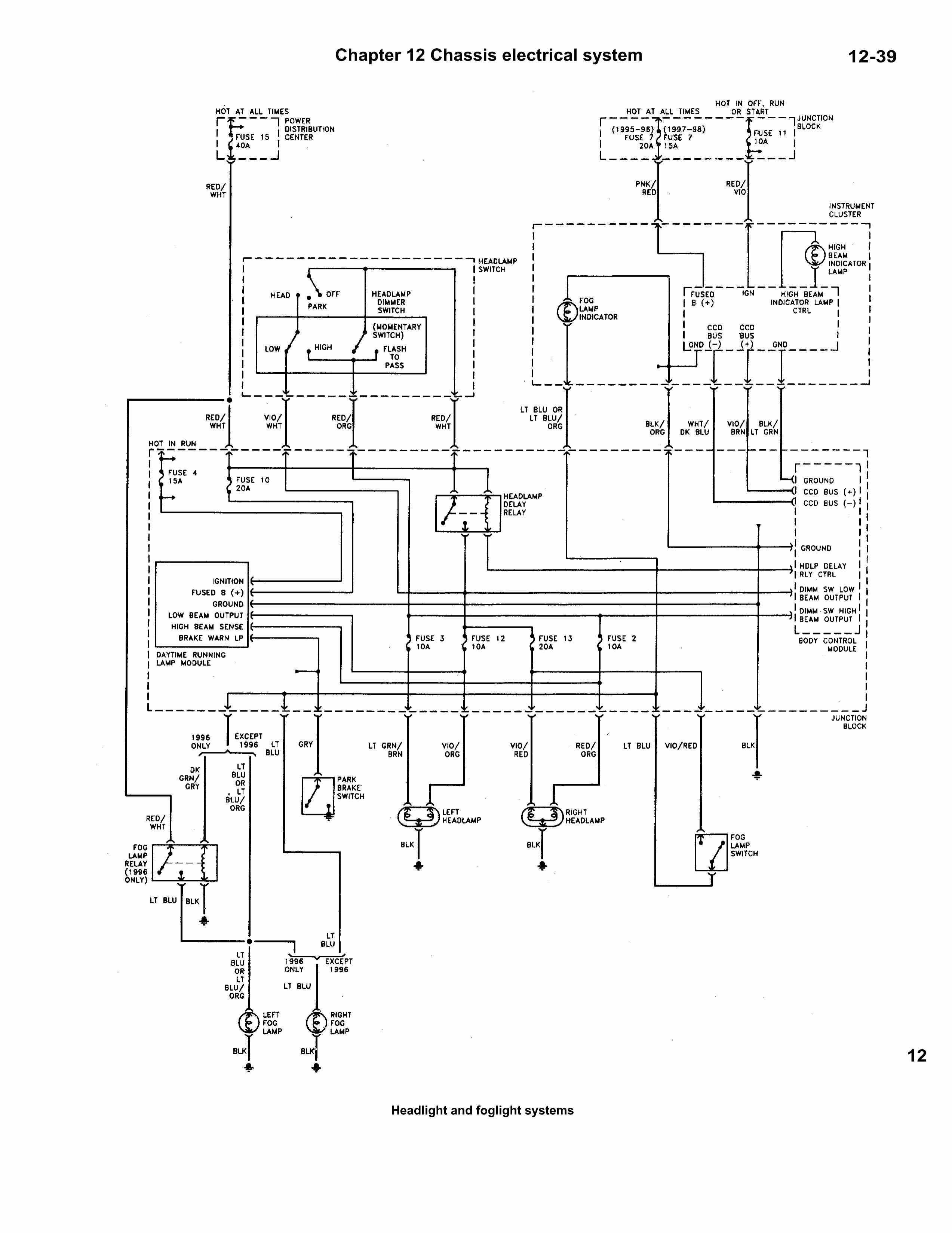
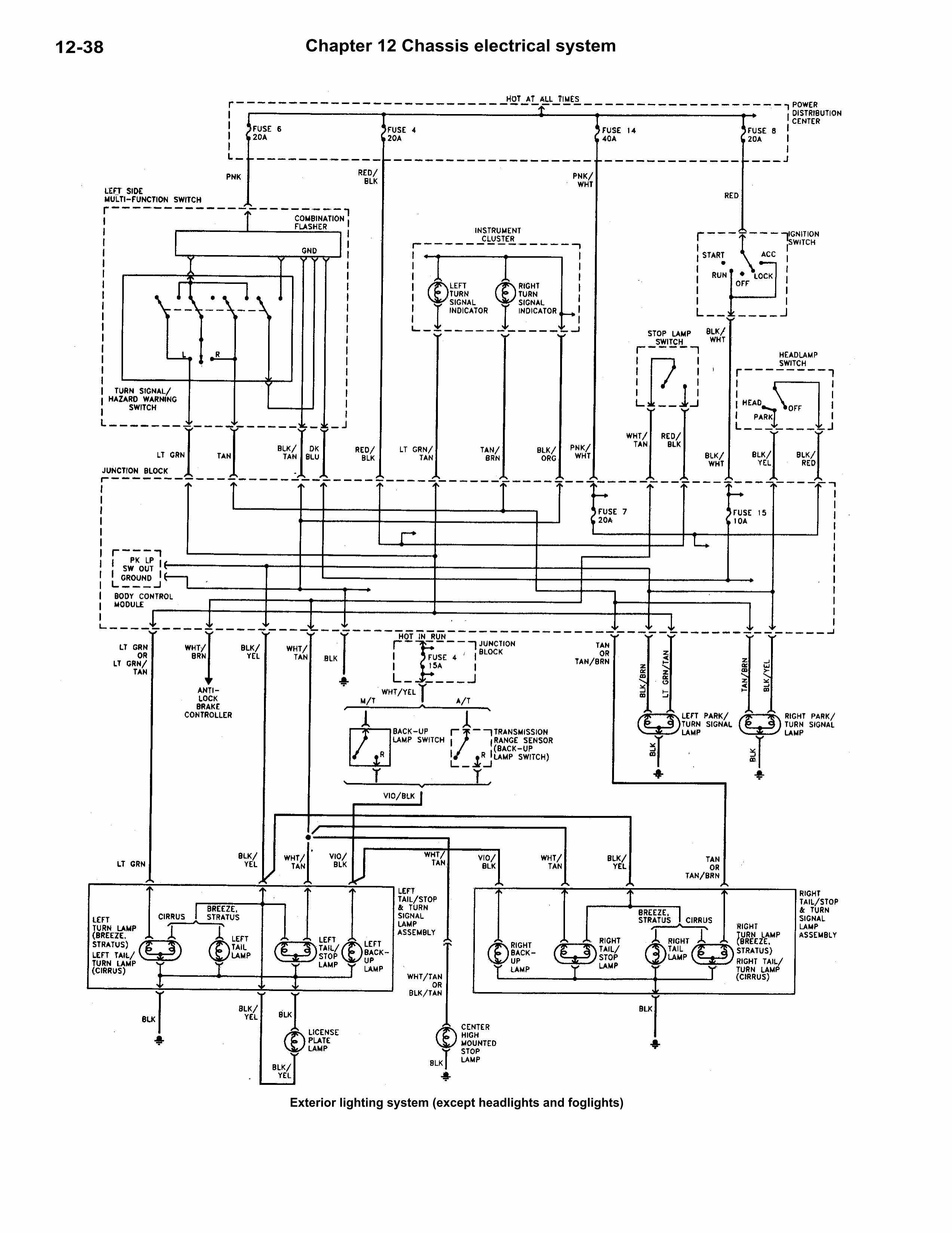
Схема внешних осветительных ламп - поворотники, противотуманки, фары заднего хода

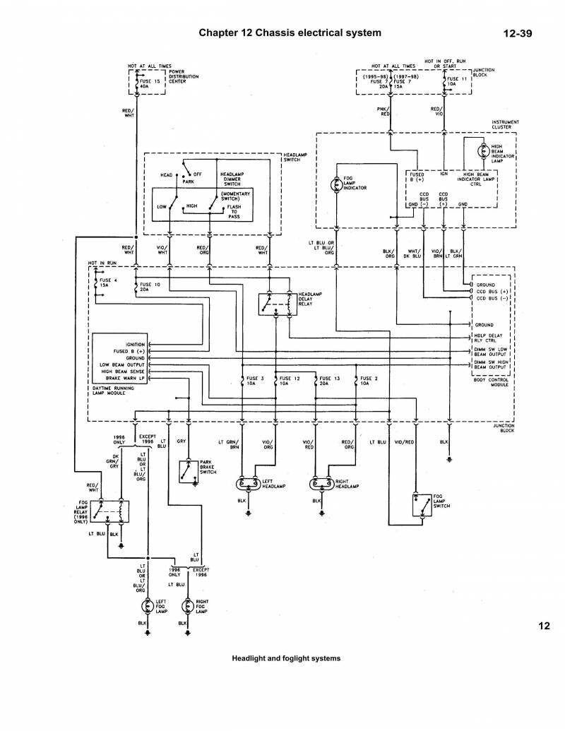
Левая и правая головные, и противотуманные фары автомобиля

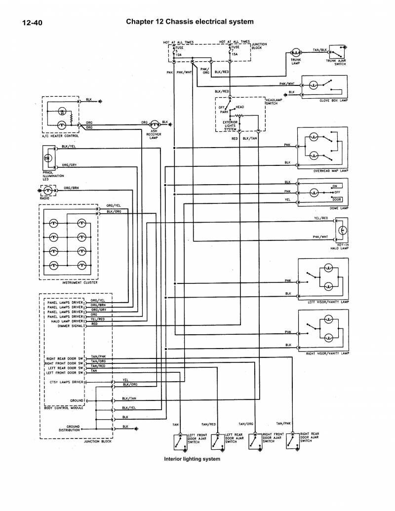
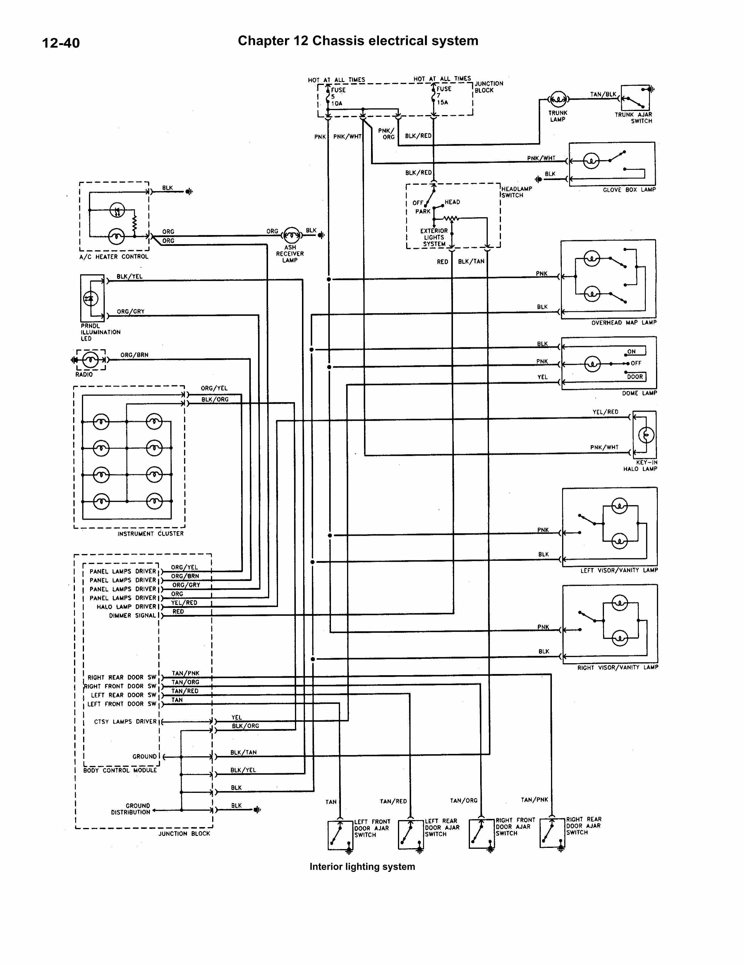
Система внутреннего освещения Dodge Stratus

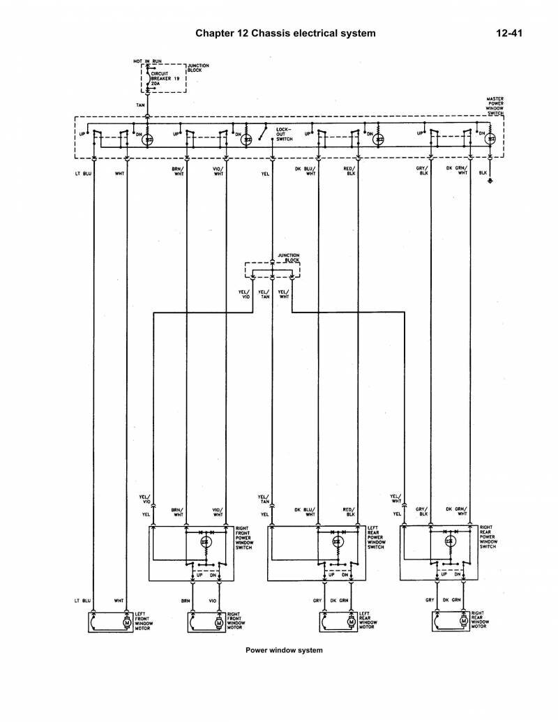
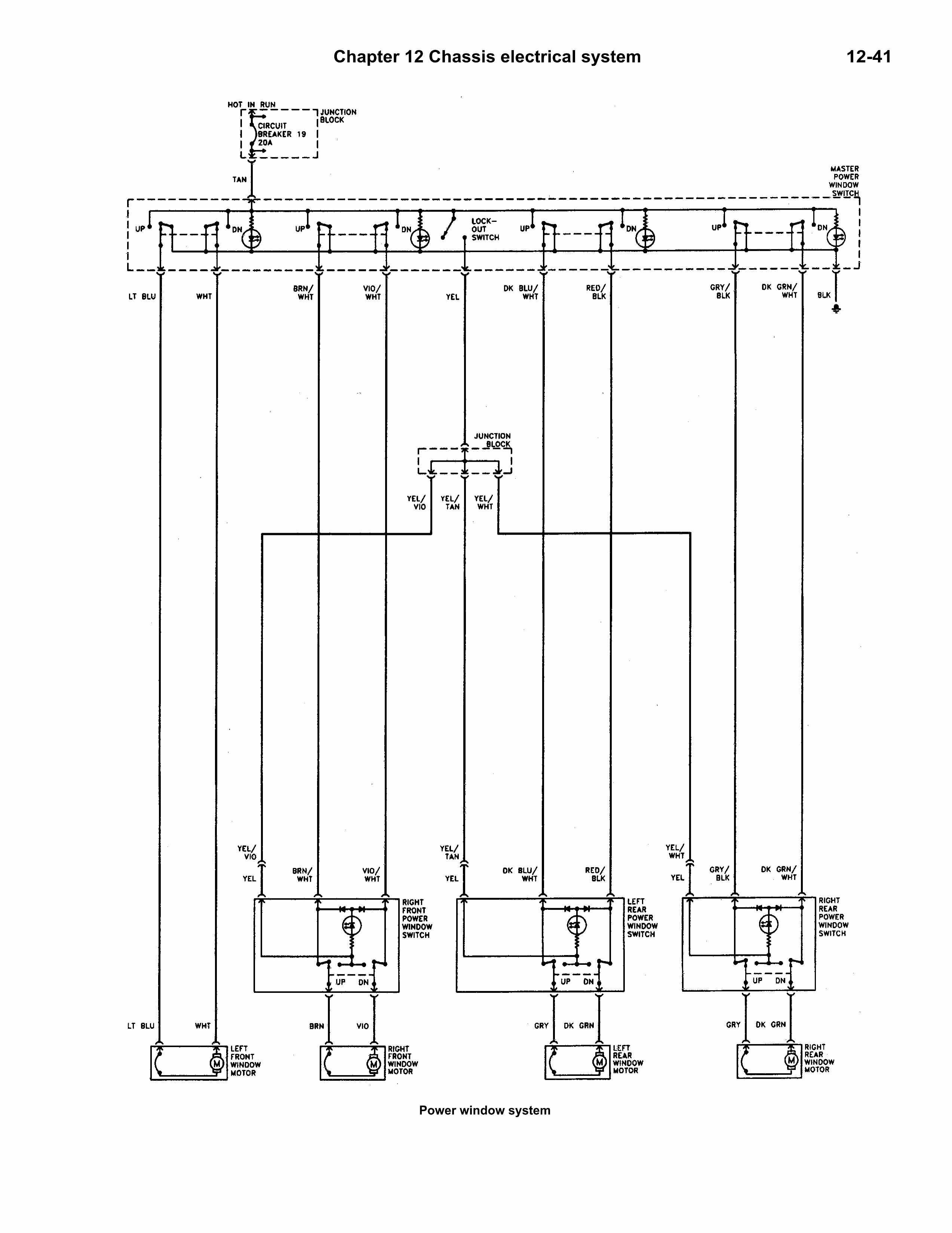
Схема принципиальная подключения моторов управления стеклоподъёмниками

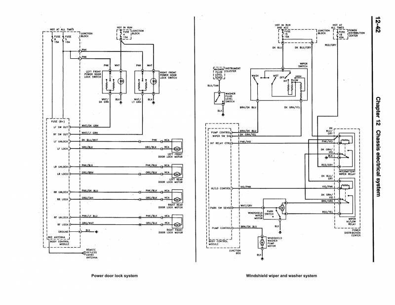
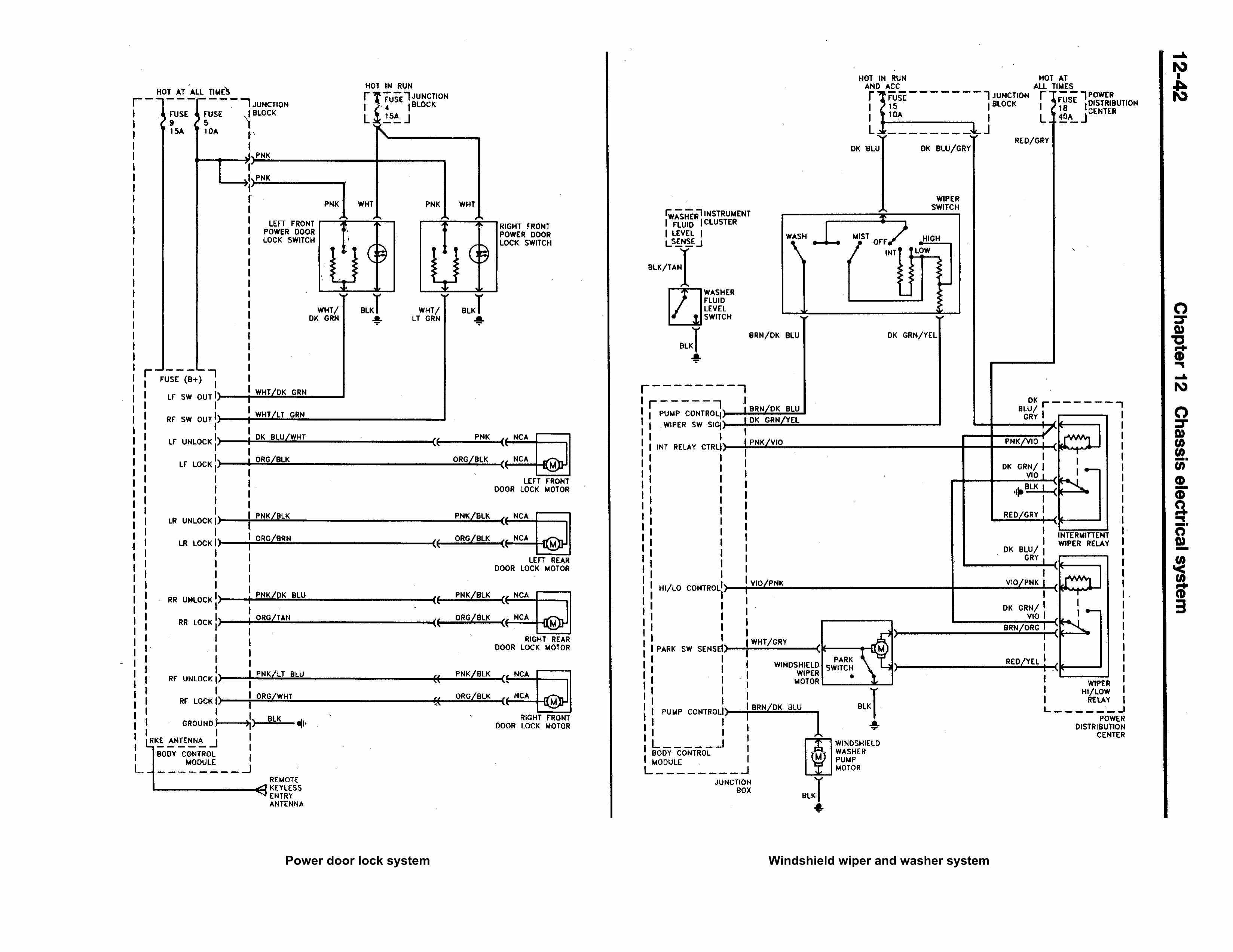
Управление эл. замками дверей и очистители/омыватели стёкол авто

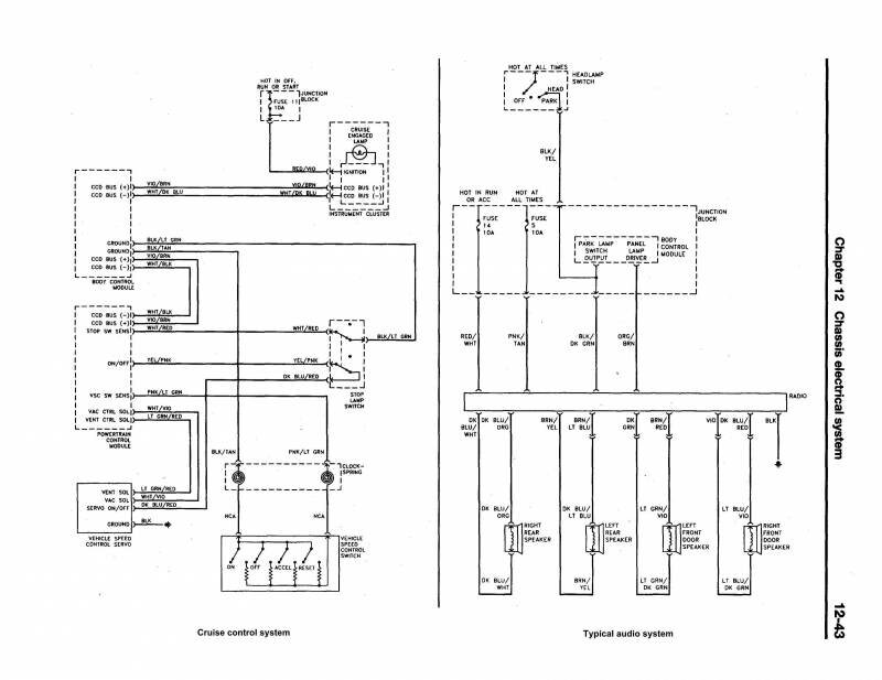
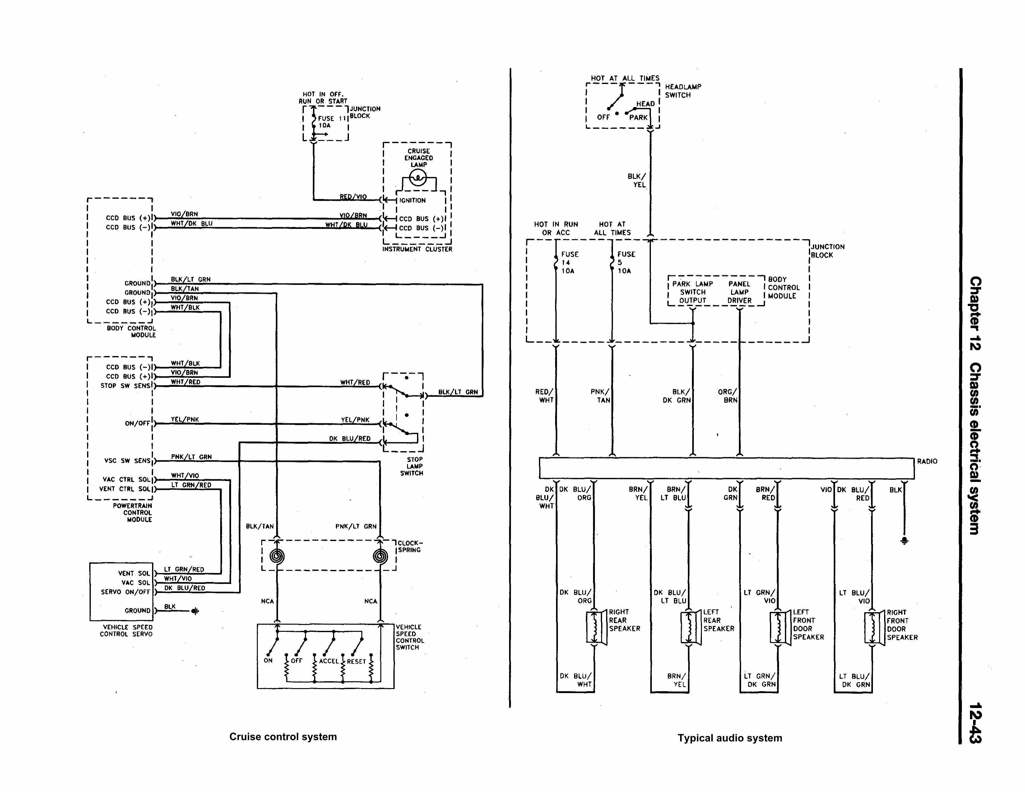
Система круиз контроль и подключение аудиоколонок Додж Стратус - схема

РЕМОНТ АВТОЭЛЕКТРОНИКИ ЗАРЯДНЫЕ УСТРОЙСТВА ДЛЯ АКБ

|