Сборник качественных схем автомобиля Zaz Vida взятых из инструкции по ремонту и эксплуатации. Имеются описания предохранителей,элементов схем и цвета проводников в электропроводке авто Заз Вида. Для увеличения - кликните на схеме.
Цвета проводов - условные сокращения на схеме

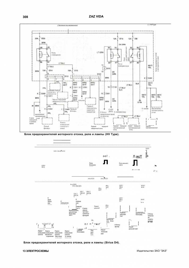
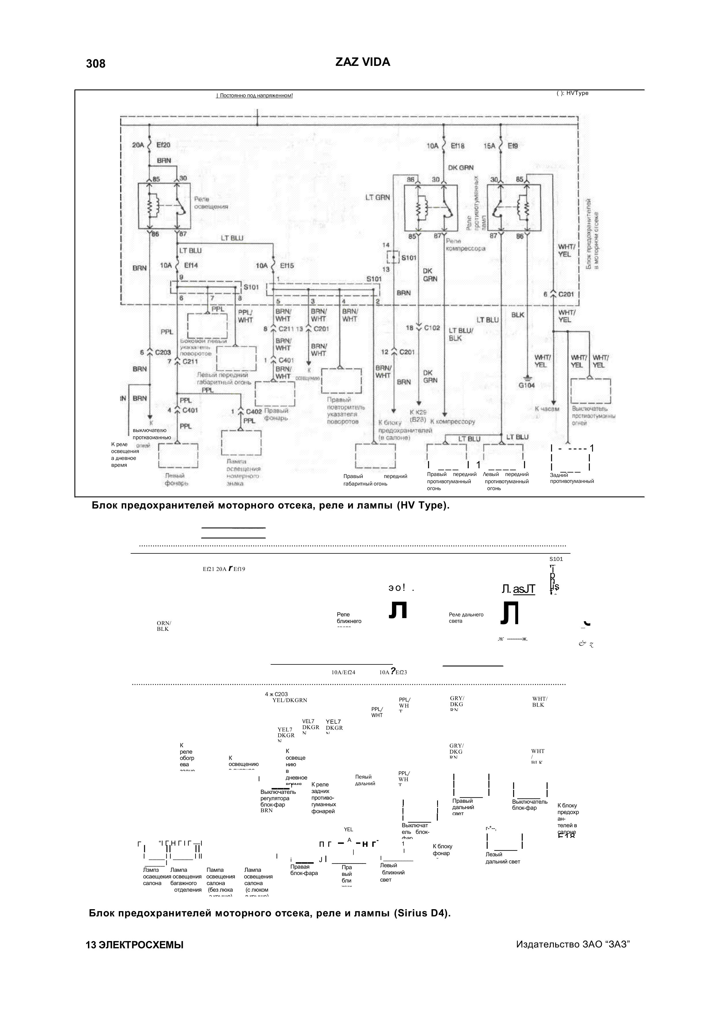
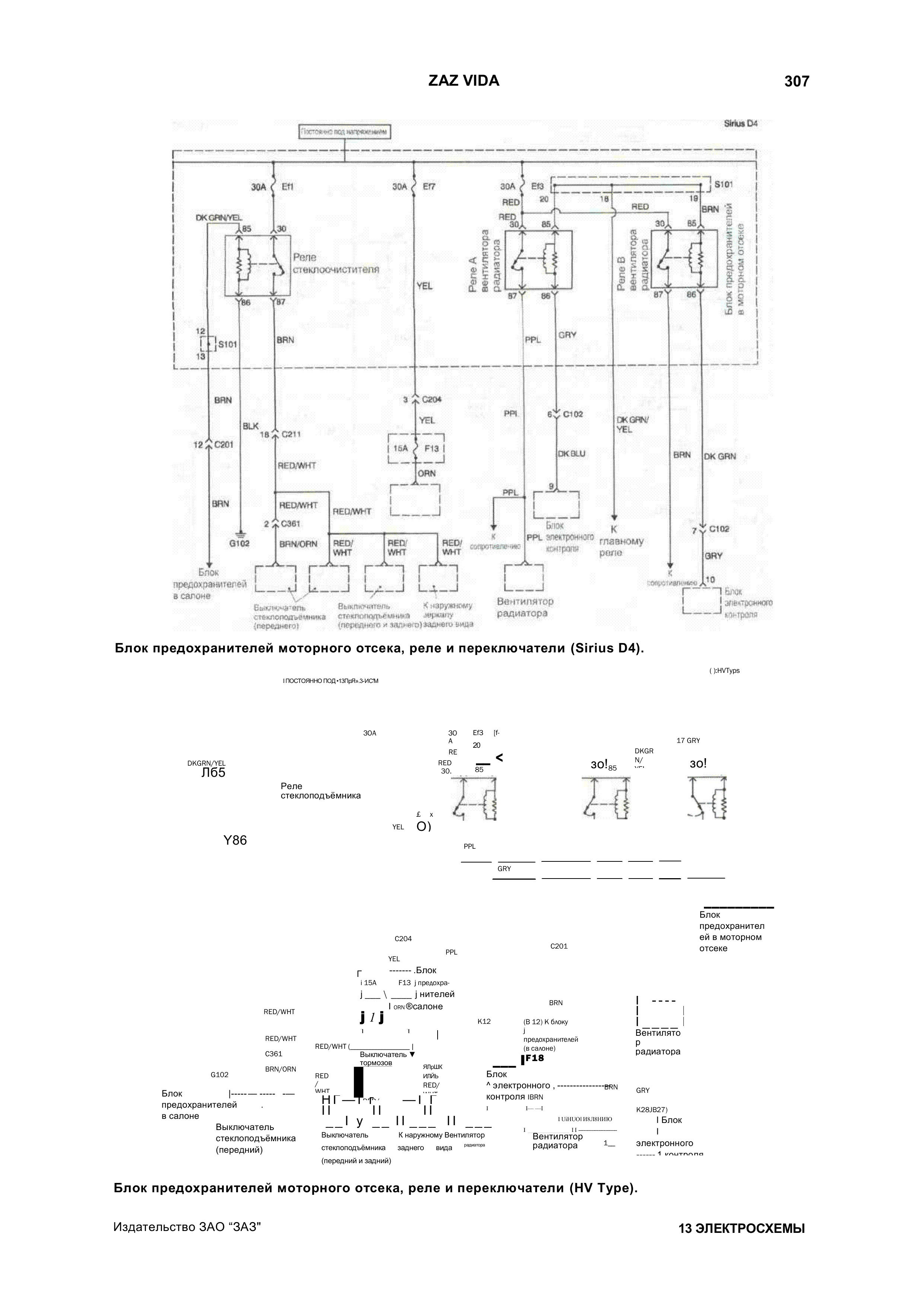
Схема блока предохранителей моторного отсека, реле и лампы Заз Вида

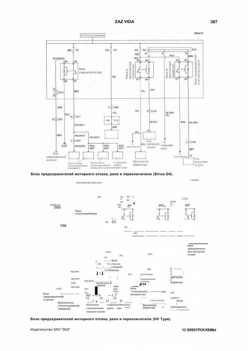
Электросхема переключателей Zaz Vida

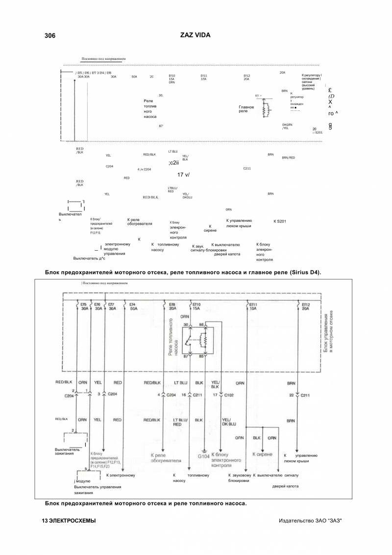
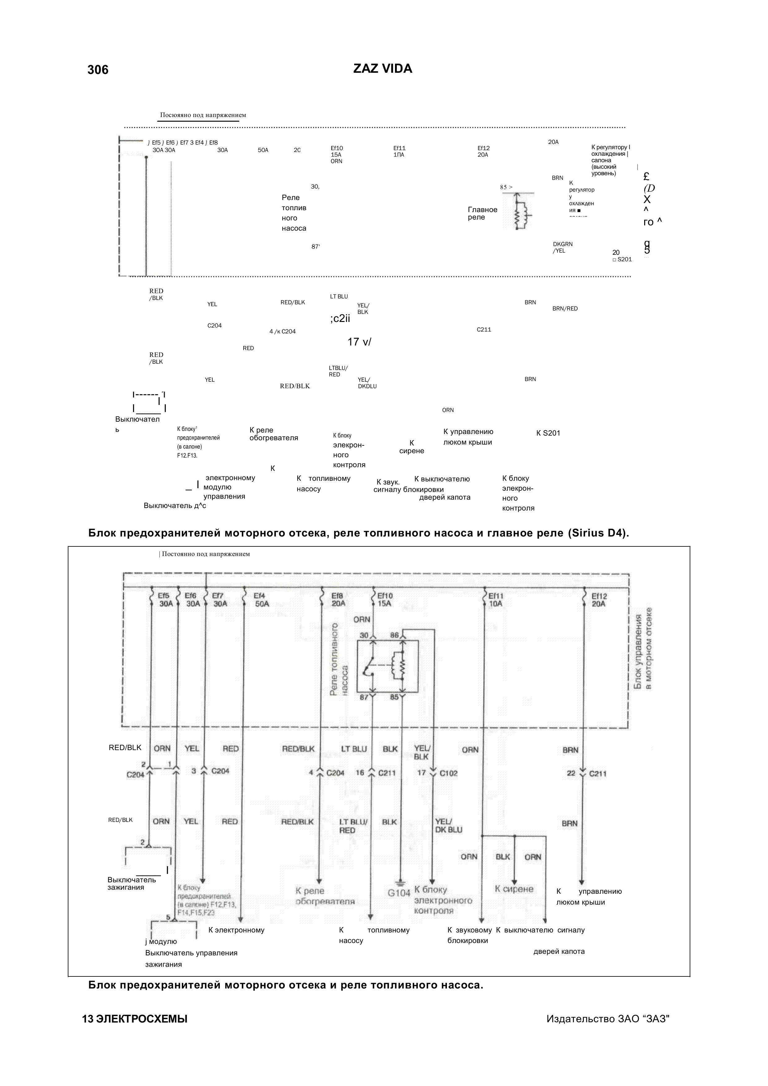
Реле насоса и главное реле автомобиля

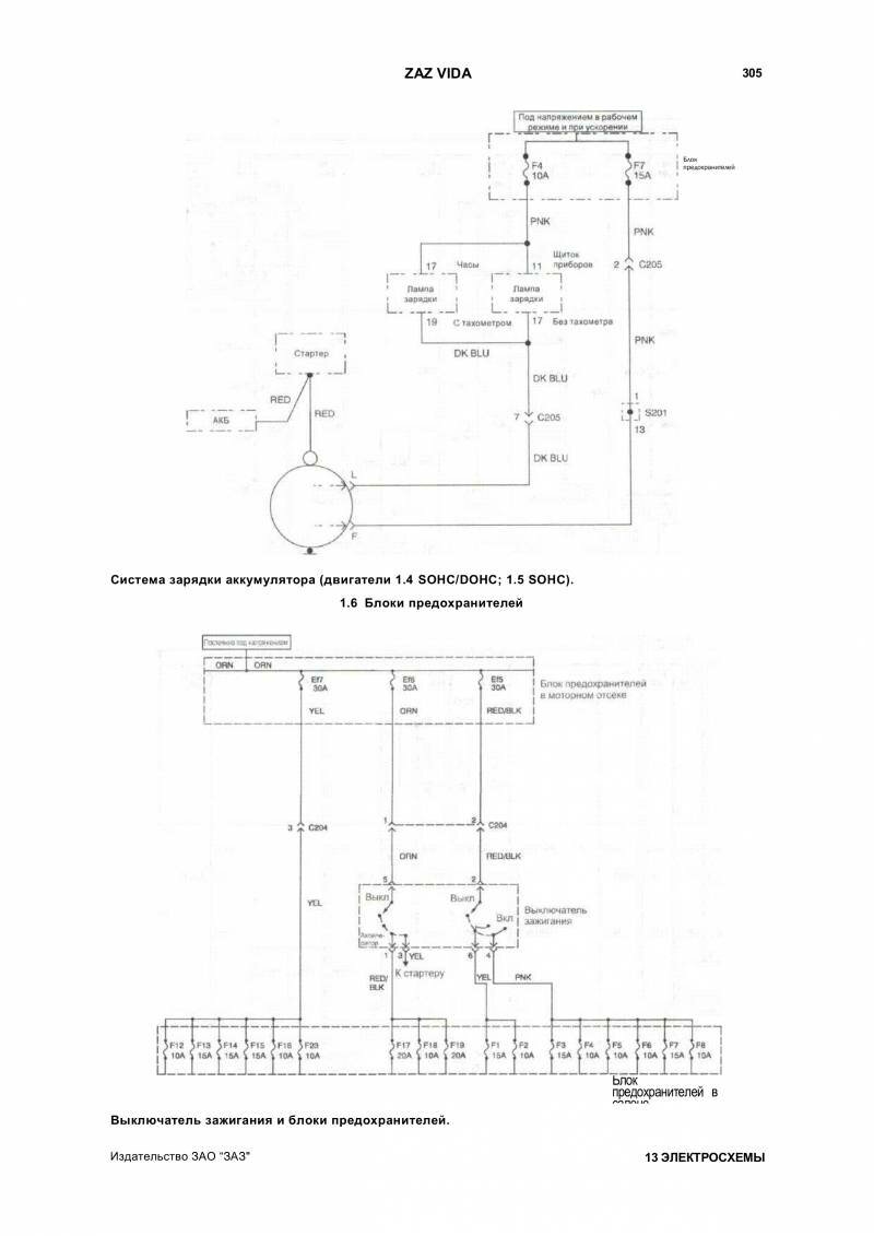
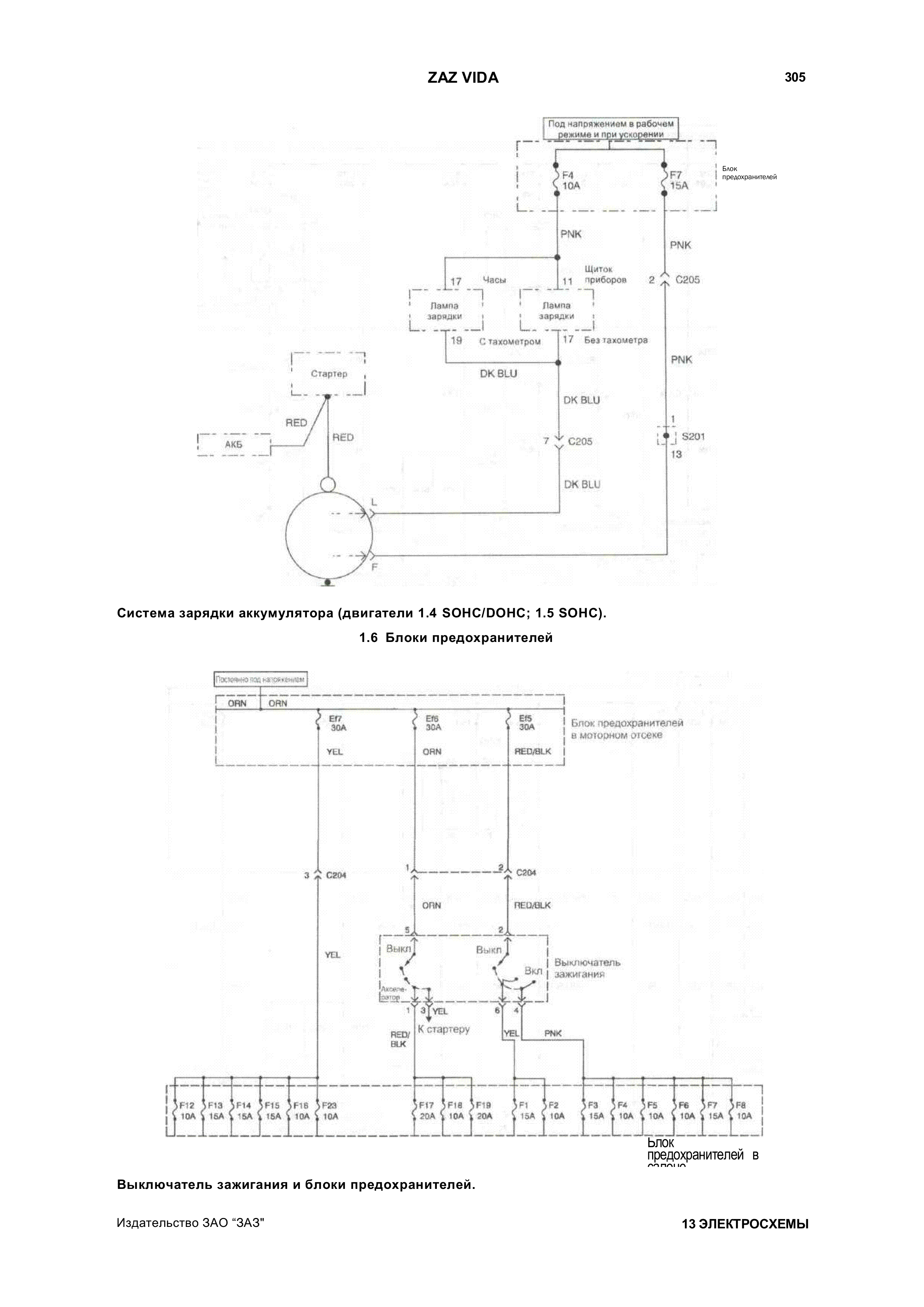
Система зарядки аккумулятора и блок зажигания

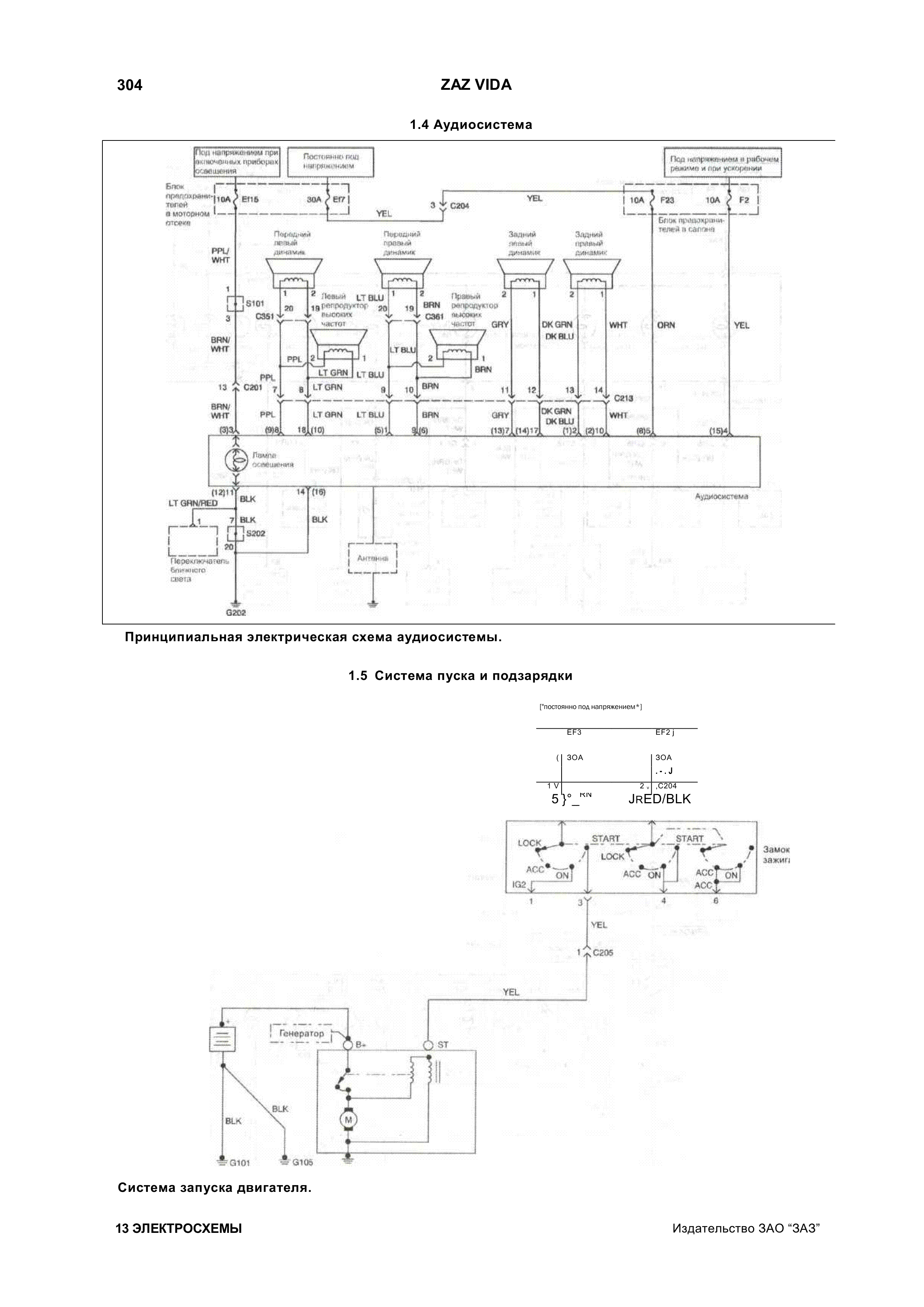
Схема пуска двигателя и аудиосистема Zaz Vida

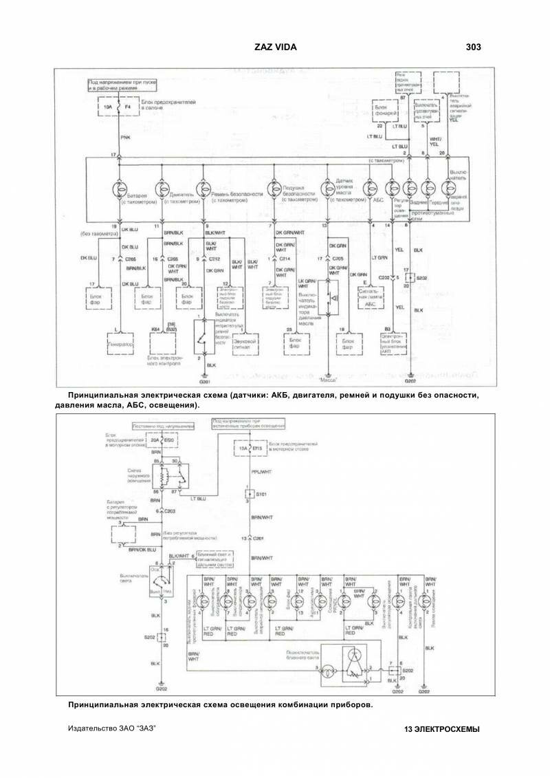
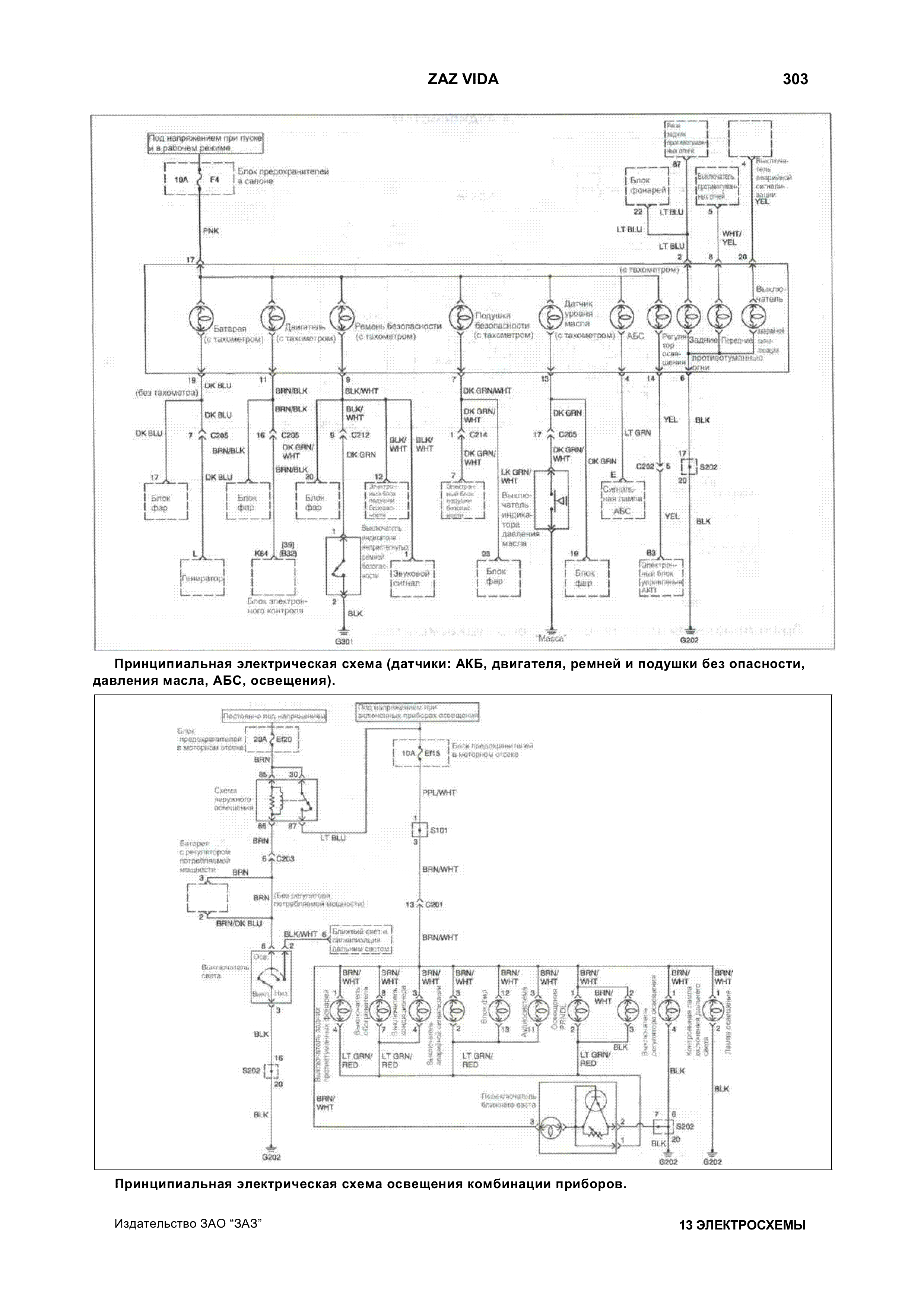
Принципиальная электросхема датчиков, подушек безопастности и освещения комбинации приборов

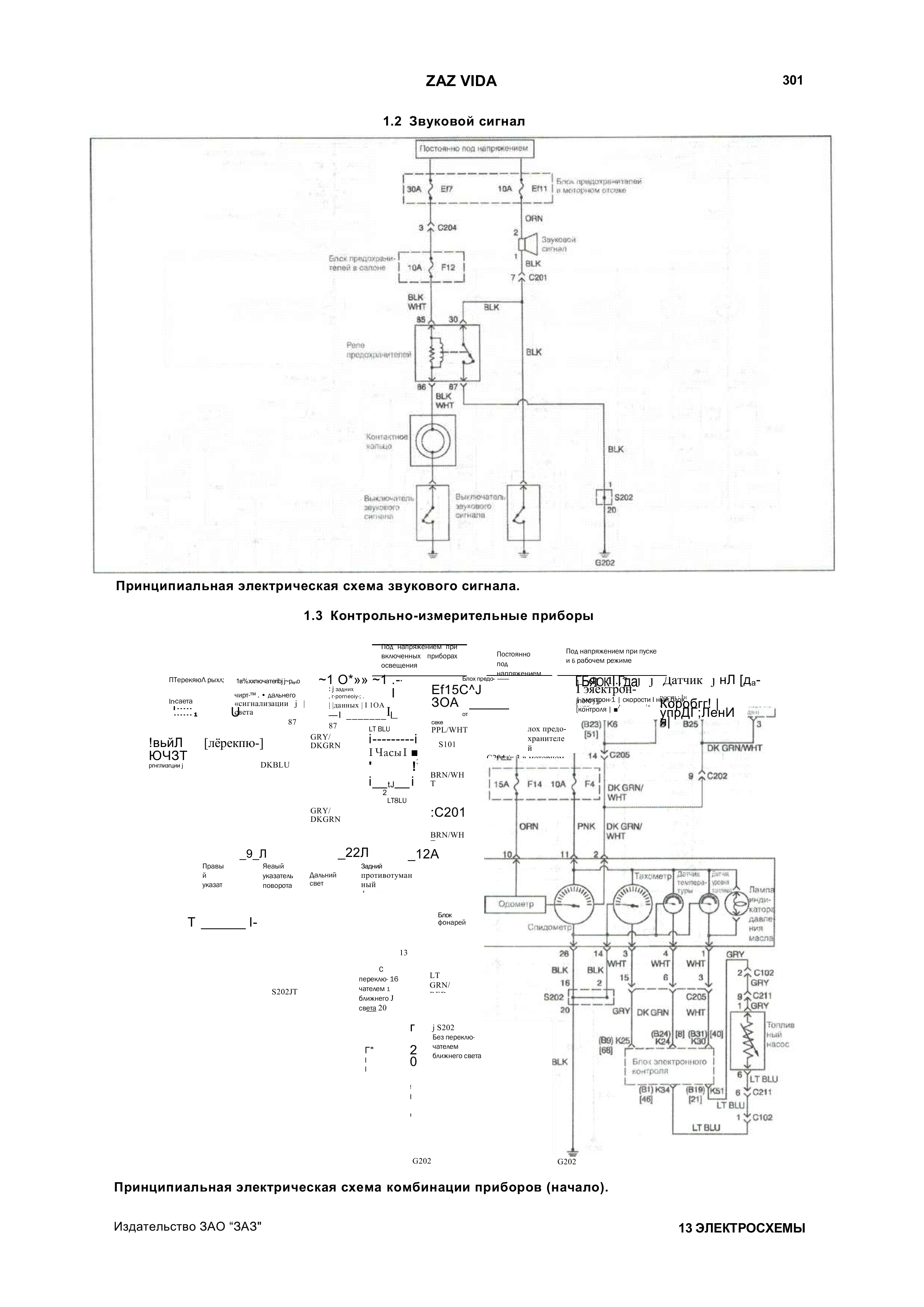
Схема звукового сигнала автомобиля

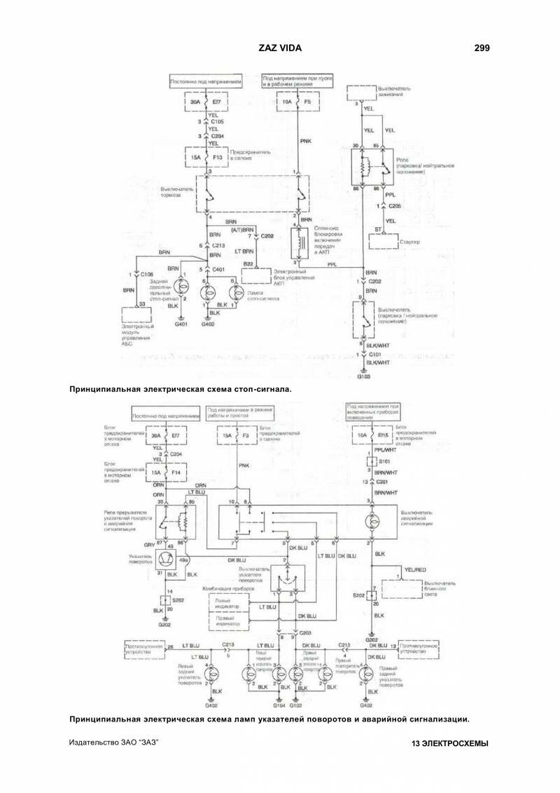
Схема поворотников, стоп сигнала и сигнализации

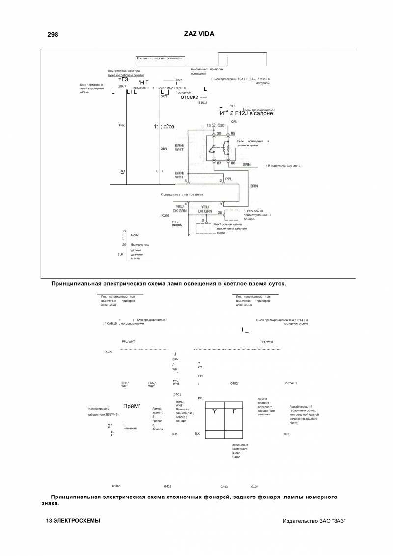
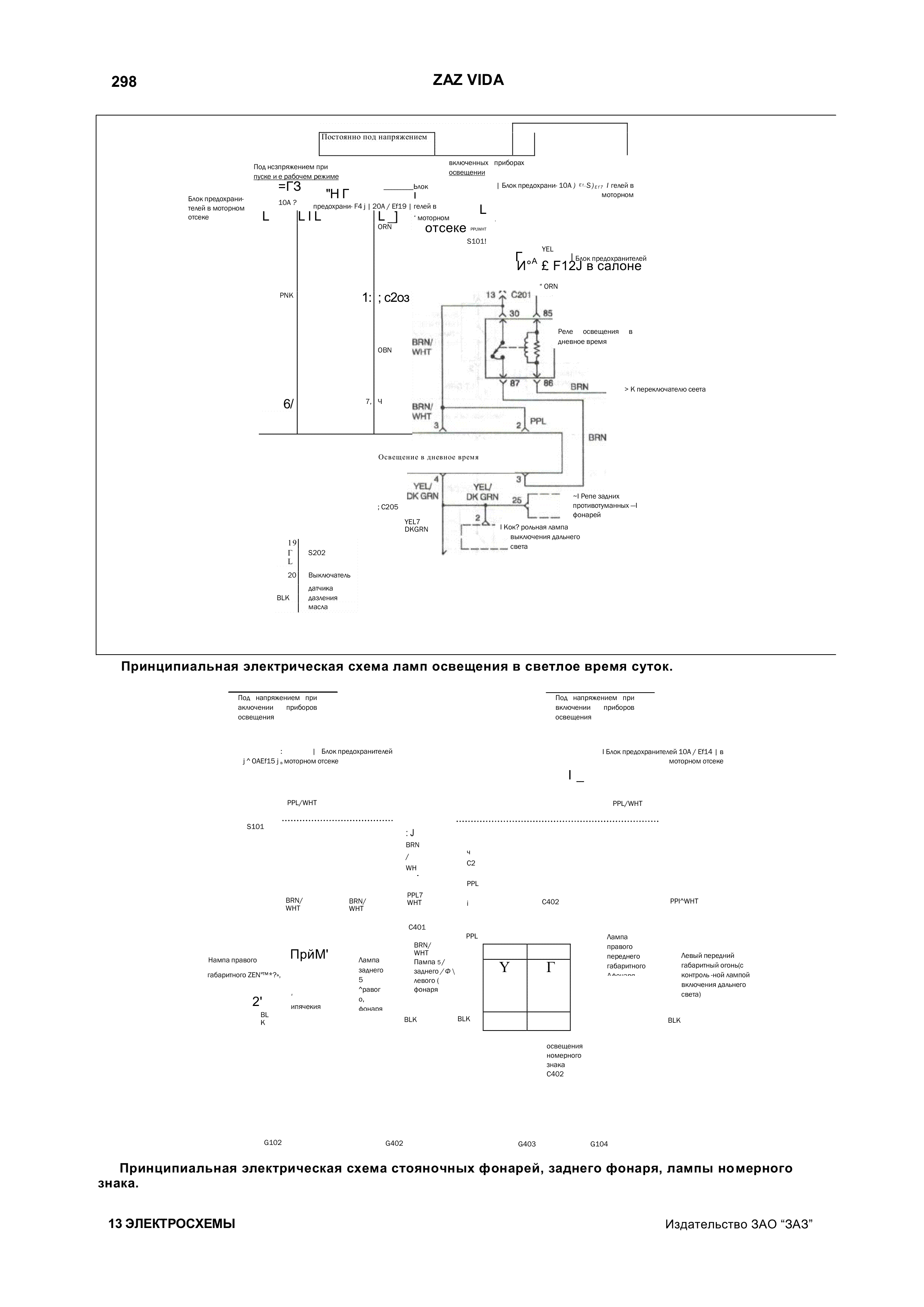
Схема фонарей и стояночного освещения авто

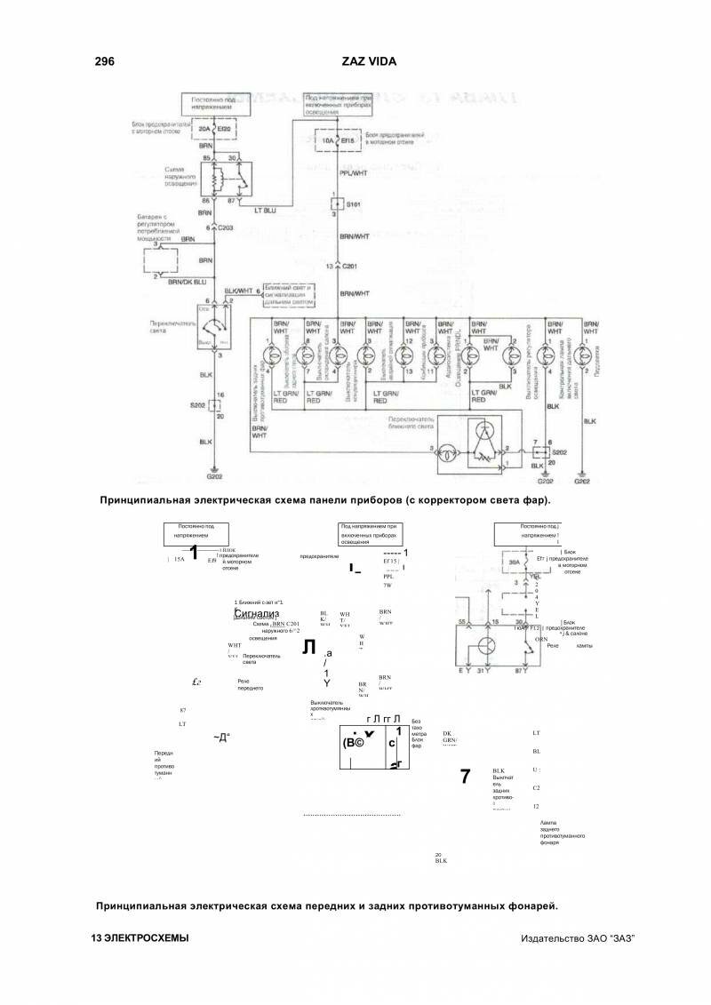
Электросхема фар и гидрокорректора Заз Вида

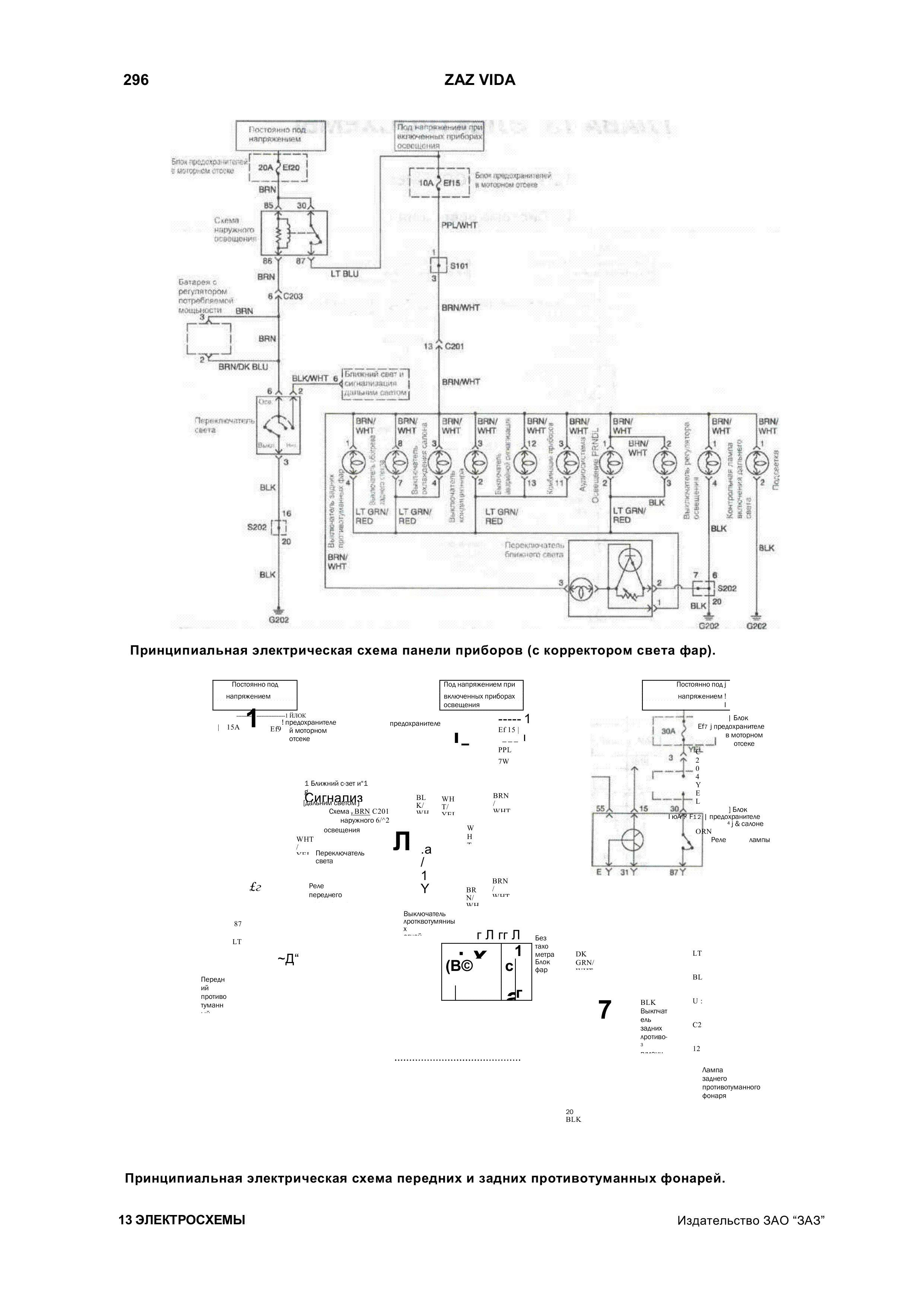
Схема панели приборов и противотуманных фар

Радиосхема ламп заднего хода автомобиля

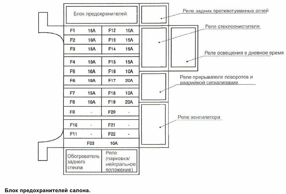
Схемы блоков предохранителей


РЕМОНТ АВТОЭЛЕКТРОНИКИ ЗАРЯДНЫЕ УСТРОЙСТВА ДЛЯ АКБ

|