Представлены для бесплатной загрузки качественные русскоязычные схемы электрооборудования автомобиля FIAT DOBLO. Имеются обозначение элементов - предохранителей, реле, фар и т.д. Увеличить схему можно кликнув на неё. Схема подходит также для FIAT CARGO и FIAT MAXI. Вторая часть сборника схем на следующей странице.
Символы, используемые на схеме FIAT DOBLO

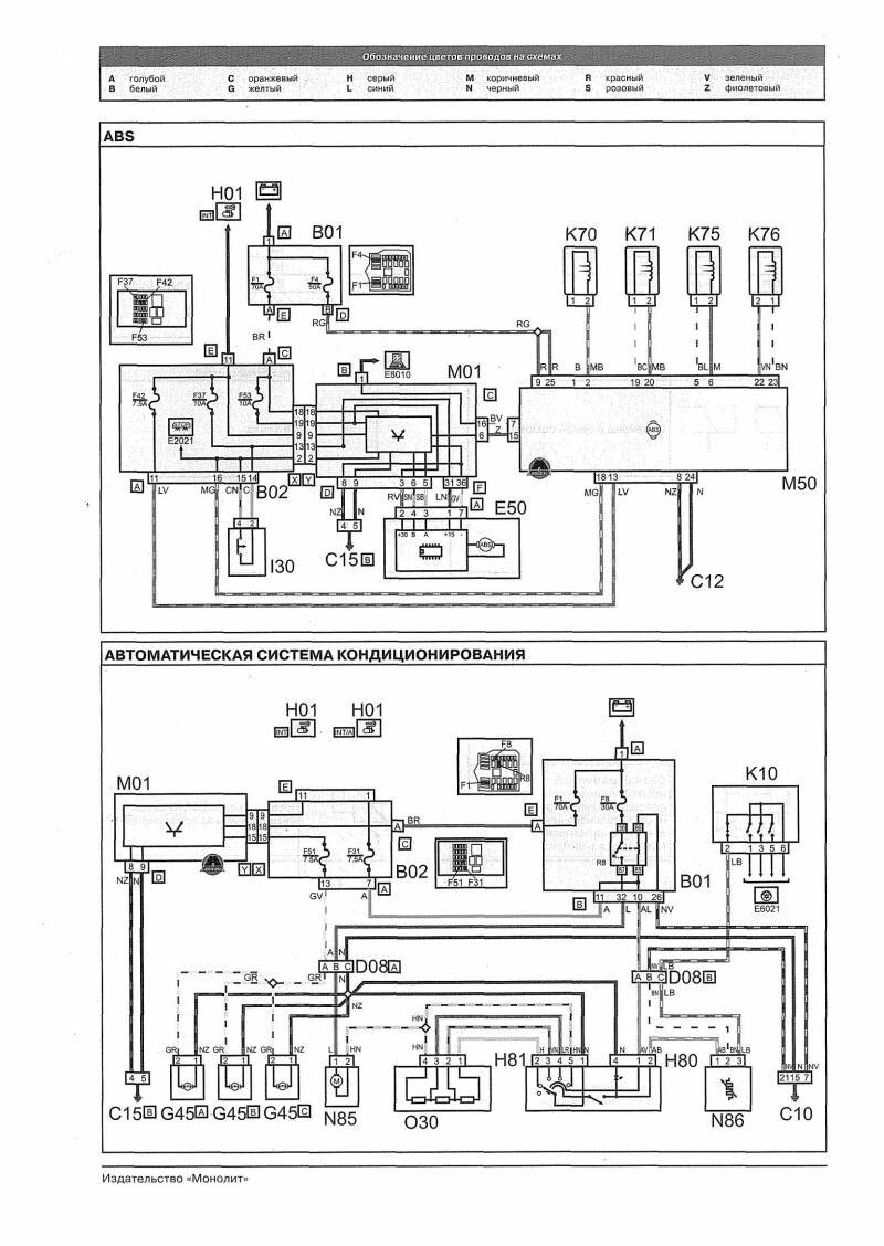
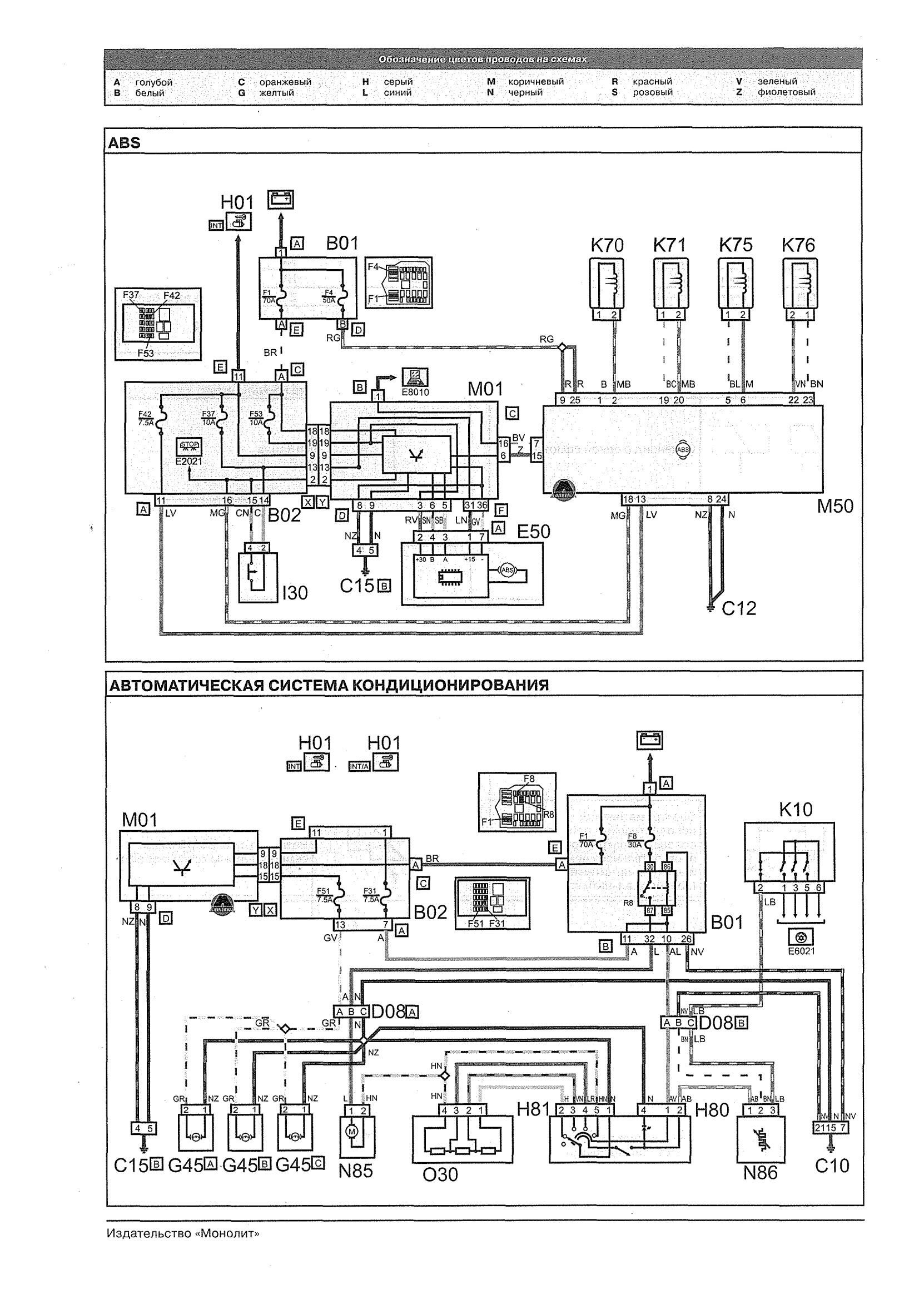
Схема ABS и автоматической системы кондиционирования

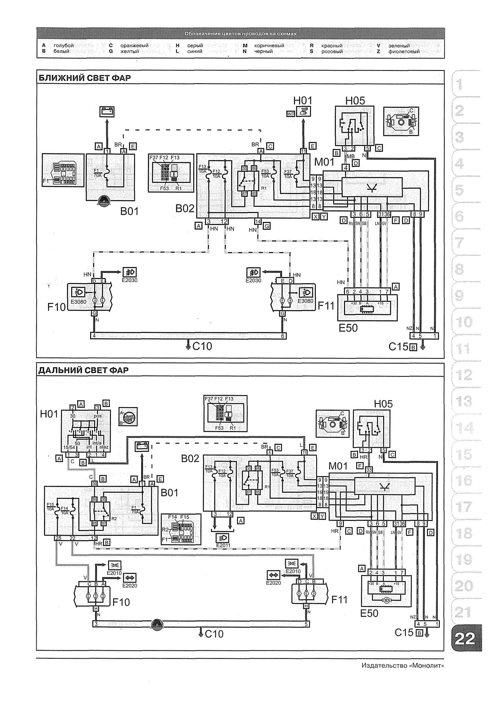
Электросхема монтажа блока ближнего и дальнего света фар

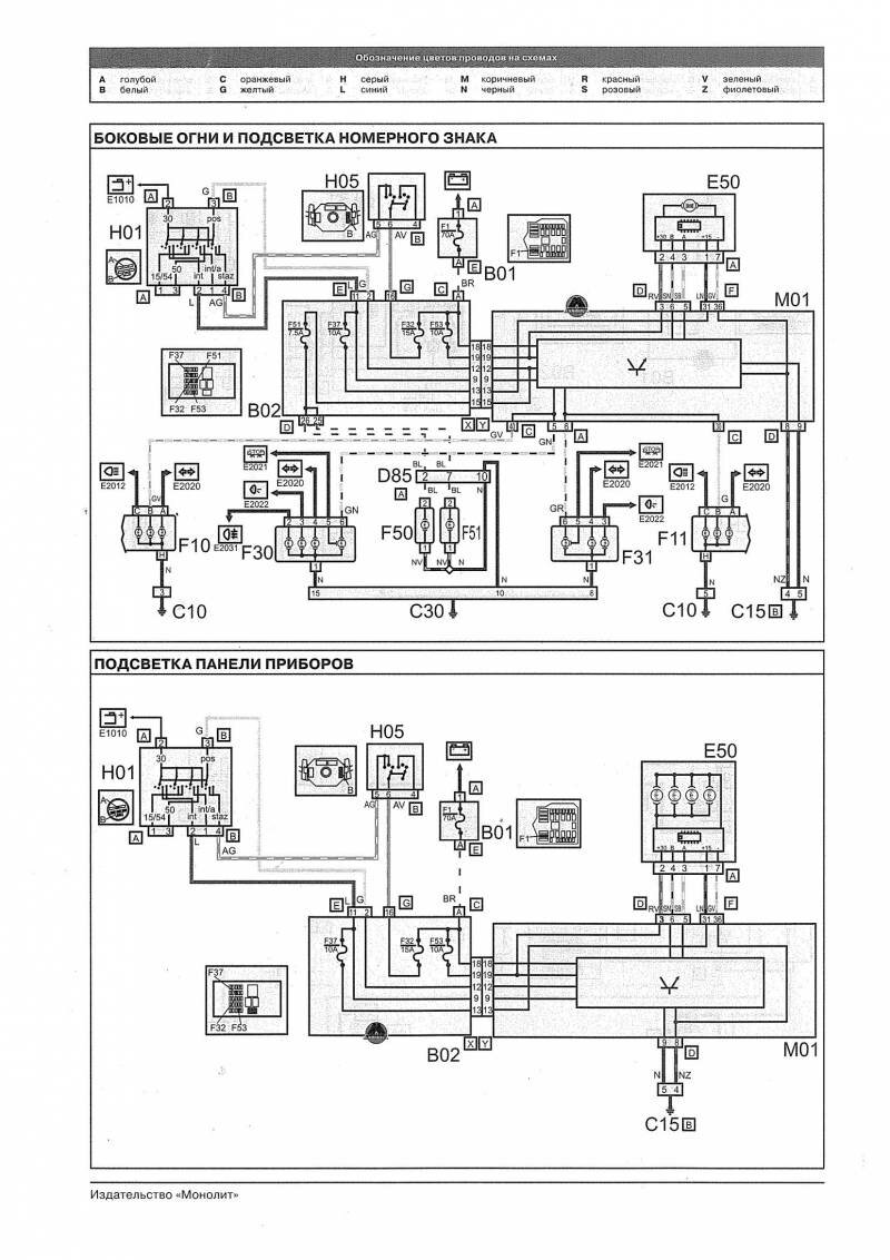
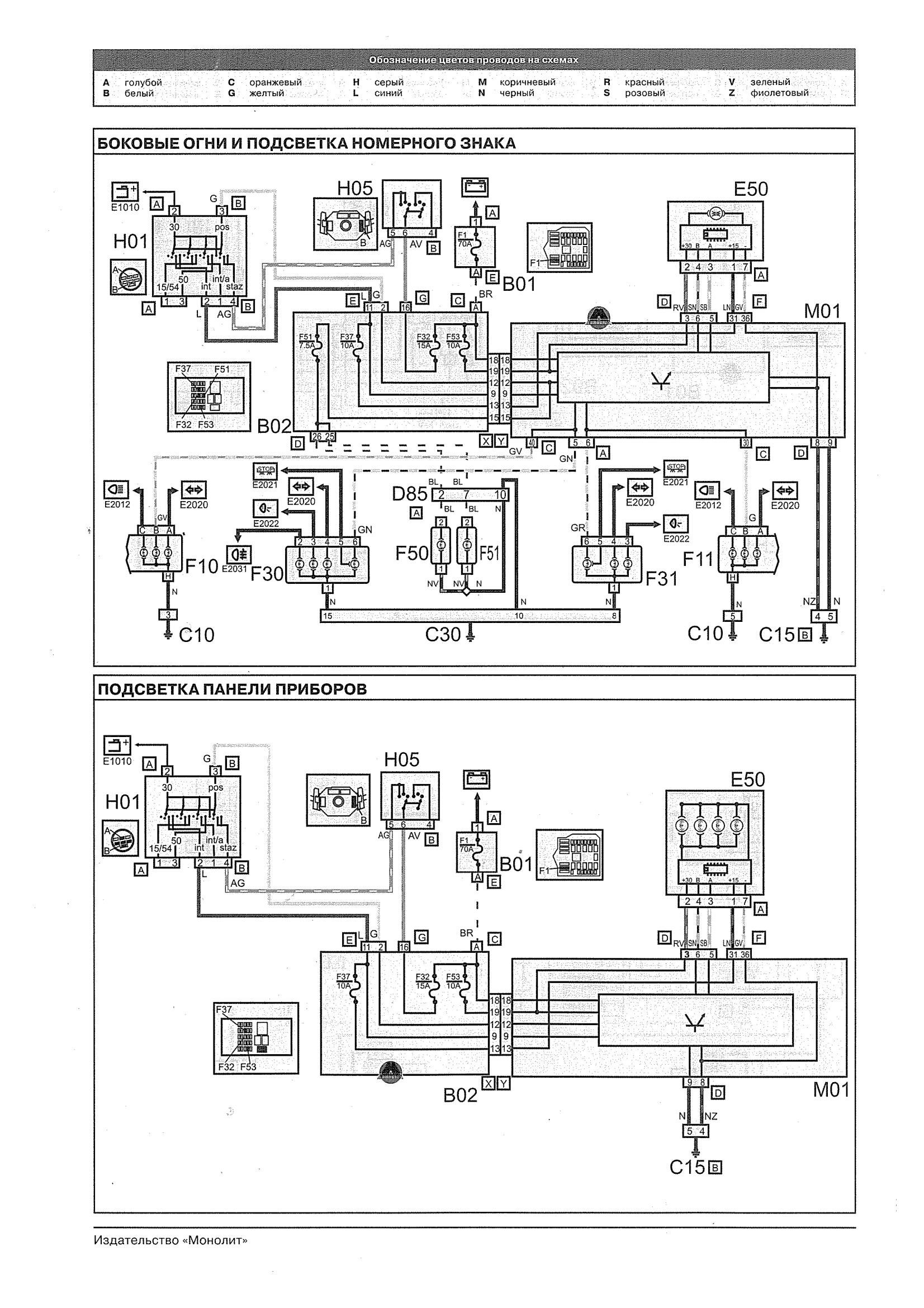
Подсветка номерного знака и приборной панели Фиат Добло

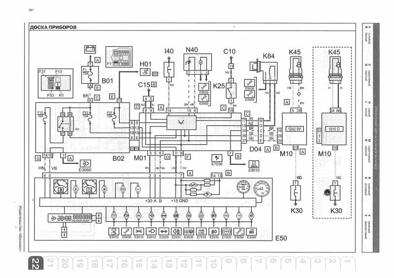
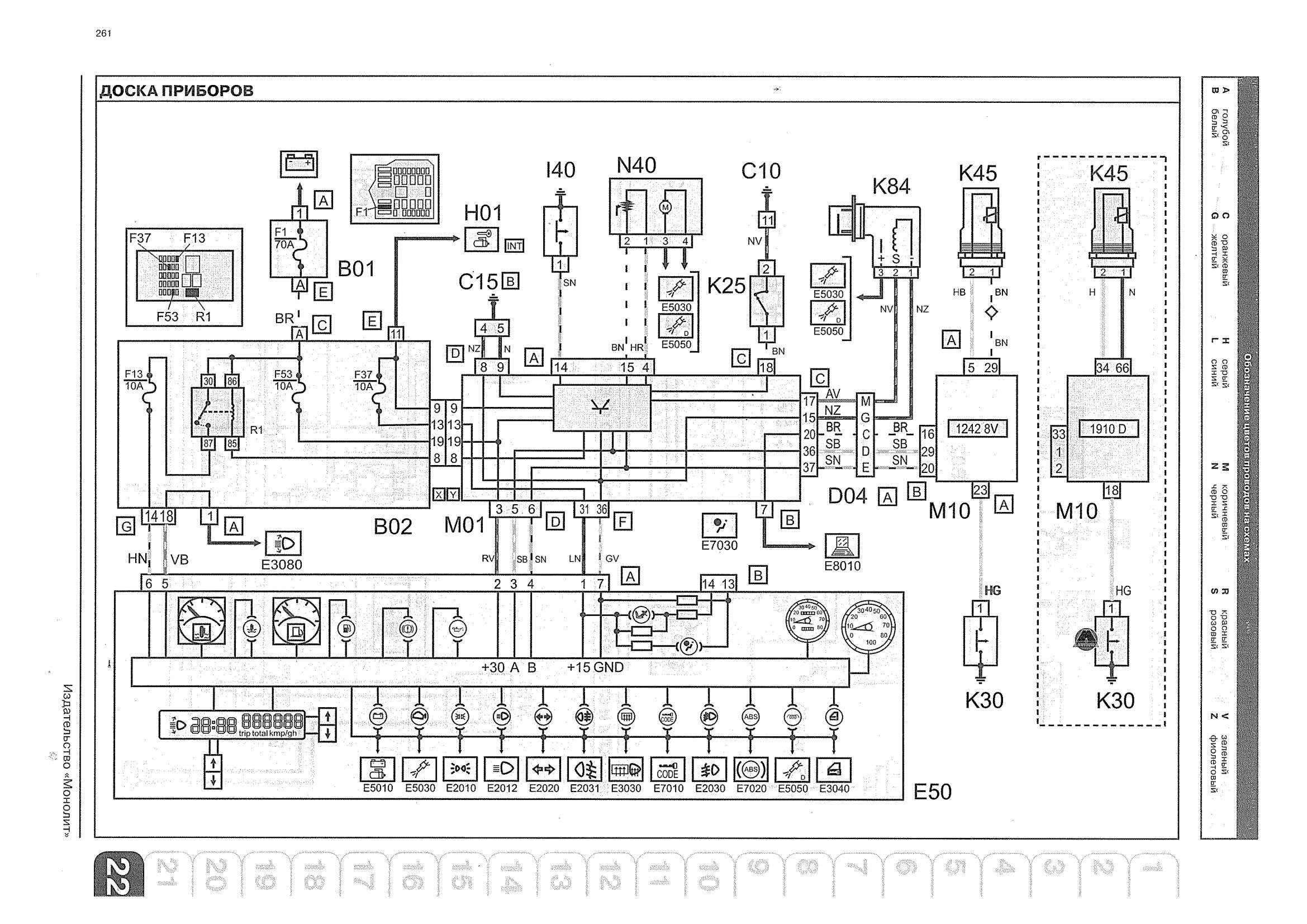
Схема приборной панели автомобиля

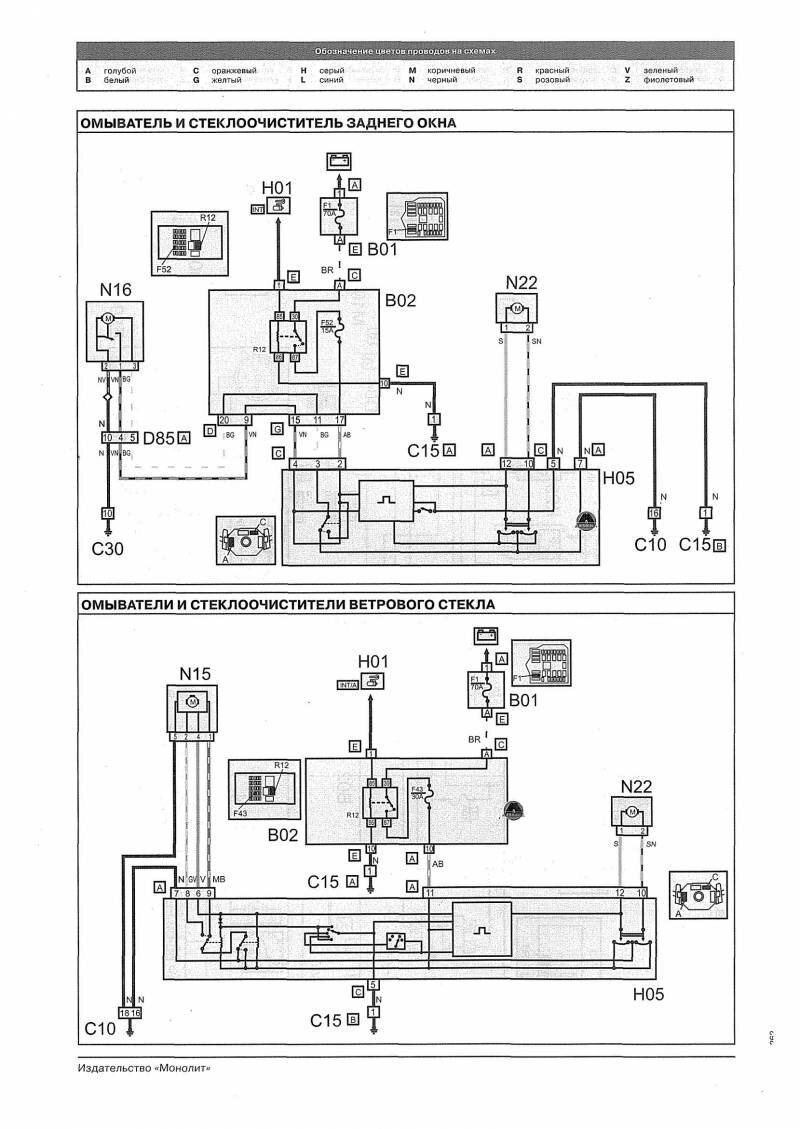
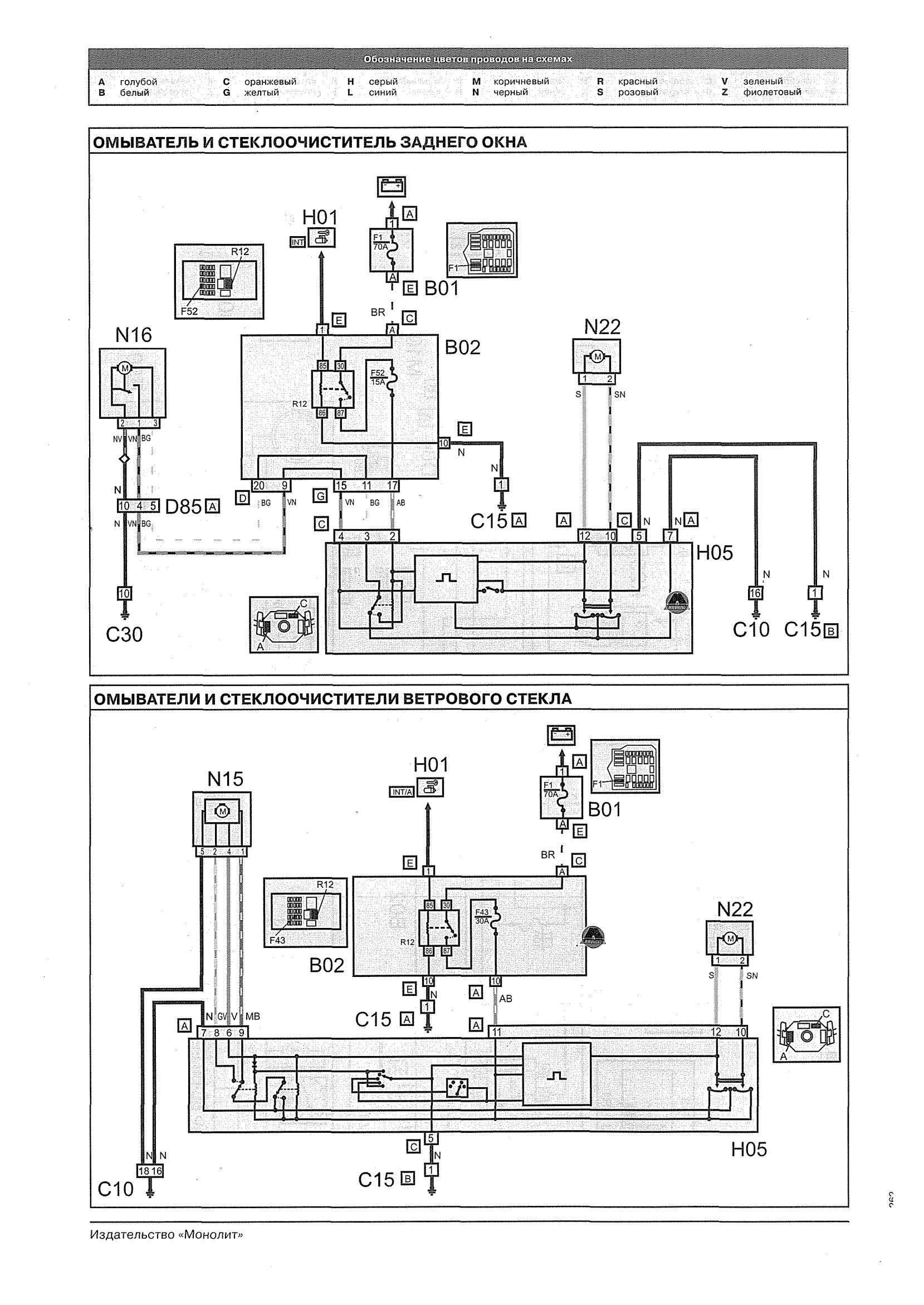
Омыватели и очистители передних и задних стёкол авто

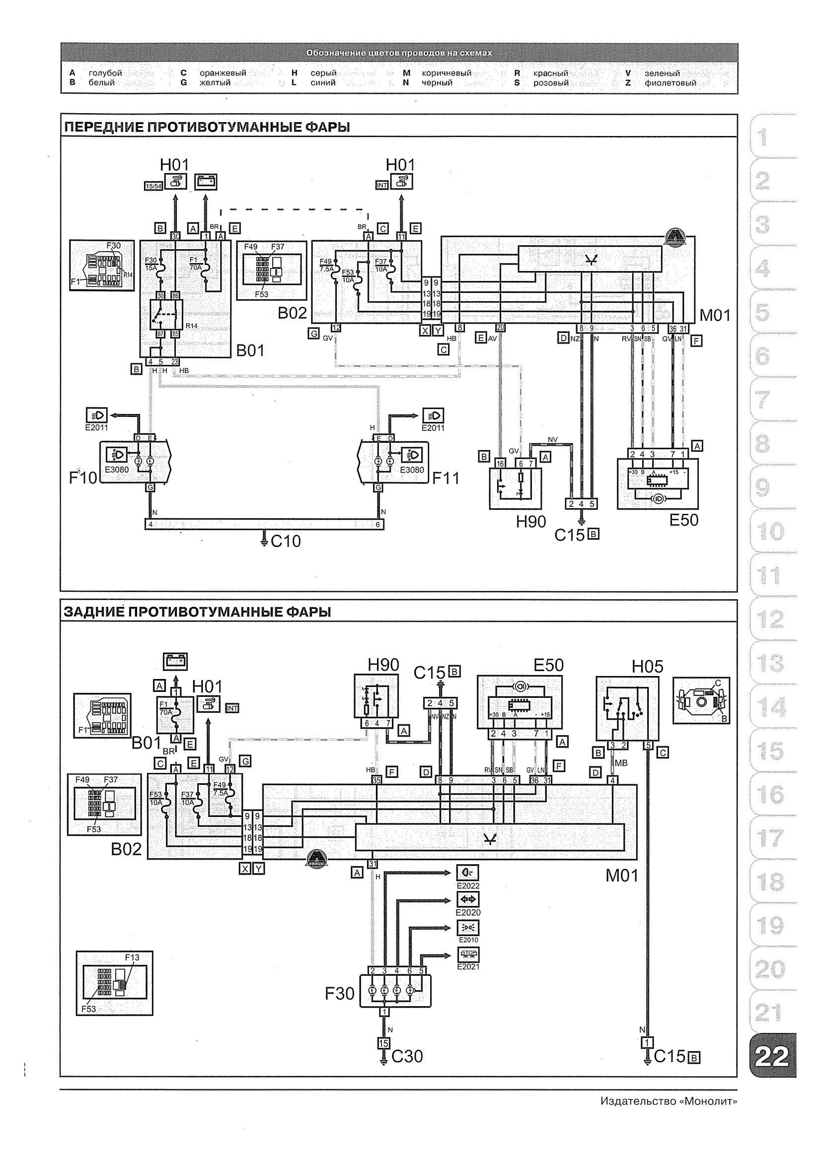
Эл-схема передних и задних противотуманных фар (противотуманок)

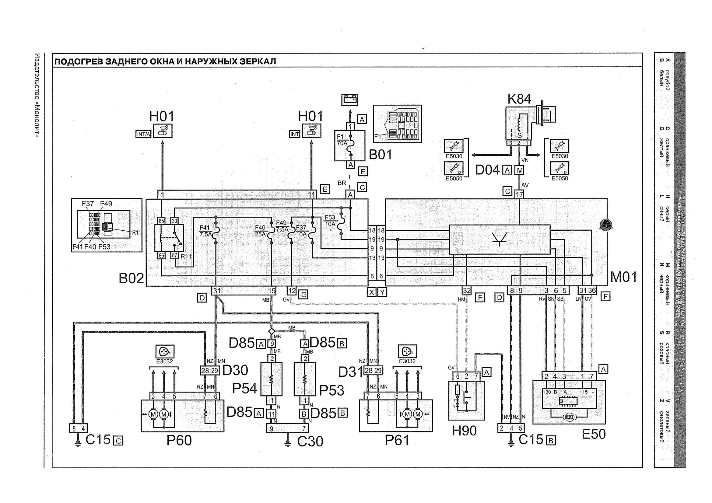
Система подогрева заднего окна и наружных зеркал

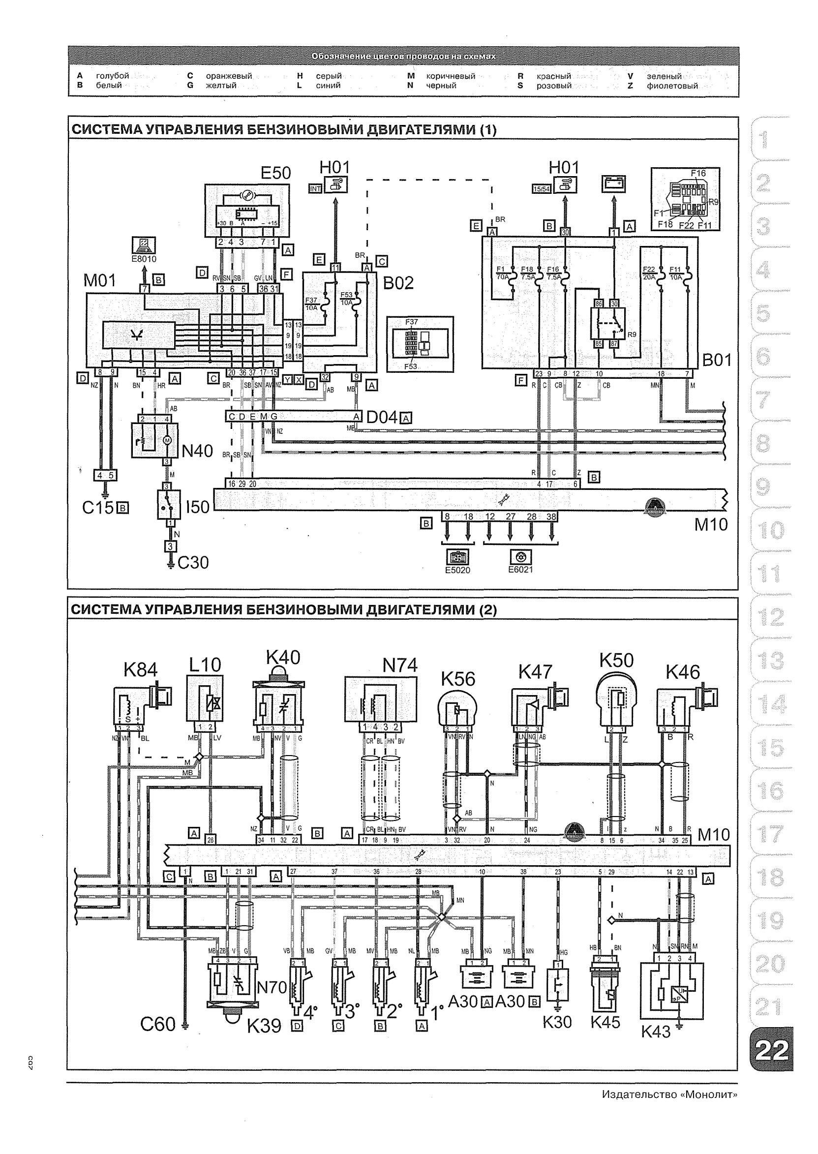
Система управления бензиновым двигателем FIAT DOBLO

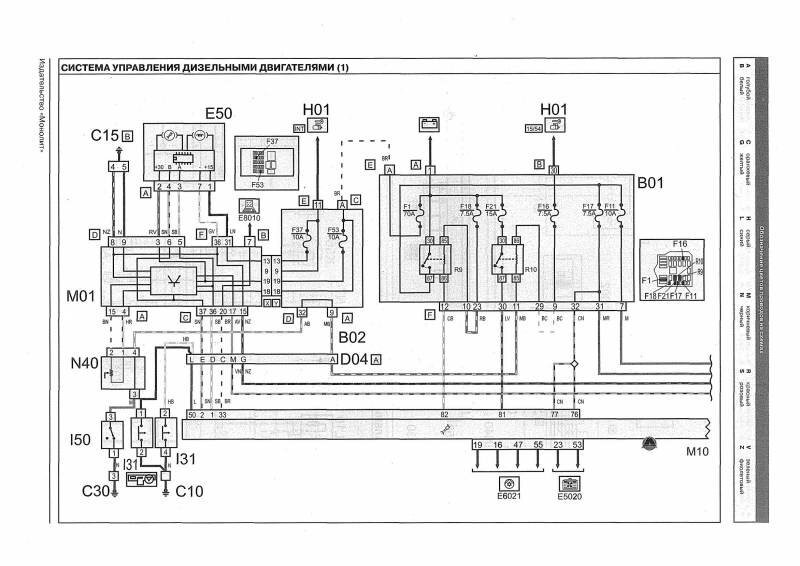
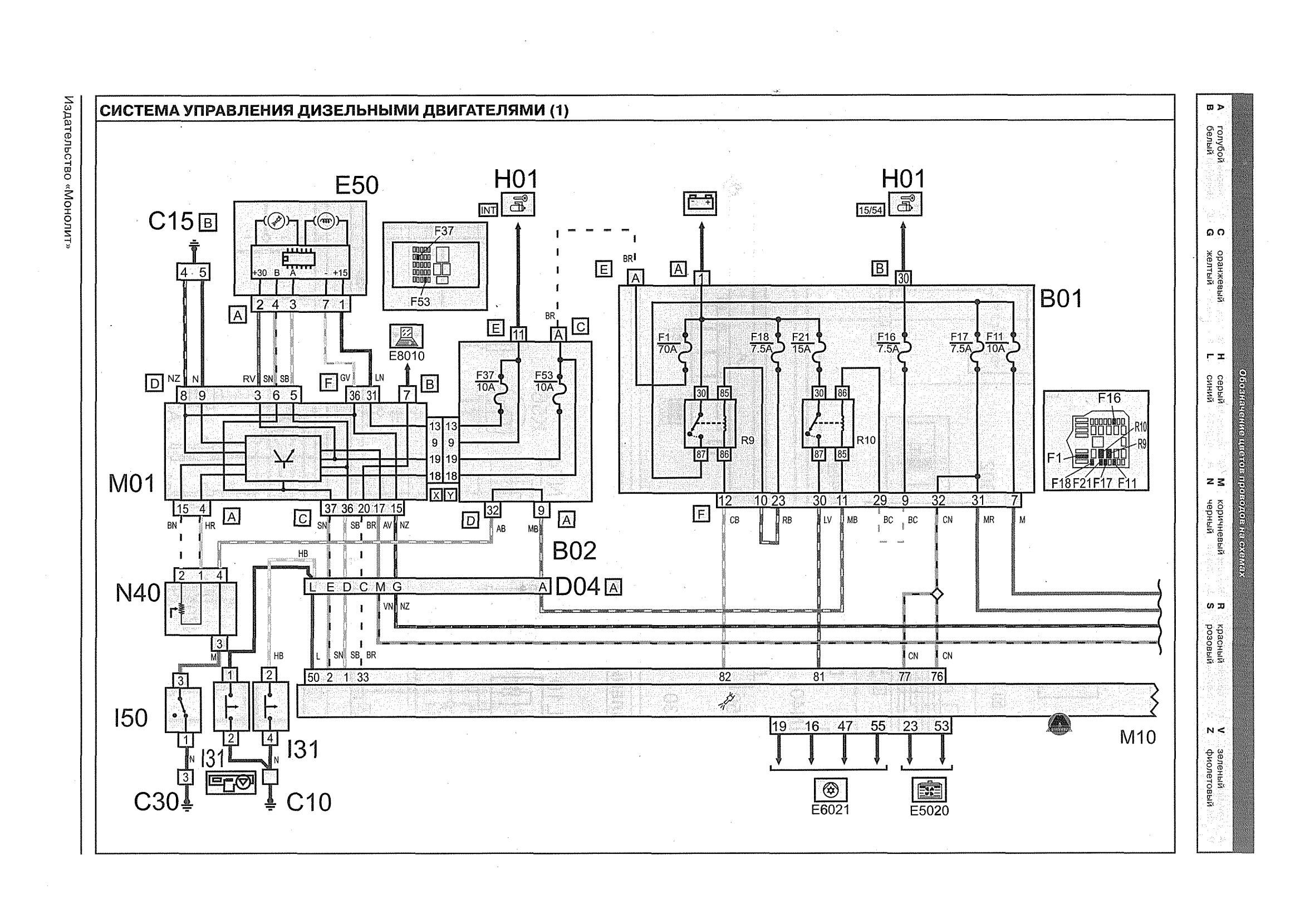
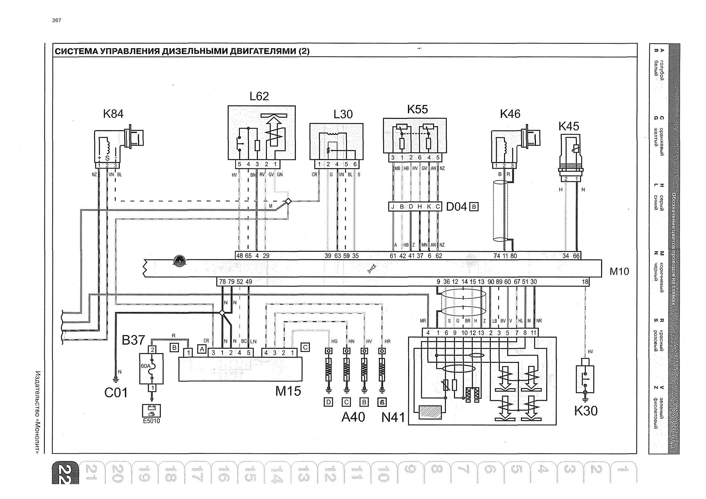
Система управления дизельным двигателем FIAT DOBLO - схема


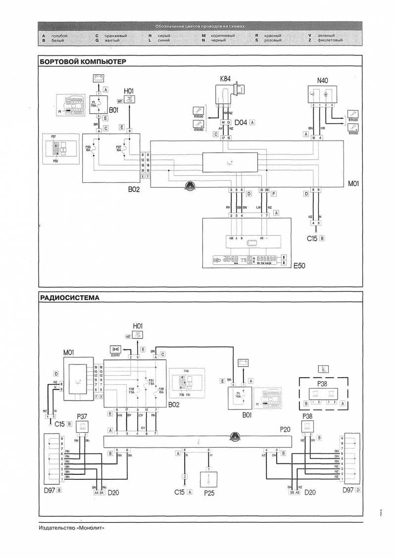
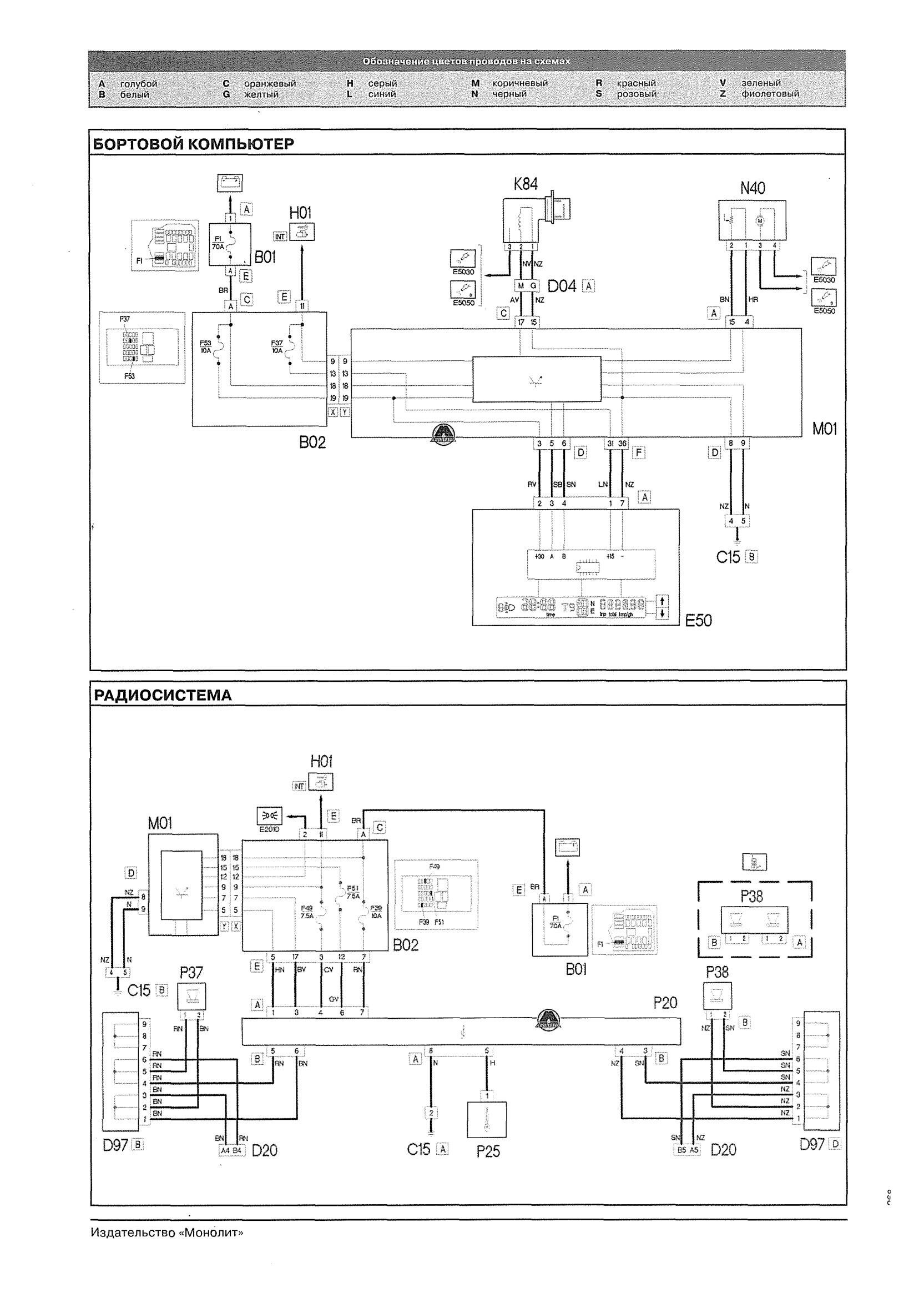
Схема бортового компьютера и радиосистемы авто

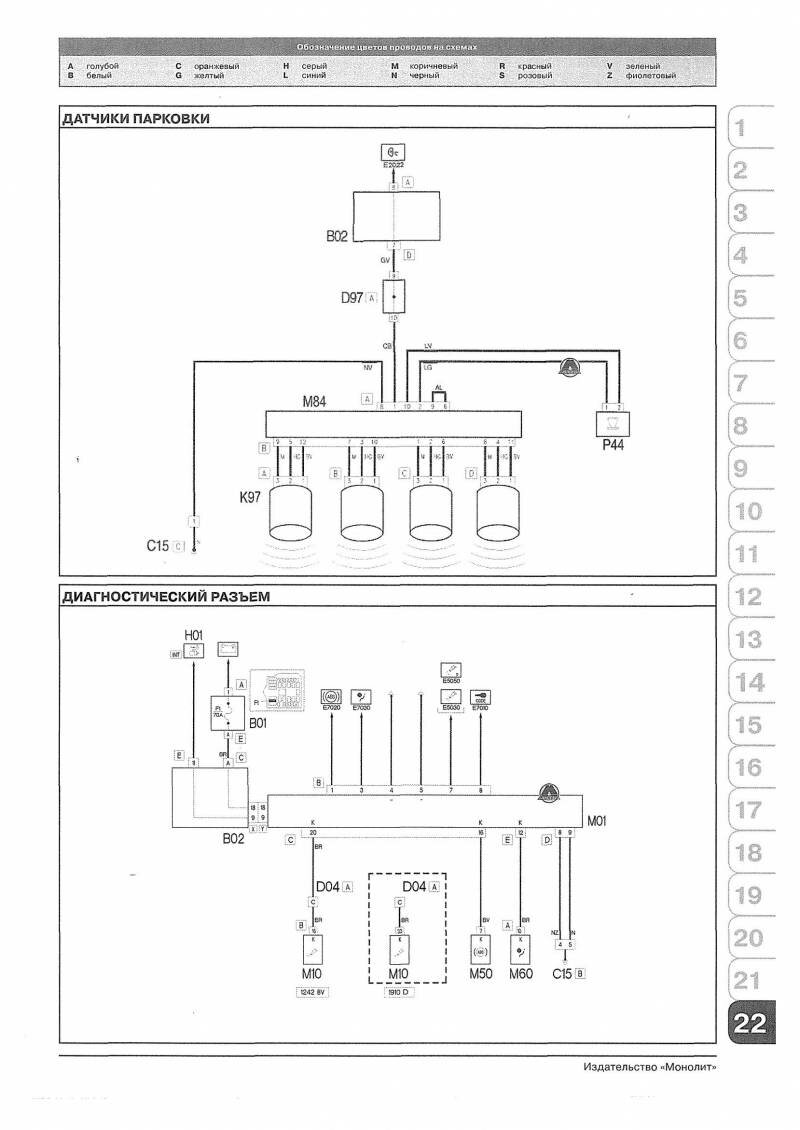
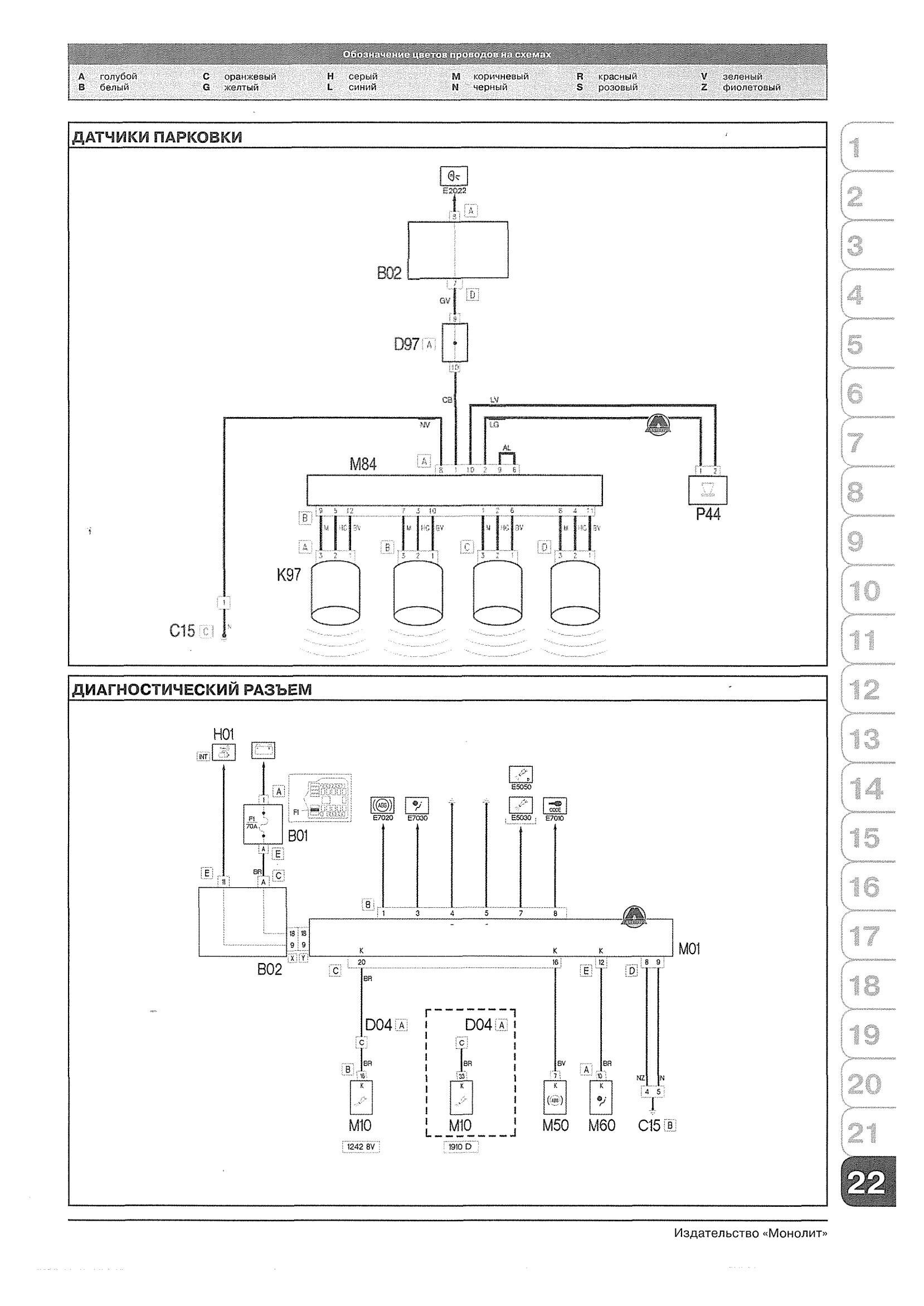
Датчики парковки и диагностический разъём

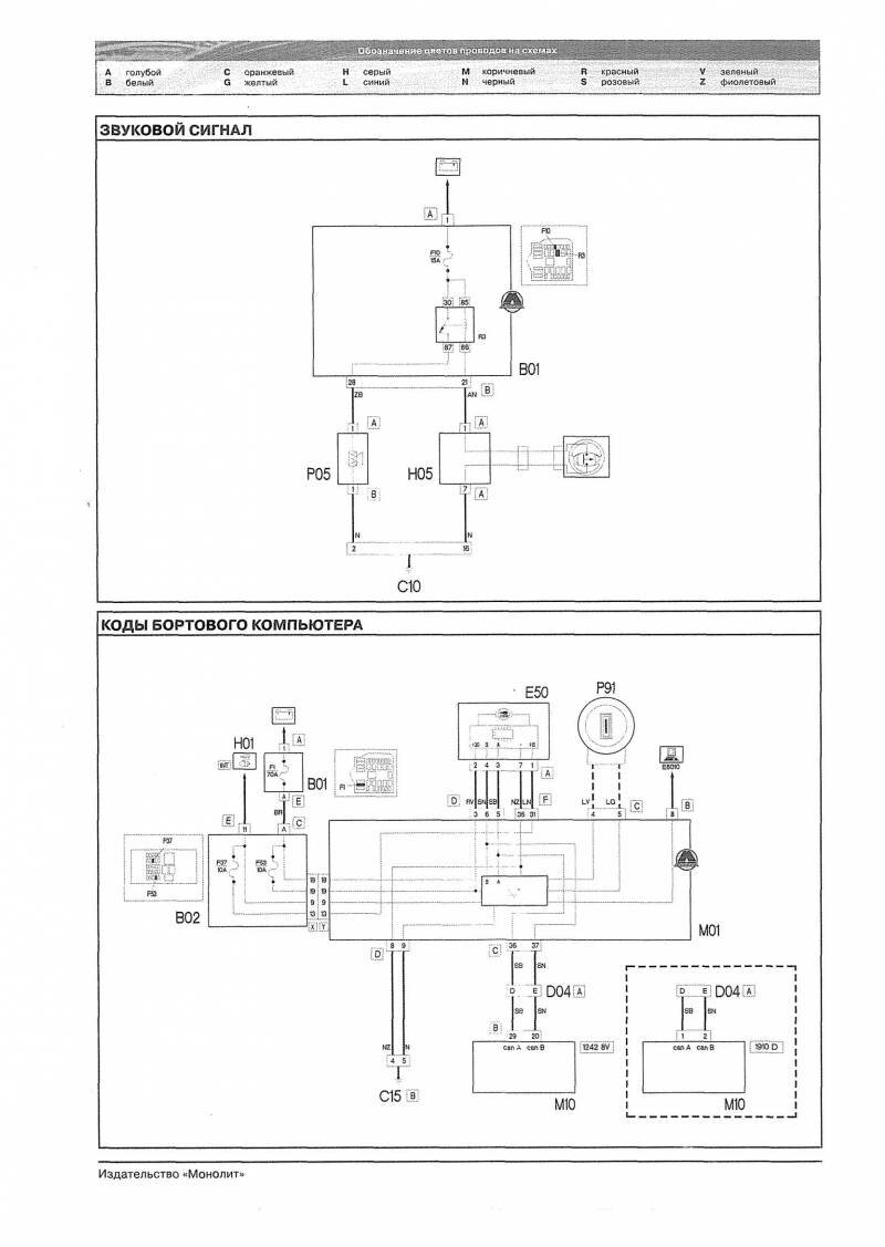
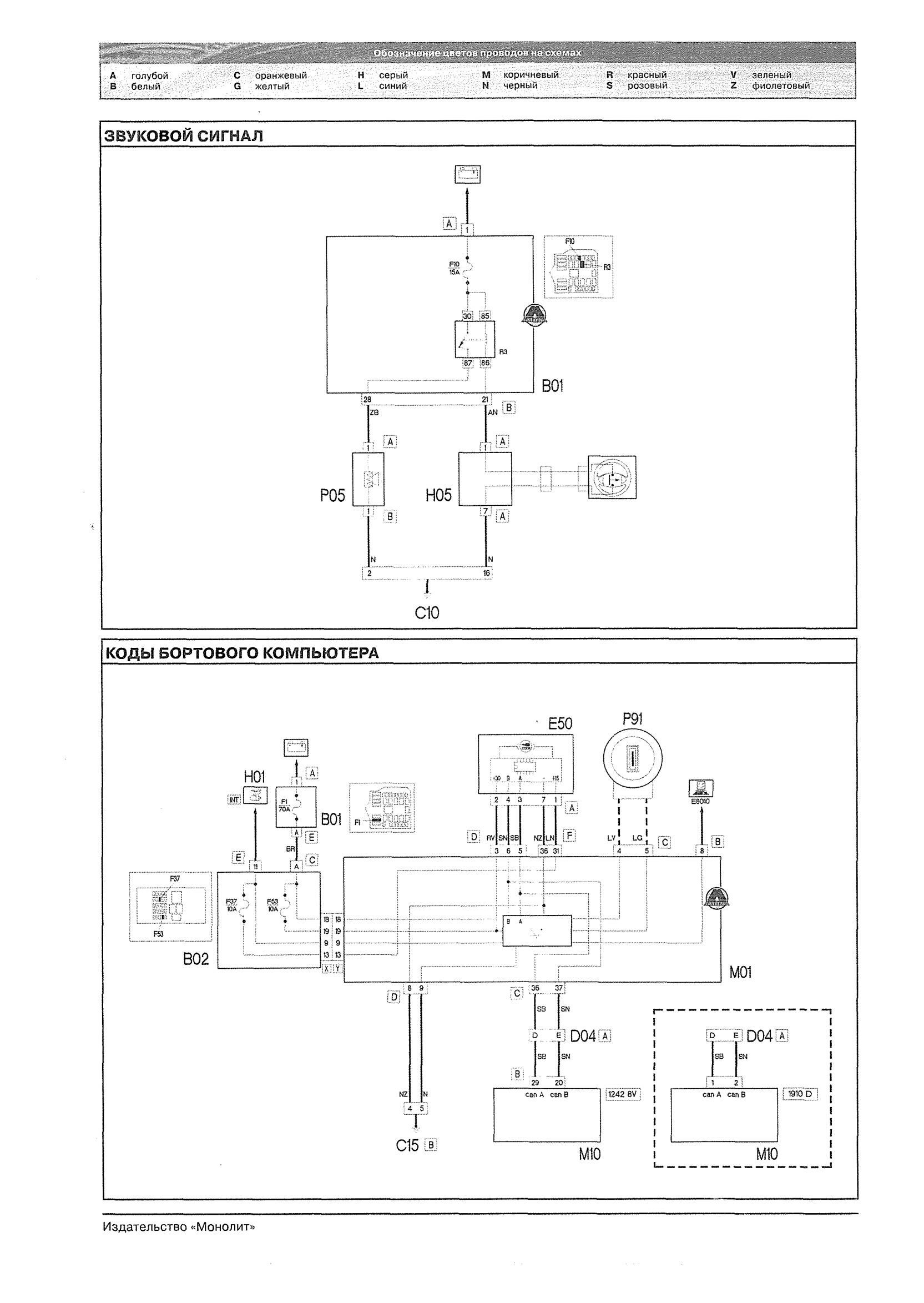
Звуковой сигнал и коды бортового ПК

РЕМОНТ АВТОЭЛЕКТРОНИКИ ЗАРЯДНЫЕ УСТРОЙСТВА ДЛЯ АКБ

|