Далее предоставленны схемы электрооборудования на Фиат Регата с 1979 г.в. и младше. Для модели Regata было предложено три бензиновых и два дизельных варианта двигателей. Список предлагаемых двигателей был также схож с тем, который предлагался для Fiat Ritmo. В него входили следующие силовые агрегаты: два 4-цилиндровых бензиновых двигателя SOHC объёмом 1.3 и 1.5 литра мощностью 68 л.с. (Regata 70) и 82 л.с. (Regata 85) соответственно; 4-цилиндровый бензиновый силовой агрегат DOHC объёмом 1.6 литра мощностью 100 л.с. (Regata 100); а также два дизельных 4-цилиндровых двигателя SOHC объёмами 1.7 и 1.9 литра, мощность которых составляла 58 л.с. (Regata D) и 65 л.с. (Regata DS) соответственно. Также была выпущена и экономичная модель Fiat Regata под названием Regata ES («Energy Saving»). Она оснащалась несколько модифицированным бензиновым двигателем объемом 1.3 литра с электронной системой зажигания, мощность которого составляла 65 л.с.
Общее обозначение цвета проводов на электросхемах

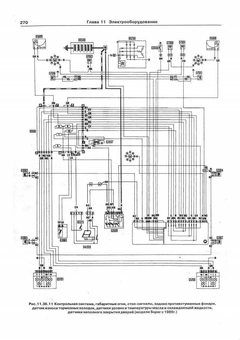
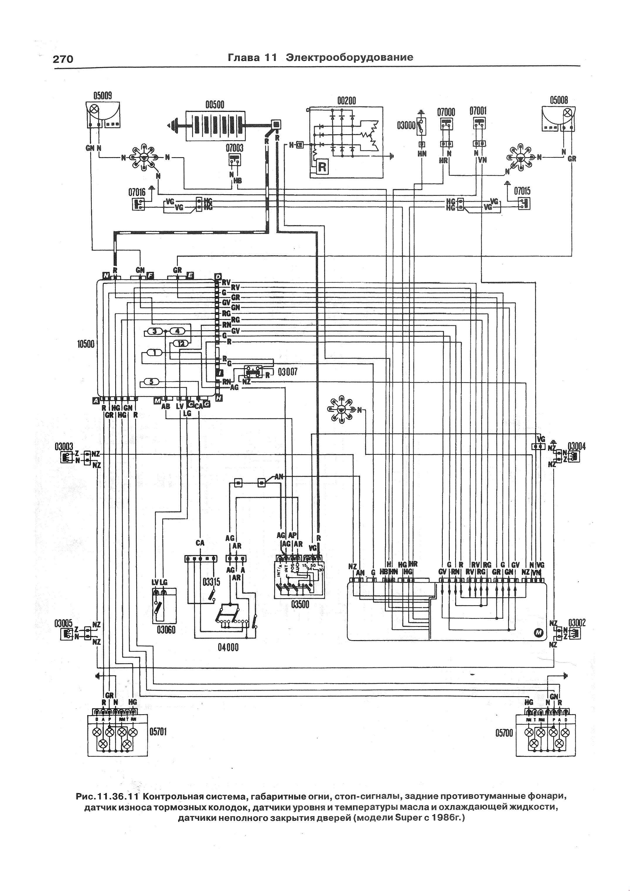
Схема контрольной системы, габаритных огней, стоп-сигналов, задних противотуманных фонарей,датчика износа тормозных колодок, датчика уровня и температуры масла и охлаждающей жидкости, датчика неполного закрытия дверей

Обозначения на схемах для Фиата Регата


Электросхема впрыска топлива и зажигания

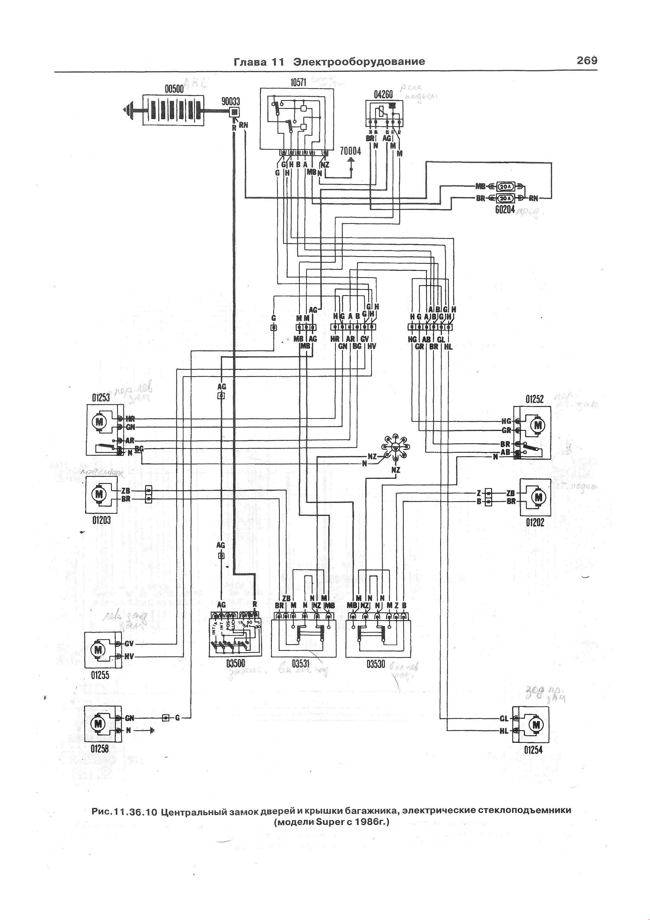
Эл.схема центрального замка и крышки багажника, электростеклоподьемников

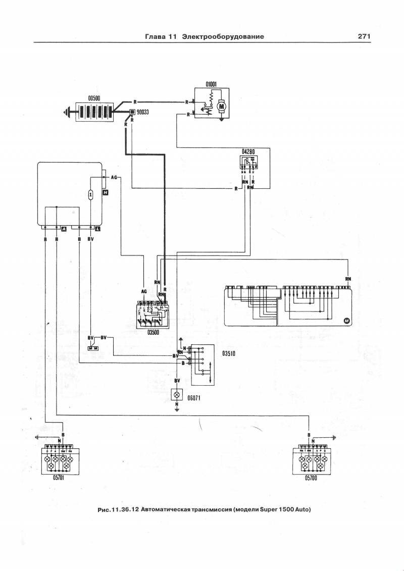
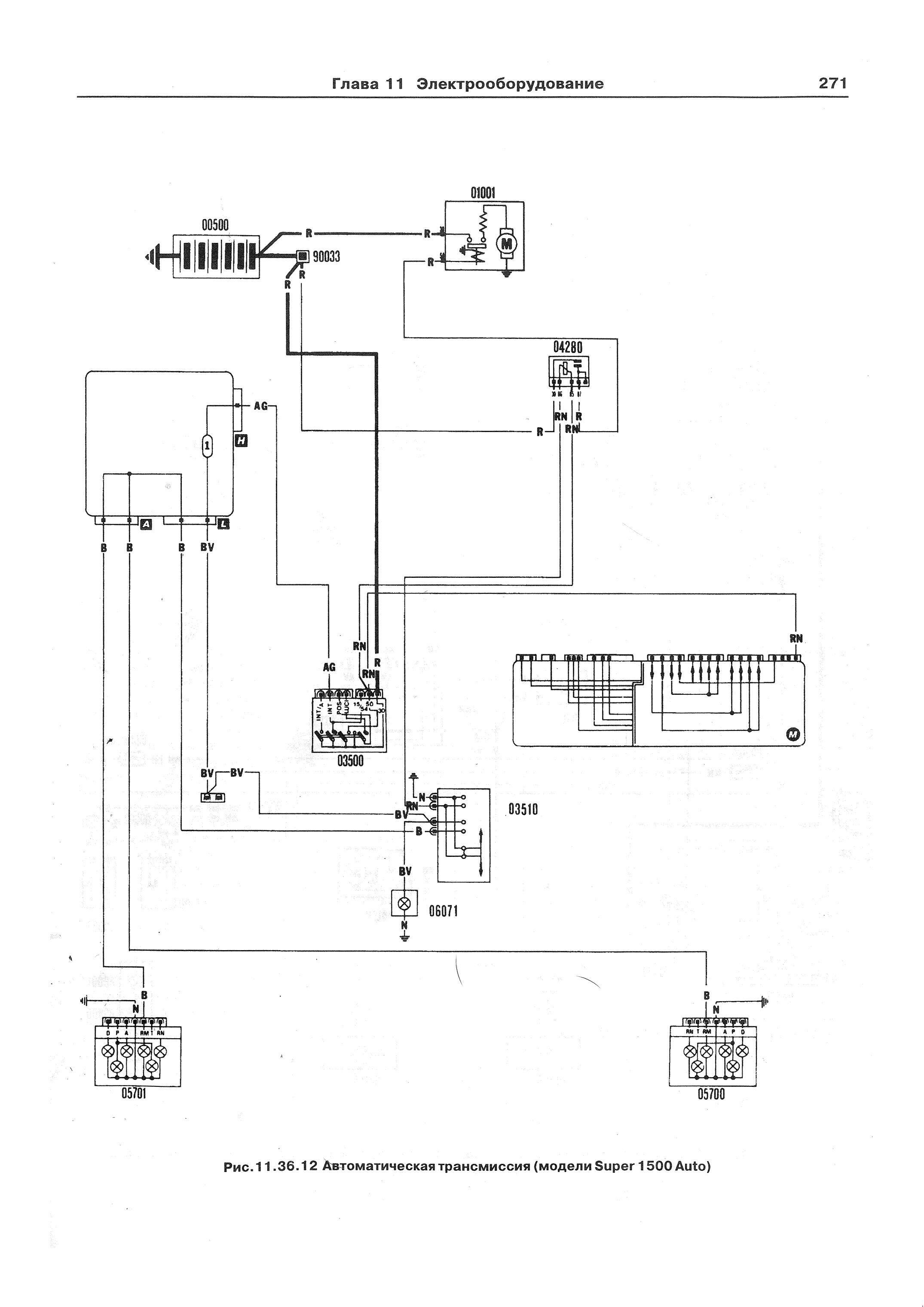
Схема авто-трансмиссии на Фиат Регата

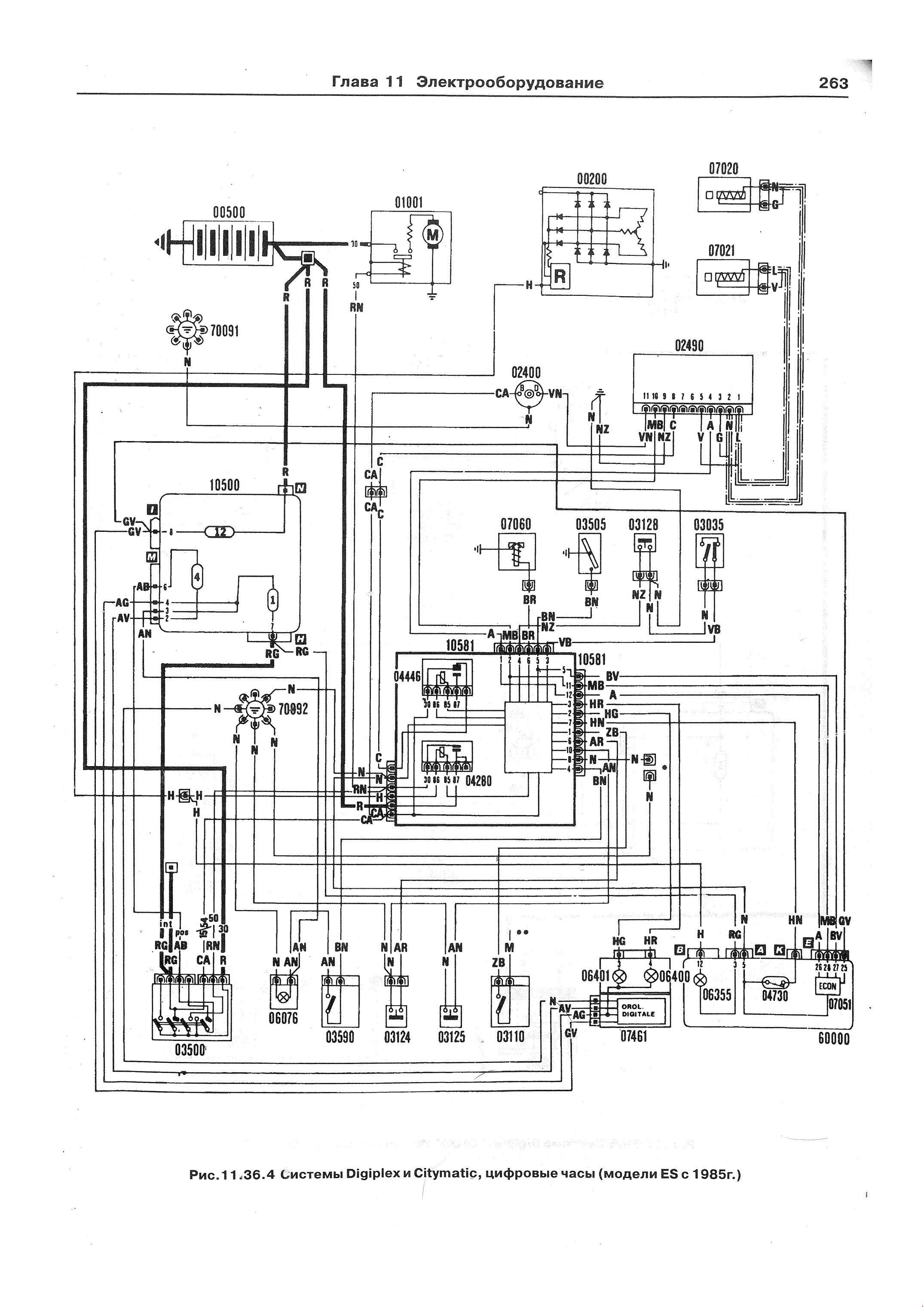
Схема цифровых часов на Фиат Регата

РЕМОНТ АВТОЭЛЕКТРОНИКИ ЗАРЯДНЫЕ УСТРОЙСТВА ДЛЯ АКБ

|