Соединения проводки и электрооборудования двигателя автомобиля форд фокус. Для увеличения схемы кликните по ней. Схема соединения системы управления двигателем:

1 - предохранитель 3 А; 2 - предохранитель 20 А; 3 - реле; 4 - монтажный блок предохранителей и реле; 5, 6 - предохранитель 10 А; 7, 8, 10 - электронный блок управления двигателем и трансмиссией; 9 - диагностический датчик концентрации кислорода; 11 - подогреваемый датчик концентрации кислорода

1 - монтажный блок предохранителей; 2 - предохранитель 20 А; 3 - выключатель (замок) зажигания; 4 - монтажный блок предохранителей и реле; 5 - предохранитель 15 А; 6 - реле топливного насоса; 7 - диагностический разъем; 8 - комбинация приборов; 9 - электронный блок управления двигателем и трансмиссией; 10 - топливный насос; 11 - выключатель подачи топлива

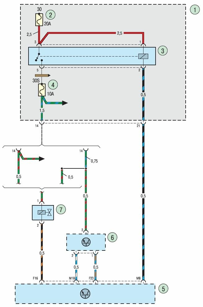
1 - монтажный блок предохранителей и реле; 2 - предохранитель 20 А; 3 - главное реле системы управления двигателем; 4 - предохранитель 10 А; 5 - электронный блок управления двигателем и трансмиссией; 6 - датчик скорости; 7 - клапан продувки адсорбера

1 - монтажный блок предохранителей; 2 - предохранитель 10 А; 3 - датчик давления в системе гидроусилителя рулевого управления; 4, 6 - электронный блок управления трансмиссией; 5 - датчик температуры поступающего воздуха; 7 - электронный модуль управления дроссельной заслонкой

1 - монтажный блок предохранителей; 2 - предохранитель 20 А; 3 - выключатель (замок) зажигания; 4 - монтажный блок предохранителей и реле; 5 - предохранитель 10 А; 6 - датчик положения педали акселератора; 7 - датчик положения педали сцепления; 8 - комбинация приборов; 9 - электронный блок управления двигателем и трансмиссией

1, 3 - электронный блок управления двигателем и трансмиссией; 2 - датчик температуры охлаждающей жидкости; 4 - датчик детонации; 5 - датчик положения коленчатого вала; 6 - датчик положения распределительного вала

1 - монтажный блок предохранителей; 2 - предохранитель 10 А; 3 - модуль катушек зажигания; 4, 6 - электронный блок управления двигателем и трансмиссией; 5 - датчик детонации; 7 - датчик положения коленчатого вала; 8 - датчик положения распределительного вала.
РЕМОНТ АВТОЭЛЕКТРОНИКИ ЗАРЯДНЫЕ УСТРОЙСТВА ДЛЯ АКБ

|