Качественные цветные электросхемы автомобиля Мазда-6 на русском языке. Предназначены для поиска неисправностей и ремонта авто. Система электрооборудования имеет напряжение 12 Вольт с отрицательным заземлением. Увеличить схему можно кликнув по ней и развернув на весь экран с помощью значка сверху. Начало сборника схем Мазда-6 тут. Приведены схемы для новых моделей с 2008 г выпуска. В подписи к схемам указаны наименования элементов и контакты соответствующих разъёмов модулей.
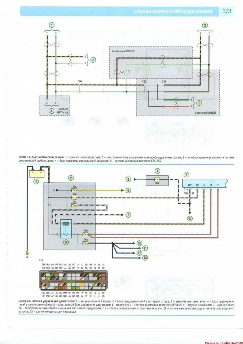
Схемы электрооборудования автомобиля Мазда 6 - диагностический разъём


Схема системы управления двигателем автомобиля Мазда 6






Электросхема системы управления двигателем и генератор автомобиля

Система пуска двигателя MAZDA 6 с 2008г

Система охлаждения двигателя - принципиальная электросхема

Схема питания и управления АКПП Мазда-6




РЕМОНТ АВТОЭЛЕКТРОНИКИ ЗАРЯДНЫЕ УСТРОЙСТВА ДЛЯ АКБ

|