В данной статье приводится полная электрическая схема джипа Mitsubishi Pajero. Вы можете посмотреть её бесплатно и без регистрации. Приведены все основные узлы автомобиля Mitsubishi Pajero - блок заряда аккумулятора, карбюратора, блок круиз-контроля, фары основные и вспомогательные и т.д. Для удобства просмотра показаны уменьшенные копии фрагментов электросхем, чтоб увеличить во весь экран - кликните по ним. Обратите внимание, что это первая часть сборника принципиальных схем электрооборудования Митсубиси Паджеро. Продолжение смотрите тут.
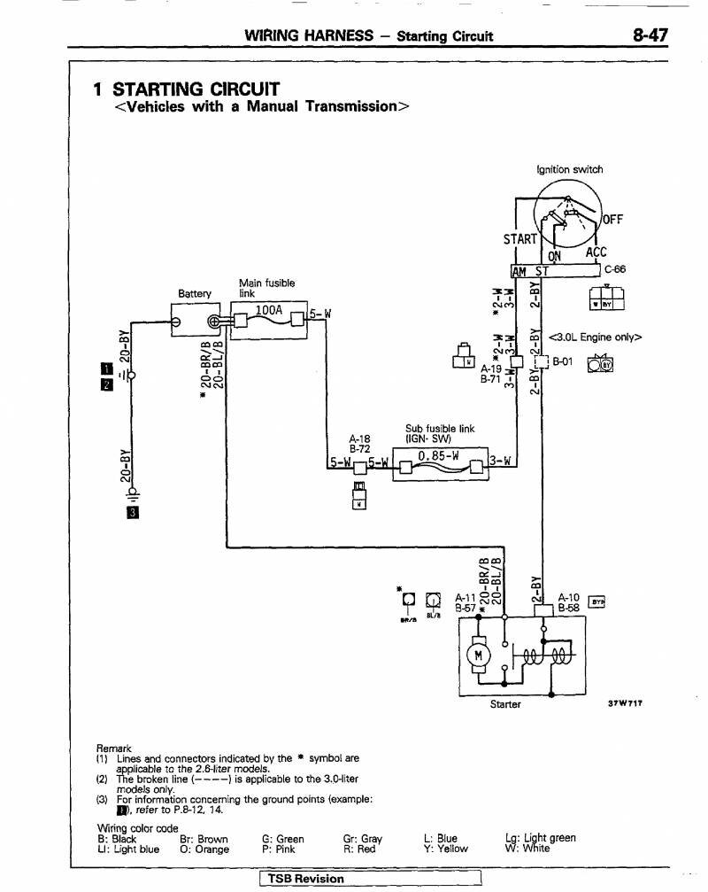
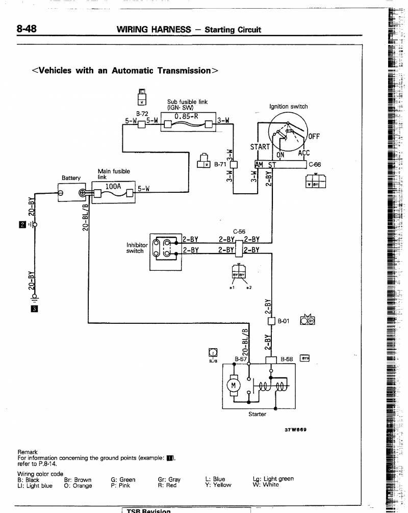
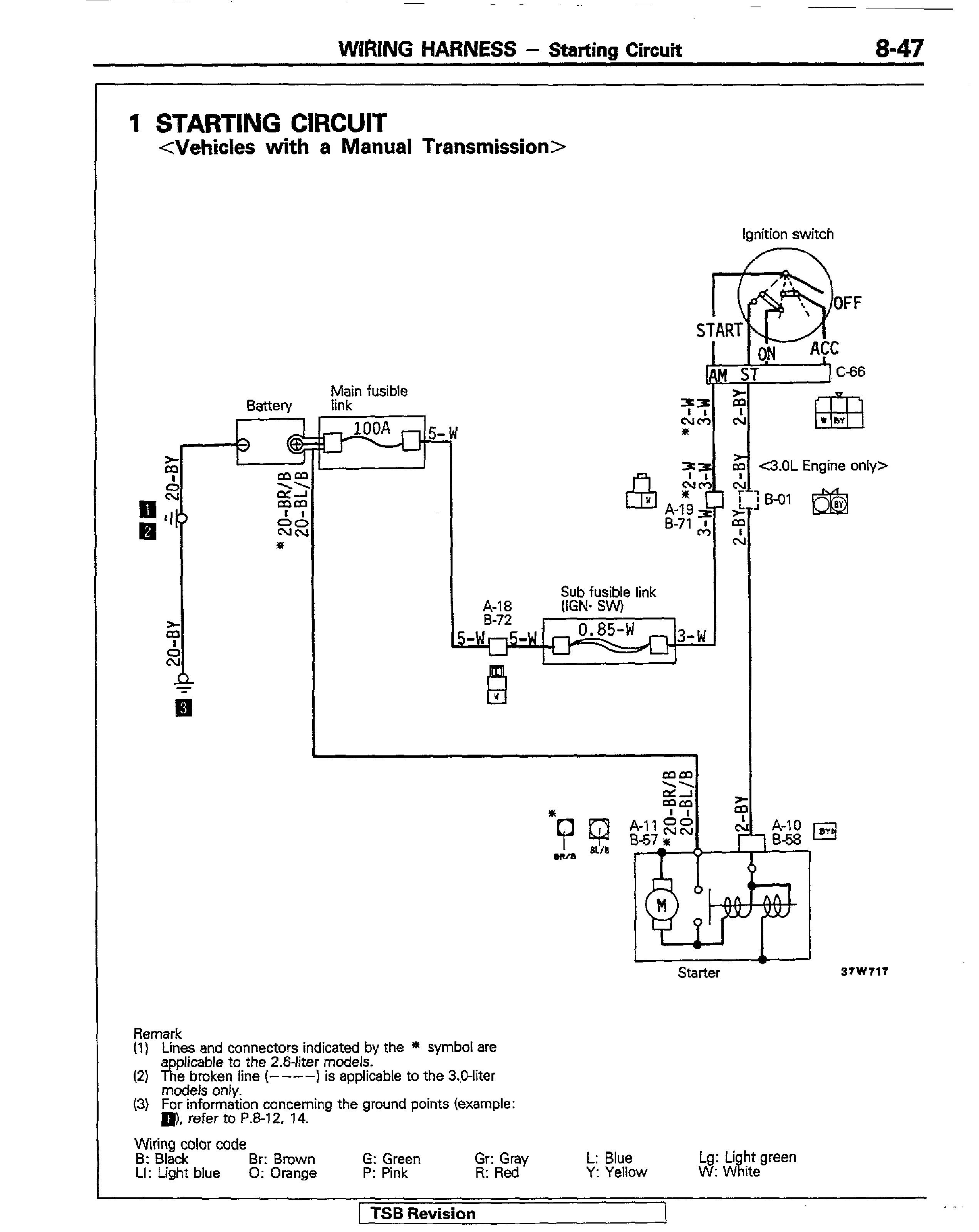
Схема включения стартера Mitsubishi Pajero


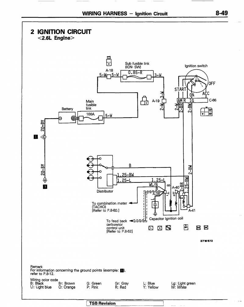
Цепи зажигания - высокого напряжения

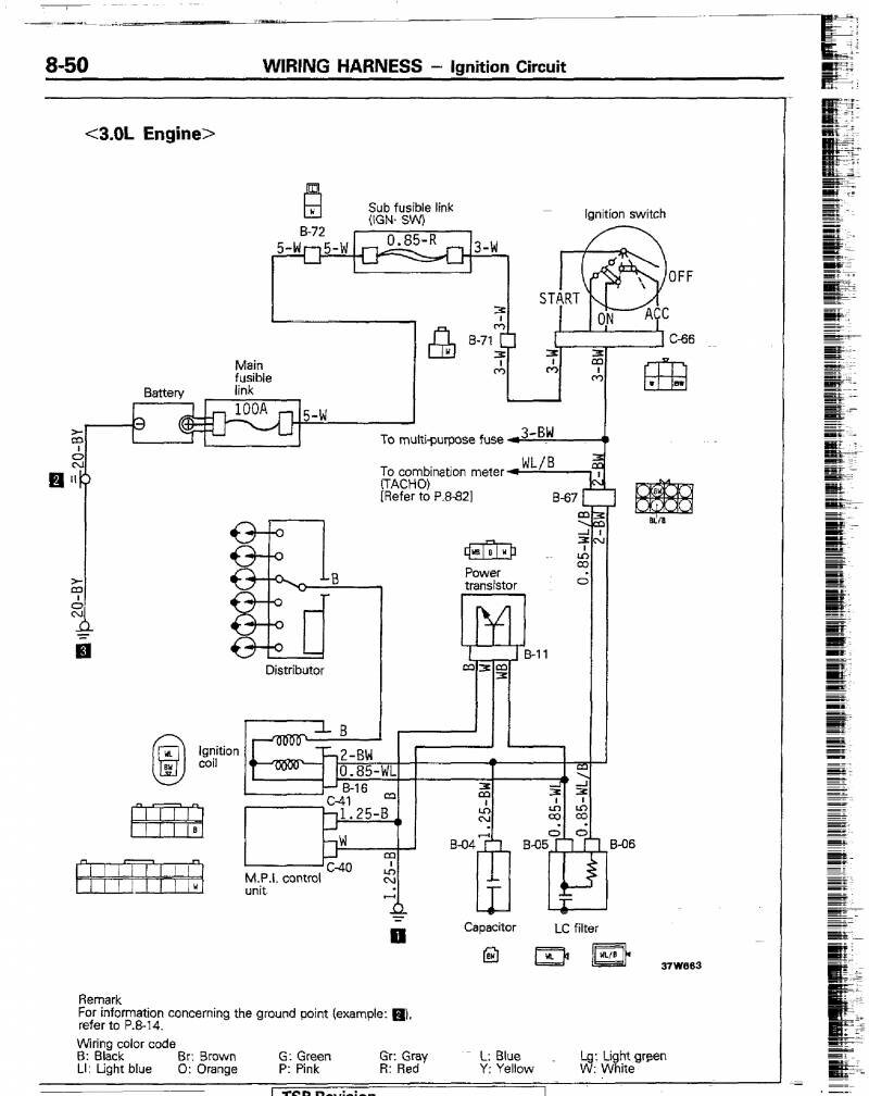
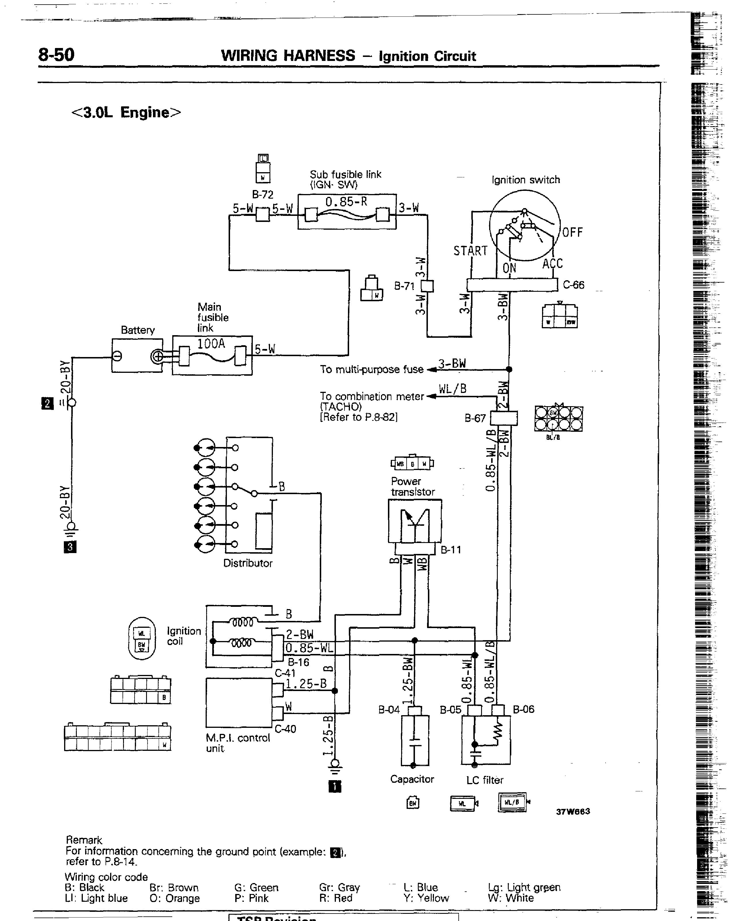
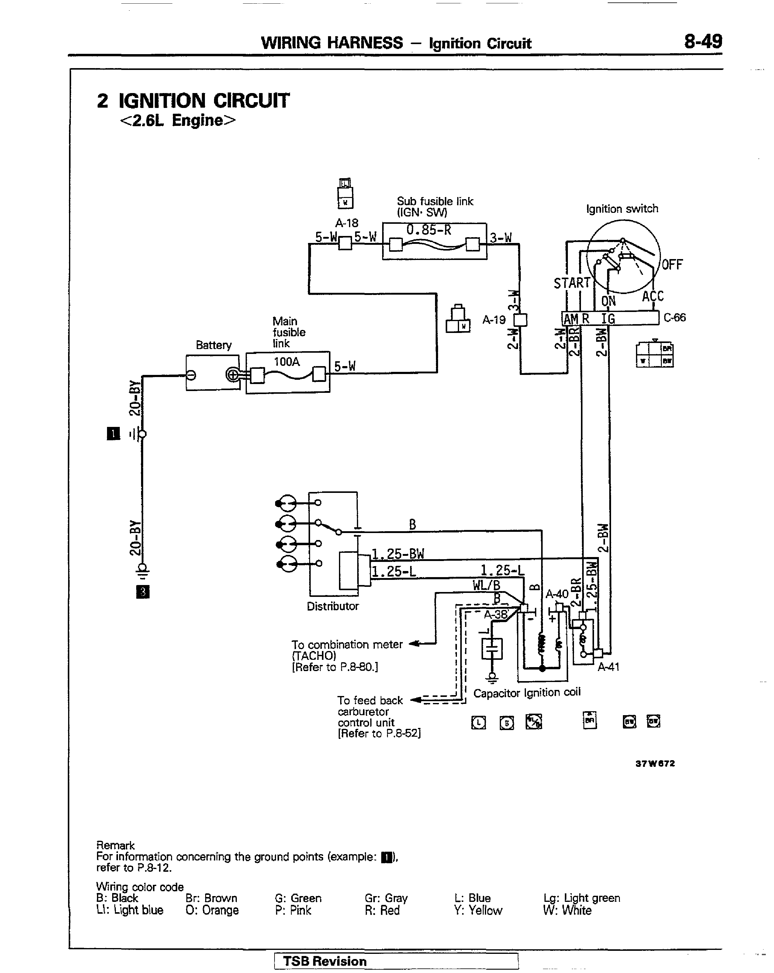
Цепи зажигания для двигателя 3.0

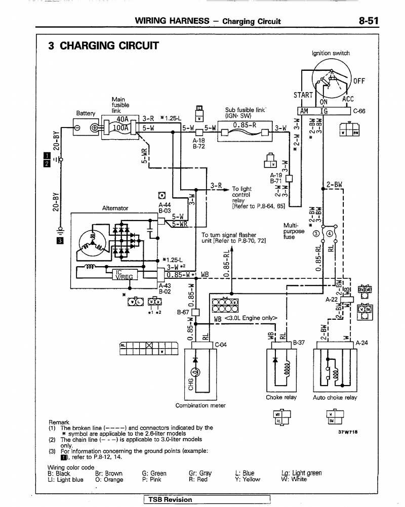
Блок заряда АКБ 12В Mitsubishi

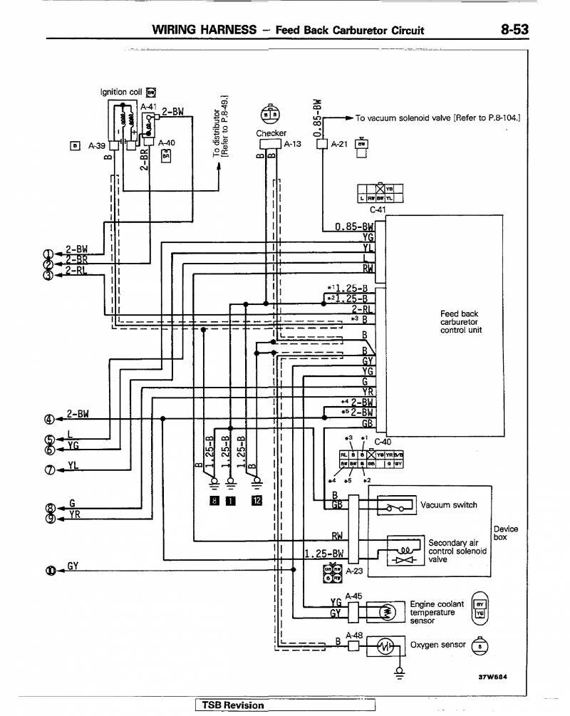
Принципиальная схема карбюраторного блока

Принципиальная схема карбюраторного блока - продолжение

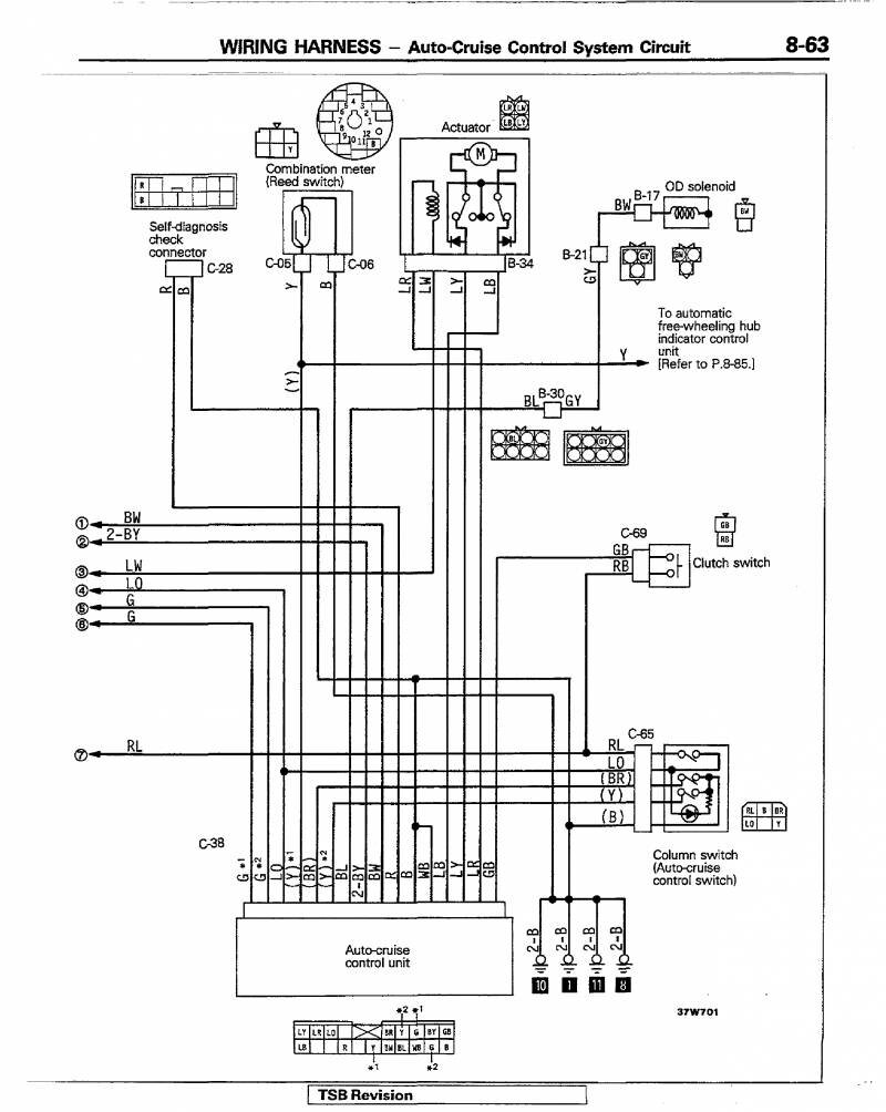
Схема авто круиз контроля Митсубиси Паджеро


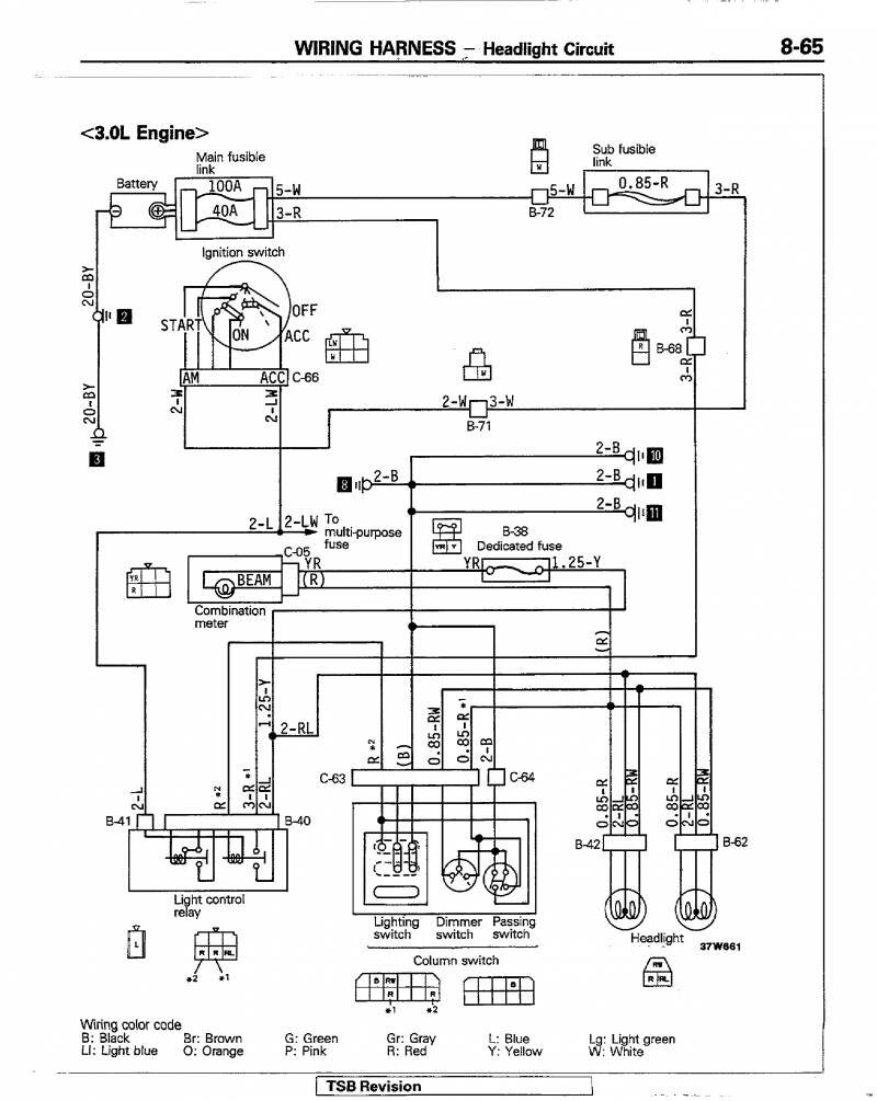
Электросхема головных фар авто

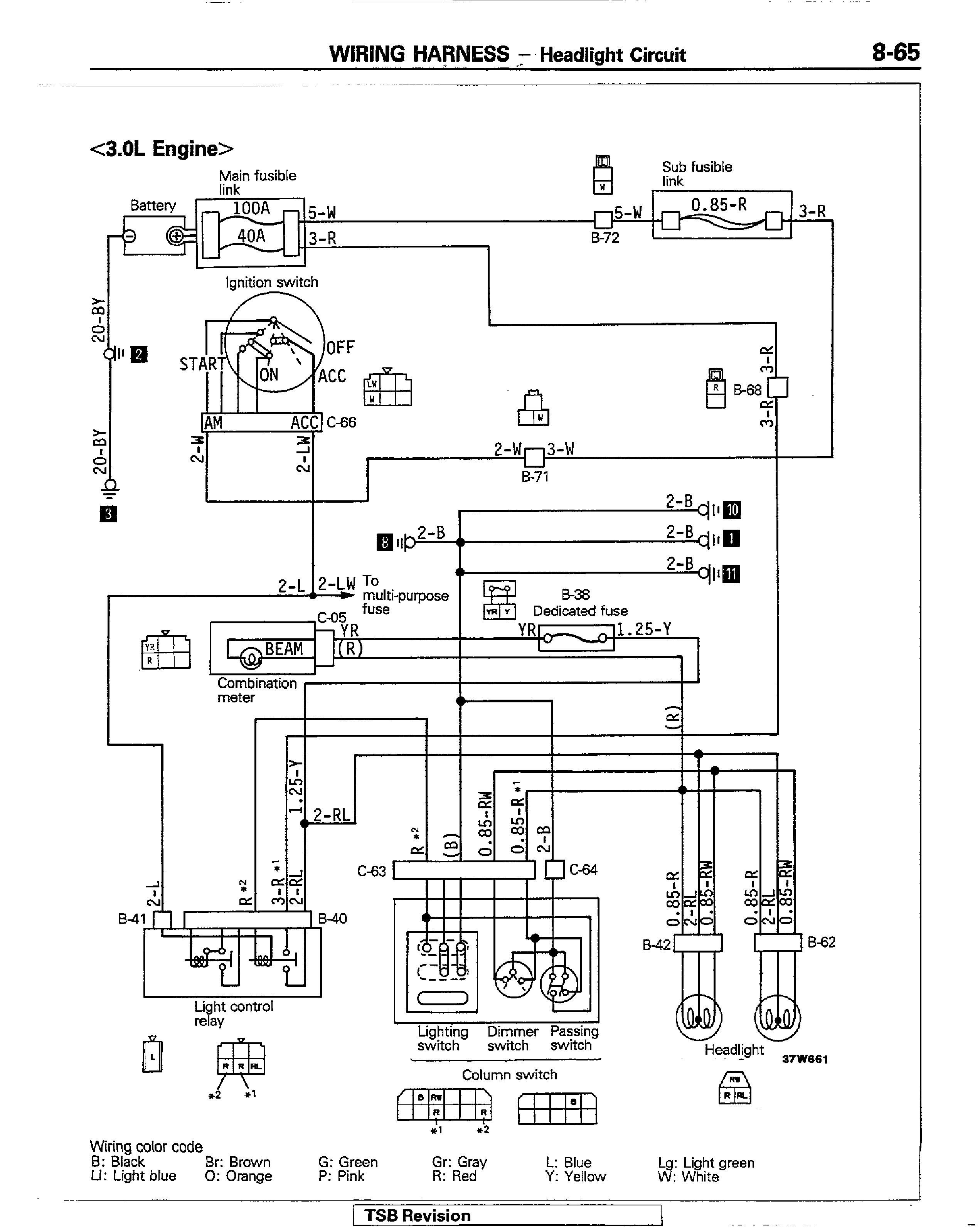
Электросхема головных фар авто с двигателем 3.0

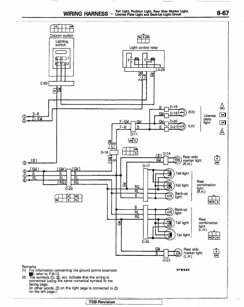
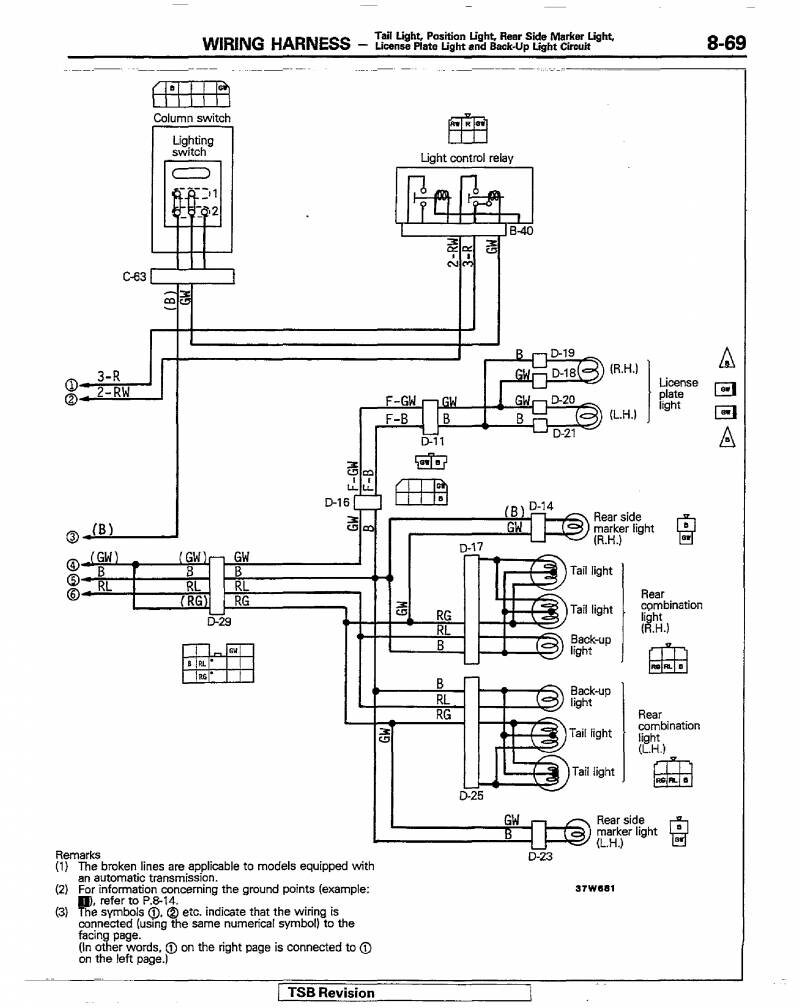
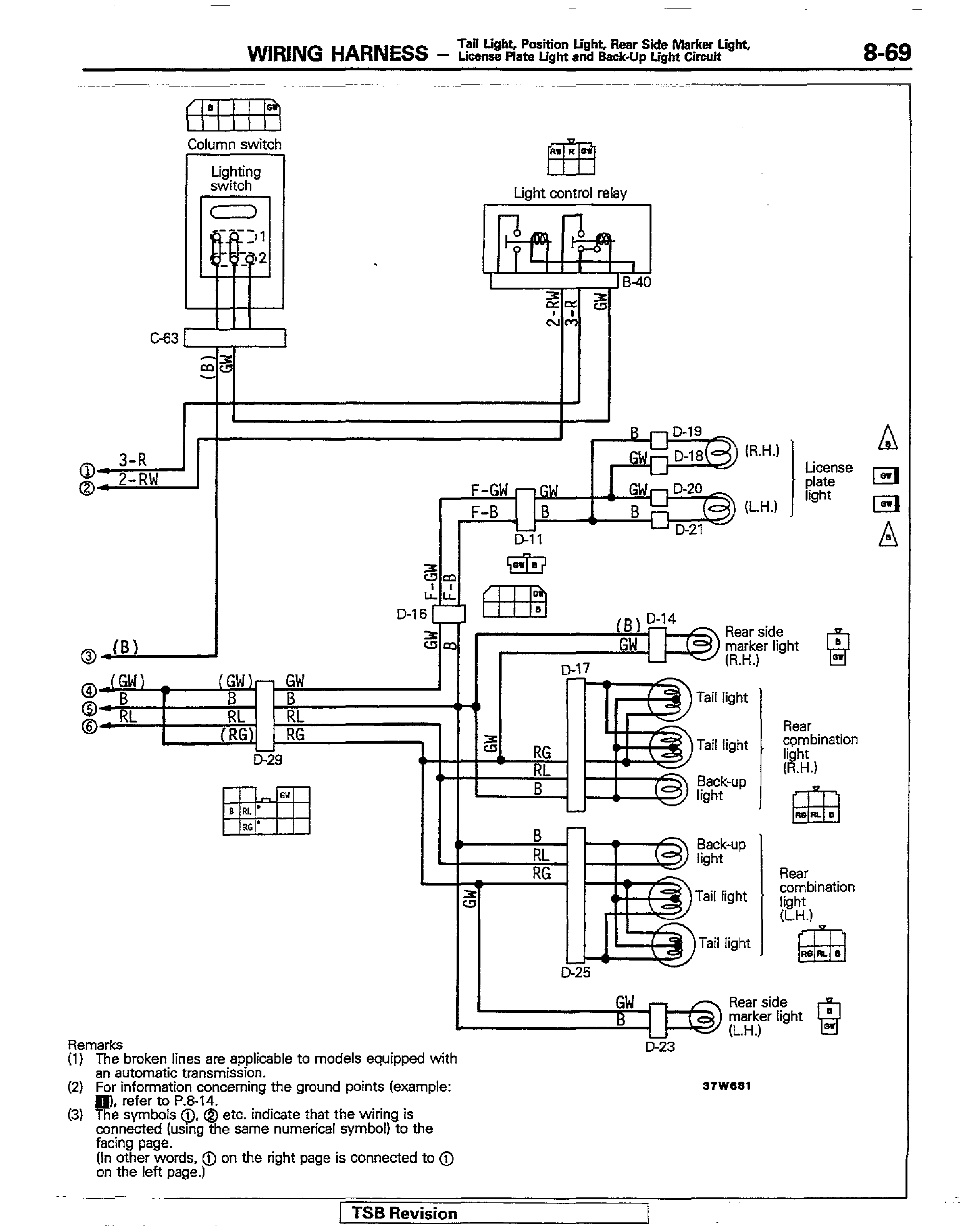
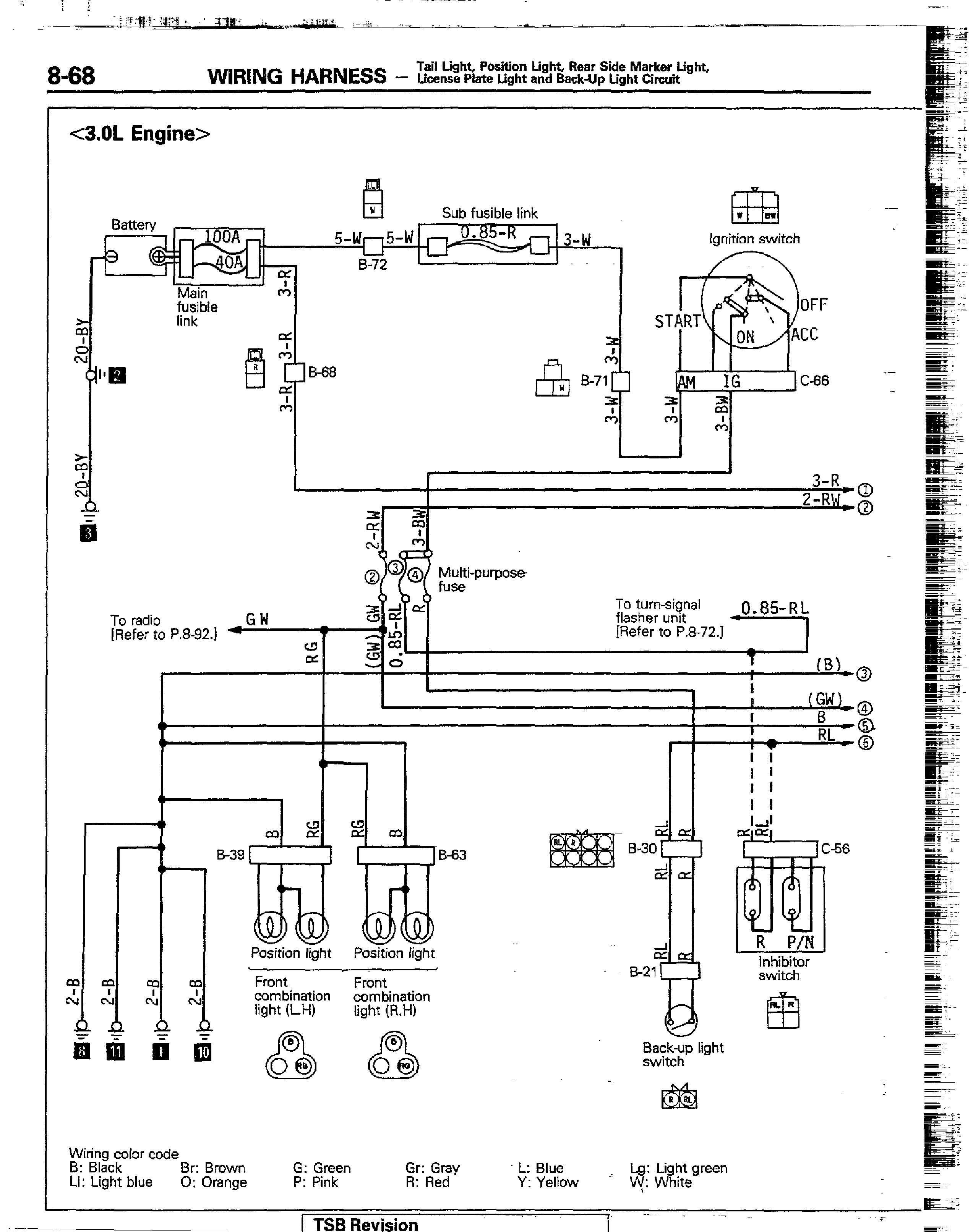
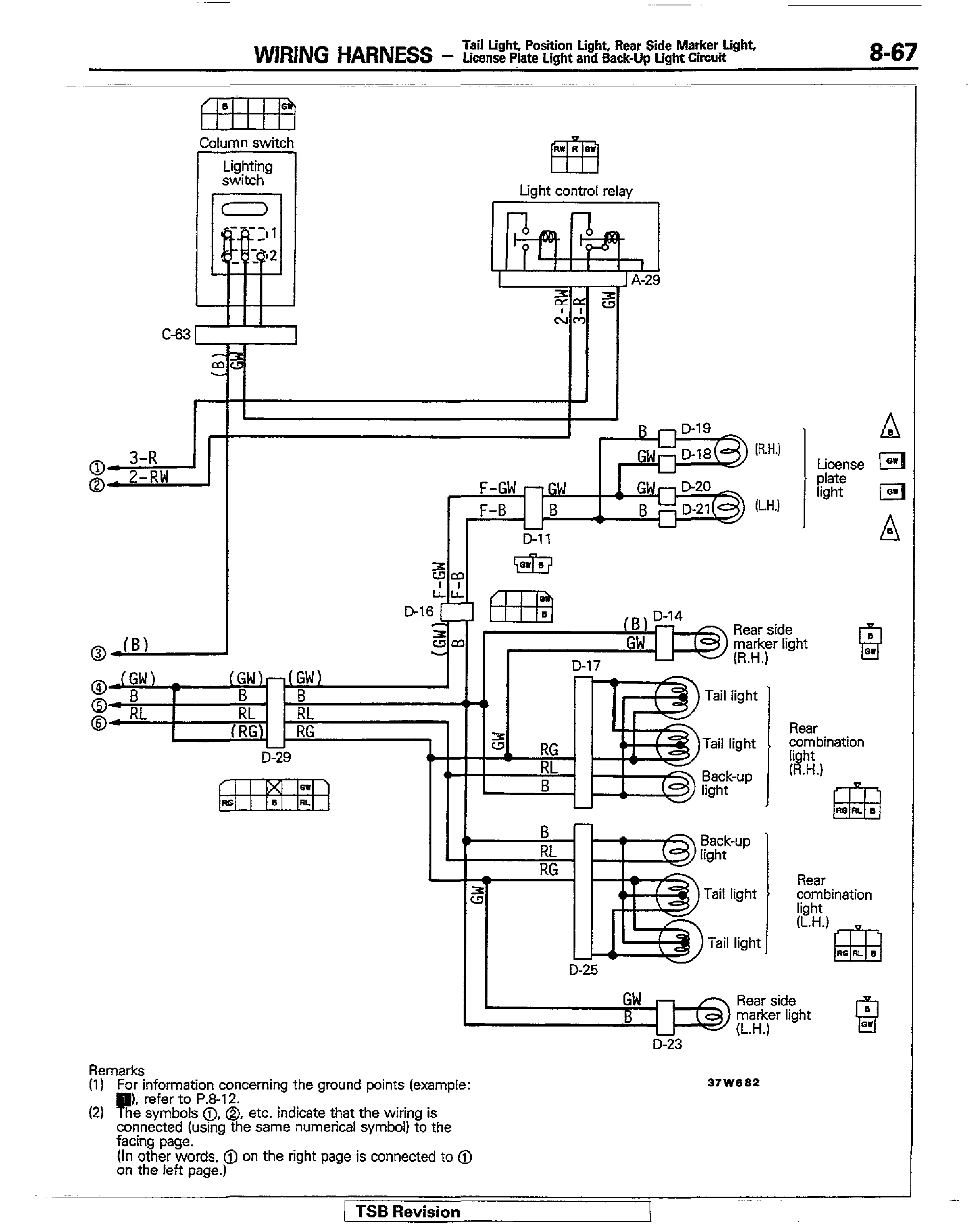
Подключение фар и подсветок, в том числе габаритов Митсубиши Паджеро


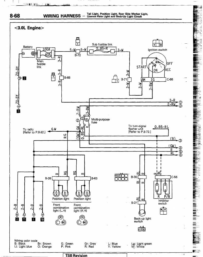
То-же для авто с двигателем 3.0 куба


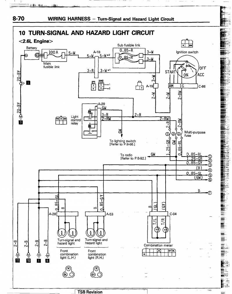
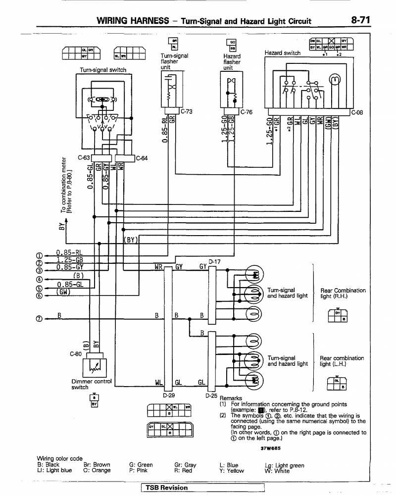
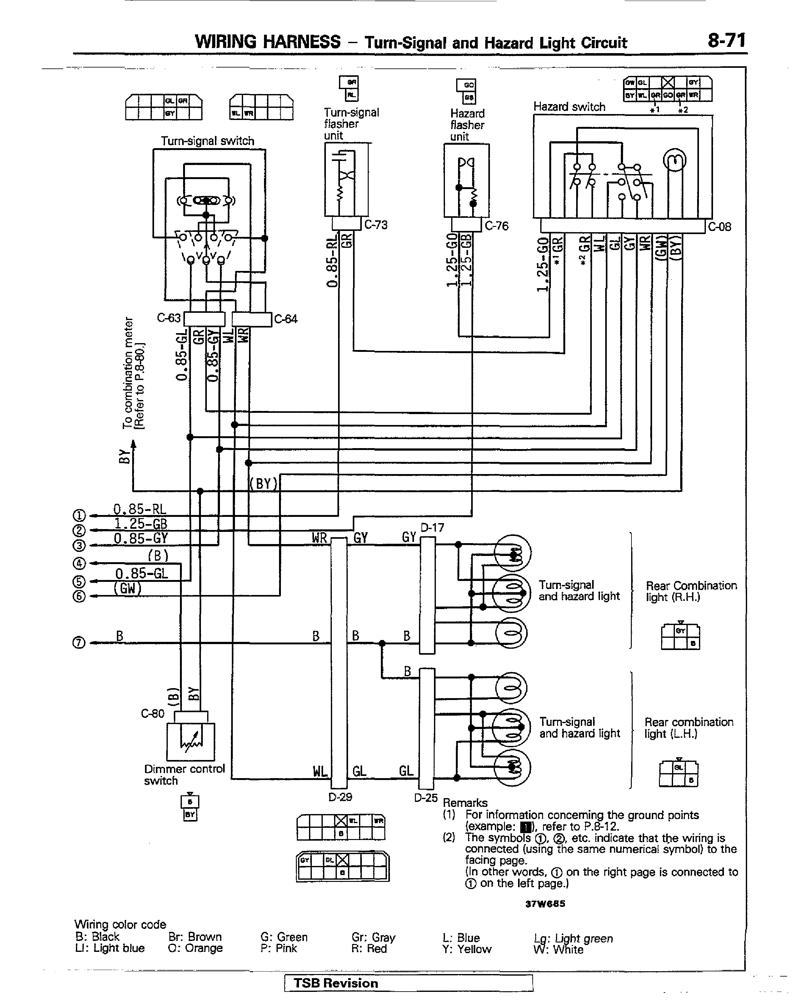
Схема поворотников и ламп аварийных огней Mitsubishi Pajero


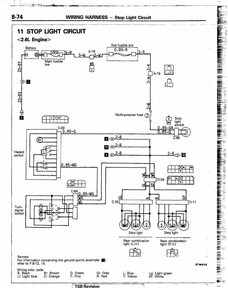
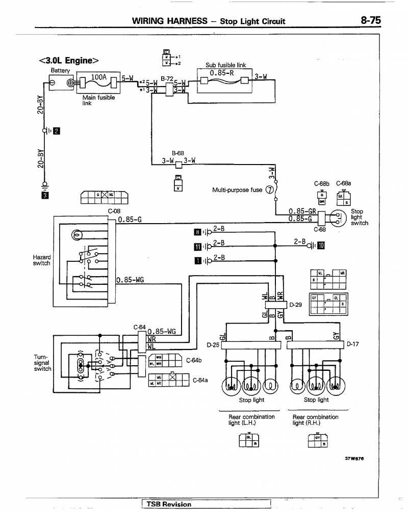
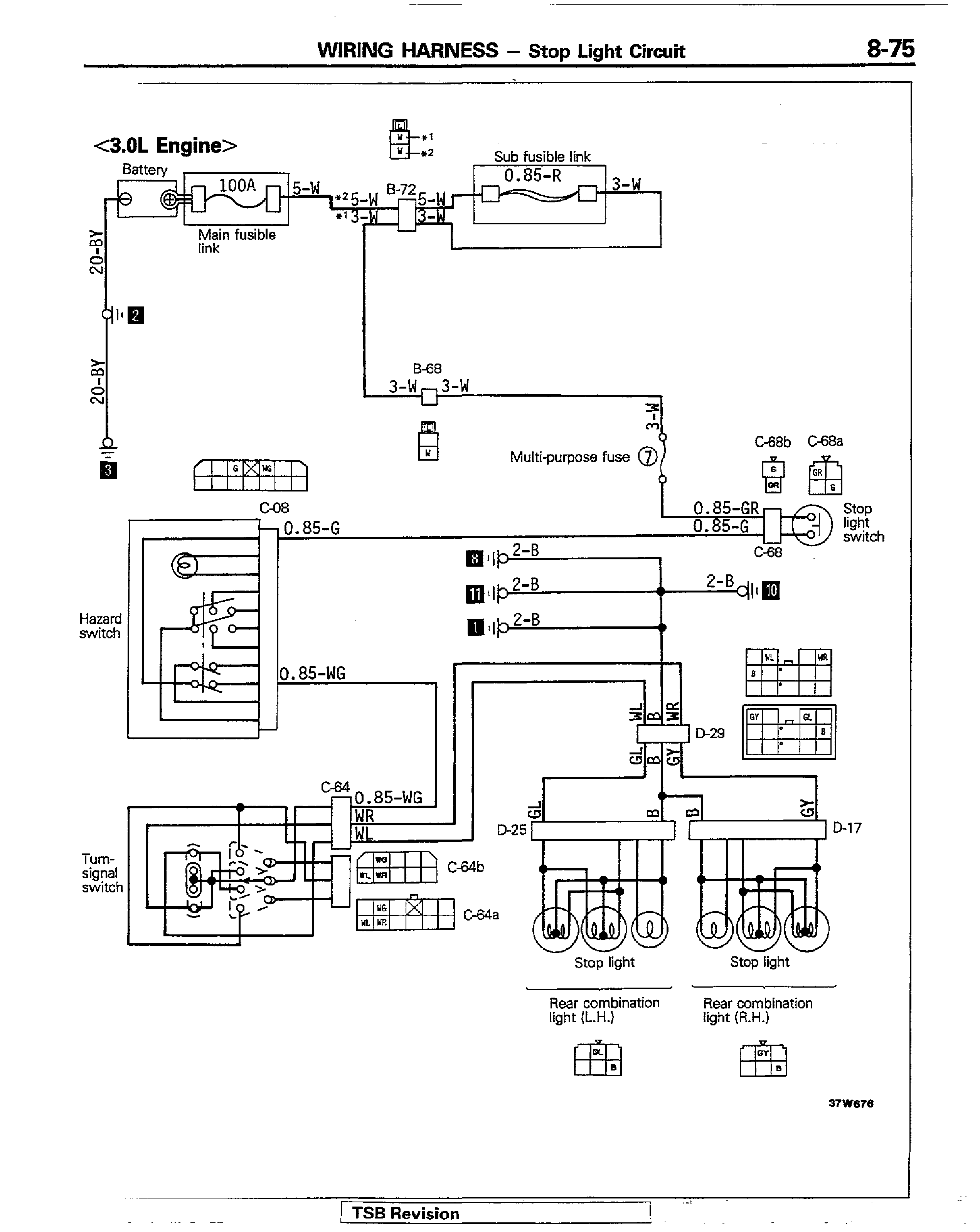
Эл.схема стоп-сигналов джипа


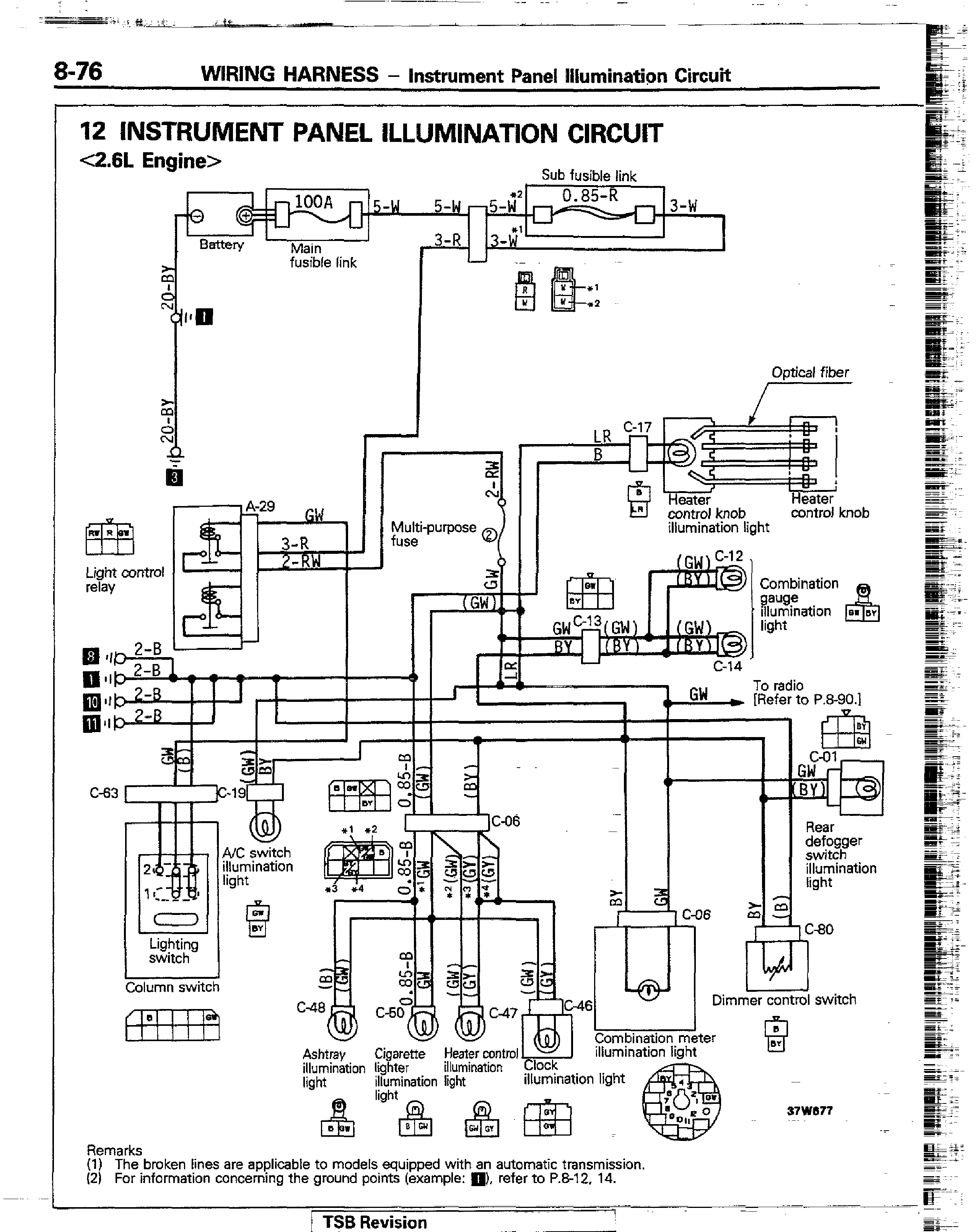
Подсветка приборной панели автомобиля 2.6

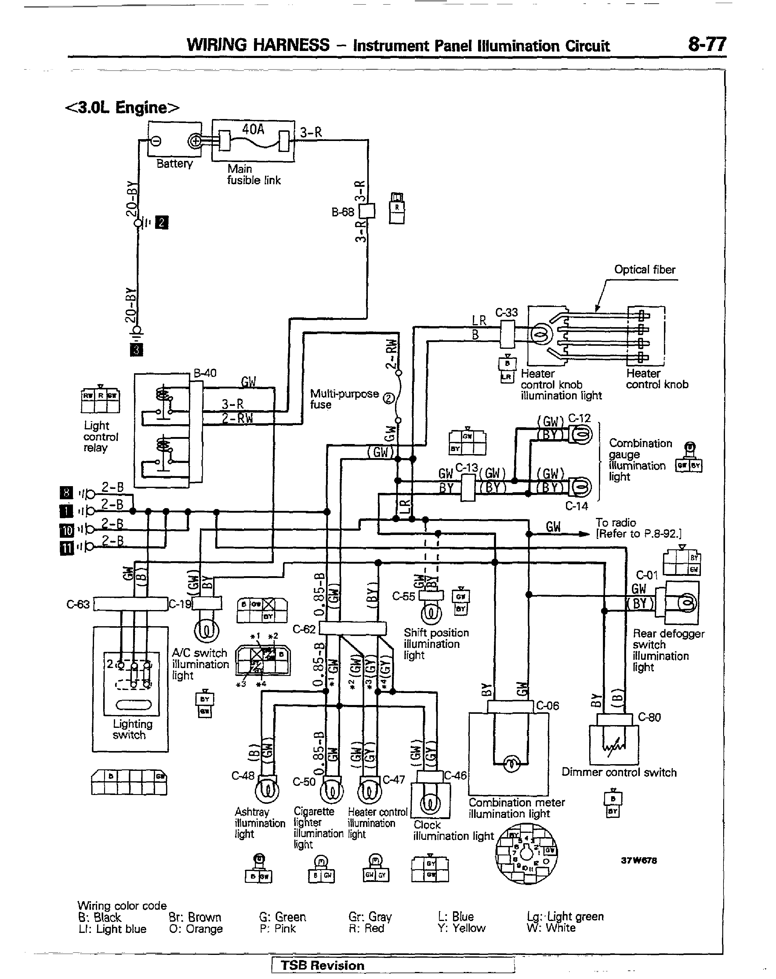
Подсветка приборной панели автомобиля 3.0

РЕМОНТ АВТОЭЛЕКТРОНИКИ ЗАРЯДНЫЕ УСТРОЙСТВА ДЛЯ АКБ

|