Электрические схемы внедорожника Мицубиси Аутлендер - вторая часть. Схемы в высоком качестве и на русском языке. Рассмотреть нужный фрагмент можно кликнув на кртинке и увеличив её, нажав на значок над изображением. Под каждой схемой приводится цоколёвка разъёмов соединителей данного модуля. Первая часть схем электрооборудования Mitsubishi Outlander. Сборник предназначен для самостоятельного поиска и устранения неисправностей с электроникой и проводкой джипа.
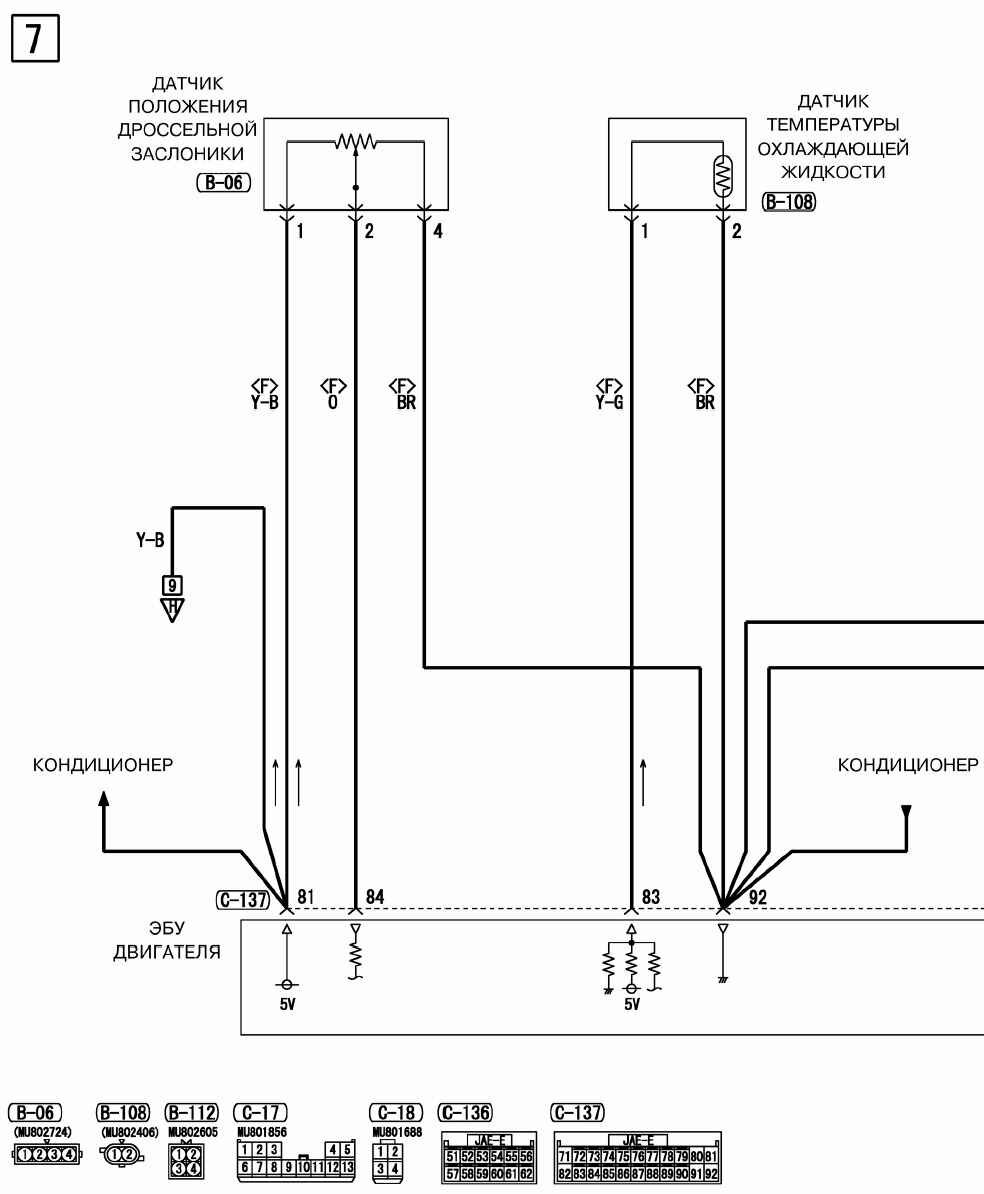
Схема датчиков дроссельной заслонки и температуры охлаждающей жидкости

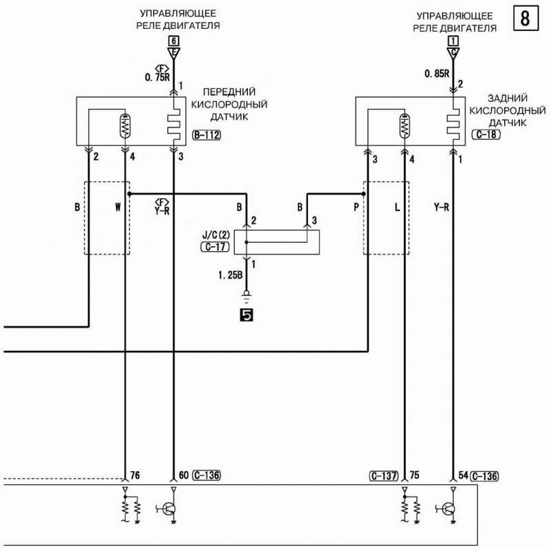
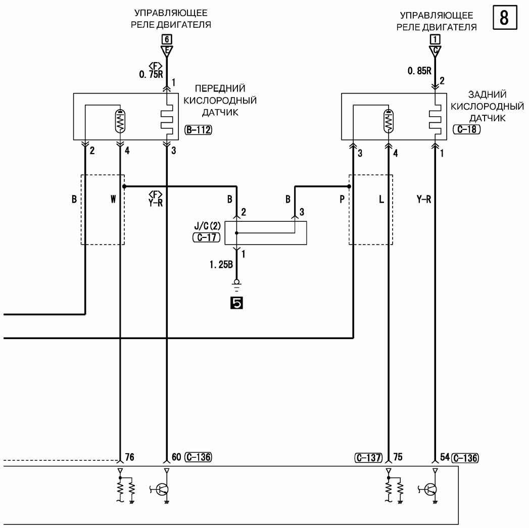
Схемы переднего и заднего кислородного датчика авто

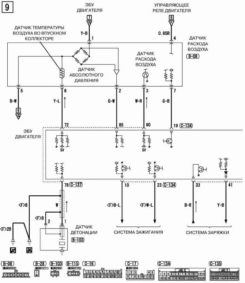
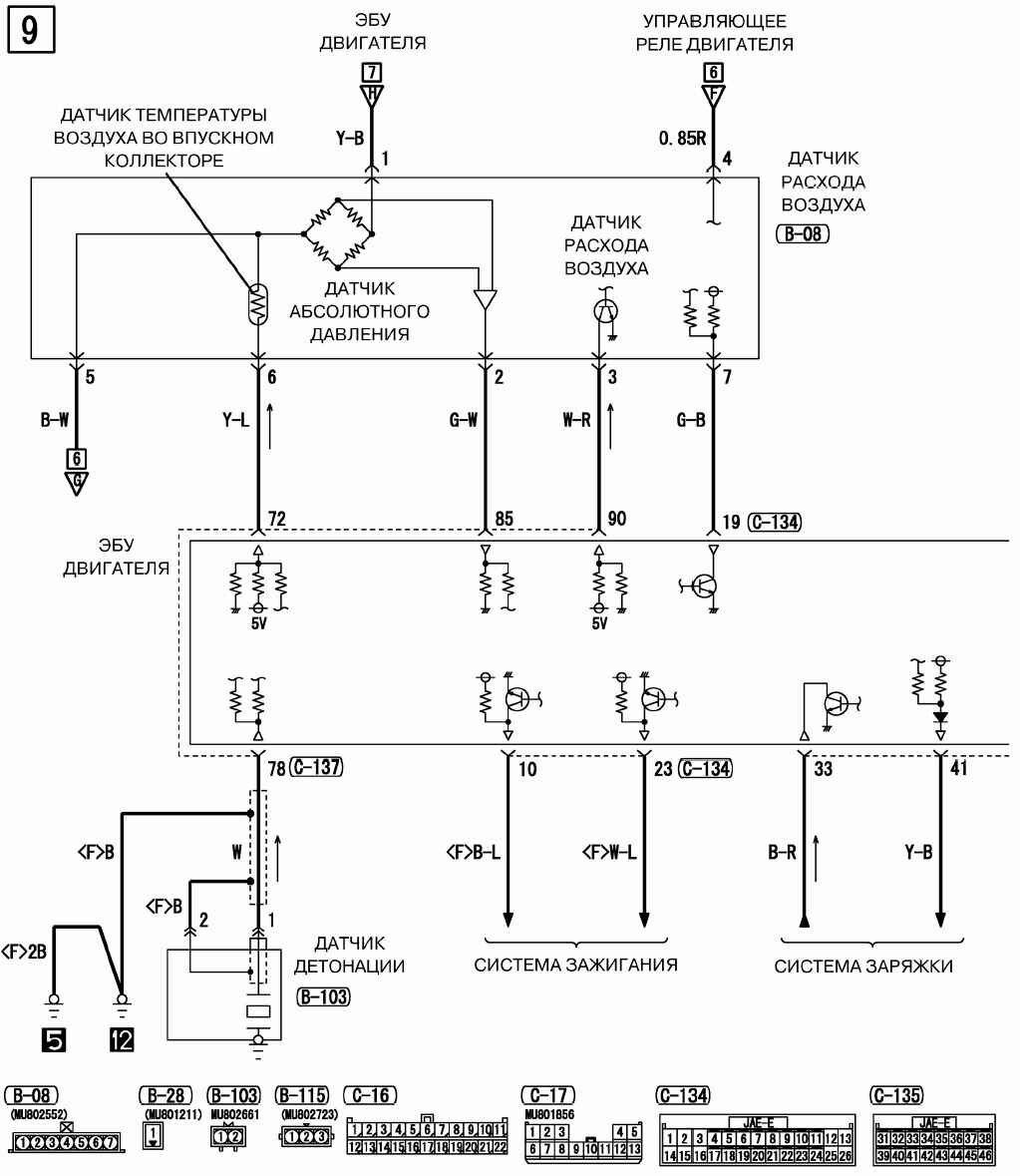
ЭБУ двигателя, датчик давления и расхода воздуха Мицубиси Аутлендер

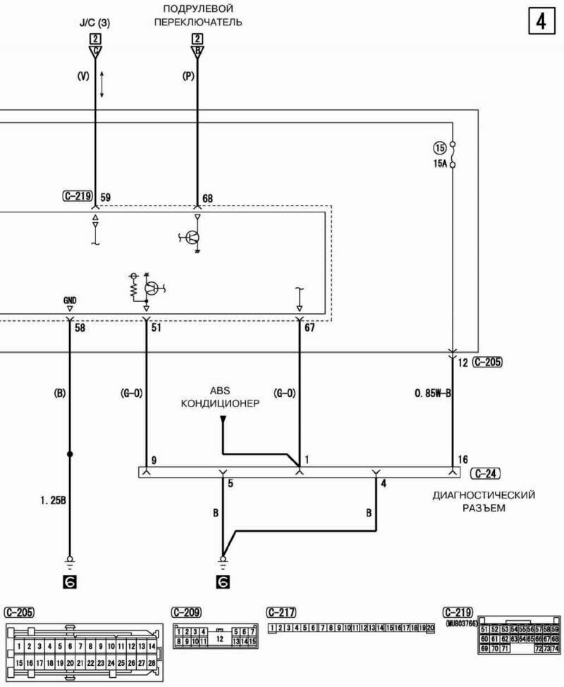
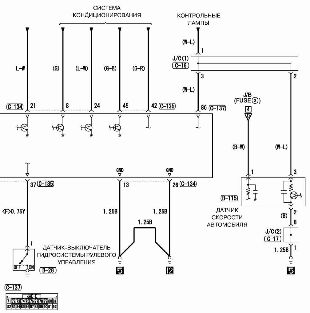
Датчик выключатель гидросистемы рулевого управления и скорости

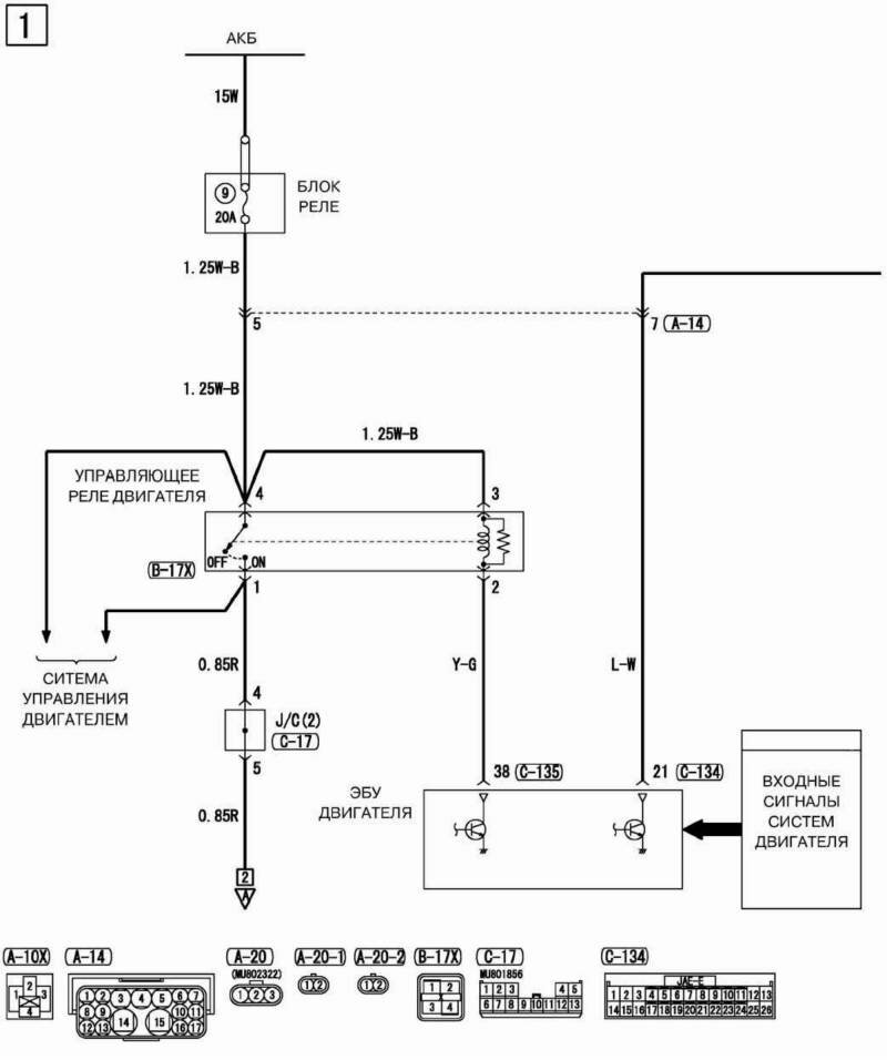
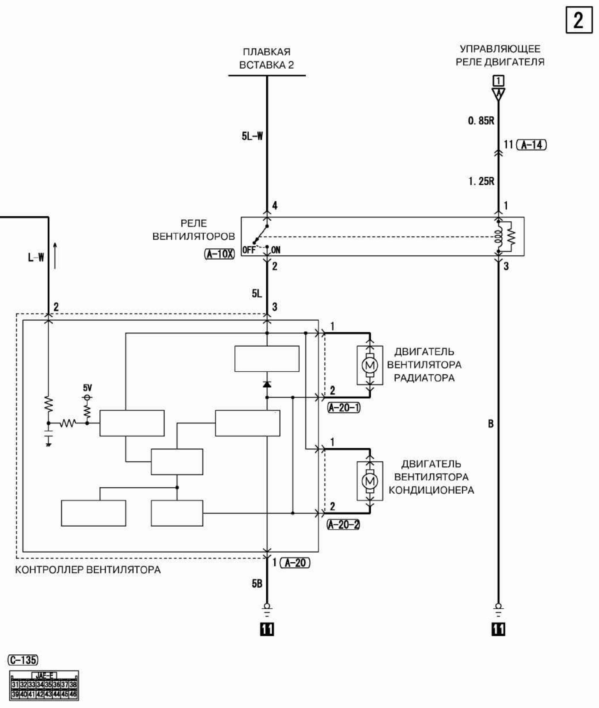
Электрооборудование Мицубиси Аутлендер - управляющая система и реле двигателя

Двигатели вентилятора и кондиционера авто

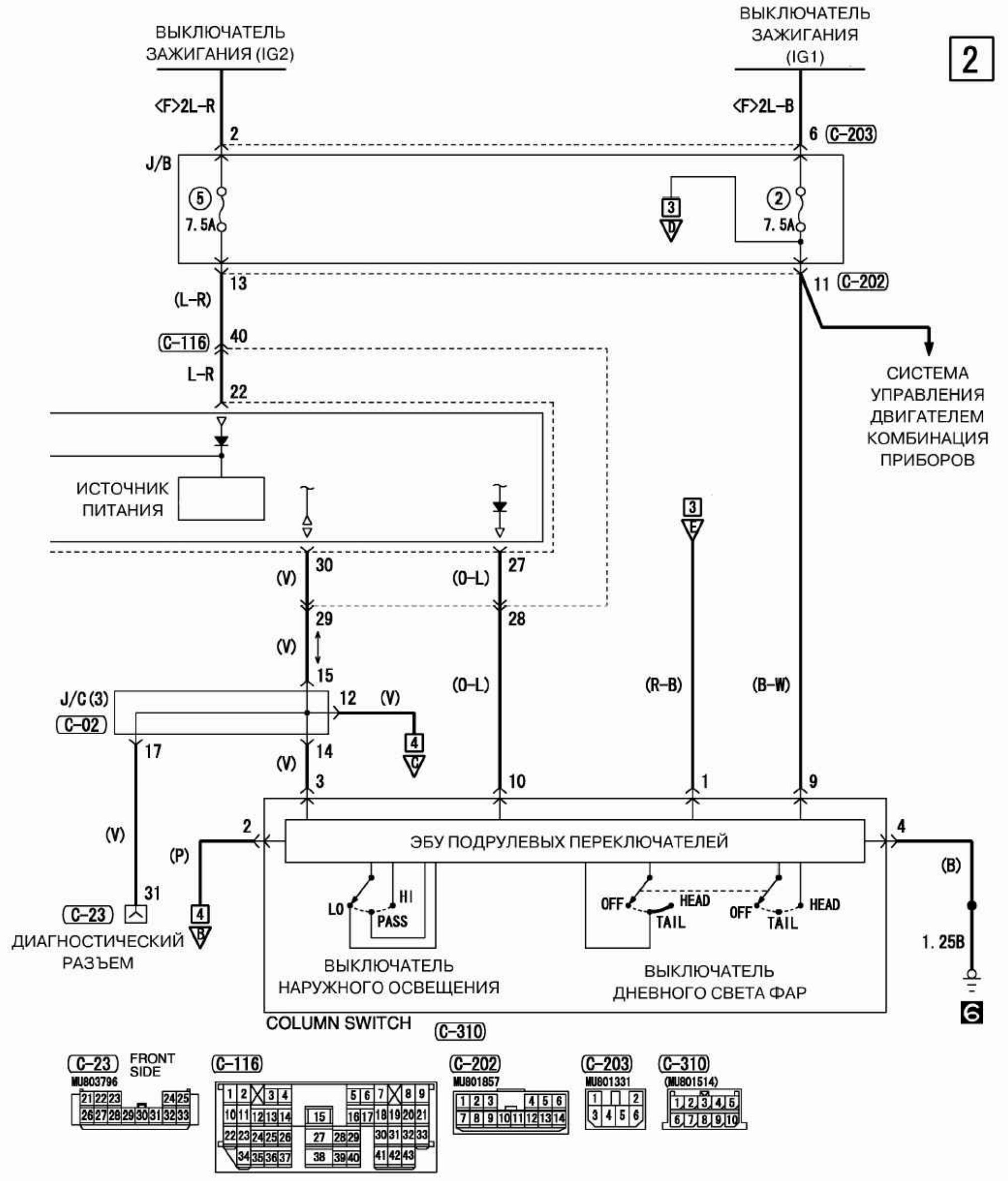
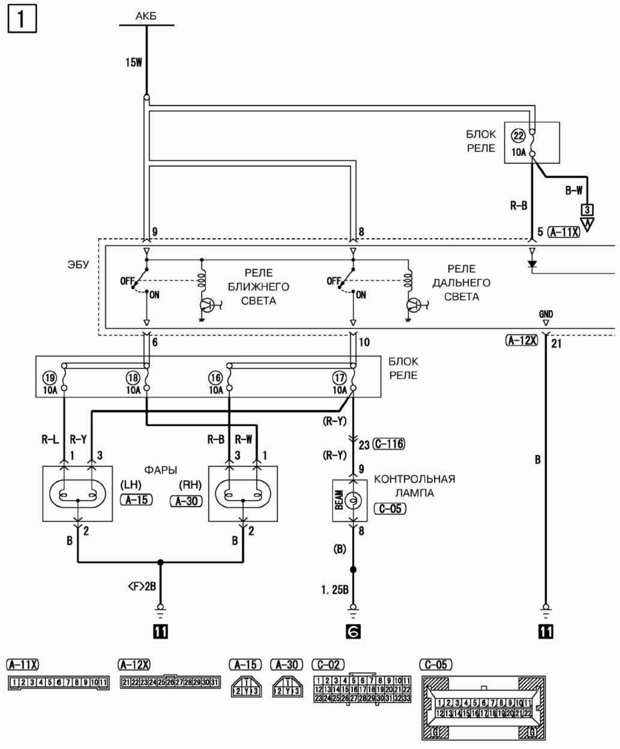
Схема подключения фар с реле дальнего и ближнего света

Выключатели наружного освещения и дневных фар

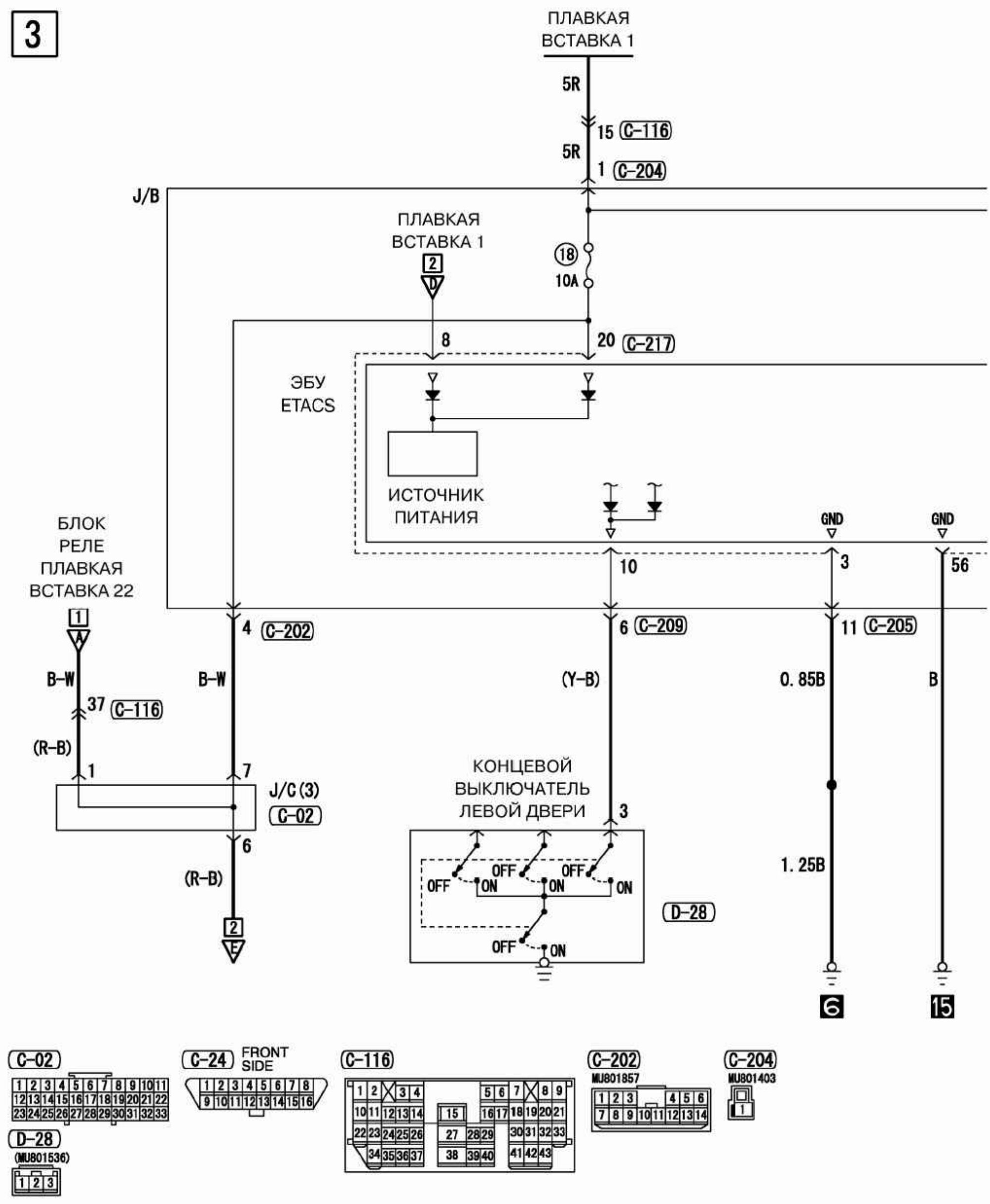
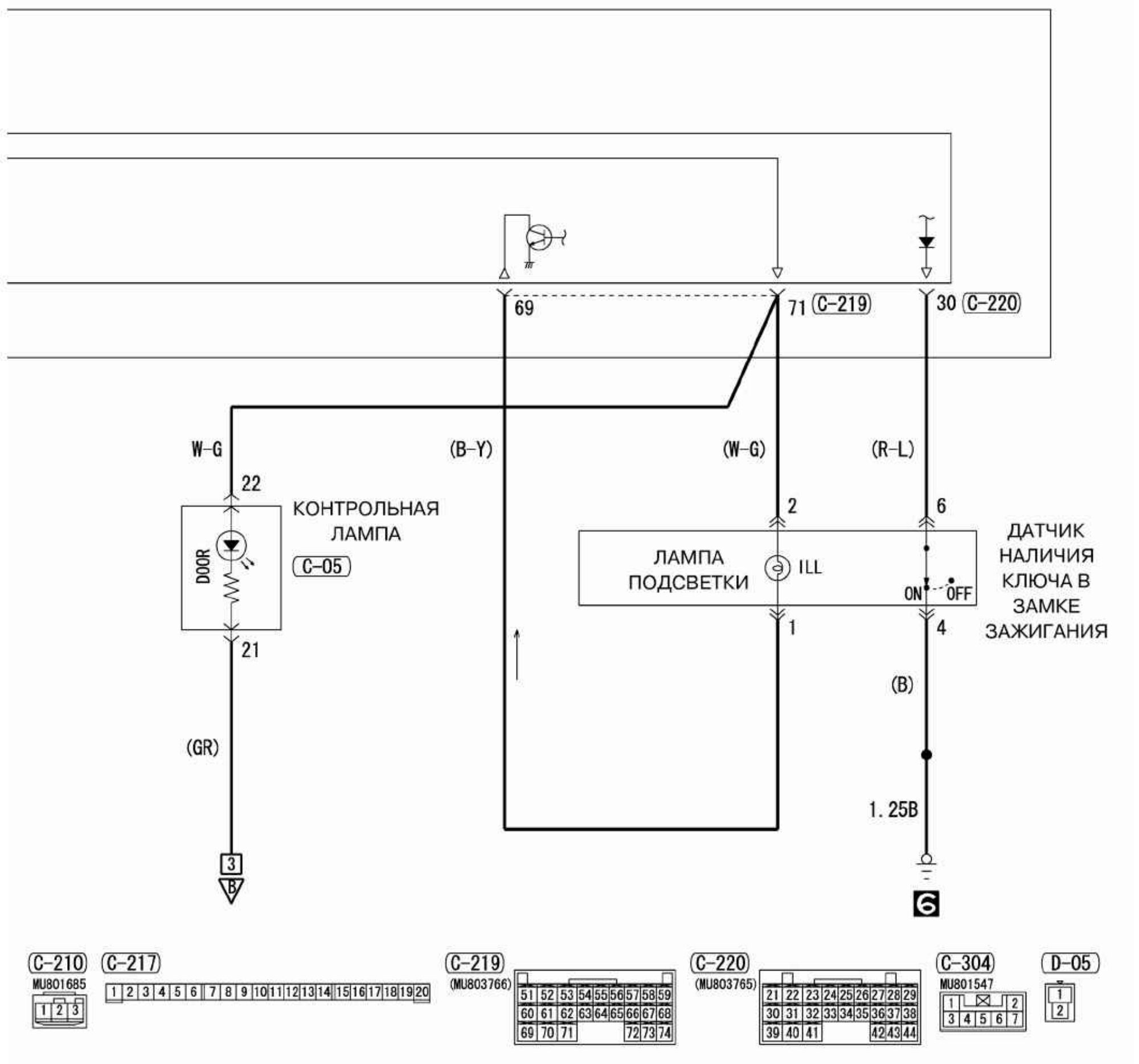
Схема концевого выключателя двери Mitsubishi Outlander


Электросхема переднего фонаря внедорожника Аутлэндер

Контрольная лампа и лампа подсветки - схемы

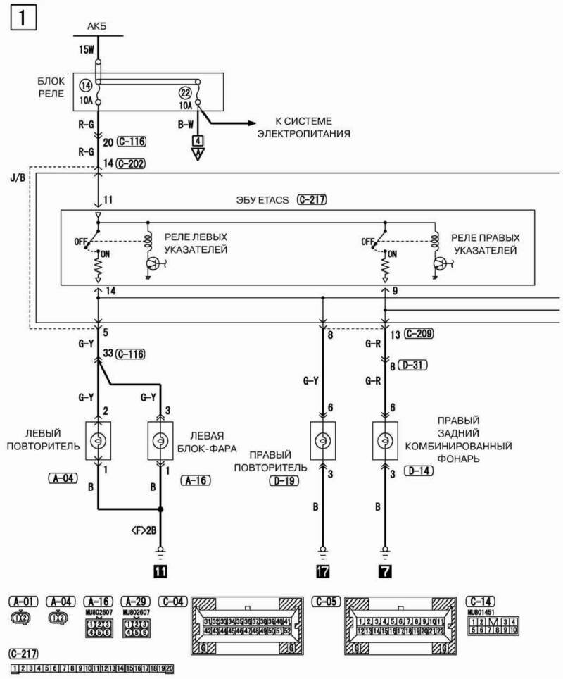
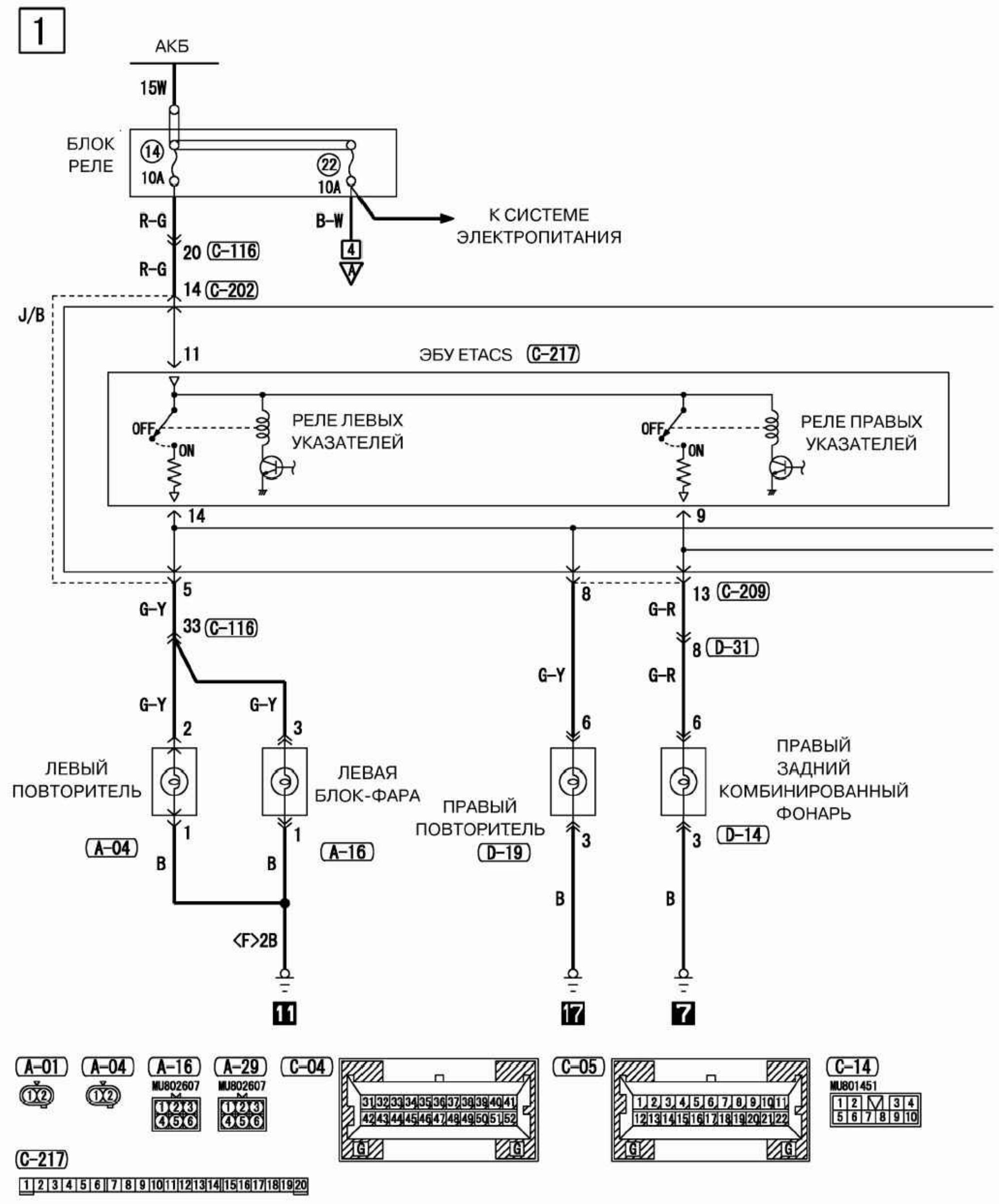
Реле указателей поворота авто

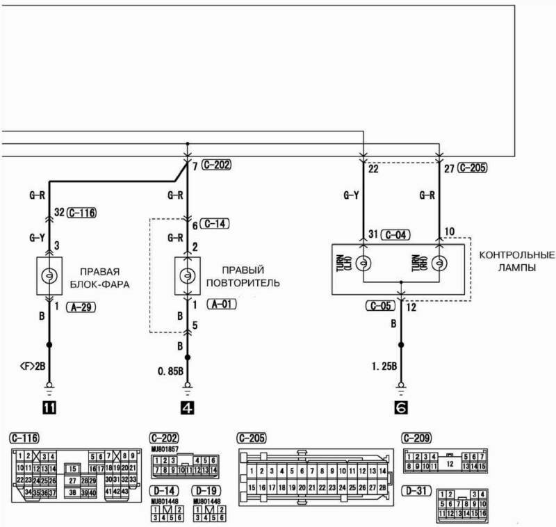
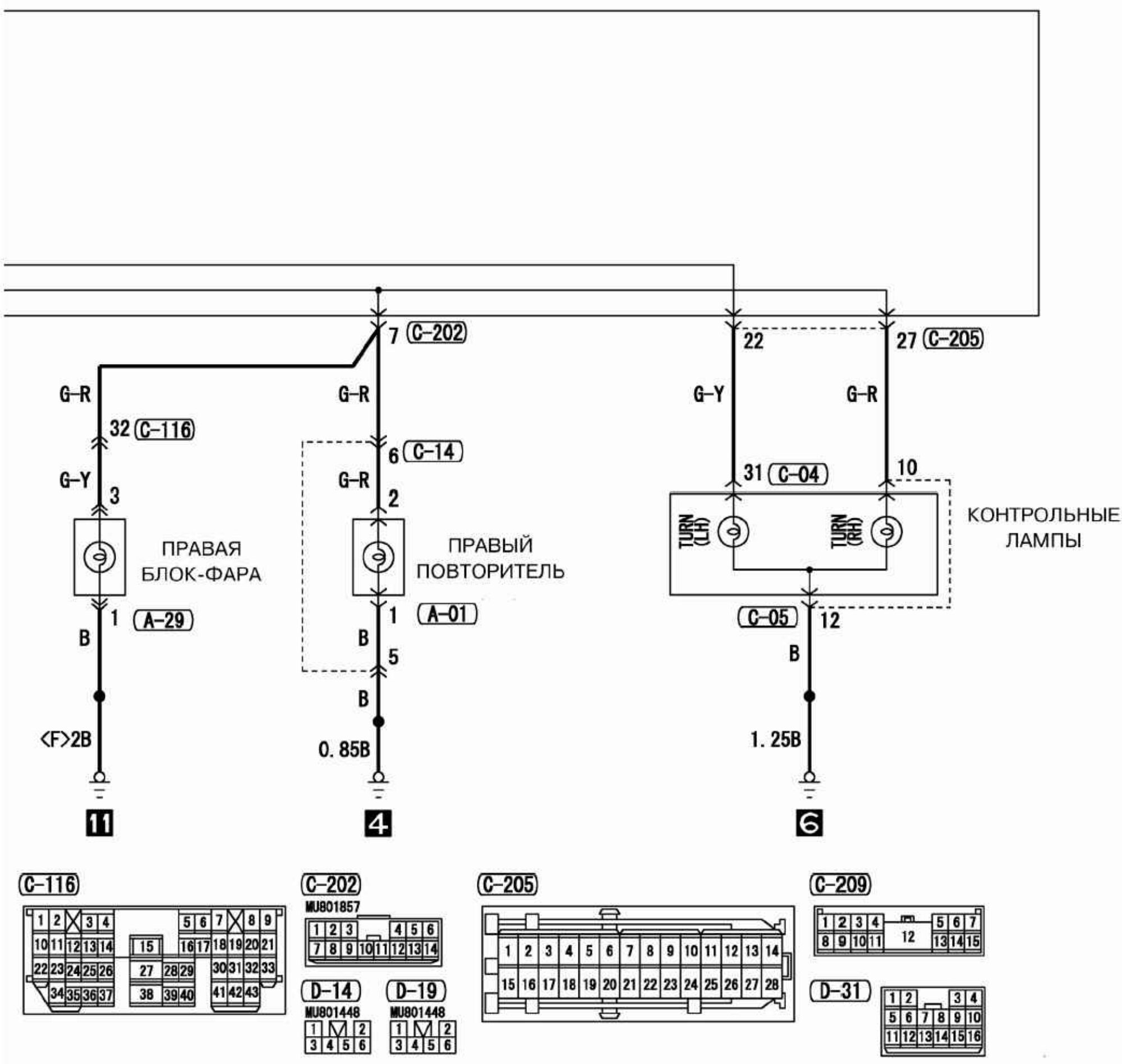
Схема подключения блок-фары, повторителя и контрольной лампы

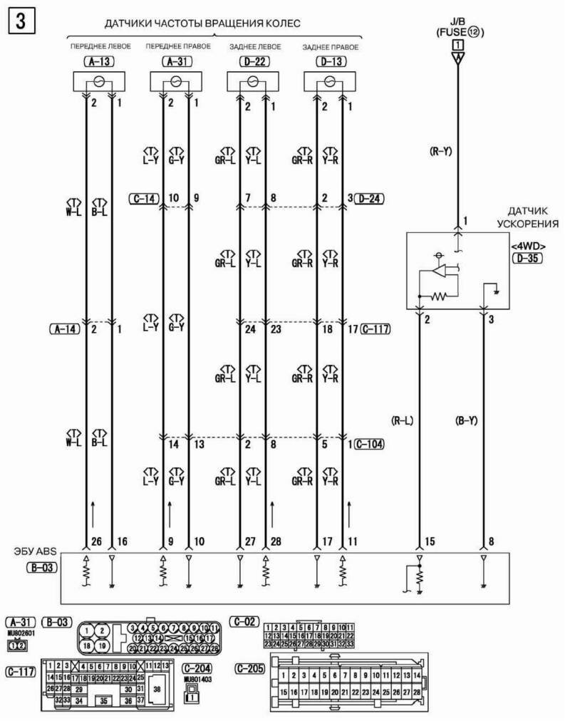
Принципиальная схема ЭБУ ABS Mitsubishi Outlander

Электромагнитные клапаны и двигатель насоса автомобиля

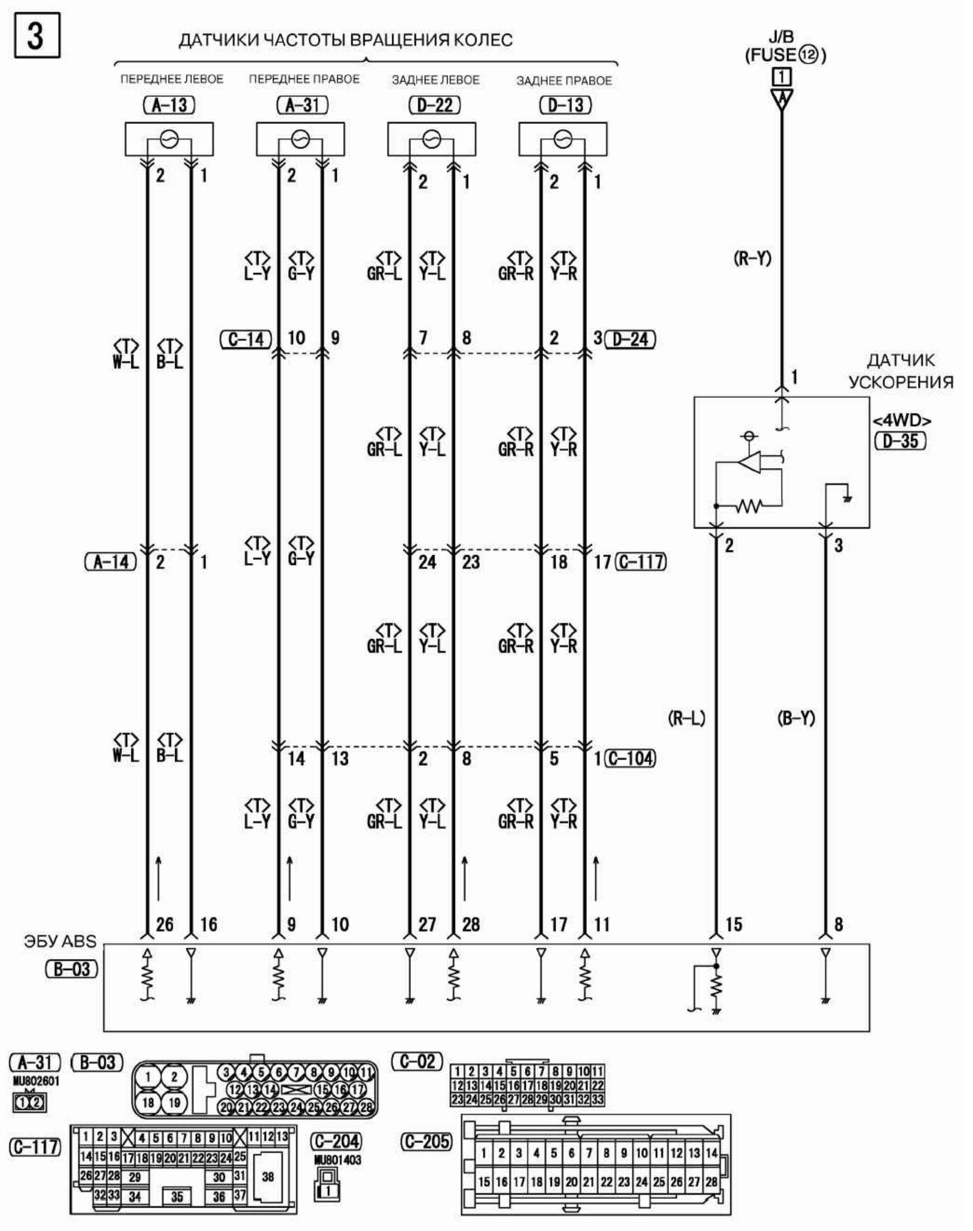
Схема датчиков частоты вращения колёс авто


РЕМОНТ АВТОЭЛЕКТРОНИКИ ЗАРЯДНЫЕ УСТРОЙСТВА ДЛЯ АКБ

|