Электросхемы автомобиля Nissan Primera P12. Начало сборника схем тут. При ремонте, работоспособность предохранителей определяют по наличию проволочного проводника, соединяющего выходные контакты предохранителя или с помощью измерителя сопротивления. Для нормального питания потребителей электрическая цепь должна быть замкнута, так как иначе в ней будет присутствовать электрический ток, например, если к электродвигателю охлаждения подается положительное напряжение, он не будет работать до тех пор, пока его электрическая цепь не будет соединена с массой. Данный материал поможет сделать ремонт и диагностику всех электроагрегатов автомобиля, включая подробные электрические схемы, процесс сборки и разборки двигателя и других агрегатов и электрических узлов, подробный ремонт АКПП и МКП, управление, кондиционера, всех электрических устройств и блоков авто.
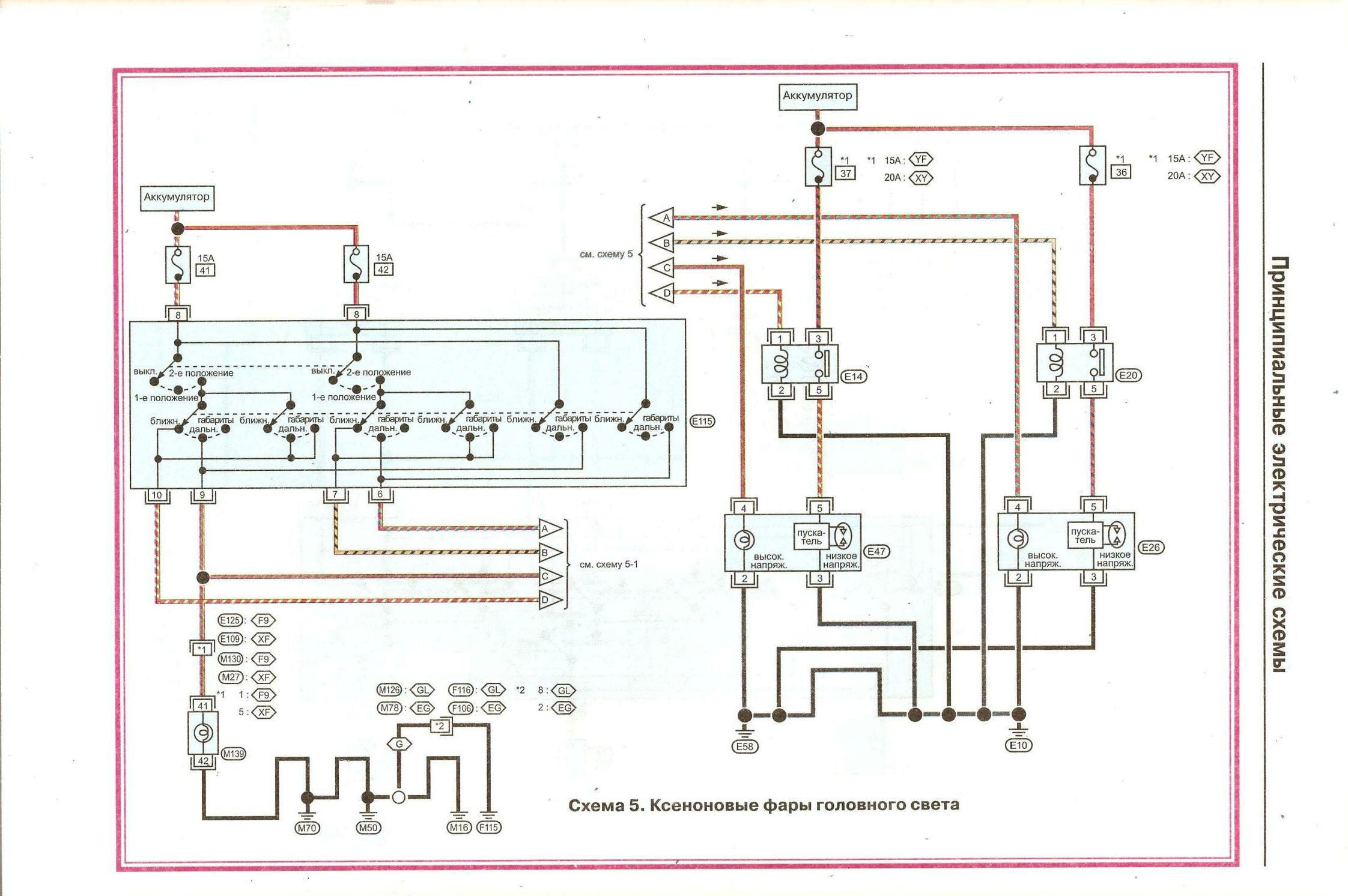
Схема ксеноновых фар головного света Nissan Primera P12

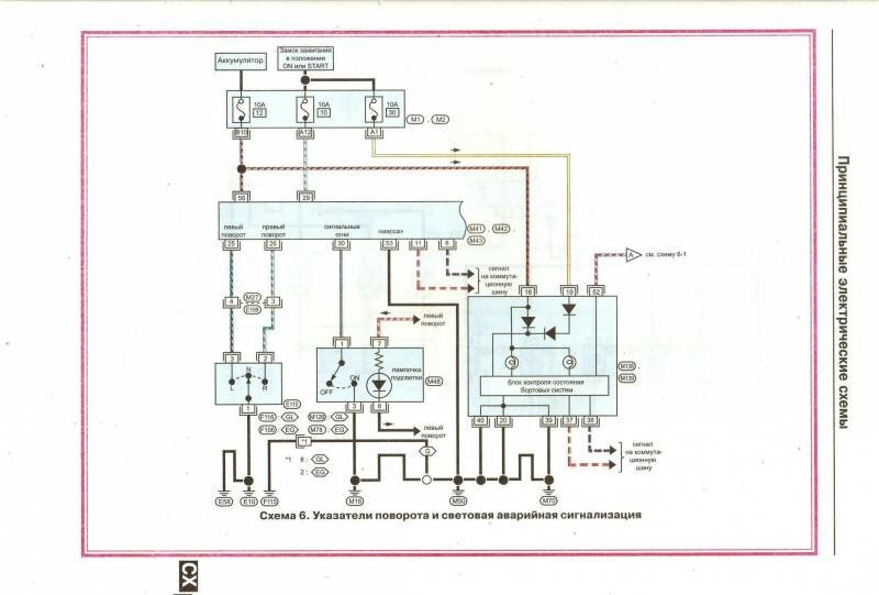
Схема указателей поворота и автосигнализации Примера Р12


Электросхема стоп - сигналов авто


Фонари заднего хода (для авто с бензиновым двигателем QR QG)

Фонари заднего хода (для авто с дизельным двигателем YD F9Q)


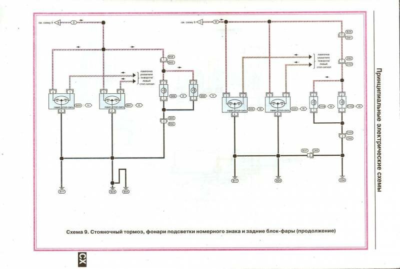
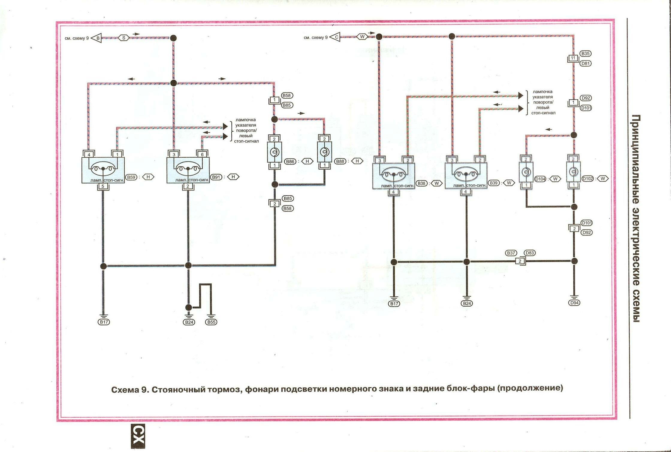
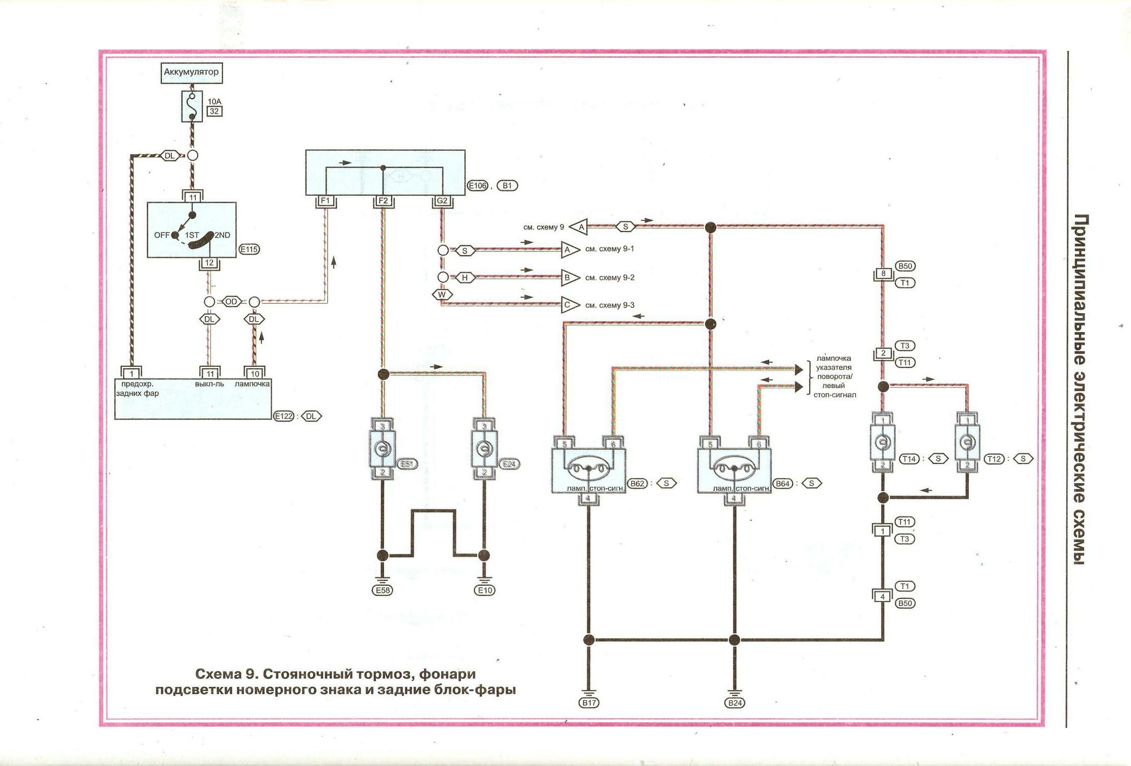
Схема фонарей подсветки и стояночного тормоза Ниссан Примера Р12


Эл. схема противотуманных фар авто

Задний противотуманный фонарь - подключение

Очистители и омыватели стёкол автомобиля


Схема омывателя фар Nissan Primera P12

РЕМОНТ АВТОЭЛЕКТРОНИКИ ЗАРЯДНЫЕ УСТРОЙСТВА ДЛЯ АКБ

|