Opel Astra - полный сборник электросхем автомобиля. Все схемы в цвете и отличном качестве. Скачать их бесплатно можно кликнув на нужной картинке. Внизу читайте обозначения, использующиеся на схемах электрооборудования Opel Astra.
Схема системы охлаждения двигателя

Передние и задний стелоочистители. Омыватели фар авто

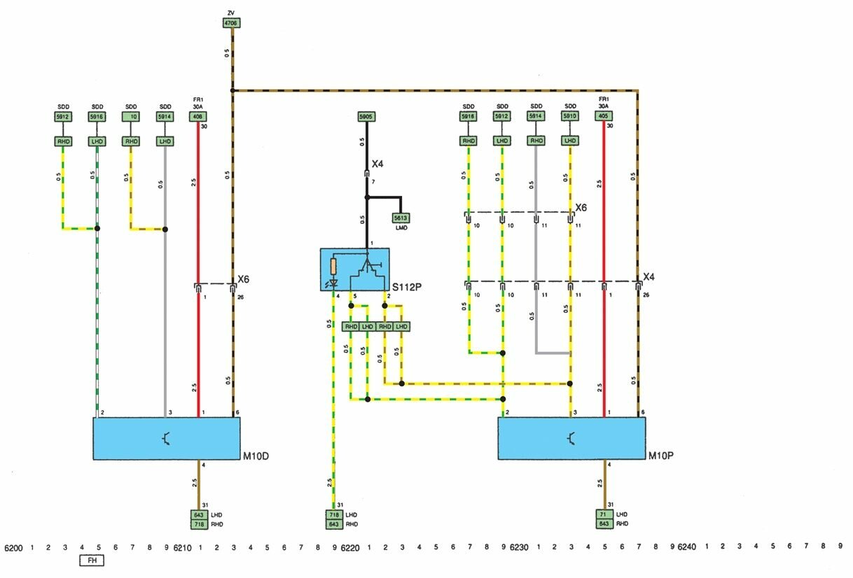
Элетросхема стеклоподъемников

Выключатель стоп-сигналов. Выключатель фонарей заднего хода. Панель переключателей наружного освещения. Подсветки панели приборов

Задние комбинированные фонари. Подссветка номерного знака. Стоп-сигнал верхнего уровня

Фары и противотуманные фары Opel Astra

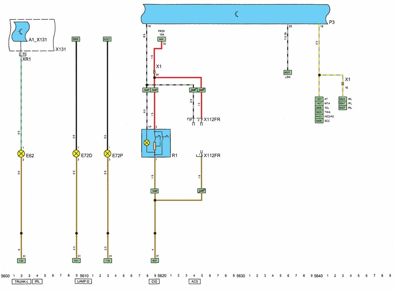
Внутреннее освещение салона. Освещение богажного отделения авто

Общие обозначения на электросхемах
15, 30, 31 Номера соответствующих клемм
5 А, 7,5 А...80А Номинальная сила тока соответствующих элементов электрической цепи
ABS Антиблокировочная система
АС Кондиционер воздуха
ASP Наружное зеркало заднего вида
AT Автоматическая трансмиссия
BRAIK Выключатель стоп-сигналов
CLS Контактный выключатель
СОМР Компрессор
CTS Датчик температуры охлаждающей жидкости
DWA Устройство противоугонной сигнализации
ЕС Система охлаждения двигателя
ЕСС (NECC) Климат-контроль (без системы климат-контроля)
ЕМР Радио
FB5/ FB6 Предохранители
FE3, FE4.. FE33 Предохранитель, размещенный в монтажном блоке в двигательном отсеке, с соответствующим номером
FR1, FR4... FR37 Предохранитель, размещенный в монтажном блоке в багажном отделении, с соответствующим номером
FFD Двухрожковый клаксон
FH Стеклоподъемник
FIL Подогрев топливного фильтра (дизельные модели)
FNX Фары (кроме ксеноновых)
HEAT Отопитель
HSCAN-H Высокоскоростная шина CAN High (1)
HSCAN-L Высокоскоростная шина CAN Low (0)
HSH Обогреватель заднего стекла
HZG/AC Обогреватель/кондиционер
INS Комбинация приборов
IRL Освещение салона
KSP Топливный насос
KSR Реле топливного насоса
LHD Левостороннее рулевое управление
LMD Лампа подсветки двери
LSL Направленные индивидуальные светильники задних мест
LSW Выключатель освещения
М1С Микрофон
MIR-L/R Наружное зеркало заднего вида (левое/правое)
МК Система охлаждения двигателя
МТА Роботизированная коробка передач
NAC Без кондиционера
PPS Датчик положения педали газа (общее обозначение)
PEDALSEN-D Датчик положения педали газа – дизельные модели
PEDALSEN-P Датчик положения педали газа – бензиновые модели
PEPS Система Open&Start
РР Система помощи при парковке
PU Топливный насос
RAIN Датчик дождя
RC Дистанционное управление
RHD Правостороннее рулевое управление
RSH Обогреватель заднего стекла
SBUL Выключатель фонарей заднего хода
SCC Выключатель центральной консоли
SD Верхний стеклянный люк
SDD Выключатель водительской двери
SLS Выключатель стоп-сигналов
SMP Сборка пепельницы
STA Система Start & Laden
STT Выключатель системы Easytronic
SW-HEAD Сборка переключателей наружного освещения
TEL Телефон
TL Указатели поворота
TWA Система Twin Audio
XNL Ксеноновые фары
WA Стеклоочистители (передние/задний – общее обозначение)
WA-HL Омыватели фар
WI-F Передние стеклоочистители
Wl-В Задний стеклоочиститель
ZV Единый замок
Элементы электрических цепей
А1_А60 Распределительное устройство систем отопления и К/В
А1_Х125 Электронный модуль подкапотного монтажного блока предохранителей
А1_Х131 Электронный модуль салонного монтажного блока предохранителей
А2_Х131 Электронный модуль тягово-сцепного устройства
А13 Сборка воздухораспределителя системы HVAC
А40 Модуль зажигания
А60 Сборка воздухораспределителя системы HVAC
А84 Модуль управления двигателем
А105 Встроенный электронный модуль рулевой колонки
А111 Регулятор положения дроссельной заслонки
В1_Е68 Микрофон
В1_М8 Датчик уровня топлива в баке
B1_Y21B Датчик системы Twinport
В2_Е68 Датчик противоугонной ситемы
В9, В9Н Рожок звукового сигнала
В18 Датчик давления К/В
В22 Датчик положения педали
В28 Датчик распределительных валов
ВЗО Импульсный датчик коленчатого вала
В39, В39А, В39В Датчик температуры охлаждающей жидкости
В57 Посткаталитический лямбда-зонд
В64 Датчик температуры входящего воздушного потока
В65 Датчик угла зажигания
В67 Датчик абсолютного давления во впускном тракте
В86 Датчик дождя
В135 Датчик определения чистоты воздуха
В166 Подогреваемый докаталитический лямбда-зонд
Е1_Е68 Передний салонный светильник
Е1_Е119 (L/R) Ближний свет (левая/правая фара)
Е2_Е119 (L/R) Дальний свет (левая/правая фара)
ЕЗ_Е119 (L/R) Указатель поворота свет (левая/правая фара)
Е4_Е119 (L/R) Габаритный (парковочный) огонь (левый/правый)
Е62 Светильник багажного отделения
Е67 Передний салонный светильник
E69 (L/R) Противотуманная фара (левая/правая)
E72D Светильник водительской двери
Е72Р Светильник передней пассажирской двери
Е79 Стоп-сигнал верхнего уровня
Е82 Светильник главного вещевого ящика
Е94 Задний салонный светильник
E98 (L/R) Лампа подсветки номерного знака (левая/правая)
Е106 (L/R) Сборка заднего комбинированного фонаря (левая/правая)
E106 (L/R).1 Задний габарит (левый/правый)
E106 (L/R).3 Фонарь заднего хода (левый/правый)
E106 (L/R).4 Указатель поворотов (левый/правый)
E106 (L/R).5 Задний туманный фонарь (левый/правый)
E106 (L/R).6 Задние габаритные огни/стоп-сигналы
Е119 (L/R) Сборка блок-фары (левая/правая)
E120 (L/R) Светильники макияжных зеркал (левый/правый)
L2A Инжектор первого цилиндра
L2B Инжектор второго цилиндра
L2C Инжектор третьего цилиндра
L2D Инжектор четвертого цилиндра
L7 Муфта компрессора К/В
М1_М8 Топливный насос
М1_А13 Электромотор привода воздухораспределительной заслонки
М1_Е119 (1_/Н) Регулятор направления оптических осей фар
М2_А60 Электромотор заслонки смешивания воздуха
МЗ, МЗА, МЗВ Электромотор вентилятора системы охлаждения
МЗ_А60 Электромотор заслонки распределения воздушного потока
М4_А60 Электромотор заслонки системы циркуляции воздуха
М5_А60 Электромотор привода воздухораспределительной заслонки
М8 Топливный бак
M10D Электромотор стеклоподъемника водительской двери
М10Р Электромотор стеклоподъемника пассажирской двери
М11D Сборка левого наружного зеркала заднего вида
M11D. 1 Электромотор регулировки положения левого наружного зеркала
М11 D. 2 Электромотор складывания левого наружного зеркала и перевода его в рабочее положение
М11 D. 3 Обогрев левого наружного зеркала
М11Р Сборка правого наружного зеркала заднего вида
М11Р. 1 Электромотор регулировки положения правого наружного зеркала
М11Р. 2 Электромотор складывания правого наружного зеркала и перевода его в рабочее положение
М11Р. З Обогрев правого наружного зеркала
М12 Электромотор стеклоочистителя заднего стекла
М17 Электромотор стеклоочистителей ветрового стекла
РЗ Комбинация приборов
R1 Прикуриватель
R1_A60 Резистивная сборка электромотора вентилятора системы HVAC
R22 Обогреватель заднего стекла
R27 Подогреватель топливного фильтра (дизельные модели)
S32 Выключатель фонарей заднего хода
S122 Сборка выключателей наружного освещения
5122.1 Поворотный переключатель режимов функционирования наружного освещения
5122.2 Регулятор яркости подсветки панели приборов (потенциометр)
5122.3 Регулятор направления оптических осей фар
S 122.5 Выключатель противотуманных фар
S122.6 Выключатель задних туманных фонарей
S112Р Сборка выключателя стеклоподъемника пассажирской двери
S218 Двойной выключатель стоп-сигналов
Y1_A13 Регулятор подачи воздуха в салон
Y1_Y21B Электромагнитный клапан системы Twinport
Y21B Блок системы Twinport
Y56 Электромагнитный клапан системы рециркуляции отработавших газов
Y105 Насос омывателей ветрового и заднего стекол
Y106 Насос омывателей фар
Y123 Электромагнитный клапан системы вентиляции топливного бака
Y158 Термостат
Штекерные разъемы
Е68 Кузов – передняя секция потолочной консоли
Е68.1 Передняя секция потолочной консоли – датчик противоугонной сигнализации
Е68.2 Передняя секция потолочной консоли – микрофон
Е68.3 Передняя секция потолочной консоли – лампы подсветки
Х1 Кузов – панель приборов
ХЗ Кузов – кузов (передний)
Х4 Кузов – передняя пассажирская дверь
Х6 Кузов – водительская дверь
Х10 Кузов – топливный бак
Х16 Кузов – крыша
Х24 Кузов (передок) - система охлаждения двигателя
Х26 Кузов (передок) - система охлаждения двигателя
Х38 Разъем электропроводки прицепа
Х41 Кузов (задок) - панель задка
Х42 Кузов (задок) - разъем электропроводки двери задка
Х44 Кузов (задок) - разъем электропроводки прицепа
Х51 Разъем электропроводки двери задка – дверь задка
Х60 Двигатель – двигатель/коробка передач
Х62 Положительная клемма аккумуляторной батареи – двигатель коробка передач
Х63 Двигатель – инжектора
Х112FR Передняя розетка отбора мощности
Х125 Подкапотный монтажный блок предохранителей
Х131 Салонный монтажный блок предохранителей
ХС Двигатель – модуль управления двигателем
ХС10 Двигатель/коробка передач – модуль управления двигателем
ХС40 Панель приборов – устройство управления системами HVAC
ХС41 Панель приборов – устройство управления системами HVAC
ХС47 Рулевое колесо – встроенный модуль рулевой колонки
ХЕ1 Кузов (передок) – кабельный канал двигательного отсека
ХЕ2 Кузов – кабельный канал двигательного отсека
ХЕЗ Двигатель/коробка передач – электроцентраль в двигательном отсеке
XR1 Кузов (задок) – кабельный канал задка
XR4 Кузов – кабельный канал задка
XR5 Кузов – кабельный канал задка
XR7 Кузов (задок) – задняя электроцентраль
Дополнительные обозначения
ASC Розетка отбора мощности
ACSEN Датчик системы К/В
AZV Тягово-сцепное устройство
CIG Прикуриватель
FOG-F9 Противотуманные фары
FL-NXNL Фары (кроме ксеноновых)
GLOV-L Подсветка главного вещевого ящика
HOR Рожок звукового сигнала
KZL Подсветка номерного знака
LAMP-D Дверная лампа (подсветка двери)
LIG-R Заднее освещение.
РЕМОНТ АВТОЭЛЕКТРОНИКИ ЗАРЯДНЫЕ УСТРОЙСТВА ДЛЯ АКБ

|