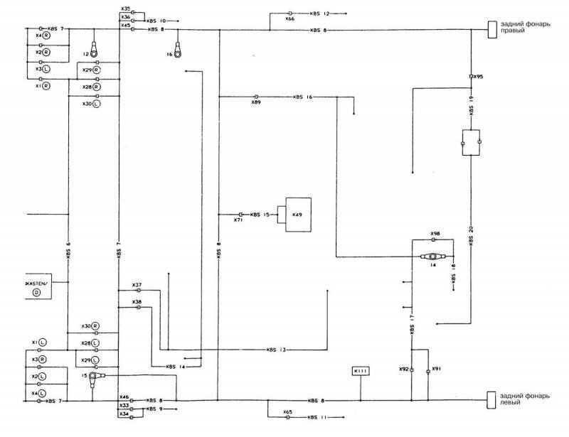
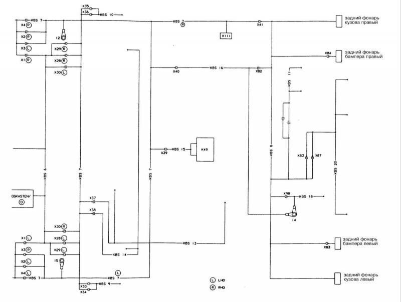
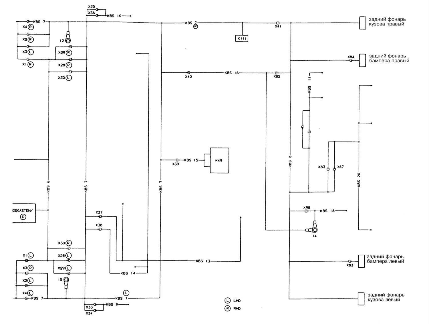
Электроссхемы автомобиля Опель фронтера. Ниже смотрите расшифровки и обозначения элементов на схемах. Номер, заключенный в рамку, например, 406, указывает на цепь, имеющую продолжение с тем же номером. Наименование элементов приведены в соответствии с DIN 40719, обозначение линий в соответствии с DIN 47002. Некоторое наложение участков схем Опель фронтера облегчает чтение. Начало схем электрооборудования Opel Frontera находится здесь.
Электросхемы Опель Фронтера - продолжение


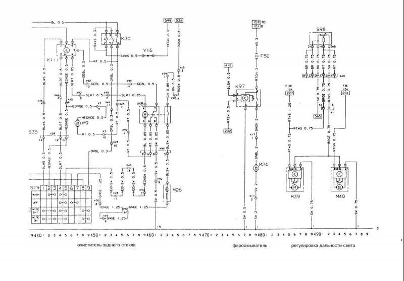
Пояснения к электрическим цепям:
F5E Предохранитель в блоке предохранителя, двигательный отсек 479
F6D Предохранитель в блоке предохранителя, передняя стенка 411, 429
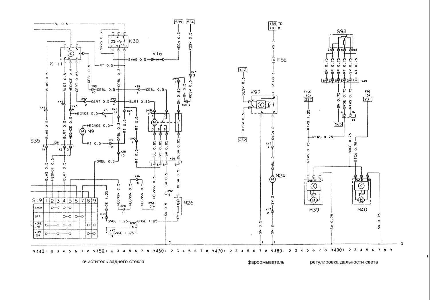
K8 Реле интервалов стеклоочистителя, переднее 404 - 406
K30 Реле интервалов стеклоочистителя, заднее 421 - 423, 452 - 454
K97 Реле времени, насос, фароомыватель Опель фронтера 475, 479
K111 Прибор управления, очиститель заднего стекла 444 - 446
M2 Электродвигатель, очиститель заднего стекла 405 - 408
M5 Электродвигатель, насос, омыватель ветрового стекла 410
M8 Электродвигатель, очиститель заднего стекла 427 - 429, 459 - 461
M9 Электродвигатель, насос, омыватель заднего стекла 425 и 447
M24 Насос, фароомыватель 479
M37 Электродвигатель, центральный замок, дверь задка 463
M39 Электродвигатель, регулировка дальности света, левый 493 - 495
M40 Электродвигатель, регулировка дальности света, правый 493 - 495
S19 Выключатель, очиститель/ омыватель заднего стекла 441 - 449
S35 Выключатель, дверь задка 438
S48 Выключатель, очистителя/ омывателя
S48.1 Выключатель, очиститель ветрового стекла 403, 407
S48.2 Выключатель, омыватель ветрового стекла 408
S98 Выключатель, регулировка дальности света 489 - 492
S19 Выключатель, очиститель/ омыватель заднего стекла 416 - 426
V16 Диод, очиститель заднего стекла Опель фронтера 459
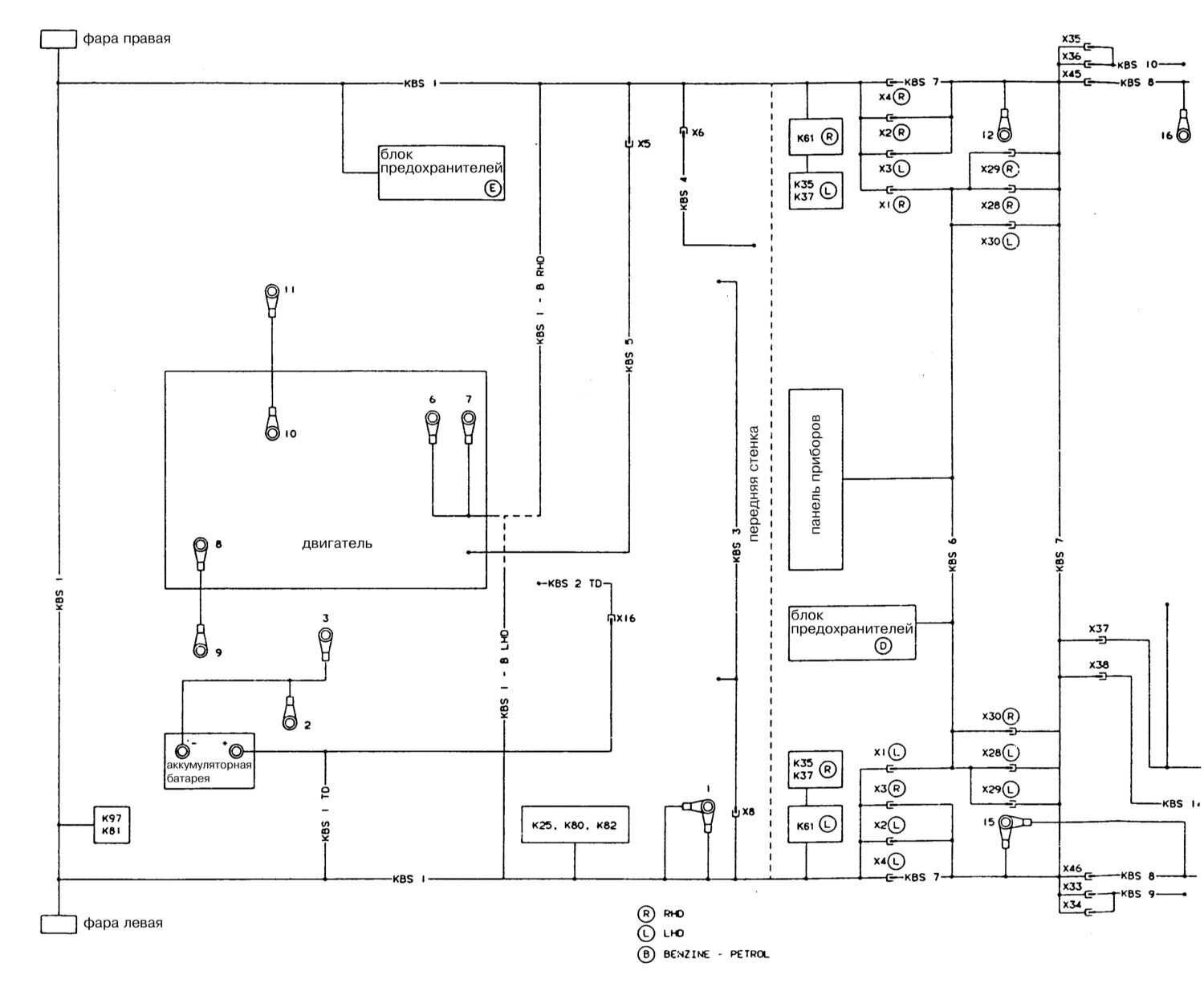
X1 Двигательный отсек-панель приборов 20-конт. 404 - 408 и 491 - 492
X2 Двигательный отсек-кузов 18-конт. 411
X3 Двигательный отсек-кузов 16-конт. 425 и 451
X17 Двигательный отсек-электродвигатель фароочистителя 2-конт. 479
X28 Кузов-панель приборов 14-конт. 418, 421, 423, 428, 441, 444, 445, 453
X29 Кузов-панель приборов 14-конт. 410
X30 Кузов-панель приборов 12-конт. 438, 451
X41 Кузов - блок-фары 4-конт. 422, 427, 429
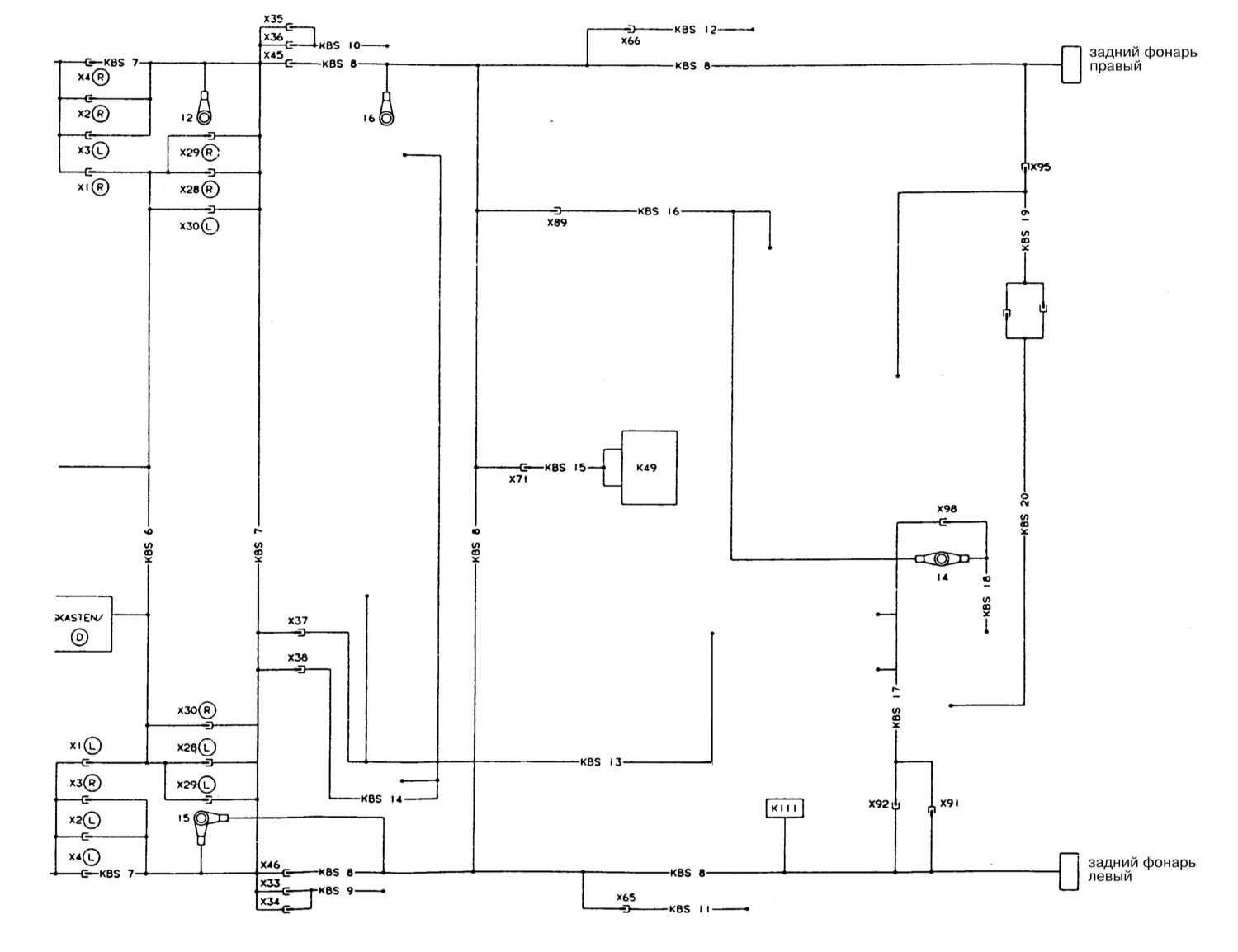
X45 Кузов- кузов задний 2-конт. 445, 452, 454, 465
X46 Кузов- кузов задний 20-конт. 441, 444, 453, 456
X49 Панель приборов- выключатель 9-конт. 488, 493
X87 Блок-фары - заднее стекло 4-конт. 422, 427, 429, 431
X92 Кузов задний-дверь задка 10-конт. 448, 449, 455, 459
X99 Дверь задка-электродвигатель очистителя заднего стекла 452, 456
Схемы Опель Фронтера - продолжение


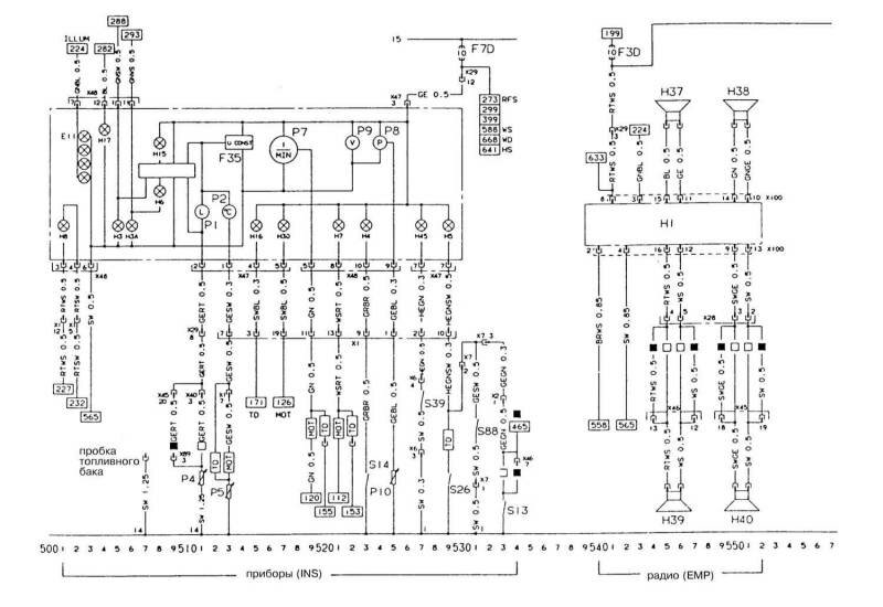
E11 Лампы, приборы 502
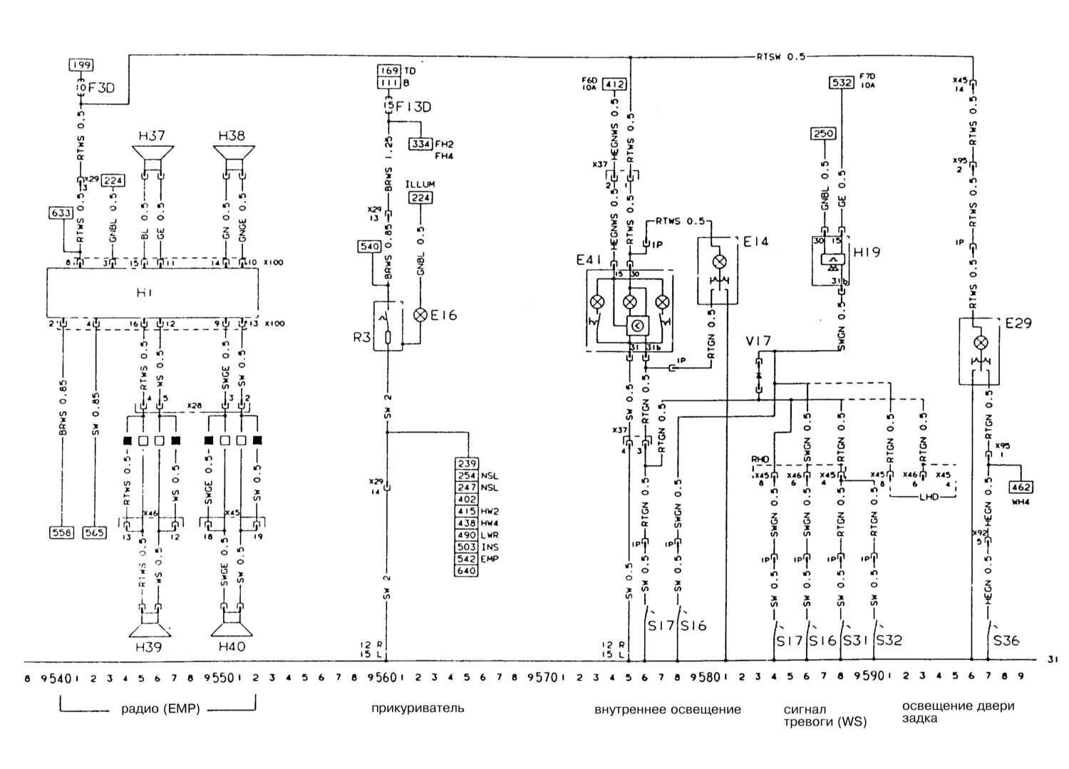
E14 Освещение средней части салона 508 - 581
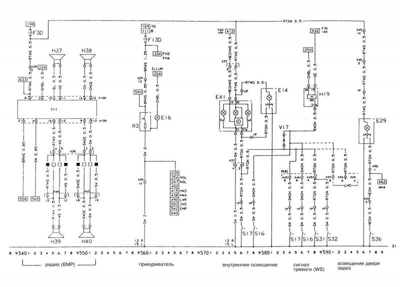
E16 Лампа подсветки прикуривателя 562
E29 Освещение задней части салона 596 - 597
E41 Освещение салона с замедлением выключения 573 - 577
F3D Предохранитель в блоке предохранителей, передняя стенка 541, 560
F7D Предохранитель в блоке предохранителей, передняя стенка 530
F13D Предохранитель в блоке предохранителей, передняя стенка 541, 560
F35 Стабилизатор напряжения 504
H1 Радио Опель фронтера 540, 551
H3 Контрольная лампа сигнала поворота левого 505
H3A Контрольная лампа сигнала поворота правого 506
H4 Контрольная лампа давления масла 523
H5 Контрольная лампа уровня тормозной жидкости в бачке 529
H6 Контрольная лампа аварийной сигнализации 508
H7 Контрольная лампа заряда аккумуляторной батареи 521
H8 Контрольная лампа дальнего света 501
H15 Контрольная лампа резерва топлива 508
H16 Контрольная лампа времени подогрева (дизельный двигатель) 515
H17 Контрольная лампа сигнала поворота прицепа 504
H19 Аварийный зуммер, фары включена 587 - 588
H30 Контрольная лампа двигателя 517
H37 Громкоговоритель передний левый 545, 546
H38 Громкоговоритель передний правый 550, 551
H39 Громкоговоритель задний левый 545, 546
H40 Громкоговоритель задний правый 550, 551
H45 Контрольная лампа полного привода 527
P1 Указатель топлива 511
P2 Указатель температуры охлаждающей жидкости 513
P4 Датчик топливного бака 511
P5 Датчик температуры охлаждающей жидкости 513
P7 Тахометр 517
P8 Измеритель давления масла 524
P9 Вольтметр 522
P10 Датчик давления масла 525
R3 Прикуриватель 560
S13 Выключатель, стояночный тормоз 533
S14 Датчик давления масла 523
S16 Выключатель, дверь водителя или передняя правая дверь 578
S17 Выключатель, дверь переднего пассажира или передняя левая дверь 576
S26 Вакуумный выключатель 529
S31 Выключатель, дверь задняя левая 588
S32 Выключатель, дверь задняя правая 590
S36 Выключатель, дверь задка 597
S39 Выключатель, полный привод 527
S88 Выключатель, тормозная жидкость 531
V17 Диоды, сигнал тревоги, фары включены 583
X1 Двигательный отсек-панель приборов 20-конт. 501 - 529
X2 Двигательный отсек-кузов 18-конт. 533
X6 Двигательный отсек-коробка передач 4-конт. 527
X7 Двигательный отсек-тормозная жидкость 3-конт. 530 - 532
X28 Кузов-панель приборов 14-конт. 545, 546, 550, 551
X29 Кузов-панель приборов 14-конт. 541, 560, 511, 530
X37 Кузов-внутреннее освещение 4-конт. 574 - 576
X40 Кузов-шасси 10-конт. 511
X45 Кузов-кузов задний 20-конт. 584, 588, 591, 549, 552, 595, 596, 509
X46 Кузов-кузов задний 20-конт. 586, 593, 544, 547, 534
X47 Панель приборов - прибор 9-конт. 511 - 529
X48 Панель приборов - прибор 12-конт. 501 - 525
X89 Кузов задний-шасси 3-конт. 509
X92 Кузов задний - дверь задка Опель фронтера 10-конт. 597
X95 Кузов задний-багажник 4-конт. 596, 597
X100 Панель приборов-радио 16-конт. 540 - 551
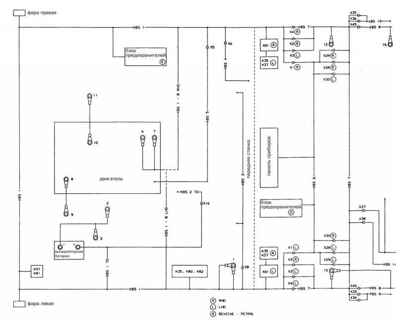
Схемы кабельных жгутов авто Опель Фронтера




РЕМОНТ АВТОЭЛЕКТРОНИКИ ЗАРЯДНЫЕ УСТРОЙСТВА ДЛЯ АКБ

|