Ниже вы найдете много схем электрооборудования на Шевроле Трекер начиная с 2000 г.в. Chevrolet Tracker, в отличии от "Мокки" получил несколько иной дизайн торпедо и центральной консоли. Водительское сиденье снабжено несколькими вариациями регулировок. Для российского рынка будет предлагаться два варианта силовых агрегатов, унифицированных с Opel Mokka. Это 1.4-литровые турбированные и 1.8-литровые атмосферные двигатели. Опционально предусмотрена система полного привода. На российском рынке продажи нового Chevrolet Tracker стартуют во второй половине 2013 года.
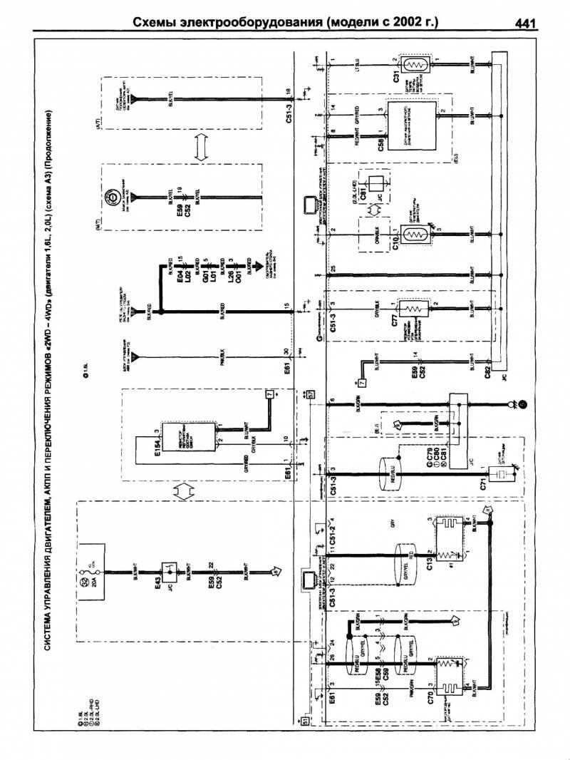
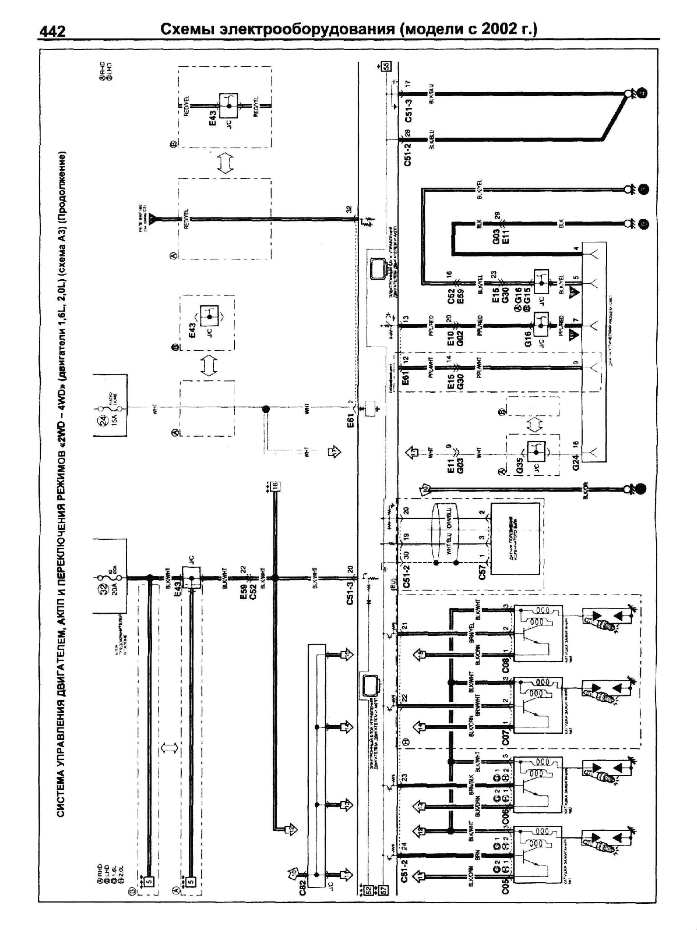
Схема управления двигателем, АКПП и переключения режимов



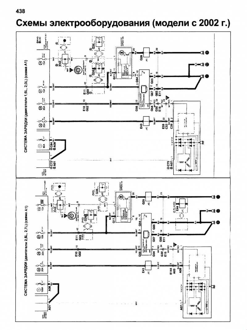
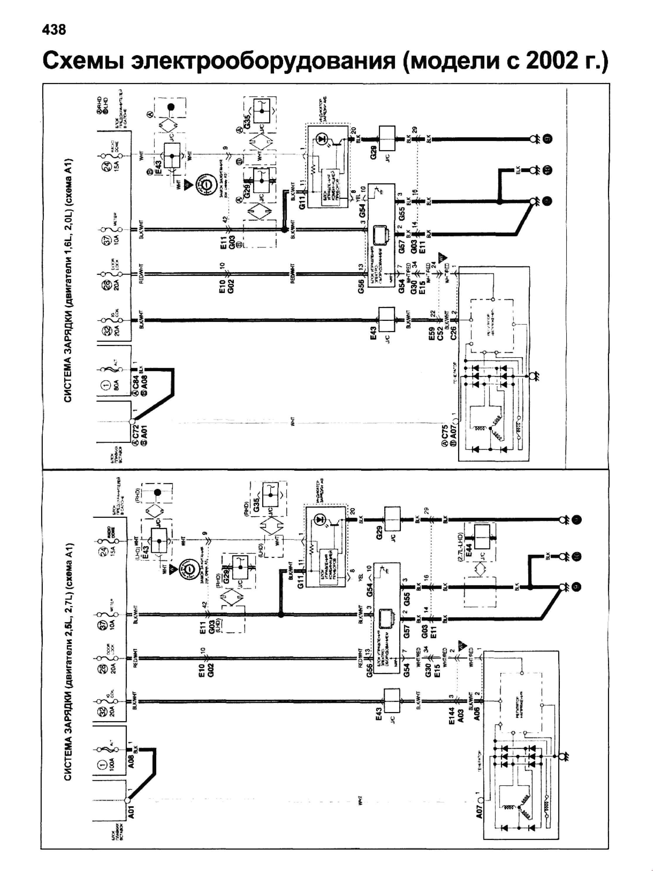
Электросхема зарядки на Шевроле Трекер

Эл.схема системы пуска

РЕМОНТ АВТОЭЛЕКТРОНИКИ ЗАРЯДНЫЕ УСТРОЙСТВА ДЛЯ АКБ

|