Сборник электрических схем для автомобиля шевроле-ланос. Схема подачи питания, система пуска электрическая схема, Схема электрических соединений шевроле, Схема системы зарядки, Схема электрических соединений системы заряда аккумулятора. Для просмотра картинки в лучшем качестве - кликните на неё и сохраните схему на компьютере.
Соединения генераторной установки и системы пуска двигателя

1 - аккумуляторная батарея; 2 - плавкая вставка IGN-2 (30 A); 3 - плавкая вставка IGN-1 (30 A); 4, 5 - предохранители (15 А); 6 - выключатель (замок) зажигания; 7 - соединительная колодка; 8 - комбинация приборов; 9 - генератор; 10 - стартер; 11 - выключатель.
Система управления двигателем

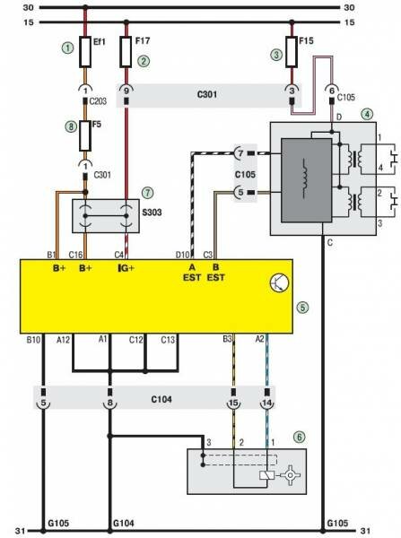
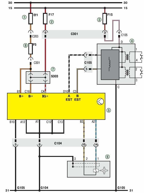
1 - плавкая вставка (80 А); 2, 3 - предохранители (15 А); 4 - катушка зажигания; 5 - электронный блок управления двигателем; 6 - датчик положения коленчатого вала; 7 - соединительная колодка; 8 - предохранитель (10 А)

1, 2 - предохранители (15 А); 3 - плавкая вставка (80 А); 4 - плавкая вставка (15 А); 5 - реле топливного насоса; 6 - диагностическая колодка топливного насоса; 7 - топливный насос; 8 - электронный блок управления двигателем; 9 - датчик концентрации кислорода; 10 - октан-корректор (установлен на часть автомобилей); 11 - топливная рампа

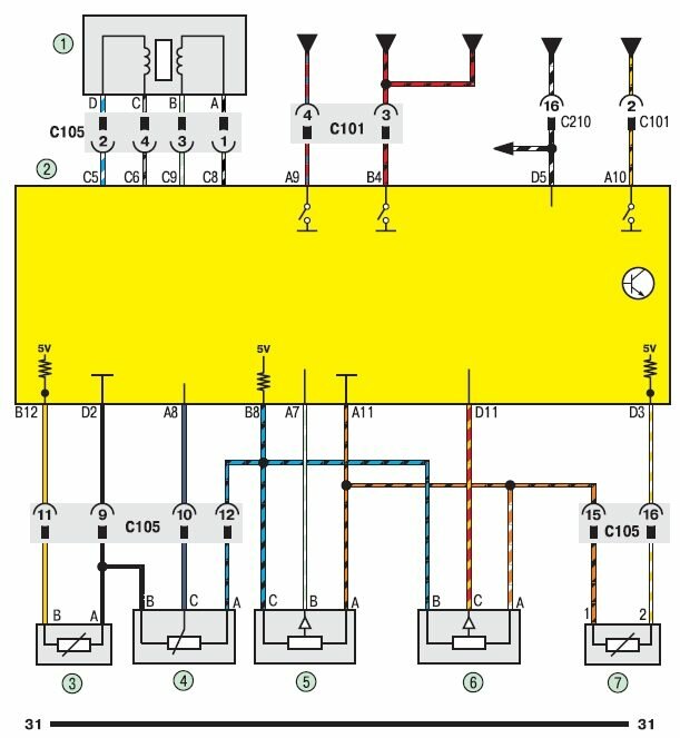
1 - датчик холостого хода; 2 - электронный блок управления двигателем; 3 - датчик температуры охлаждающей жидкости; 4 - датчик положения дроссельной заслонки; 5 - датчик давления воздуха во впускном коллекторе; 6 - датчик давления в системе кондиционирования; 7 - датчик температуры воздуха во впускном коллекторе

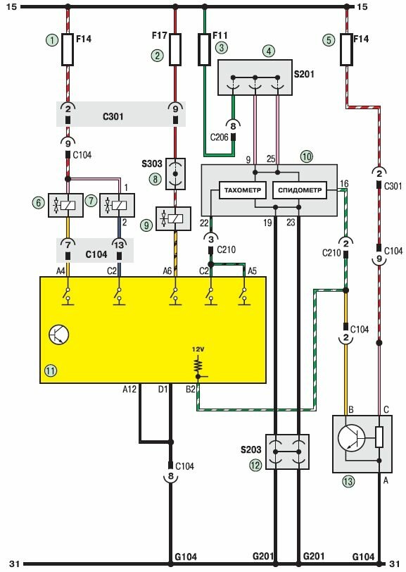
1, 2, 5 - предохранители (15 А); 3 - предохранитель (10 А); 4, 12 - соединительные колодки; 6 - электромагнитный клапан рециркуляции отработавших газов; 7 - двухходовой клапан; 8 - соединительная колодка; 9 - гравитационный клапан; 10 - комбинация приборов; 11 - электронный блок управления двигателем; 13 - датчик скорости автомобиля (для автомобилей, оснащенных механической коробкой передач)

1 - предохранитель (15 А); 2 - электромагнитный клапан рециркуляции отработавших газов; 3 - двухходовой клапан; 4 - предохранитель F17 (15 А); 5 - гравитационный клапан; 6 - электронный блок управления двигателем; 7 - комбинация приборов; 8 - датчик скорости автомобиля (для автомобилей, оснащенных автоматической коробкой передач)

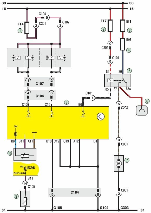
1 - плавкая вставка (30 А); 2 - плавкая вставка (80 А); 3 - реле дополнительного вентилятора системы охлаждения двигателя; 4 - реле основного вентилятора системы охлаждения двигателя; 5 - резистор; 6 - электронный блок управления двигателем; 7 - электровентилятор системы охлаждения двигателя
РЕМОНТ АВТОЭЛЕКТРОНИКИ ЗАРЯДНЫЕ УСТРОЙСТВА ДЛЯ АКБ

|