Ниже пнедставленны полные схемы электрооборудования на Ситроен Берлинго 1996-2005 г.в. Данная модель производится с 1996 года, второе поколение увидело свет в 2008. Кузов, по-прежнему сочетающий в себе вместительную "коробчатую" заднюю часть с аэродинамическим передом, стал немного больше по сравнению с предшественником, построен он на базе общей с Citroen C4. Среди отличительных особенностей - большая поверхность остекления, крыша Modutop, обеспечивающие отличное освещение салона и ощущение открытого пространства. Для защиты кузова автомобиль оснащен объёмными бамперами, широкими боковыми молдингами и защитой днища. Сдвижные задние двери обеспечивают удобную посадку и высадку пассажиров в любых условиях. В России Citroen Berlingo предлагается с 1,6-литровым бензиновым двигателем мощностью 90 либо 120 л.с. в сочетании с механической коробкой передач.
Таблица и обозначения плавких предохранителей

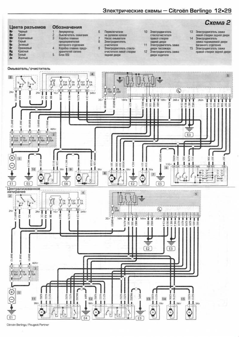
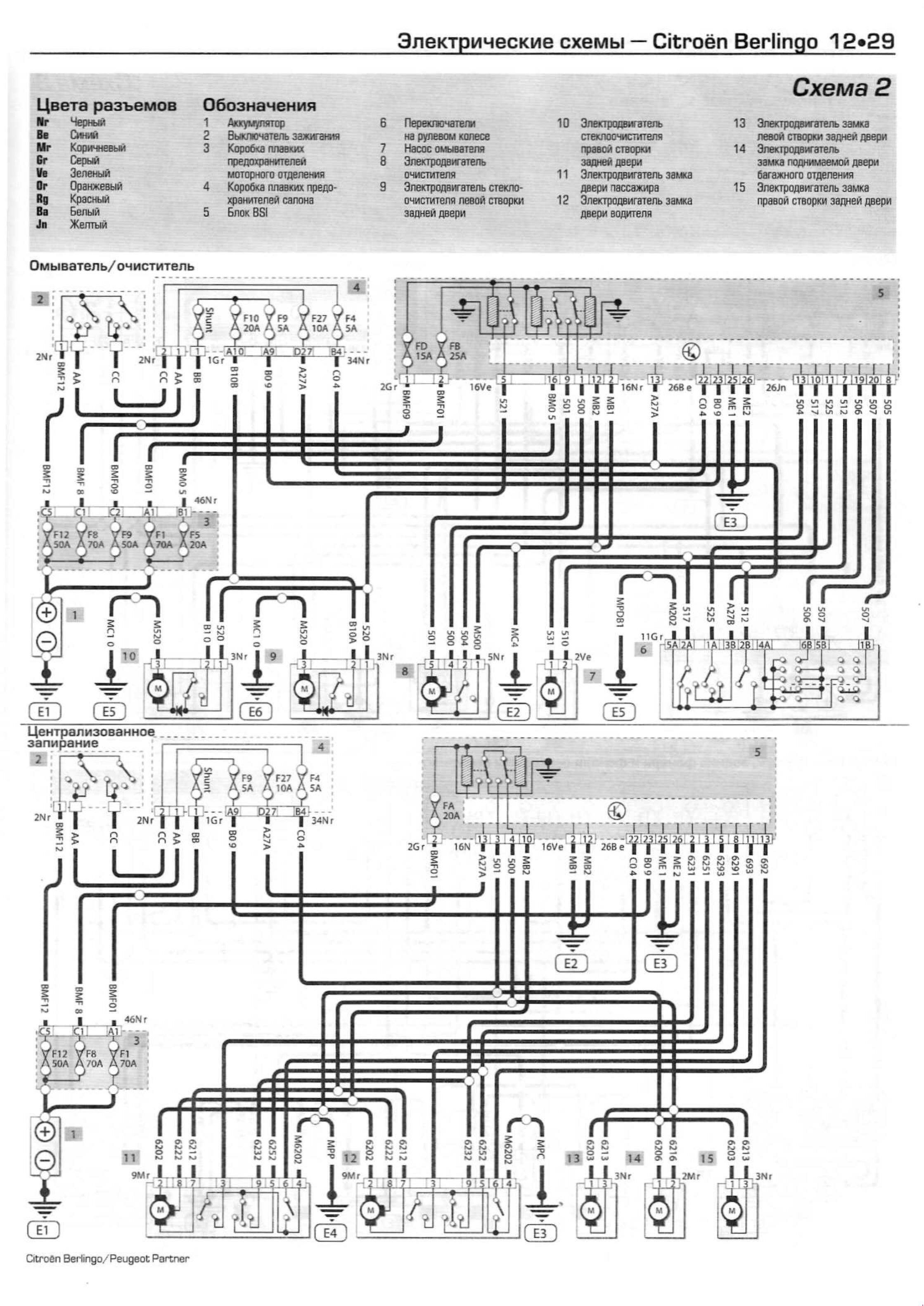
Схема стеклоомывателя и очистителя, центрального запирания замков

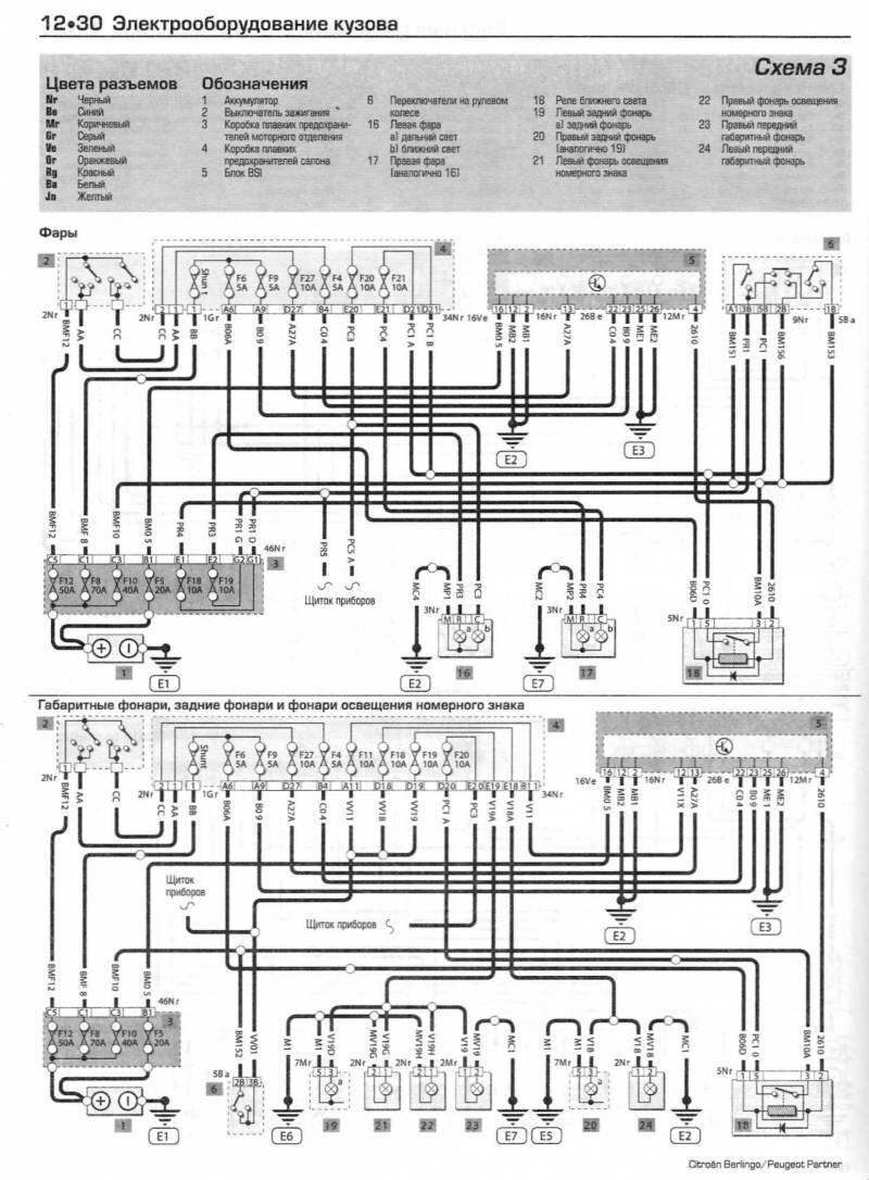
Фары; фонари: габаритные, задние и освещения номерного знака - электросхема

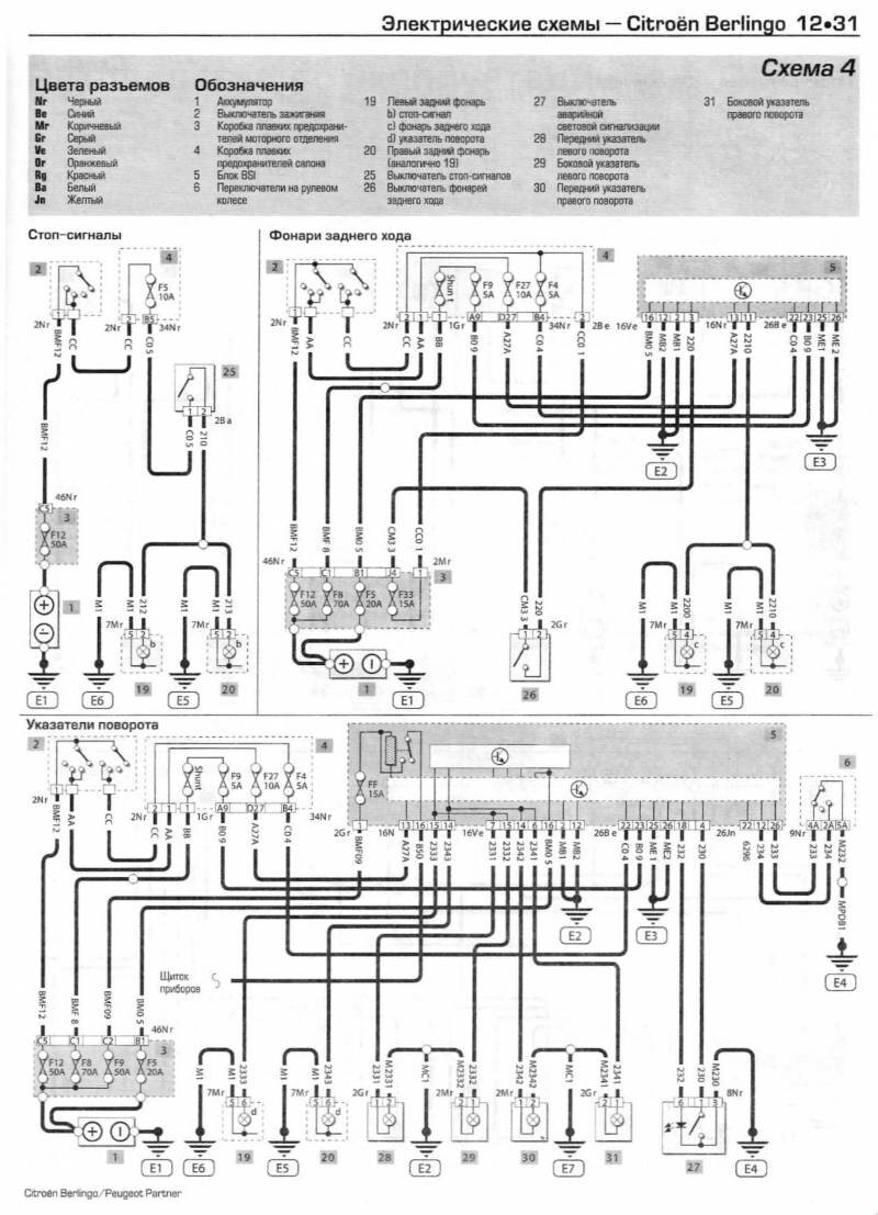
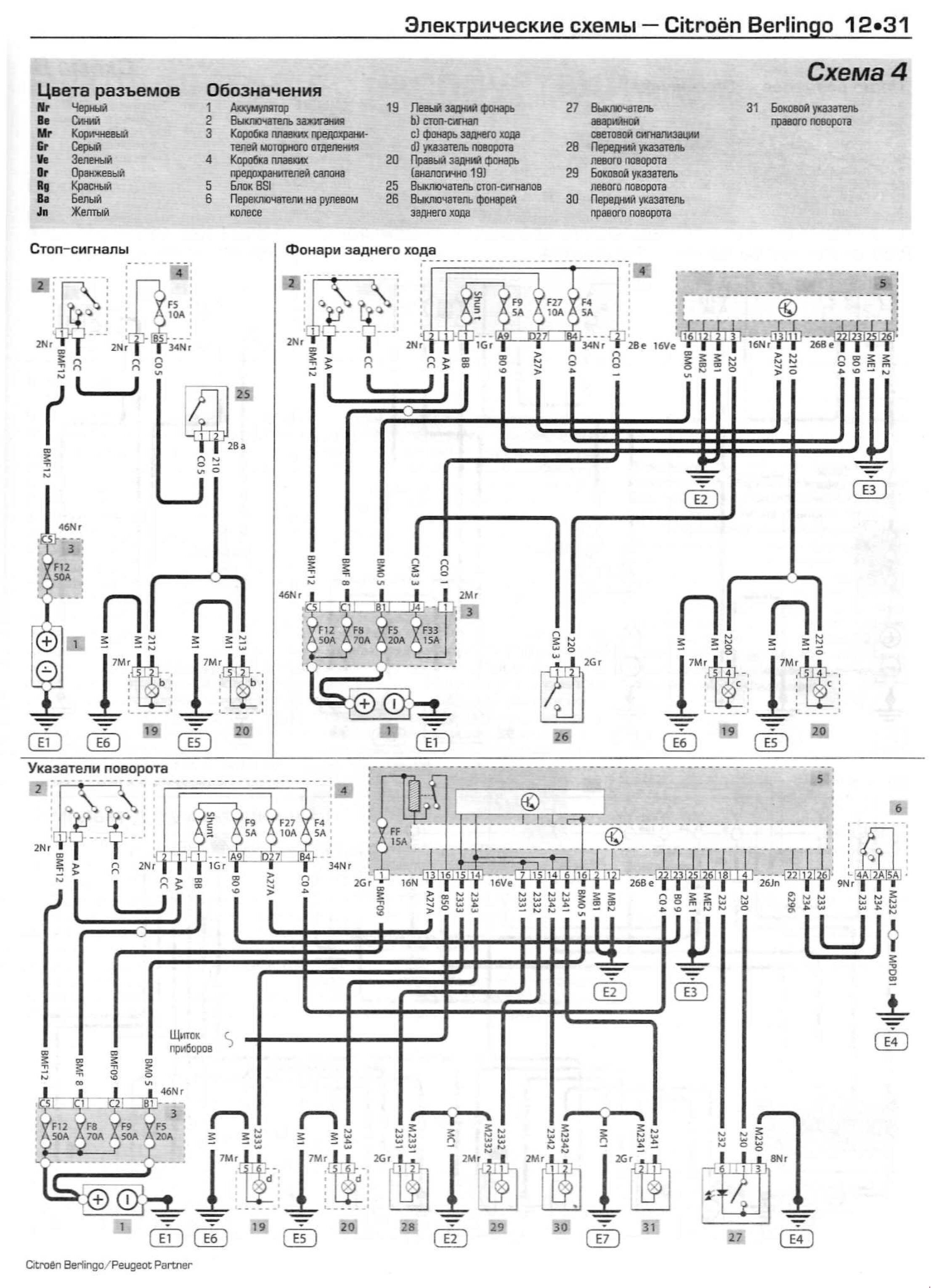
Эл.схема стоп-сигналов и указателей поворотов

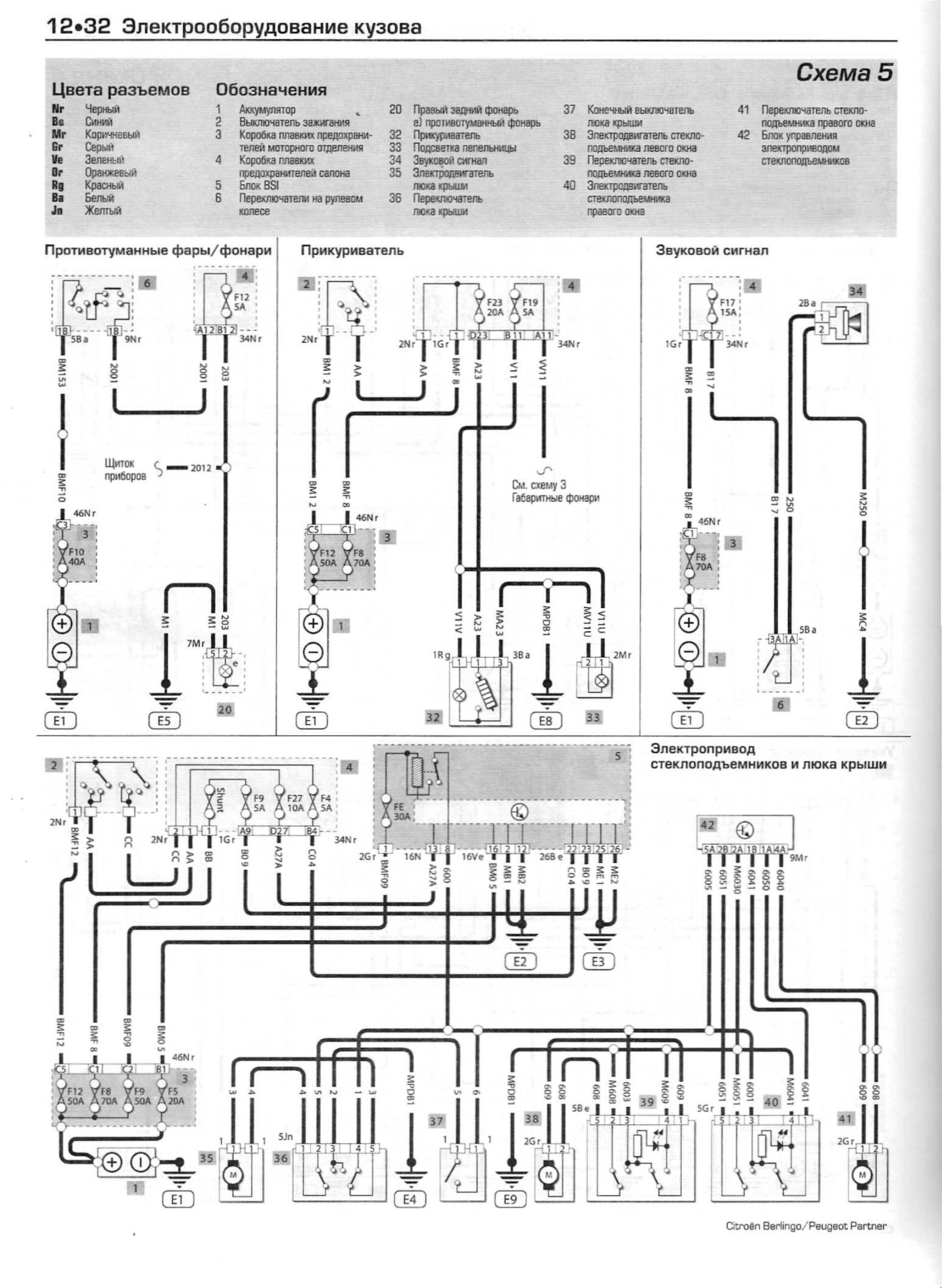
Схемы: противотуманных фар, фонарей; прикуривателя; звукового сигнала; электропривода стеклоподьемников и люка крыши

РЕМОНТ АВТОЭЛЕКТРОНИКИ ЗАРЯДНЫЕ УСТРОЙСТВА ДЛЯ АКБ

|