Схемы самых популярных скутеров фирмы ямаха. Тут имеются электросхемы Yamaha Aerox, Yamaha Cygnus, Yamaha Majesty и некоторые другие. Чтобы бесплатно скачать архив со схемами скутеров - кликните по ссылке. Или смотрите их на данной странице.
Электросхема скутера ямаха Aerox

Электросхема скутера ямаха Cygnus

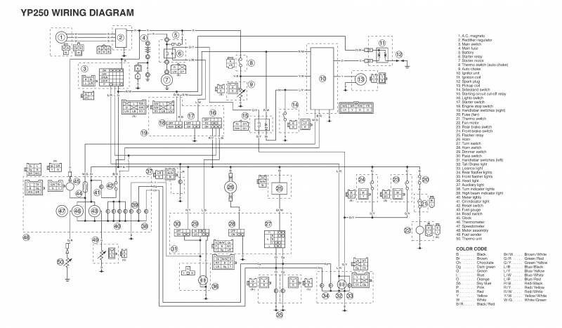
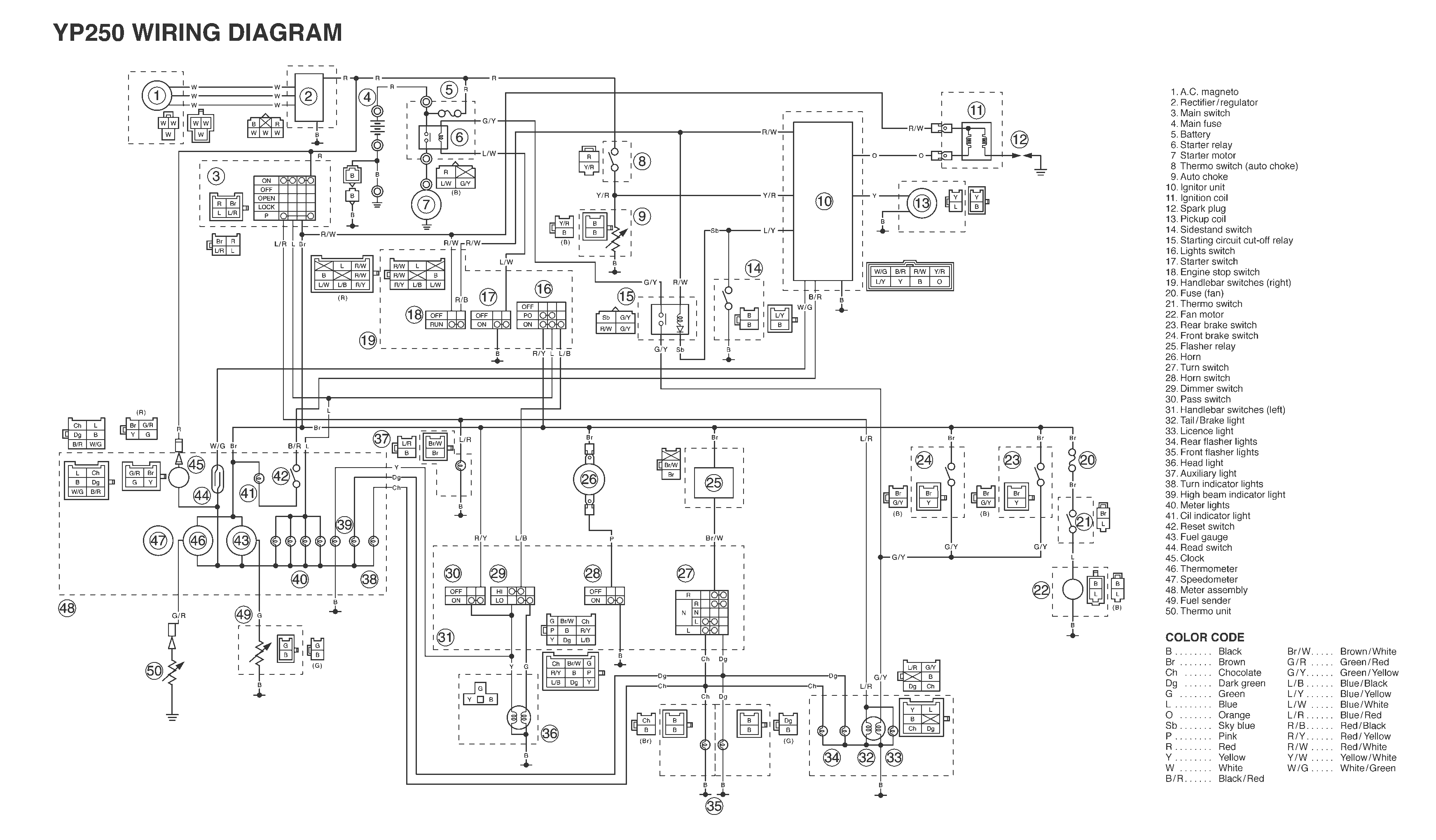
Электросхема скутера ямаха Majesty

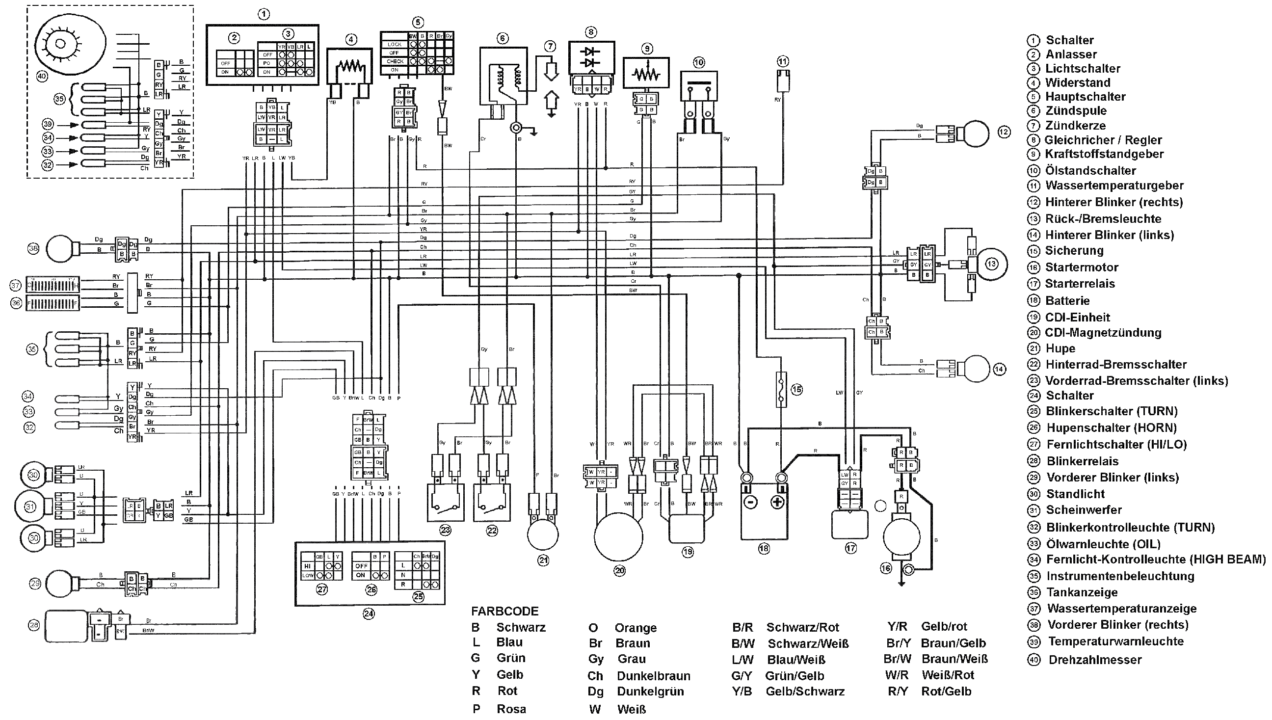
Электросхема скутера ямаха Jog

Электросхема скутера ямаха Neos

РЕМОНТ АВТОЭЛЕКТРОНИКИ ЗАРЯДНЫЕ УСТРОЙСТВА ДЛЯ АКБ

|