Бесплатные и качественные электросхемы автомобиля Suzuki Swift на русском языке. Suzuki Swift - это 5-дверный хэтчбек класса «В». Представленна первая часть, содержащая такие узлы: Система зажигания, управления двигателем, фары головного света, указатели поворотов, задние габаритные огни и освещение панели приборов и другие. В конце статьи указан пример обозначения элементов на схемах и их расшифровка. Вторую часть сборника электросхем Сузуки Свифт смотрите тут.
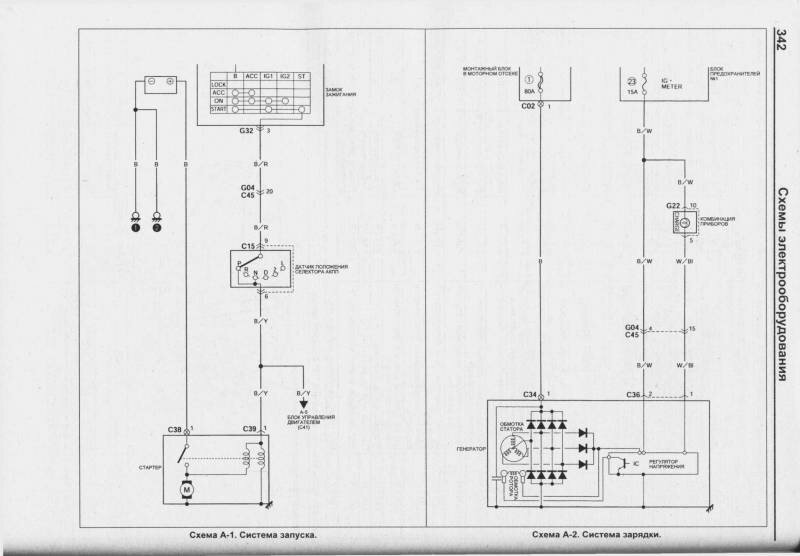
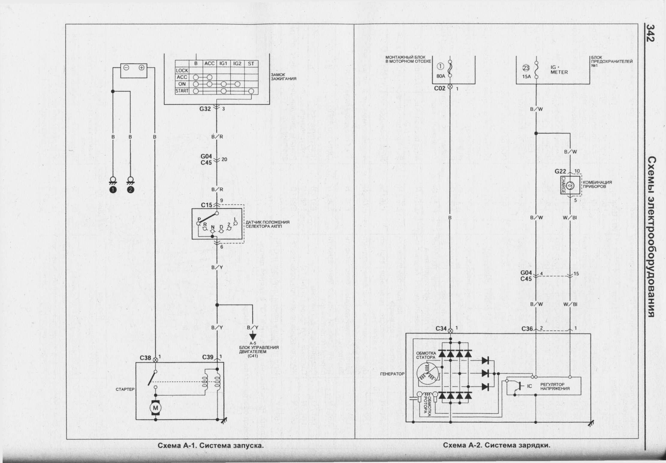
Схема ситемы запуска и заряда Suzuki Swift

Ситема зажигания и охлаждения двигателя

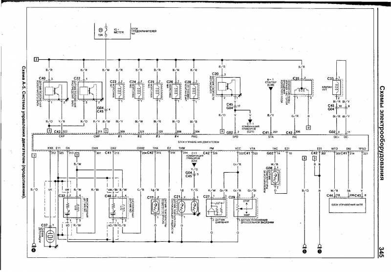
Электросхема системы управления двигателем Suzuki Swift


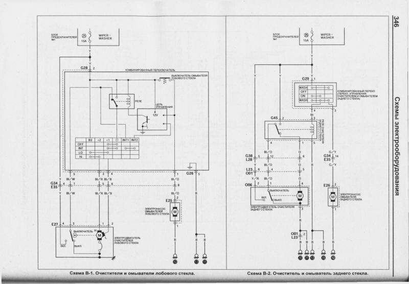
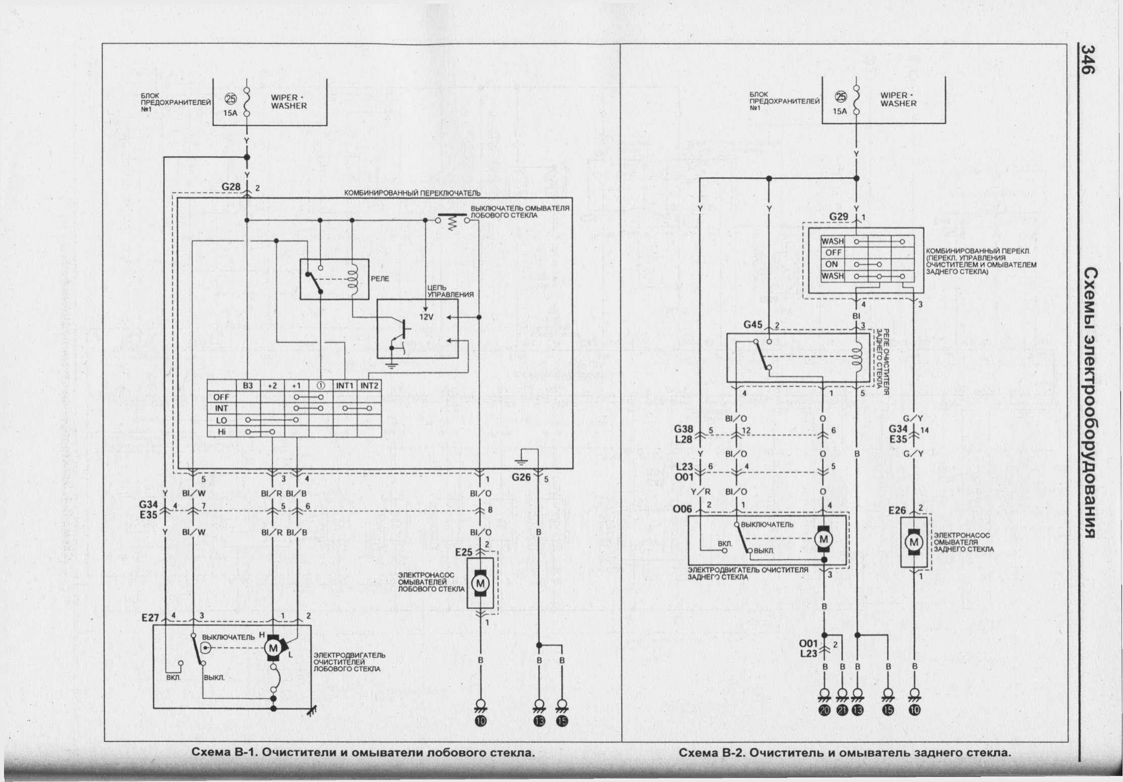
Схема устройства стеклоочистителей и стеклоомывателей автомобиля

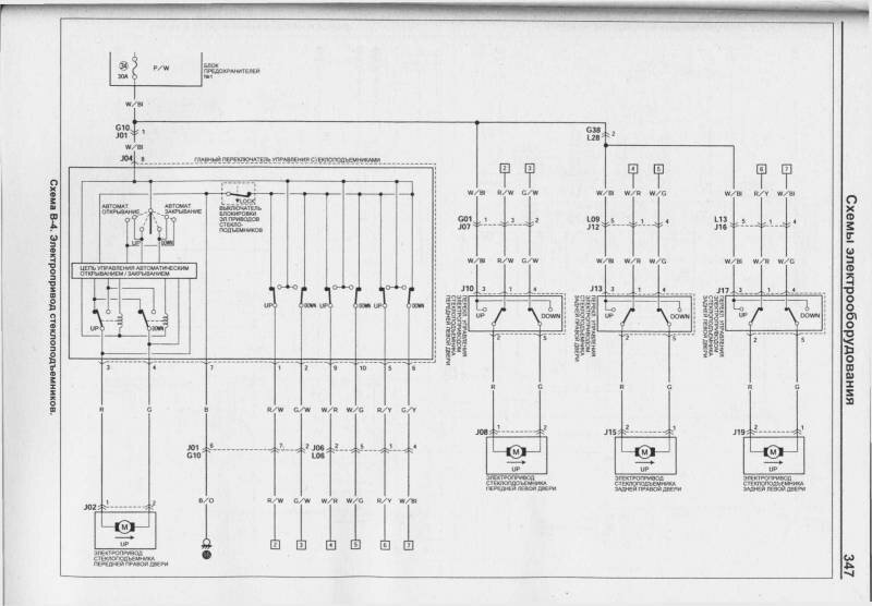
Схема электропривода стеклоподъёмников

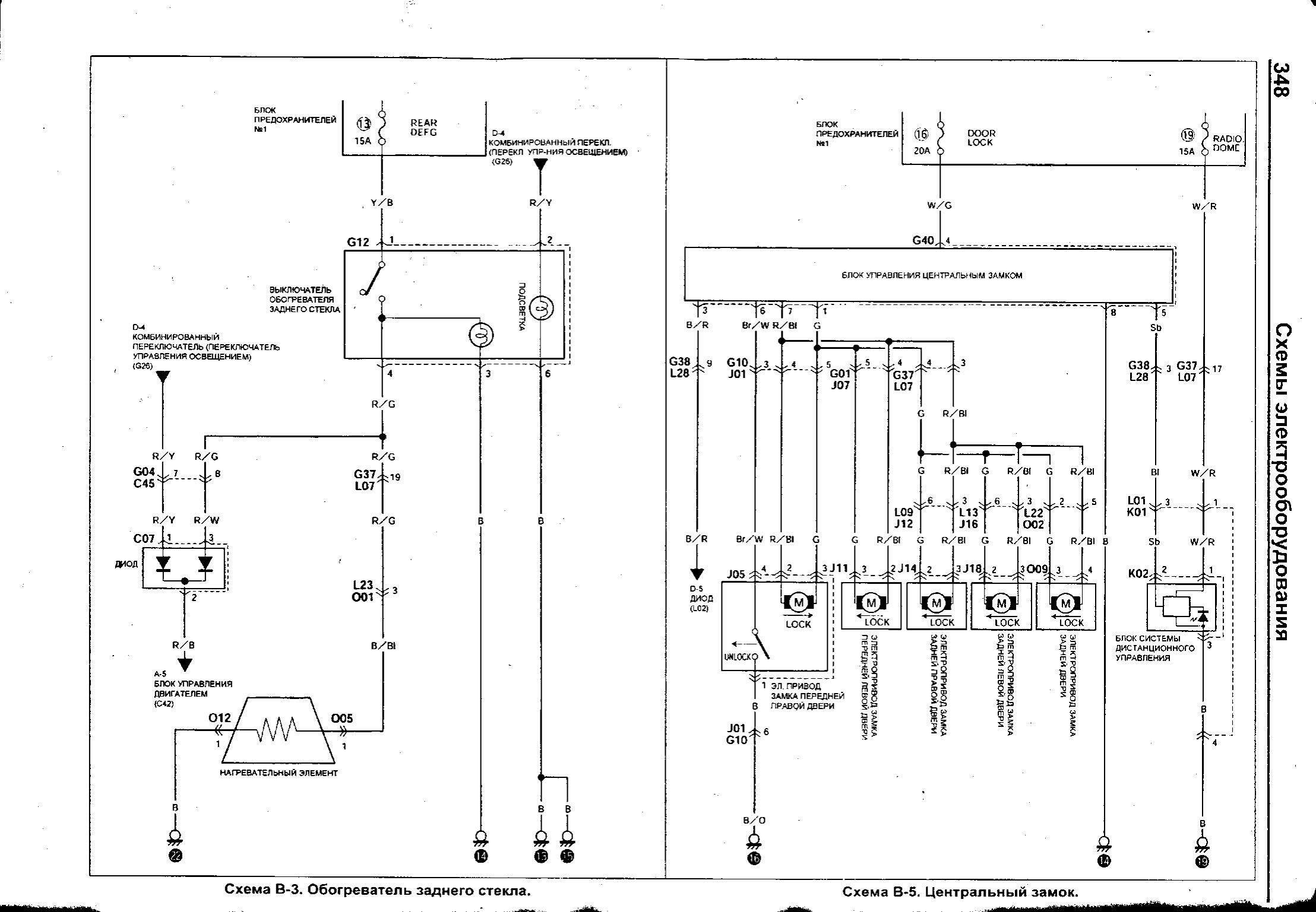
Обогреватель стекла и центральный замок Сузуки Свифт

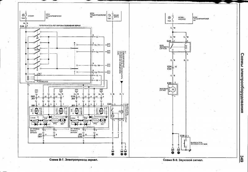
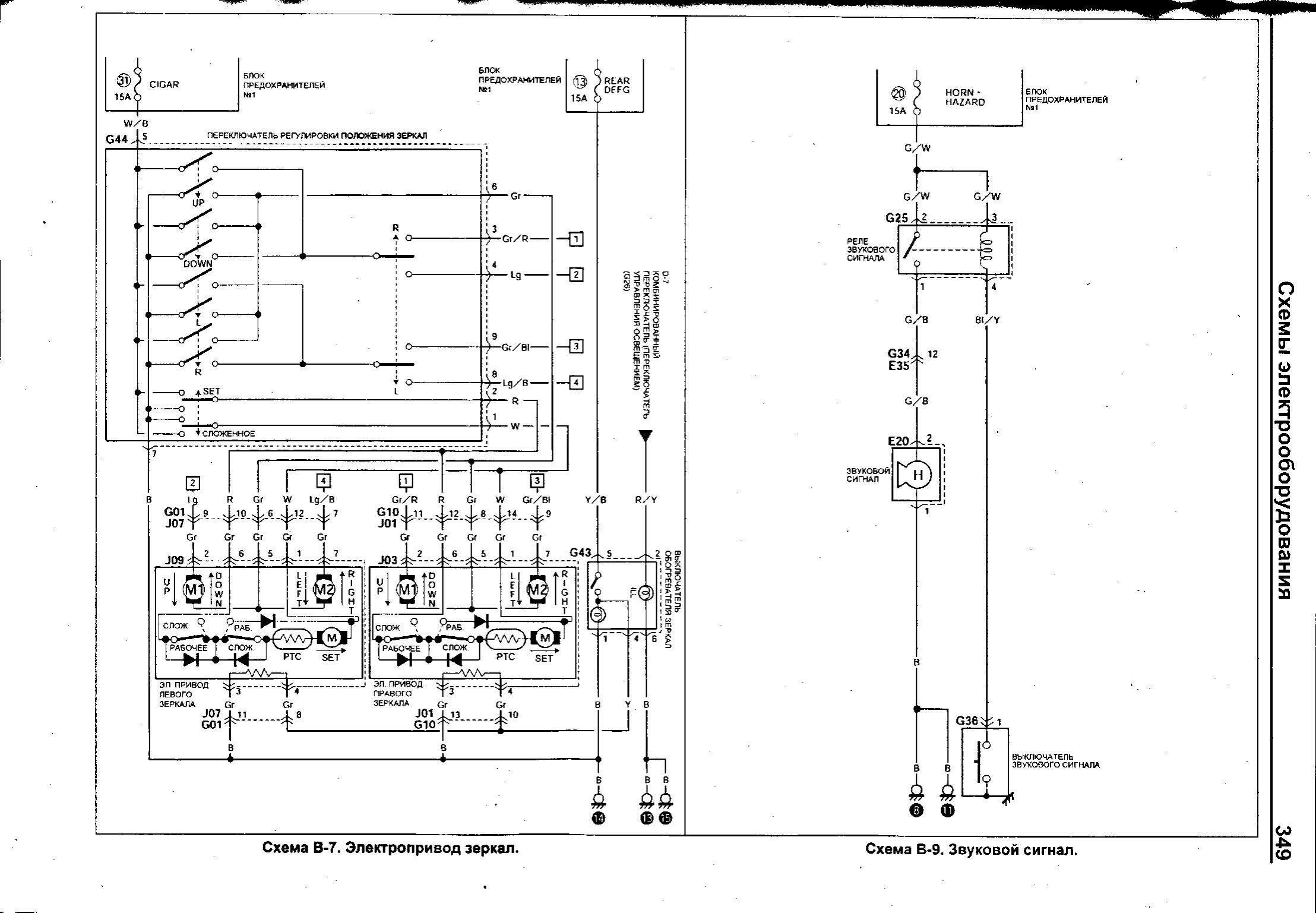
Схема электропривода зеркал и сигнала

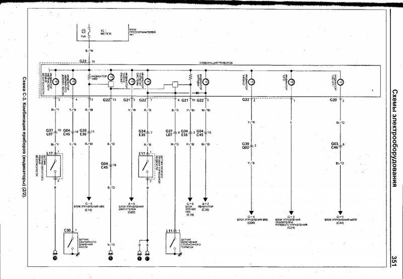
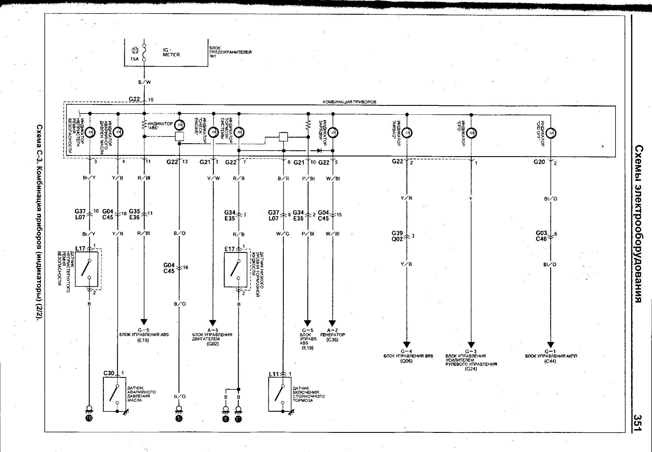
Комбинация приборов Suzuki Swift


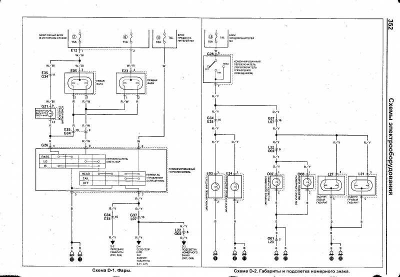
Фары головного света и габаритная подсветка

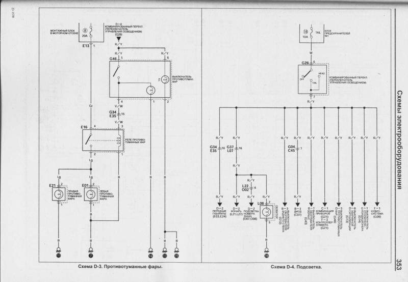
Задние противотуманные фары и подсветка автомобиля Сузуки

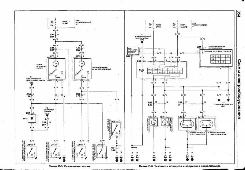
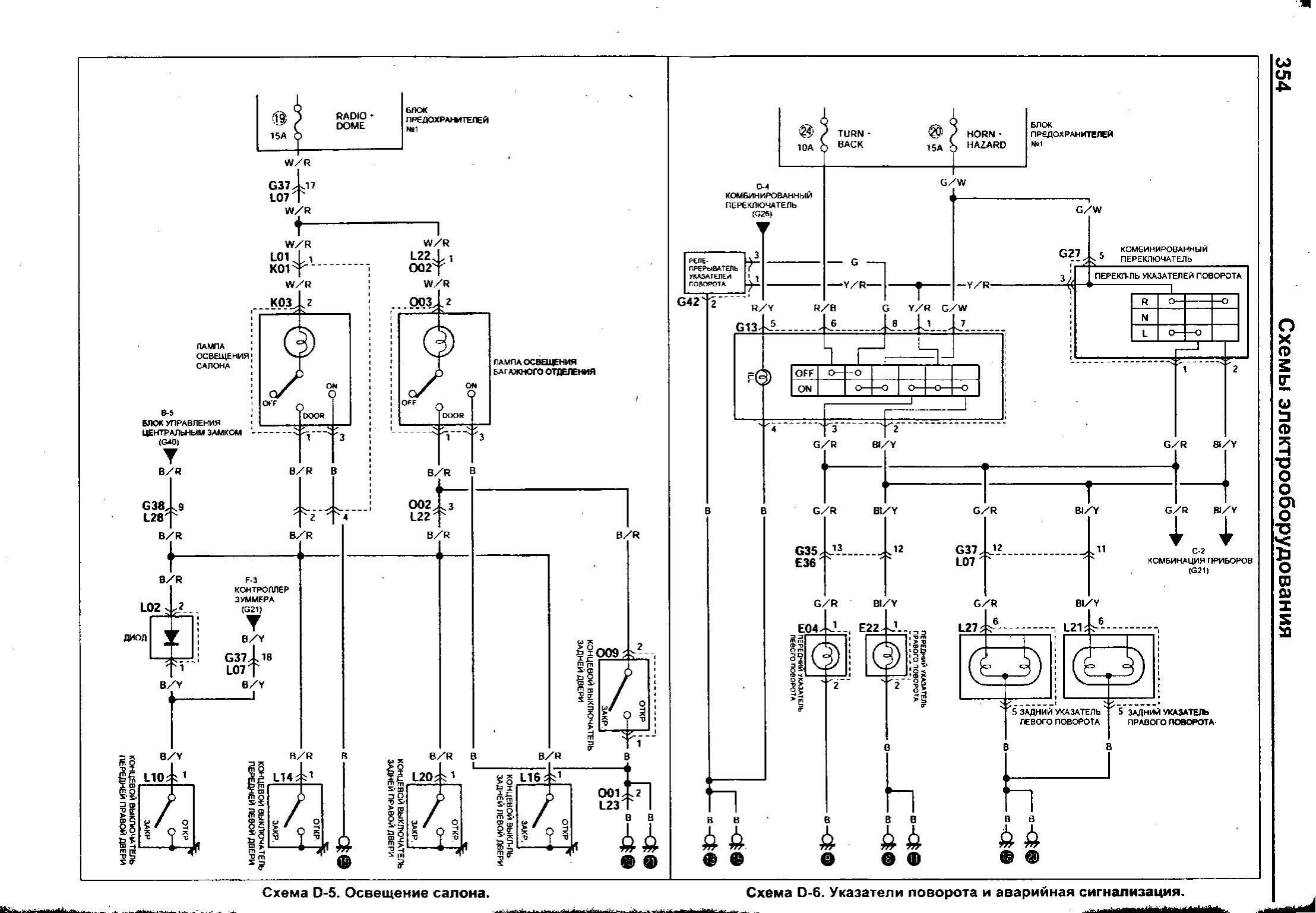
Указатели поворотов - принципиальная схема

Стоп сигналы и задний ход Suzuki Swift

Электросхема аудиосистемы и кондиционера авто

РЕМОНТ АВТОЭЛЕКТРОНИКИ ЗАРЯДНЫЕ УСТРОЙСТВА ДЛЯ АКБ

|