Окончание сборника электросхем для автомобиля Ауди 4. Предыдущие схемы смотрите тут, а начало сборника Audi A4 / S4 (с 2000 года выпуска) - тут. Вы можете скачать их бесплатно, кликнув на картинке и сохранив на ПК. Ниже представленны такие узлы, как звуковой сигнал, огни заднего хода, электрообогрев дверных зеркал, электропривод дверных зеркал заднего вида, электропривод верхнего люка / откидного верха и другие.
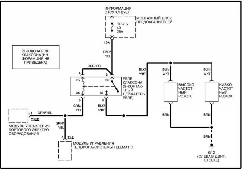
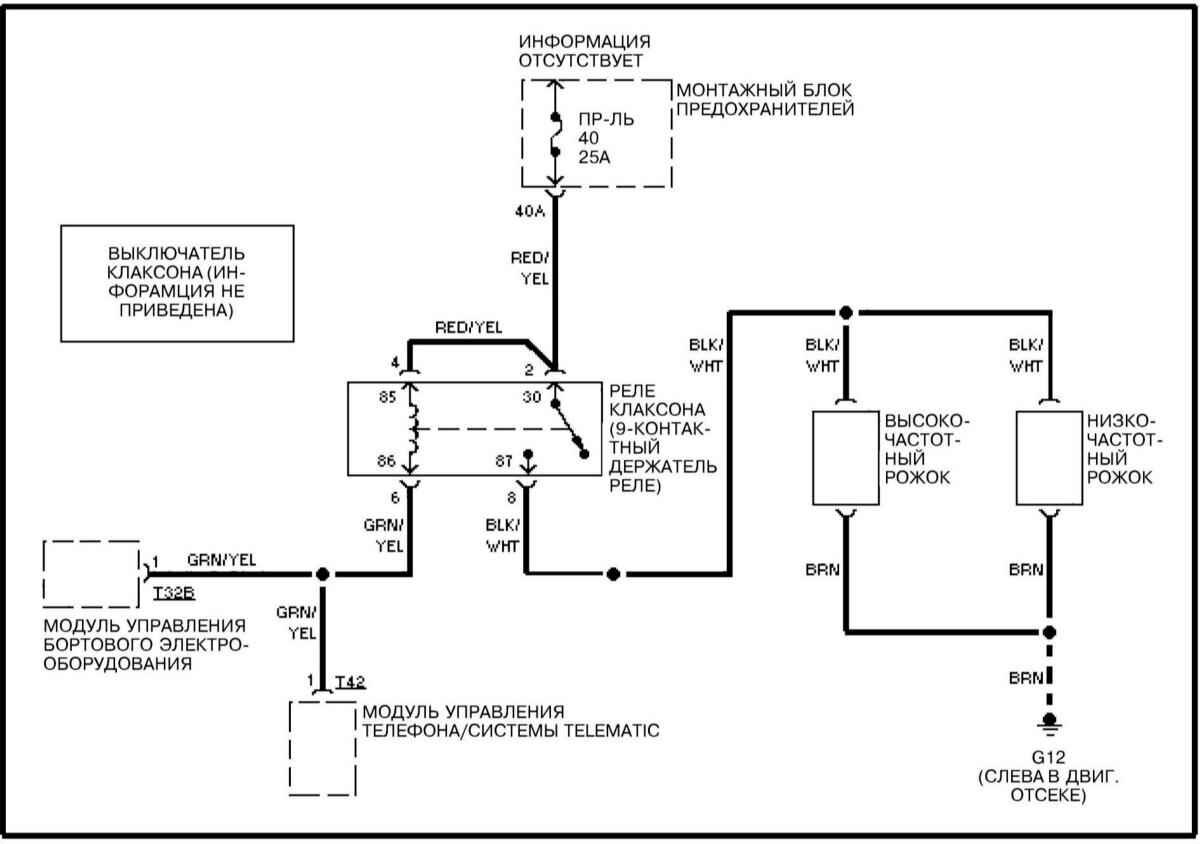
Электросхема звукового сигнала

Электросхема огней заднего хода Audi 4

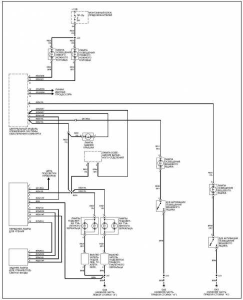
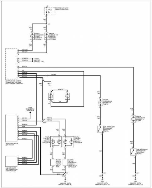
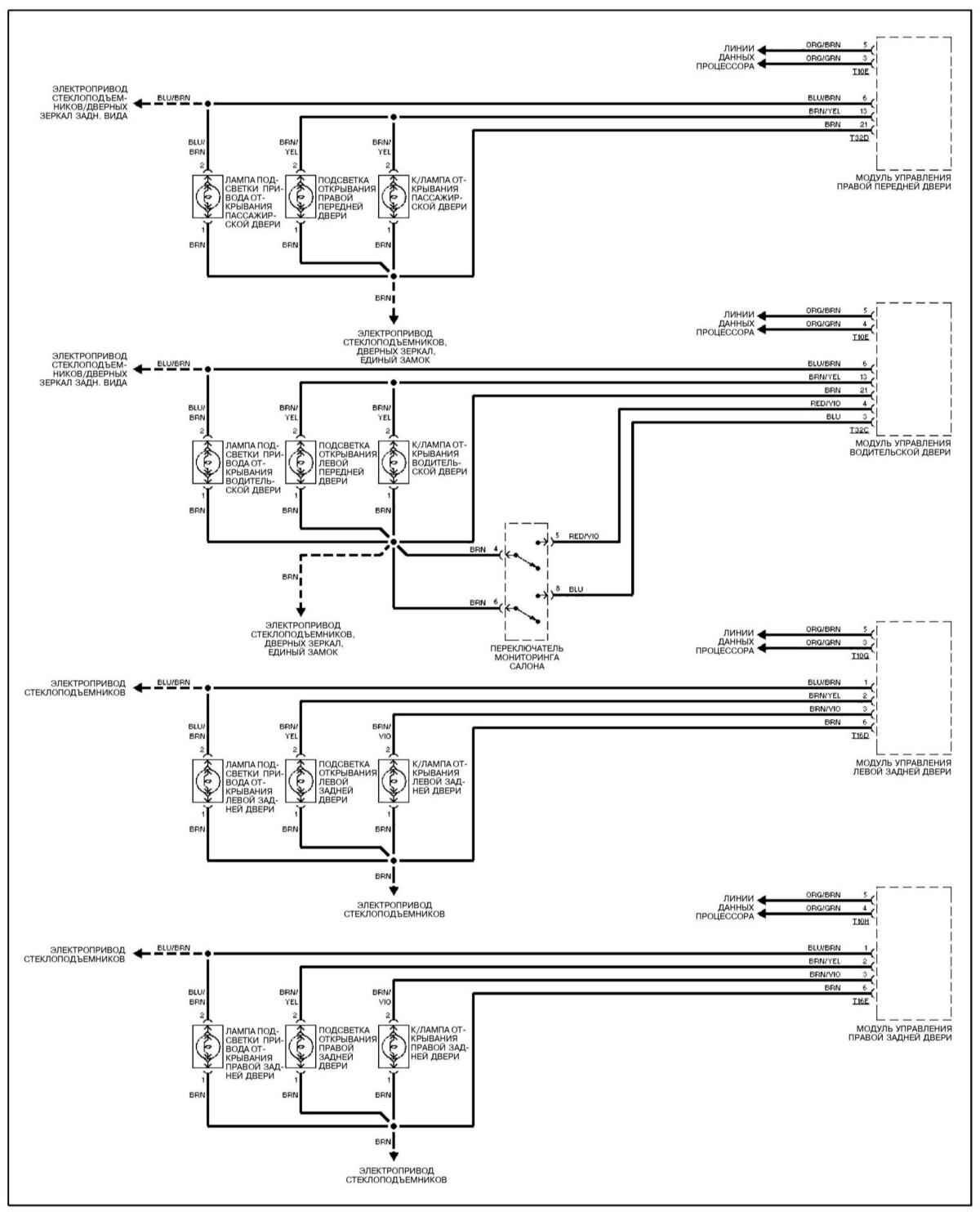
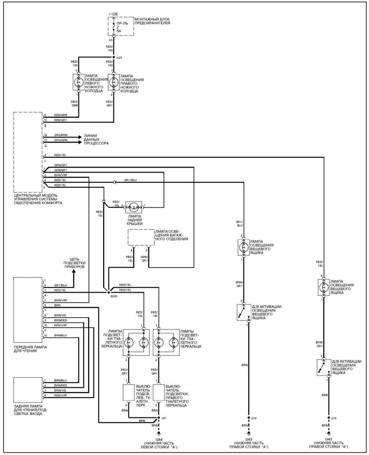
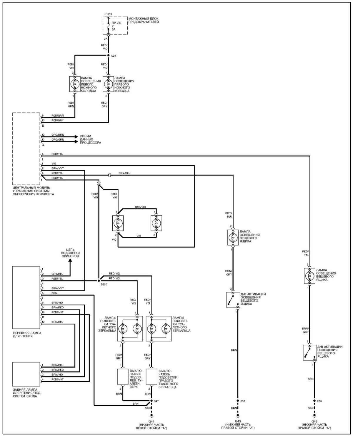
Схема освещения салона при открывании дверей



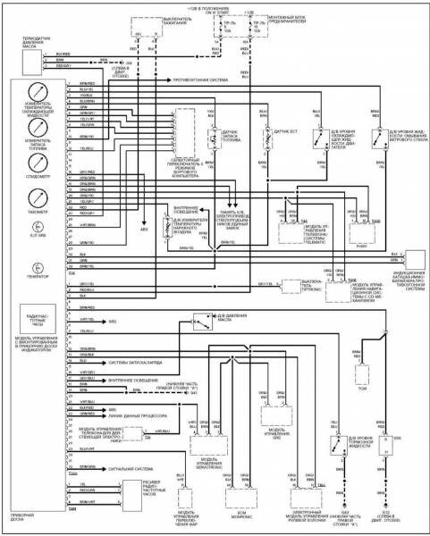
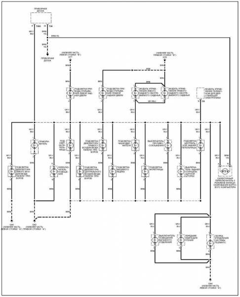
Электросхема приборной доски Audi 4

Подсветка приборов - схема

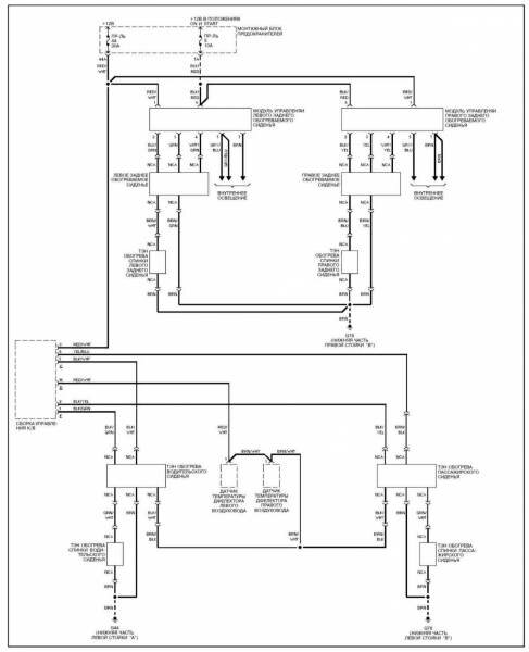
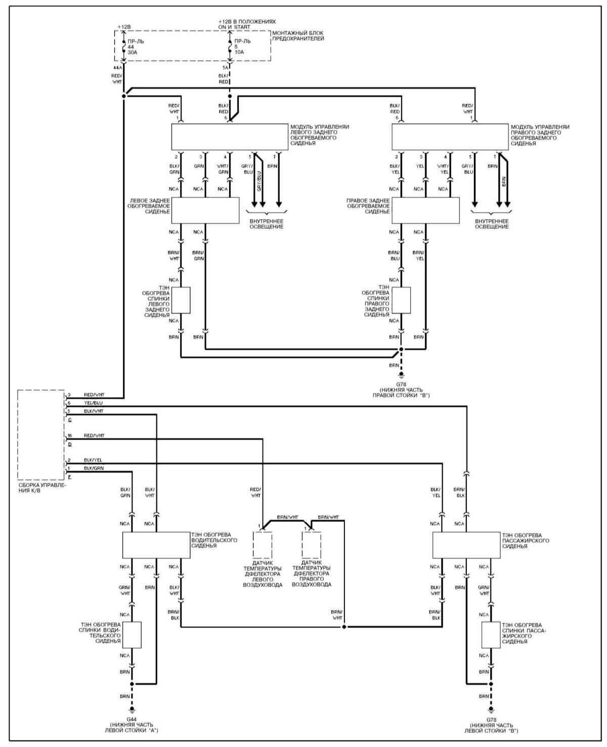
Электросхема обогрева сидений

Электропривод сидений Audi 4

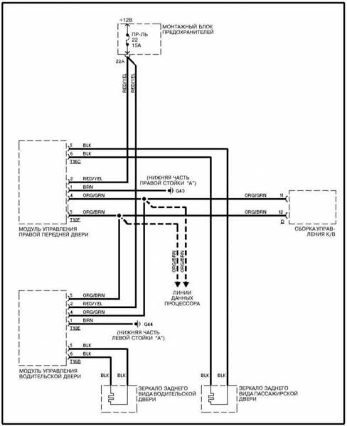
Электрообогрев дверных зеркал заднего вида

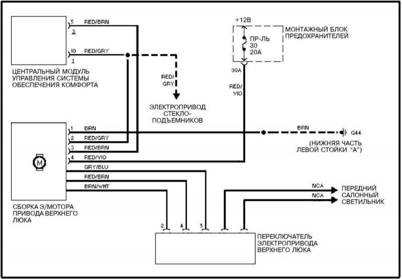
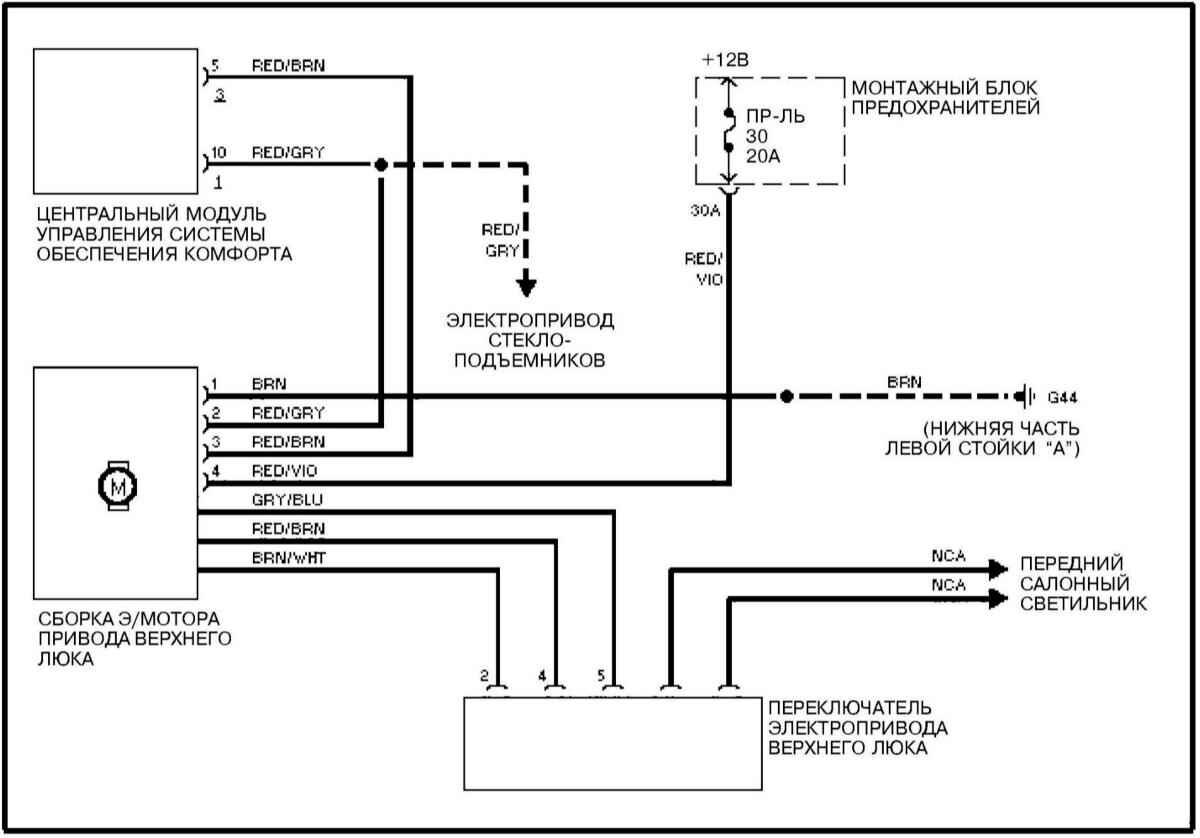
Электропривод верхнего люка - схема

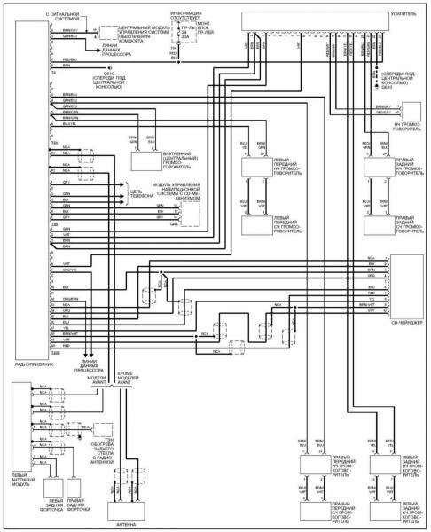
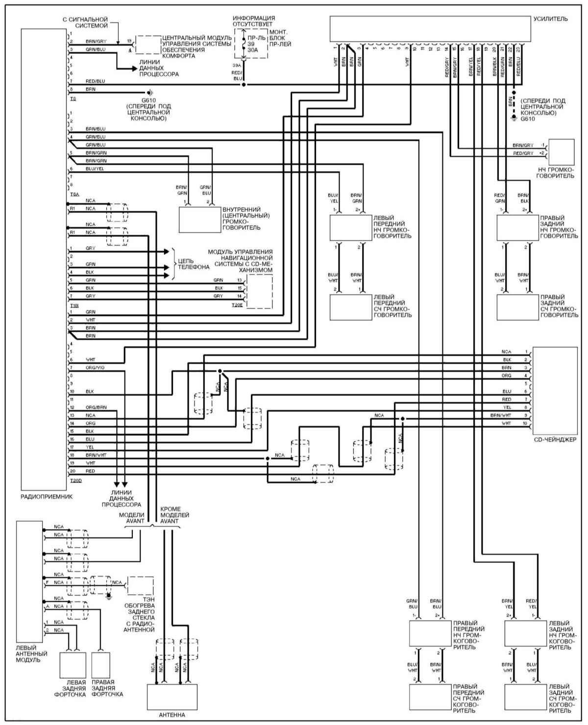
Аудиосистема с усилителем Audi 4

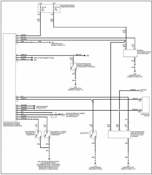
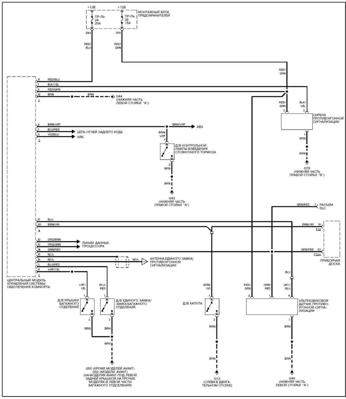
Противоугонная система автомобиля Ауди 4

РЕМОНТ АВТОЭЛЕКТРОНИКИ ЗАРЯДНЫЕ УСТРОЙСТВА ДЛЯ АКБ

|