Продолжение сборника электросхем, для электрооборудования Audi A4 с 2000 года выпуска. Первую часть смотрите здесь. В данном разделе показаны схемы таких узлов, как блокировка переключений АТ, автоматическая трансмиссия, электронная система усиления рулевого привода, система антиблокировки тормозов (ABS) и некоторые другие блоки авто. Увеличить схему можно кликнув на неё. Окончание альбома находится тут.
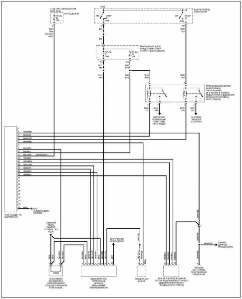
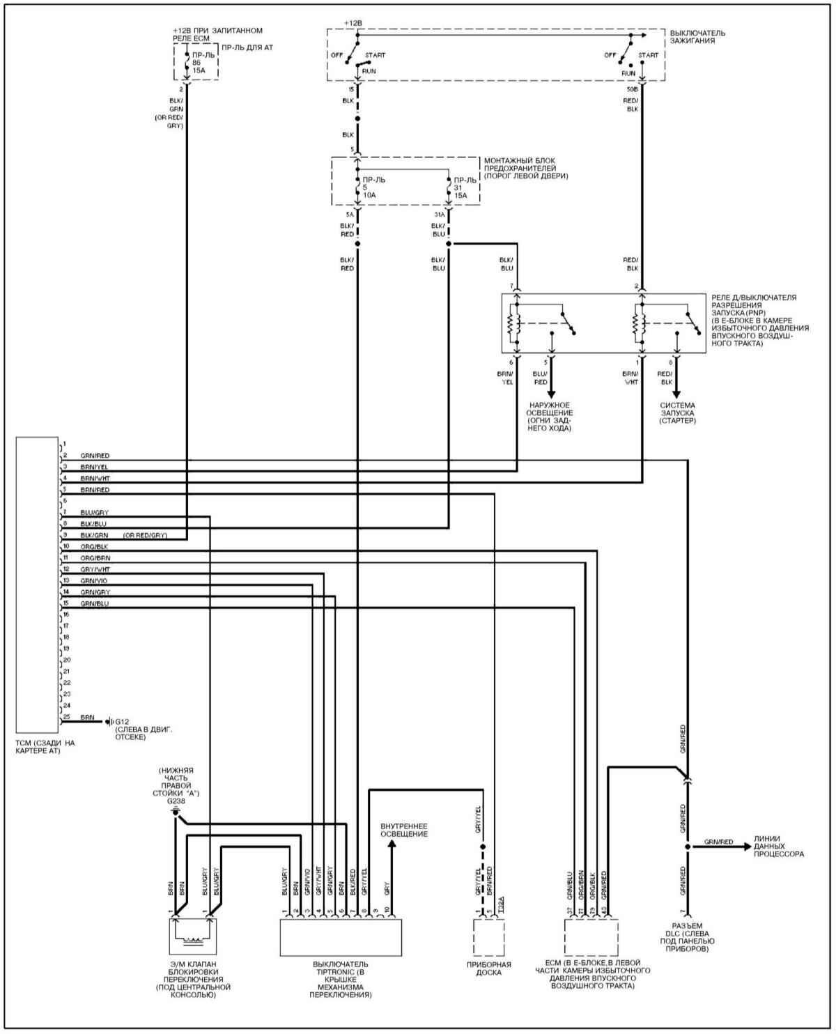
Электросхема блокировки переключений АТ


Автоматическая трансмиссия стандартного...

...и вариаторного типа (CVT)

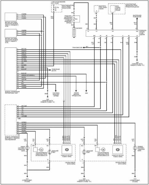
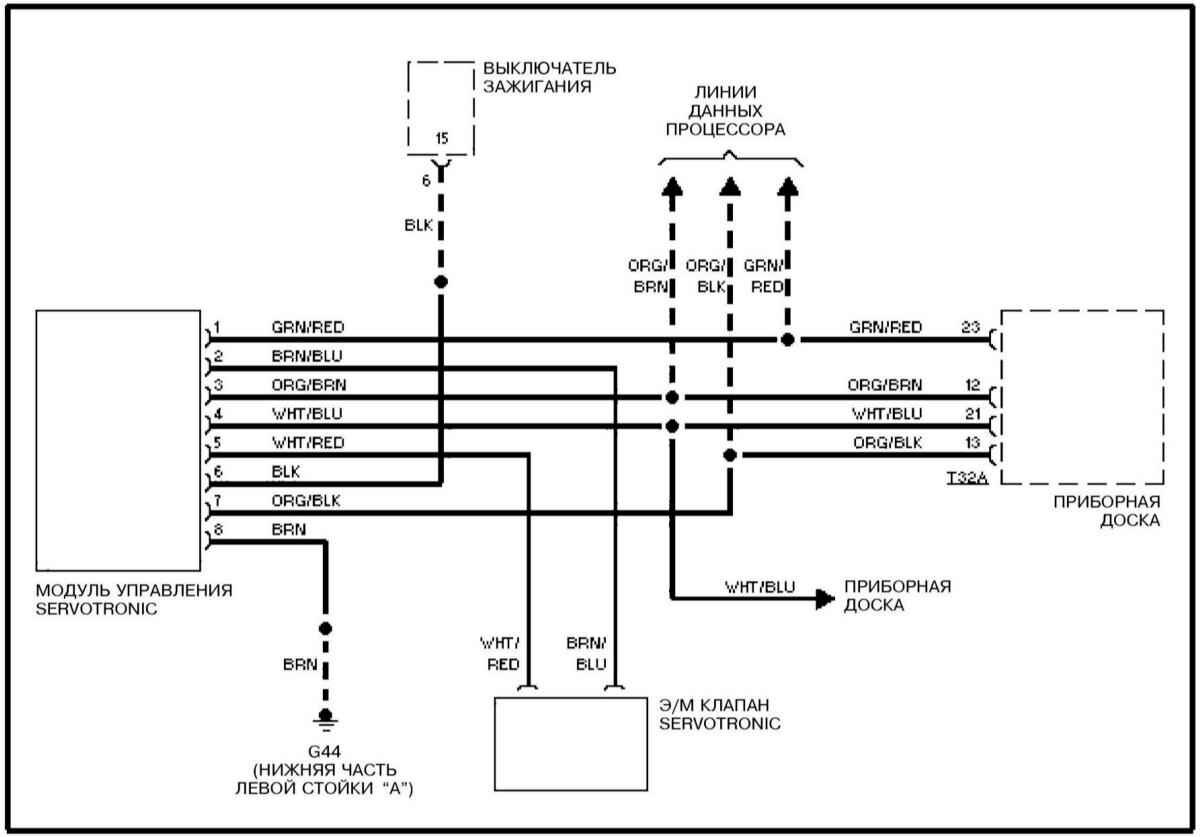
Электронная система усиления рулевого привода

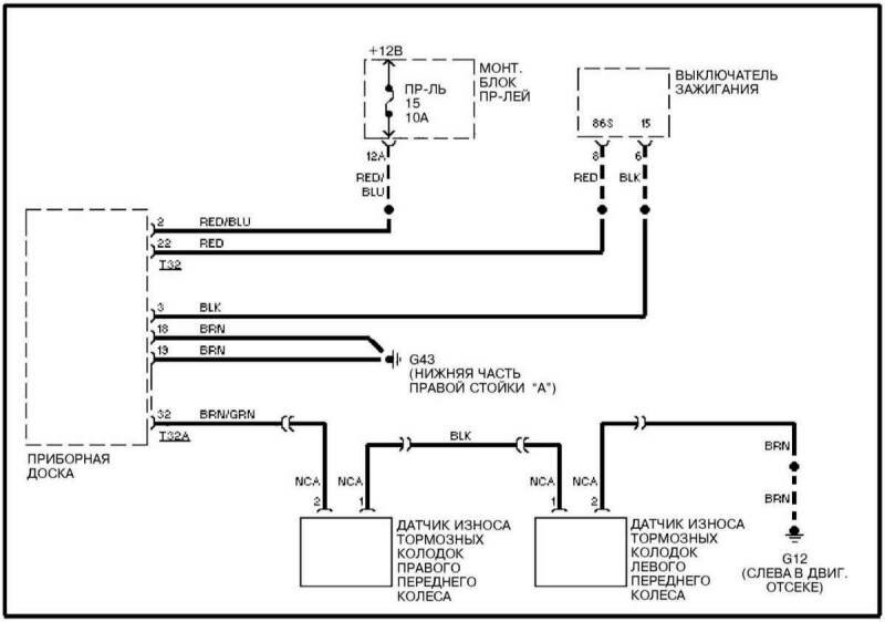
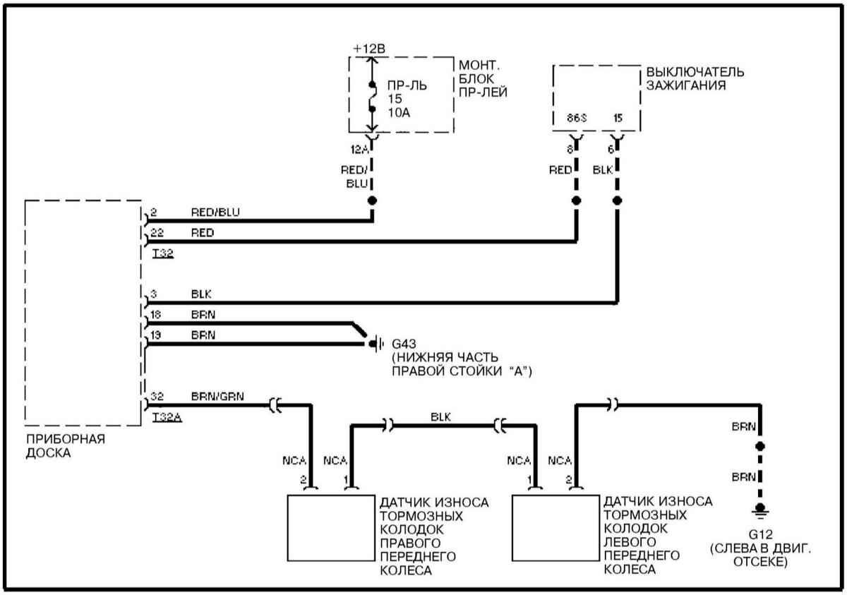
Схема сигнализатора износа тормозных колодок Audi A4

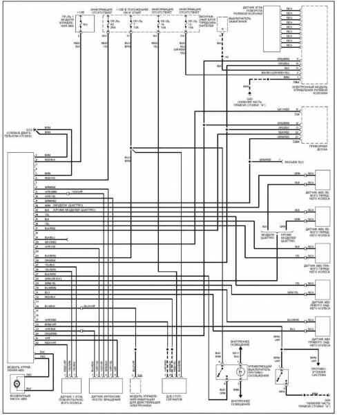
Схема системы антиблокировки тормозов (ABS)

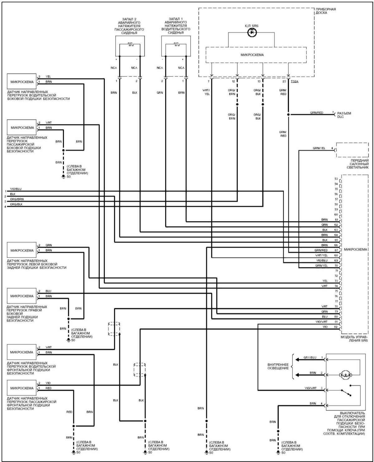
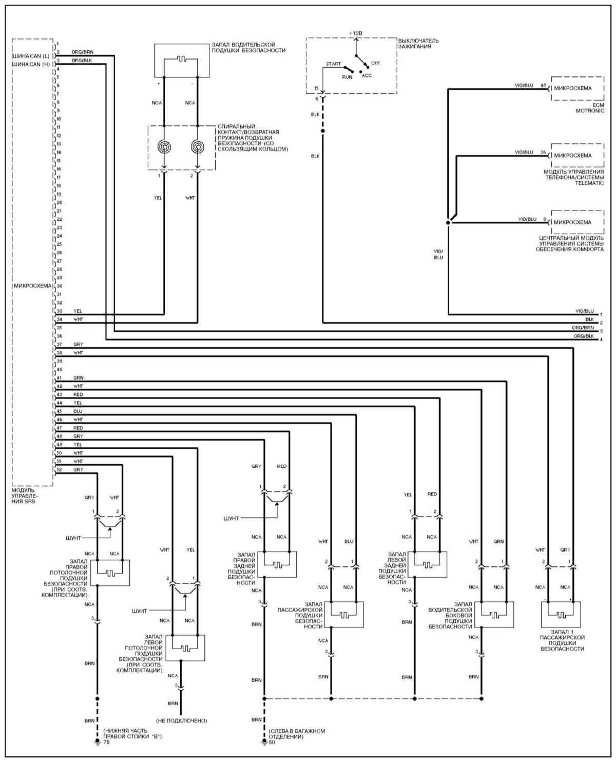
Электросхема (SRS) Audi A4


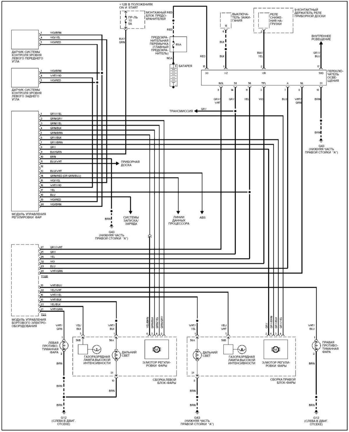
Фары с газоразрядными лампами - схема

Фароомыватели Audi A4

Электросхема обогрева сопел подачи омывающей жидкости

РЕМОНТ АВТОЭЛЕКТРОНИКИ ЗАРЯДНЫЕ УСТРОЙСТВА ДЛЯ АКБ

|